Масляный насос ямз 238 устройство и описание регулировка – Практическая работа №3Изучение магистральных путей подвода масла к агрегатам двигателя ЯМЗ-238
Система охлаждения и система смазки двигателя ЯМЗ-238
________________________________________________________________
Система охлаждения и система смазки двигателя ЯМЗ-238
Система охлаждения дизельного двс ЯМЗ-238
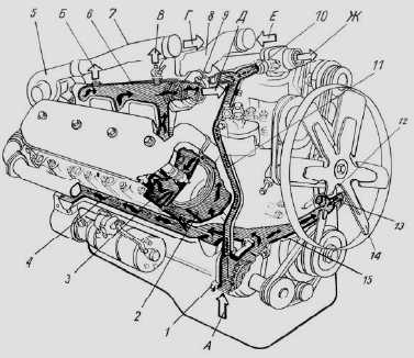
Система охлаждения дизеля ЯМЗ-238 автомобилей Маз, Краз, Урал, трактора К-700 (рис. 17) — жидкостная, циркуляционная, включающая в себя водяной насос, жидкостно-масляный теплообменник, вентилятор, термостаты.

Рис. 17. Схема системы охлаждения дизельного двигателя ЯМЗ-238
1 – водяной насос; 2 – полость блока охлаждения гильз; 3 – водяная
полость в головке блока; 4 – продольный водяной канал; 5 –
турбокомпрессор; 6 –
правая водяная труба; 7 – труба соединительная; 8 – патрубок
впускной; 9 – термостат; 10 – тройник с соединительными трубками; 11
– трубка
перепускная; 12 –заглушка; 13 – впускной патрубок
жидкостно-масляного теплообменника; 14 – вентилятор; 15 – поперечный
водяной канал; А – подвод
Кроме того, система охлаждения дизеля ЯМЗ-238 включает водяной радиатор, охладитель наддувочного воздуха типа “воздух-воздух” и дистанционный термометр, устанавливаемые на автомобиле.
Во время работы дизельного двигателя ЯМЗ-238 циркуляция охлаждающей жидкости в системе охлаждения создается центробежным насосом.
Из водяного насоса двигателя ЯМЗ-238 автомобилей Маз, Краз, Урал, трактора К-700 (1) жидкость поступает в поперечный канал 15 и далее по правому продольному каналу 4 в водяную полость правого ряда цилиндров, а в левый ряд цилиндров – через впускной патрубок жидкостно-масляного теплообменника 13, охлаждая масло в двух элементах, далее в левый продольный канал.
Для того чтобы охлаждающая жидкость проходила через жидкостно-масляный теплообменник, в переднюю крышку шестерен распределения запрессована заглушка 12.
Далее охлаждающая жидкость из водяных полостей цилиндров по направляющим каналам поступает в головки цилиндров к наиболее нагретым поверхностям – выпускным каналам и стаканам форсунок и затем собирается в водосборных трубах 6.
При нагреве холодного двигателя ЯМЗ-238 каналы, соединяющие водосборные трубы с радиатором, перекрыты клапанами термостатов 9.
Охлаждающая жидкость циркулирует по тройнику с соединительными трубками 10 и перепускной трубке 11 к водяному насосу, минуя радиатор, что ускоряет прогрев двигателя.
По достижении в системе водяного охлаждения двс ЯМЗ-238 температуры 80°С клапаны термостатов открываются, нагретая жидкость поступает в водяной радиатор, где отдает тепло потоку воздуха, создаваемому вентилятором 14, после чего снова идет к водяному насосу.
Когда температура охлаждающей жидкости понижается, термостаты автоматически направляют весь ее поток непосредственно к водяному насосу, минуя радиатор.
Таким образом, посредством термостатов обеспечивается оптимальный тепловой режим работы двигателя ЯМЗ-238.
Водяной насос дизельного двигателя ЯМЗ-238
Водяной насос (помпа) двс ЯМЗ-238 центробежного типа, установлен на передней стенке блока цилиндров и приводится во вращение клиновым ремнем от шкива, установленного на переднем конце коленчатого вала.
Конструкция помпы дизеля ЯМЗ-238 автомобилей Маз, Краз, Урал, трактора К-700 приведена на рисунке 18.

Рис. 18. Водяной насос (помпа) дизеля ЯМЗ-238
1 – шкив привода; 2 – стопорное кольцо; 3 – подшипники; 4 – валик; 5 – водосбрасыватель; 6 – уплотнение торцевое; 7 – корпус насоса; 8 – кольцо уплотнительное; 9 – патрубок водяного насоса; 10 – крыльчатка; 11 – заглушка крыльчатки; 12 – кольцо уплотнительное; 13 – втулка уплотнительного кольца; А – торцевое уплотнение; Б – дренажное отверстие
В чугунном корпусе 7 насоса вращается напрессованная на валик 4 крыльчатка 10, создающая поток охлаждающей жидкости.
Валик водяного насоса ЯМЗ-238 установлен на двух шарикоподшипниках 3 с односторонним уплотнением.
Полость подшипников при сборке насоса заполняется смазкой Литол на весь срок службы насоса без дополнительной смазки.
Уплотнение подшипниковой полости помпы двс ЯМЗ-238 осуществляется торцевым самоподжимным уплотнением.
Для контроля за герметичностью торцевого уплотнения в корпусе насоса имеется дренажное отверстие «Б».
Шкив привода 1 напрессован на валик насоса.
Водяной насос дизельного двигателя ЯМЗ-238 имеет маркировку на корпусе 236-1307010-Б1.
Дизельные двигатели ЯМЗ-238 автомобилей Маз, Краз, Урал, трактора К700 комплектуются фрикционным приводом вентилятора, предназначенным для включения и выключения вентилятора в зависимости от условий эксплуатации.
Применение фрикционного привода дизеля ЯМЗ-238 позволяет:
Обеспечить оптимальный тепловой режим двигателя.
Снизить расход топлива за счет снижения потерь мощности на работу вентилятора.
Повысить надежность шестеренчатого привода двигателя за счет снижения динамических нагрузок на шестерни.
Сократить время прогрева двигателя.
Улучшить комфортабельность за счет поддержания надлежащего микроклимата в кабине и снижения шумности.
Система смазки дизельного двс ЯМЗ-238
Система смазки дизельного двигателя ЯМЗ-238 автомобилей Маз, Краз, Урал, трактора К-700 – смешанная, с «мокрым» картером (рис. 19).

Рис. 19. Схема системы смазки дизельного двигателя ЯМЗ-238 с односекционным масляным насосом и жидкостно-масляным теплообменником
1 – масляный картер; 2 – маслозаборник; 3 – масляный насос; 4 – редукционный клапан; 5 – жидкостно-масляный теплообменник; 6 – масляный фильтр; 7 – перепускной клапан; 8 – сигнальная лампа фильтра; 9 – фильтр центробежной очистки масла; 10 – распределительный вал; 11 – ось толкателей; 12 – коленчатый вал; 13 – дифференциальный клапан; 14 – форсунка охлаждения поршней; 15 – клапан системы охлаждения поршней; 16 – турбокомпрессор; 17 – перепускной клапан теплообменника; 18 – включатель привода вентилятора; 19 – привод вентилятора; 20 – ТНВД
Масляный насос 238Б-1011014-А производительностью 140 л/мин (рис. 20) через всасывающую трубу с заборником засасывает масло из картера и подает его в систему через последовательно включенный жидкостно-масляный теплообменник.
Рис. 20. Масляный насос двс ЯМЗ-238
1 – промежуточная шестерня; 2 – ось промежуточной шестерни; 3 – вал-шестерня ведущая; 4 – крышка корпуса; 5 – вал-шестерня ведомая; 6 – корпус; 7 – шестерня привода; 8 – шпонка; 9 – фланец упорный
В корпусе теплообменника (пластинчатого) установлен перепускной клапан.
Когда разность давлений до и после теплообменника достигает 274±40 кПа (2,8±0,40 кгс/см2), клапан открывается и часть масла подается непосредственно в масляную магистраль.
Из жидкостно-масляного теплообменника масло поступает в каналы блока через дифференциальный клапан, предназначенный для поддержания постоянного давления в системе.
При повышении давления свыше 520 кПа (5,2 кгс/см2) часть масла сливается в картер.
Далее через каналы в блоке часть масла через клапан системы охлаждения поршней дизеля ЯМЗ-238 поступает к форсункам охлаждения поршней и затем сливается в картер.
Клапан системы охлаждения поршней автомобилей Маз, Краз, Урал, трактора К-700 прекращает подачу масла к форсункам при давлении масла в системе смазки ниже 130 – 165 кПа (1,30 – 1,65 кгс/см2). Другая часть поступает в масляный фильтр (рис. 21).

Рис. 21. Масляный фильтр дизеля ЯМЗ-238
1 – корпус фильтра; 2 – прокладка колпака; 3 – замковая крышка; 4 – колпак фильтра; 5 – фильтрующий элемент; 6 – головка колпака; 7 – прокладка фильтрующего элемента; 8 – плунжер клапана; 9 – пружина клапана; 10 – пружина сигнализатора; 11 – подвижный контакт сигнализатора; 12 – неподвижный контакт; 13 – клемма
В корпусе фильтра установлен перепускной клапан.
Когда разность давлений до и после фильтра достигает 200 – 250 кПа (2,0 – 2,5 кгс/см2), клапан открывается и часть неочищенного масла подается непосредственно в масляную магистраль.
К моменту начала открытия перепускного клапана произойдет замыкание подвижного и неподвижного контактов сигнализатора.
В этот момент в кабине водителя загорается сигнальная лампочка, соединенная с клеммой сигнализатора.
Такое повышение давления может произойти тогда, когда засорен элемент фильтр или масло имеет большую вязкость (например, при пуск двигателя в холодное время года).
Фильтрующий элемент масляного фильтра ЯМЗ-238 изготавливается либо из нетканого материала, натянутого на металлический каркас, либо из специальной фильтровальной бумаги.
Из фильтра масло поступает в центральный масляный канал, а оттуда через систему каналов в блоке – к подшипникам коленчатого и распределительного валов.
От подшипников коленчатого вала ЯМЗ-238 автомобилей Маз, Краз, Урал, трактора К-700 через масляные каналы в коленчатом валу и шатунах масло подается к подшипникам верхних головок шатунов.
От распределительного вала дизеля ЯМЗ-238 масло пульсирующим потоком направляется в ось толкателей, а оттуда по каналам толкателей, полостям штанг и коромысел поступает ко всем трущимся парам привода клапанов, а по наружной трубе – к подшипникам турбокомпрессора, регулятора частоты вращения и топливного насоса высокого давления.
Под давлением смазывается также подшипник промежуточной шестерни привода масляного насоса ЯМЗ-238.
Шестерни привода агрегатов, кулачки распределительного вала, подшипники качения, гильзы цилиндров смазываются разбрызгиванием.
На переднем фланце отводящей трубы масляного насоса ЯМЗ-238 установлен редукционный клапан, перепускающий масло обратно в картер при давлении на выходе из насоса свыше 700 – 800 кПа (7,0 – 8,0 кгс/см2).
Для стабилизации давления в систему смазки двигателя ЯМЗ-238 включен дифференциальный клапан, отрегулированный начало открытия 490 – 520 кПа (4,9 – 5,2 кгс/см2).
Контроль давления масла осуществляется в центральном масляном канале.

Рис. 22. Фильтр центробежной очистки масла ЯМЗ-238
1 – колпак фильтра; 2, 7 – шайбы; 3 – колпачковая гайка; 4 – гайка крепления ротора; 5 – упорная шайба; 6 – гайка ротора; 8, 14 – втулки ротора; 9 – колпак ротора; 10 – ротор; 11 – отражатель; 12 – уплотнительное кольцо; 13 – прокладка колпака; 15 – ось ротора; 16 – корпус фильтра; 17 – сопло ротора; А – из системы под давлением; Б – слив масла в картер
Фильтр центробежной очистки масла ЯМЗ-238 (рис. 22), включенный в смазочную систему параллельно после масляного фильтра, пропускает до 8% масла, проходящего через систему смазки.
Фильтр ЯМЗ-238 автомобилей Маз, Краз, Урал, трактора К700 предназначен для тонкой фильтрации масла.
Масло очищается под действием центробежных сил при вращении ротора.
Струи масла, выходящие с большой скоростью из сопла, создают момент, приводящий ротор во вращение.
Механические примеси, находящиеся в масле, под действием центробежных сил отбрасываются «к стенке» колпака 9 ротора, образуя на его внутренних поверхностях плотный слой отложений, который следует периодически удалять.
Очищенное масло сливается в картер. Дополнительная центробежная очистка масла производится и в полостях шатунных шеек коленчатого вала ЯМЗ-238.
Турбокомпрессор дизельного двигателя ЯМЗ-238
Дизельный двигатель ЯМЗ-238 автомобилей Маз, Краз, Урал, трактора К700 оборудован турбокомпрессором, использующим энергию выхлопных газов для наддува двигателя.
Увеличивая массу воздуха, поступающего в цилиндры, турбокомпрессор ЯМЗ-238 способствует более эффективному сгоранию увеличенной дозы топлива.
За счет этого повышается мощность двигателя при умеренной тепловой напряженности.
Устройство турбокомпрессора дизельного двигателя ЯМЗ-238
Турбокомпрессор дизеля ЯМЗ-238 (рис. 23) состоит из одноступенчатого центробежного компрессора и радиальной центростремительной турбины.

Рис. 23. Турбокомпрессор ЯМЗ-238
1 – гайка крепления колеса компрессора; 2 – подшипник упорный; 3 –
болт; 4 – корпус компрессора; 5 – вставка; 6 – крышка корпуса
компрессора; 7 –
кольцо уплотнительное; 8 – пластина компрессора; 9 – болт; 10 –
болт-стопор; 11 – пластина турбины; 12 – корпус подшипника; 13 –
проставка корпуса
турбины; 14 – колесо турбины с валом; 15 – корпус турбины; 16 –
кольца уплотнительные; 17 – втулка; 18 – болт; 19 – экран
маслосбрасывающий; 20 –
шайбы упорные; 21 – кольцо уплотнительное; 22 – винт; 23 – колесо
компрессора
Колесо турбины 14 и колесо компрессора 23 расположены на противоположных концах вала ротора консольно по отношению к втулке подшипника 17.
Рабочее колесо 23 центробежного компрессора — полуоткрытого типа, с загнутыми против вращения лопатками, отлито из алюминиевого сплава. Оно напрессовано на вал и закреплено гайкой 1, установленной с герметиком.
Рабочее колесо турбины 14 — полуоткрытого типа, с радиальными лопатками, изготовлено методом литья из жаропрочного сплава. Оно соединено с валом методом сварки трением.
Корпус турбины ЯМЗ-238 изготовлен из жаропрочного чугуна.
Газ подводится к колесу турбины двумя суживающимися каналами.
На торце корпуса турбины имеются шпильки для крепления выпускного трубопровода.
Корпус компрессора 4, вставка и крышка корпуса подшипника 6 изготовлена из алюминиевого сплава.
Крышка корпуса подшипника 6 крепится к корпусу подшипника болтами 3 с применением герметика.
В турбокомпрессоре дизеля ЯМЗ-238 применен подшипник скольжения 17 в виде втулки, изготовленной из алюминиевого сплава.
Она установлена в расточке чугунного корпуса подшипника 12 и удерживается от осевых перемещений болтом-стопором 10.
Смазывание втулки турбокомпрессора ЯМЗ-238 осуществляется под давлением из системы смазки двигателя.
Тщательно отбалансированный ротор установлен во втулке 17.
Осевые усилия, действующие на ротор, воспринимаются упорным подшипником 2.
На каждом конце вала ротора установлены разрезные уплотнительные кольца 16, изготовленные из специального чугуна.
Турбокомпрессор дизеля ЯМЗ-238 крепится к выпускным коллекторам корпусом турбины.
Выходной патрубок корпуса компрессора соединен через патрубки и охладитель наддувочного воздуха со впускными коллекторами двигателя.
avtodisel.ru
Масляный насос ЯМЗ-238
РЕМОНТ ГРУЗОВЫХ АВТОМОБИЛЕЙ И СПЕЦТЕХНИКИ
Запасные части, техническое обслуживание и регулировки
______________________________________________________________________________________________
______________________________________________________________________________________________
Разборка масляного насоса ЯМЗ-238
Зажать в тисках корпус масляного насоса за поверхности, предварительно установив на губки тисков защитные пластины, чтобы не повредить корпус насоса.
Отвернуть упорный фланец и снять его (S=46). Фланец имеет левую резьбу, и отворачивать его необходимо в направлении стрелки.
Снять промежуточную шестерню.
С помощью съемника спрессовать шестерню привода масляного насоса и вынуть шпонку. При необходимости, зачистить кромки шпоночного паза.
Отвернуть болты крепления оси промежуточной шестерни и снять ее (S=17).
Отвернуть болты крепления и крышку корпуса масляного насоса со втулками в сборе. Вынуть из корпуса масляного насоса вал-шестерню ведущую и вал-шестерню ведомую.
Подразобрать редукционный клапан, для чего вывернуть пробку (S=32) и вынуть из корпуса шайбу, пружину, клапан, прокладку.
Сборка масляного насоса ЯМЗ-238 Д, ДЕ, АК, М2, Б, НД
Рис.7 – Клапан редукционный
1–корпус; 2–клапан; 3–пружина; 4–пробка; 5–прокладка; 6–шайба.
Подсобрать редукционный клапан (рисунок 7), для чего вставить в корпус, пружину, клапан, шайбы, установить прокладку и завернуть пробку.
Начало открытия клапана поз. 2 должно происходить при давлении масла в полости А 7+1,0 кгс/см2. Регулировку обеспечить установкой необходимого количества шайб поз. 6. Затяжку пробки поз. 4 производить с Мкр= 70-80 Нм (7,0-8,0 кг/см).
Вставить в корпус масляного насоса вал-шестерню ведомую, установить крышку корпуса масляного насоса со втулками в сборе, завернуть болты крепления (S=12).
Установить ось промежуточной шестерни на корпус и закрепить ее болтами (S=17).
Вставить шпонку и напрессовать шестерню привода масляного насоса ЯМЗ-238ДЕ2, 238Б, 238ДЕ.
Надеть промежуточную шестерню (рисунок 16 поз. 1) на ось. Ввернуть упорный фланец в промежуточную шестерню. Фланец имеет левую резьбу, и заворачивать её необходимо справа налево (S=46).
При сборке должны соблюдаться следующие требования:
– Сборочную единицу фланец упорный установить на герметик УГ-9 ТУ 6–01–1326–86.
– Герметик в количестве 0,15-0,25 г. наносить на заходную часть резьбы оси промежуточной шестерни привода.
– Допускается применять герметик УГ-6 ТУ 6 – 01 – 1285 – 84.
Сборка масляного насоса ЯМЗ-238 Д, ДЕ, АК, М2, Б, НД с трубками
Смазать кончики болтов (М8, 206513-П2, 2 шт.) крепления чашки заборника (238Ф-1011300-А) герметиком, установить в отверстие чашки заборника и завернуть на 2-3 витка резьбы в отверстия фланца трубы всасывающей (238Ф-1011400-Г) от руки. Завернуть окончательно (S =12).
Собрать болты (М8, 201458-П29, 2 шт.) крепления трубки всасывающей с заборником в сборе (238-1011398-В2) с шайбами (8, 252135-П2, 2 шт.), установить болты в отверстия фланца трубки всасывающей с заборником, установить на болты прокладку (236-1011296), установить трубку, завернуть болты на 3-4 витка резьбы от руки.
Установить в отверстия редукционного клапана (238Б-1011048, 1 шт.) болты (М8, 200274-П29, 2 шт.) с шайбами пружинными (8, 252135-П2, 2 шт.), установить на болты прокладку (236-1011126, 1 шт.) и трубу отводящую (238Б1011350-Б) к масляному насосу, ввернуть болты крепления на 2-3 витка резьбы от руки.
Установить сетку заборника и закрепить её в чашке заборника крючком (204А-1011318-Б).
Установка насоса масляного ЯМЗ-238ДЕ2, 238НД5, 238АК
Собрать болты крепления (М10, 310254-П2, 2 шт.) масляного насоса с шайбами (10, 252136-П2, 2 шт.), установить болты в крепёжные отверстия масляного насоса, установить 1-2 регулировочные прокладки (236-1011380, 2 шт.) на штифты масляного насоса, завернуть болты в блок на 2-3 витка от руки.
Допускается устанавливать не более 2-х регулировочных прокладок между корпусом насоса и крышкой коренного подшипника коленчатого вала. Завернуть болты крепления масляного насоса окончательно с Мкр = 90-100 Нм (9-10 кг/см) (S = 14).
Повернуть окружной зазор в зацеплении шестерни вала коленчатого с промежуточной шестерней масляного насоса 238ДЕ2, 238НД5, 238АК в трех точках при рабочем положении двигателя.
Зазор должен быть в пределах 0,25-0,37 мм. Допускается производить проверку зазора в вертикальном положении двигателя, зазор при этом должен быть 0,22-0,38 мм. Зазор менее 0,25 мм и более 0,37 мм необходимо регулировать изменением количества пластин.
Завернуть штуцер (К 1/4″) в блок на 2-3 нитки от руки.
Завернуть последовательно болты (314681-П29) крепления трубки всасывающей с заборником и трубки отводящей окончательно (S=12).
Подсоединить трубку соединительную дифференциального клапана (238Б-1011098, 1 шт.) к штуцеруклапана (314681-П29) предварительно вручную с помощью болта (М14, 310096-П2, 1 шт.) и шайб (312326-П34, 2 шт.).
Установить трубку отводящую до упора в отверстия фланца и дифференциального клапана, предварительно проверив наличие уплотнительных колец в клапане фланце.
Собрать болты (М8, 200270-П2, 2 шт.) крепления клапана с шайбами (252135-П2, 2 шт.), установить болты в отверстие клапана, ввернуть болты через прокладку (236-1011358-А) в блок на 2-3 нитки резьбы от руки.
Вставить в отверстия фланца болты (М8, 200270-П2, 2 шт.) с пружинными шайбами (252135-П2, 2 шт.), установить фланец на блок цилиндров 238ДЕ2, 238Б, 238ДЕ, подложив прокладку (236-1011358-А), ввернуть в отверстия блока болты вручную.
Завернуть болты крепления фланца и дифференциального клапана в блок окончательно (S=12).
Завернуть штуцер в блок окончательно (S=19).
Установить на болт (М14, 310096-П2, 1 шт.) уплотнительную шайбу (312236-П34, 1 шт.), вставить болт в отверстие соединительной трубы, установить на болт уплотнительную шайбу (312236-П34, 1 шт.) и ввернуть вручную в штуцер.
Завернуть болты крепления соединительной трубы окончательно.
Провернуть вал коленчатый для проверки отсутствия задевания крышки шатуна о трубку.
______________________________________________________________________________________________
______________________________________________________________________________________
___________________________________________________________________________________________
Другая спецтехника
МТЗ-80
______________________________________________________________________________________
ЯМЗ-236
ЯМЗ-238
Т-130
Т-170
КРАЗ
texav.ru
Устройство и детали систем охлаждения и смазки двигателя ЯМЗ-238
Устройство и детали систем охлаждения и смазки двигателя ЯМЗ-238
Система охлаждения дизельного двигателя ЯМЗ-238
Система охлаждения дизеля ЯМЗ-238 автомобилей МАЗ-5516, МАЗ-64229, 6303 и Краз-255, 6510, Краз-65101, 65055 (рис. 17) — жидкостная, циркуляционная, включающая в себя водяной насос, жидкостно-масляный теплообменник, вентилятор, термостаты.

Рис. 17. Схема системы охлаждения дизельного двигателя ЯМЗ-238
1 – водяной насос; 2 – полость блока охлаждения гильз; 3 – водяная полость в головке блока; 4 – продольный водяной канал; 5 – турбокомпрессор; 6 – правая водяная труба; 7 – труба соединительная; 8 – патрубок впускной; 9 – термостат; 10 – тройник с соединительными трубками; 11 – трубка перепускная; 12 –заглушка; 13 – впускной патрубок жидкостно-масляного теплообменника; 14 – вентилятор; 15 – поперечный водяной канал; А – подвод охлаждающей жидкости от водяного радиатора; Б – к отопителю кабины; В – выпуск воздуха; Г – подача наддувочного воздуха к охладителю типа “воздух-воздух”; Д, Ж – к радиатору; Е – от охладителя наддувочного воздуха типа “воздух-воздух” в цилиндры
Кроме того, система охлаждения дизеля ЯМЗ-238 включает водяной радиатор, охладитель наддувочного воздуха типа “воздух-воздух” и дистанционный термометр, устанавливаемые на автомобиле.
Во время работы дизельного двигателя ЯМЗ-238 циркуляция охлаждающей жидкости в системе охлаждения создается центробежным насосом.
Из водяного насоса двигателя ЯМЗ-238 автомобилей МАЗ-5516, МАЗ-64229, 6303 и Краз-255, 6510, Краз-65101 (1) жидкость поступает в поперечный канал 15 и далее по правому продольному каналу 4 в водяную полость правого ряда цилиндров, а в левый ряд цилиндров – через впускной патрубок жидкостно-масляного теплообменника 13, охлаждая масло в двух элементах, далее в левый продольный канал.
Для того чтобы охлаждающая жидкость проходила через жидкостно-масляный теплообменник, в переднюю крышку шестерен распределения запрессована заглушка 12.
Далее охлаждающая жидкость из водяных полостей цилиндров по направляющим каналам поступает в головки цилиндров к наиболее нагретым поверхностям – выпускным каналам и стаканам форсунок и затем собирается в водосборных трубах 6.
При нагреве холодного двигателя ЯМЗ-238 каналы, соединяющие водосборные трубы с радиатором, перекрыты клапанами термостатов 9.
Охлаждающая жидкость циркулирует по тройнику с соединительными трубками 10 и перепускной трубке 11 к водяному насосу, минуя радиатор, что ускоряет прогрев двигателя.
По достижении в системе водяного охлаждения ЯМЗ-238 температуры 80°С клапаны термостатов открываются, нагретая жидкость поступает в водяной радиатор, где отдает тепло потоку воздуха, создаваемому вентилятором 14, после чего снова идет к водяному насосу.
Когда температура охлаждающей жидкости понижается, термостаты автоматически направляют весь ее поток непосредственно к водяному насосу, минуя радиатор.
Таким образом, посредством термостатов обеспечивается оптимальный тепловой режим работы двигателя ЯМЗ-238.
Водяной насос дизеля ЯМЗ-238
Водяной насос (помпа) ЯМЗ-238 центробежного типа, установлен на передней стенке блока цилиндров и приводится во вращение клиновым ремнем от шкива, установленного на переднем конце коленчатого вала.
Конструкция помпы дизеля ЯМЗ-238 автомобилей МАЗ-5516, МАЗ-64229, 6303 и Краз-255, 6510, Краз-65101 приведена на рисунке 18.

Рис. 18. Водяной насос (помпа) дизеля ЯМЗ-238
1 – шкив привода; 2 – стопорное кольцо; 3 – подшипники; 4 – валик; 5 – водосбрасыватель; 6 – уплотнение торцевое; 7 – корпус насоса; 8 – кольцо уплотнительное; 9 – патрубок водяного насоса; 10 – крыльчатка; 11 – заглушка крыльчатки; 12 – кольцо уплотнительное; 13 – втулка уплотнительного кольца; А – торцевое уплотнение; Б – дренажное отверстие
В чугунном корпусе 7 насоса вращается напрессованная на валик 4 крыльчатка 10, создающая поток охлаждающей жидкости.
Валик водяного насоса ЯМЗ-238 установлен на двух шарикоподшипниках 3 с односторонним уплотнением.
Полость подшипников при сборке насоса заполняется смазкой Литол на весь срок службы насоса без дополнительной смазки.
Уплотнение подшипниковой полости помпы ЯМЗ-238 осуществляется торцевым самоподжимным уплотнением.
Для контроля за герметичностью торцевого уплотнения в корпусе насоса имеется дренажное отверстие «Б».
Шкив привода 1 напрессован на валик насоса.
Водяной насос дизельного двигателя ЯМЗ-238 имеет маркировку на корпусе 236-1307010-Б1.
Дизельные двигатели ЯМЗ-238 автомобилей МАЗ-5516, МАЗ-64229, 6303 и Краз-255, 6510, Краз-65101 комплектуются фрикционным приводом вентилятора, предназначенным для включения и выключения вентилятора в зависимости от условий эксплуатации.
Применение фрикционного привода дизеля ЯМЗ-238 позволяет:
Обеспечить оптимальный тепловой режим двигателя.
Снизить расход топлива за счет снижения потерь мощности на работу вентилятора.
Повысить надежность шестеренчатого привода двигателя за счет снижения динамических нагрузок на шестерни.
Сократить время прогрева двигателя.
Улучшить комфортабельность за счет поддержания надлежащего микроклимата в кабине и снижения шумности.
Система смазки дизеля ЯМЗ-238
Система смазки дизельного двигателя ЯМЗ-238 автомобилей МАЗ-5516, МАЗ-64229, 6303 и Краз-255, 6510, Краз-65101 – смешанная, с «мокрым» картером (рис. 19).

Рис. 19. Схема системы смазки дизельного двигателя ЯМЗ-238 с односекционным масляным насосом и жидкостно-масляным теплообменником
1 – масляный картер; 2 – маслозаборник; 3 – масляный насос; 4 – редукционный клапан; 5 – жидкостно-масляный теплообменник; 6 – масляный фильтр; 7 – перепускной клапан; 8 – сигнальная лампа фильтра; 9 – фильтр центробежной очистки масла; 10 – распределительный вал; 11 – ось толкателей; 12 – коленчатый вал; 13 – дифференциальный клапан; 14 – форсунка охлаждения поршней; 15 – клапан системы охлаждения поршней; 16 – турбокомпрессор; 17 – перепускной клапан теплообменника; 18 – включатель привода вентилятора; 19 – привод вентилятора; 20 – ТНВД
Масляный насос 238Б-1011014-А производительностью 140 л/мин (рис. 20) через всасывающую трубу с заборником засасывает масло из картера и подает его в систему через последовательно включенный жидкостно-масляный теплообменник.
Рис. 20. Масляный насос ЯМЗ-238
1 – промежуточная шестерня; 2 – ось промежуточной шестерни; 3 – вал-шестерня ведущая; 4 – крышка корпуса; 5 – вал-шестерня ведомая; 6 – корпус; 7 – шестерня привода; 8 – шпонка; 9 – фланец упорный
В корпусе теплообменника (пластинчатого) установлен перепускной клапан.
Когда разность давлений до и после теплообменника достигает 274±40 кПа (2,8±0,40 кгс/см2), клапан открывается и часть масла подается непосредственно в масляную магистраль.
Из жидкостно-масляного теплообменника масло поступает в каналы блока через дифференциальный клапан, предназначенный для поддержания постоянного давления в системе.
При повышении давления свыше 520 кПа (5,2 кгс/см2) часть масла сливается в картер.
Далее через каналы в блоке часть масла через клапан системы охлаждения поршней дизеля ЯМЗ-238 поступает к форсункам охлаждения поршней и затем сливается в картер.
Клапан системы охлаждения поршней автомобилей МАЗ-5516, МАЗ-64229, 6303 и Краз-255, 6510, Краз-65101 прекращает подачу масла к форсункам при давлении масла в системе смазки ниже 130 – 165 кПа (1,30 – 1,65 кгс/см2). Другая часть поступает в масляный фильтр (рис. 21).

Рис. 21. Масляный фильтр ЯМЗ-238
1 – корпус фильтра; 2 – прокладка колпака; 3 – замковая крышка; 4 – колпак фильтра; 5 – фильтрующий элемент; 6 – головка колпака; 7 – прокладка фильтрующего элемента; 8 – плунжер клапана; 9 – пружина клапана; 10 – пружина сигнализатора; 11 – подвижный контакт сигнализатора; 12 – неподвижный контакт; 13 – клемма
В корпусе фильтра установлен перепускной клапан.
Когда разность давлений до и после фильтра достигает 200 – 250 кПа (2,0 – 2,5 кгс/см2), клапан открывается и часть неочищенного масла подается непосредственно в масляную магистраль.
К моменту начала открытия перепускного клапана произойдет замыкание подвижного и неподвижного контактов сигнализатора.
В этот момент в кабине водителя загорается сигнальная лампочка, соединенная с клеммой сигнализатора.
Такое повышение давления может произойти тогда, когда засорен элемент фильтр или масло имеет большую вязкость (например, при пуск двигателя в холодное время года).
Фильтрующий элемент масляного фильтра ЯМЗ-238 изготавливается либо из нетканого материала, натянутого на металлический каркас, либо из специальной фильтровальной бумаги.
Из фильтра масло поступает в центральный масляный канал, а оттуда через систему каналов в блоке – к подшипникам коленчатого и распределительного валов.
От подшипников коленчатого вала ЯМЗ-238 автомобилей МАЗ-5516, МАЗ-64229, 6303 и Краз-255, 6510, Краз-65101 через масляные каналы в коленчатом валу и шатунах масло подается к подшипникам верхних головок шатунов.
От распределительного вала ЯМЗ-238 масло пульсирующим потоком направляется в ось толкателей, а оттуда по каналам толкателей, полостям штанг и коромысел поступает ко всем трущимся парам привода клапанов, а по наружной трубе – к подшипникам турбокомпрессора, регулятора частоты вращения и топливного насоса высокого давления.
Под давлением смазывается также подшипник промежуточной шестерни привода масляного насоса ЯМЗ-238.
Шестерни привода агрегатов, кулачки распределительного вала, подшипники качения, гильзы цилиндров смазываются разбрызгиванием.
На переднем фланце отводящей трубы масляного насоса ЯМЗ-238 установлен редукционный клапан, перепускающий масло обратно в картер при давлении на выходе из насоса свыше 700 – 800 кПа (7,0 – 8,0 кгс/см2).
Для стабилизации давления в систему смазки двигателя ЯМЗ-238 включен дифференциальный клапан, отрегулированный начало открытия 490 – 520 кПа (4,9 – 5,2 кгс/см2).
Контроль давления масла осуществляется в центральном масляном канале.

Рис. 22. Фильтр центробежной очистки масла ЯМЗ-238
1 – колпак фильтра; 2, 7 – шайбы; 3 – колпачковая гайка; 4 – гайка крепления ротора; 5 – упорная шайба; 6 – гайка ротора; 8, 14 – втулки ротора; 9 – колпак ротора; 10 – ротор; 11 – отражатель; 12 – уплотнительное кольцо; 13 – прокладка колпака; 15 – ось ротора; 16 – корпус фильтра; 17 – сопло ротора; А – из системы под давлением; Б – слив масла в картер
Фильтр центробежной очистки масла ЯМЗ-238 (рис. 22), включенный в смазочную систему параллельно после масляного фильтра, пропускает до 8% масла, проходящего через систему смазки.
Фильтр ЯМЗ-238 автомобилей МАЗ-5516, МАЗ-64229, 6303 и Краз-255, 6510, Краз-65101 предназначен для тонкой фильтрации масла.
Масло очищается под действием центробежных сил при вращении ротора.
Струи масла, выходящие с большой скоростью из сопла, создают момент, приводящий ротор во вращение.
Механические примеси, находящиеся в масле, под действием центробежных сил отбрасываются «к стенке» колпака 9 ротора, образуя на его внутренних поверхностях плотный слой отложений, который следует периодически удалять.
Очищенное масло сливается в картер. Дополнительная центробежная очистка масла производится и в полостях шатунных шеек коленчатого вала ЯМЗ-238.
Турбокомпрессор дизеля ЯМЗ-238
Дизельный двигатель ЯМЗ-238 автомобилей МАЗ-5516, МАЗ-64229, 6303 и Краз-255, 6510, Краз-65101 оборудован турбокомпрессором, использующим энергию выхлопных газов для наддува двигателя.
Увеличивая массу воздуха, поступающего в цилиндры, турбокомпрессор ЯМЗ-238 способствует более эффективному сгоранию увеличенной дозы топлива.
За счет этого повышается мощность двигателя при умеренной тепловой напряженности.
Устройство турбокомпрессора дизельного двигателя ЯМЗ-238
Турбокомпрессор дизеля ЯМЗ-238 (рис. 23) состоит из одноступенчатого центробежного компрессора и радиальной центростремительной турбины.

Рис. 23. Турбокомпрессор ЯМЗ-238
1 – гайка крепления колеса компрессора; 2 – подшипник упорный; 3 – болт; 4 – корпус компрессора; 5 – вставка; 6 – крышка корпуса компрессора; 7 – кольцо уплотнительное; 8 – пластина компрессора; 9 – болт; 10 – болт-стопор; 11 – пластина турбины; 12 – корпус подшипника; 13 – проставка корпуса турбины; 14 – колесо турбины с валом; 15 – корпус турбины; 16 – кольца уплотнительные; 17 – втулка; 18 – болт; 19 – экран маслосбрасывающий; 20 – шайбы упорные; 21 – кольцо уплотнительное; 22 – винт; 23 – колесо компрессора
Колесо турбины 14 и колесо компрессора 23 расположены на противоположных концах вала ротора консольно по отношению к втулке подшипника 17.
Рабочее колесо 23 центробежного компрессора — полуоткрытого типа, с загнутыми против вращения лопатками, отлито из алюминиевого сплава. Оно напрессовано на вал и закреплено гайкой 1, установленной с герметиком.
Рабочее колесо турбины 14 — полуоткрытого типа, с радиальными лопатками, изготовлено методом литья из жаропрочного сплава. Оно соединено с валом методом сварки трением.
Корпус турбины ЯМЗ-238 изготовлен из жаропрочного чугуна.
Газ подводится к колесу турбины двумя суживающимися каналами.
На торце корпуса турбины имеются шпильки для крепления выпускного трубопровода.
Корпус компрессора 4, вставка и крышка корпуса подшипника 6 изготовлена из алюминиевого сплава.
Крышка корпуса подшипника 6 крепится к корпусу подшипника болтами 3 с применением герметика.
В турбокомпрессоре дизеля ЯМЗ-238 применен подшипник скольжения 17 в виде втулки, изготовленной из алюминиевого сплава.
Она установлена в расточке чугунного корпуса подшипника 12 и удерживается от осевых перемещений болтом-стопором 10.
Смазывание втулки турбокомпрессора ЯМЗ-238 осуществляется под давлением из системы смазки двигателя.
Тщательно отбалансированный ротор установлен во втулке 17.
Осевые усилия, действующие на ротор, воспринимаются упорным подшипником 2.
На каждом конце вала ротора установлены разрезные уплотнительные кольца 16, изготовленные из специального чугуна.
Турбокомпрессор дизеля ЯМЗ-238 крепится к выпускным коллекторам корпусом турбины.
Выходной патрубок корпуса компрессора соединен через патрубки и охладитель наддувочного воздуха со впускными коллекторами двигателя.
_________________________________________________________________________________________
_________________________________________________________________________________________
_________________________________________________________________________________________
_________________________________________________________________________________________
_________________________________________________________________________________________
_________________________________________________________________________________________
_________________________________________________________________________________________
_________________________________________________________________________________________
_________________________________________________________________________________________
spezz.ru
Масляный насос ЯМЗ | Грузовики и спецтехника

Масляный насос двигателя ЯМЗ
На двигателях ЯМЗ-236 и ЯМЗ-238 установлены полностью унифицированные масляные насосы шестеренчатого типа.
Масляный насос имеет две секции — нагнетающую и радиаторную, каждая из которых состоит из пары цилиндрических прямозубых шестерен. Длина шестерен нагнетающей секции 55 мм. Шестерни изготовлены из стали 40Х и термически обработаны.
Нагнетающая секция подает масло в систему смазки двигателя, а радиаторная — прокачивает масло через масляный радиатор.
Производительность нагнетающей секции масляного насоса при давлении в системе 4-7 кГ/см 2, температуре масла 75-95° С на номинальном скоростном режиме двигателя составляет 140 л/мин. Производительность радиаторной секции на том же режиме и при давлении в системе, не превышающем 0,8 кПсм 2,25 л/мин.
Ведущая шестерня нагнетающей секции напрессована на среднюю часть валика (диаметр равен 16 мм) с натягом от 0,003 до 0,034 мм и фиксируется сегментной шпонкой. При напрессовке выдерживается размер от торца валика до шестерни в пределах 35 мм для правильного положения валика в подшипниках корпуса.
Ведомая шестерня нагнетающей секции напрессовывается на ось с тем же натягом и не имеет фиксирующих устройств. При ее напрессовке выдерживается размер 21 мм от торца оси со стороны короткой цапфы.
На концы оси и ведущего валика, имеющие диаметр 16 мм, устанавливают подшипники. На них же устанавливаются ведущая и ведомая шестерни радиаторной секции, посадочный диаметр которых равен 16 мм. Ведущая шестерня фиксируется на валике стопорным шариком. Удлиненным концом ведущий валик устанавливается в подшипник корпуса нагнетающей секции; при этом часть его, выступающая из бобышки корпуса, используется для установки ведомой шестерни привода масляного насоса. Ведомая шестерня привода устанавливается на вал с натягом 0,003 мм и фиксируется сегментной шпонкой. Зазор между торцом бобышки корпуса и ступицей шестерни должен быть в пределах 0,5-1,0 мм.
Каждая пара шестерен работает в специальных расточках 45 мм выполненных в литых чугунных корпусах. Глубина расточки в корпусе нагнетающей секции 55 мм, а в корпусе радиаторной 10 мм. Между корпусами установлена проставка, толщиной 4 мм, изготовленная из стали 65Г. Проставка термически обрабатывается до твердости НЦС АА-52 и шлифуется с обеих сторон. Со стороны всасывания в проставке выполнено отверстие, объединяющее всасывающие полости обеих секций; поэтому масло из поддона двигателя засасывается обеими секциями через один заборник.
Оба корпуса и проставка фиксируются установочными втулками и стягиваются четырьмя болтами. В корпусах имеются по два обработанных отверстия с запрессованными в них бронзовыми втулками, являющимися подшипниками вала и оси масляного насоса. Втулки обрабатываются в сборе с корпусом до диаметра 16 мм.
Верхняя бобышка на переднем торце корпуса нагнетающей секции удлинена и обработана концентрично отверстию под ведущий валик. На образованной таким образом цапфе фиксируется ось промежуточной шестерни привода масляного насоса.
Ось крепится к корпусу одним специальным болтом, изготовленным из стали 35Х и термически обработанным. На цилиндрической цапфе оси 035мм устанавливается промежуточная шестерня привода масляного насоса, в отверстие которой запрессована бронзовая втулка. Внутренняя поверхность втулки обрабатывается после запрессовки до диаметра 35 мм. К подшипнику промежуточной шестерни по специальным каналам в корпусе и оси подводится смазка от нагнетающей секции масляного насоса. Осевое смещение промежуточной шестерни ограничивается упорной шайбой, установленной в расточке оси и зафиксированной штифтом. Опорная шайба закреплена болтом. Все крепежные болты масляного насоса контрятся специальными стопорными шайбами.
С левой стороны на корпусе нагнетающей секции имеется фланец, к которому двумя болтами крепится трубка, соединяющая полость нагнетания секции с вертикальным каналом блока цилиндров. Стык между фланцами насоса и трубки уплотняется паронитовой прокладкой. Рядом с фланцем на корпусе насоса имеется резьбовое отверстие М24, в которое ввертывается редукционный клапан нагнетающей секции.
В резьбовое отверстие М22, расположенное на левой стороне радиаторной секции насоса, ввертывается предохранительный клапан. На заднем торце корпуса радиаторной секции имеются два фланца. К одному из них через паронитовую прокладку двумя болтами крепится отводящая трубка радиаторной секции, ко второму — всасывающая трубка с закрепленным на ее свободном конце сетчатым маслозаборником.
Маслозаборник состоит из штампованного кожуха, закрепленного двумя болтами на фланце трубки, и металлической сетки, выполненной в форме чаши с окантованными краями. Сетка закрепляется в кожухе с помощью проволочной пружины, концы которой заведены в замковые прорези кожуха. Трубки маслозаборника для двигателей ЯМЗ-236 и ЯМЗ-238 различны по длине, которая определяется формой поддона двигателя.
Масляный насос в сборе крепится к крышке переднего коренного подшипника с помощью двух шпилек с гайками и фиксируется на ней двумя штифтами, запрессованными в специальный кронштейн, выполненный как одно целое с корпусом нагнетающей секции насоса.
Для обеспечения необходимого зазора в зацеплении промежуточной шестерни привода масляного насоса с шестерней коленчатого вала положение насоса по вертикали регулируется специальными стальными прокладками толщиной 0,1 мм. Количество прокладок, устанавливаемых между корпусом насоса и крышкой переднего коренного подшипника, должно быть не более трех; при этом зазор между зубьями шестерен должен быть в пределах 0,25-0,37 мм. Всасывающая трубка масляного насоса дополнительно крепится к крышке третьего коренного подшипника коленчатого вала с помощью специального кронштейна и скобы.
Во избежание неправильной установки нагнетающих и всасывающих трубок, приводящей к неплотностям в соединениях фланцев, утечке масла или подсосу воздуха и, как следствие, к снижению давления масла в системе, их окончательное крепление следует производить только после установки насоса. Затяжку болтов на фланцах нагнетающих трубок нужно производить поочередно на обоих фланцах в несколько приемов. Перед окончательной затяжкой болтов крепления всасывающей трубки к насосу ее надо, перемещая вверх, прижать к специальному кронштейну, затем затянуть болты и скобой прикрепить к кронштейну.
www.dymz.ru
Охлаждение и смазка дизеля ЯМЗ-238
РЕМОНТ ГРУЗОВЫХ АВТОМОБИЛЕЙ И СПЕЦТЕХНИКИ
Запасные части, техническое обслуживание и регулировки
______________________________________________________________________________________________
______________________________________________________________________________________________
Система охлаждения дизельного двигателя ЯМЗ-238
Система охлаждения дизеля ЯМЗ-238 — жидкостная, циркуляционная, включающая в себя водяной насос, жидкостно-масляный теплообменник, вентилятор, термостаты.

Рис. 17. Схема системы охлаждения дизельного двигателя ЯМЗ-238
1 – водяной насос; 2 – полость блока охлаждения гильз; 3 – водяная полость в головке блока; 4 – продольный водяной канал; 5 – турбокомпрессор; 6 – правая водяная труба; 7 – труба соединительная; 8 – патрубок впускной; 9 – термостат; 10 – тройник с соединительными трубками; 11 – трубка перепускная; 12 –заглушка; 13 – впускной патрубок жидкостно-масляного теплообменника; 14 – вентилятор; 15 – поперечный водяной канал; А – подвод охлаждающей жидкости от водяного радиатора; Б – к отопителю кабины; В – выпуск воздуха; Г – подача наддувочного воздуха к охладителю типа “воздух-воздух”; Д, Ж – к радиатору; Е – от охладителя наддувочного воздуха типа “воздух-воздух” в цилиндры
Кроме того, система охлаждения включает водяной радиатор, охладитель наддувочного воздуха типа “воздух-воздух” и дистанционный термометр, устанавливаемые на автомобиле.
Во время работы дизельного двигателя циркуляция охлаждающей жидкости в системе охлаждения создается центробежным насосом.
Из водяного насоса (1) жидкость поступает в поперечный канал 15 и далее по правому продольному каналу 4 в водяную полость правого ряда цилиндров, а в левый ряд цилиндров – через впускной патрубок жидкостно-масляного теплообменника 13, охлаждая масло в двух элементах, далее в левый продольный канал.
Для того чтобы охлаждающая жидкость проходила через жидкостно-масляный теплообменник, в переднюю крышку шестерен распределения запрессована заглушка 12.
Далее охлаждающая жидкость из водяных полостей цилиндров по направляющим каналам поступает в головки цилиндров к наиболее нагретым поверхностям – выпускным каналам и стаканам форсунок и затем собирается в водосборных трубах 6.
При нагреве холодного двигателя каналы, соединяющие водосборные трубы с радиатором, перекрыты клапанами термостатов 9.
Охлаждающая жидкость циркулирует по тройнику с соединительными трубками 10 и перепускной трубке 11 к водяному насосу, минуя радиатор, что ускоряет прогрев двигателя.
По достижении в системе водяного охлаждения ЯМЗ-238 температуры 80°С клапаны термостатов открываются, нагретая жидкость поступает в водяной радиатор, где отдает тепло потоку воздуха, создаваемому вентилятором 14, после чего снова идет к водяному насосу.
Когда температура охлаждающей жидкости понижается, термостаты автоматически направляют весь ее поток непосредственно к водяному насосу, минуя радиатор.
Таким образом, посредством термостатов обеспечивается оптимальный тепловой режим работы двигателя.
Водяной насос дизеля ЯМЗ-238
Водяной насос (помпа) ЯМЗ-238 центробежного типа, установлен на передней стенке блока цилиндров и приводится во вращение клиновым ремнем от шкива, установленного на переднем конце коленчатого вала.
Конструкция помпы приведена на рисунке 18.

Рис. 18. Водяной насос (помпа) дизеля ЯМЗ-238
1 – шкив привода; 2 – стопорное кольцо; 3 – подшипники; 4 – валик; 5 – водосбрасыватель; 6 – уплотнение торцевое; 7 – корпус насоса; 8 – кольцо уплотнительное; 9 – патрубок водяного насоса; 10 – крыльчатка; 11 – заглушка крыльчатки; 12 – кольцо уплотнительное; 13 – втулка уплотнительного кольца; А – торцевое уплотнение; Б – дренажное отверстие
В чугунном корпусе 7 насоса вращается напрессованная на валик 4 крыльчатка 10, создающая поток охлаждающей жидкости.
Валик водяного насоса установлен на двух шарикоподшипниках 3 с односторонним уплотнением.
Полость подшипников при сборке насоса заполняется смазкой Литол на весь срок службы насоса без дополнительной смазки.
Уплотнение подшипниковой полости помпы осуществляется торцевым самоподжимным уплотнением.
Для контроля за герметичностью торцевого уплотнения в корпусе насоса имеется дренажное отверстие «Б».
Шкив привода 1 напрессован на валик насоса.
Водяной насос имеет маркировку на корпусе 236-1307010-Б1.
Дизельные двигатели комплектуются фрикционным приводом вентилятора, предназначенным для включения и выключения вентилятора в зависимости от условий эксплуатации.
Применение фрикционного привода дизеля ЯМЗ-238 позволяет:
Обеспечить оптимальный тепловой режим двигателя.
Снизить расход топлива за счет снижения потерь мощности на работу вентилятора.
Повысить надежность шестеренчатого привода двигателя за счет снижения динамических нагрузок на шестерни.
Сократить время прогрева двигателя.
Улучшить комфортабельность за счет поддержания надлежащего микроклимата в кабине и снижения шумности.
Система смазки дизеля ЯМЗ-238
Система смазки дизельного двигателя ЯМЗ-238 – смешанная, с «мокрым» картером (рис. 19).

Рис. 19. Схема системы смазки дизельного двигателя ЯМЗ-238 с односекционным масляным насосом и жидкостно-масляным теплообменником
1 – масляный картер; 2 – маслозаборник; 3 – масляный насос; 4 – редукционный клапан; 5 – жидкостно-масляный теплообменник; 6 – масляный фильтр; 7 – перепускной клапан; 8 – сигнальная лампа фильтра; 9 – фильтр центробежной очистки масла; 10 – распределительный вал; 11 – ось толкателей; 12 – коленчатый вал; 13 – дифференциальный клапан; 14 – форсунка охлаждения поршней; 15 – клапан системы охлаждения поршней; 16 – турбокомпрессор; 17 – перепускной клапан теплообменника; 18 – включатель привода вентилятора; 19 – привод вентилятора; 20 – ТНВД
Масляный насос 238Б-1011014-А производительностью 140 л/мин (рис. 20) через всасывающую трубу с заборником засасывает масло из картера и подает его в систему через последовательно включенный жидкостно-масляный теплообменник.
Рис. 20. Масляный насос ЯМЗ-238
1 – промежуточная шестерня; 2 – ось промежуточной шестерни; 3 – вал-шестерня ведущая; 4 – крышка корпуса; 5 – вал-шестерня ведомая; 6 – корпус; 7 – шестерня привода; 8 – шпонка; 9 – фланец упорный
В корпусе теплообменника (пластинчатого) установлен перепускной клапан.
Когда разность давлений до и после теплообменника достигает 274±40 кПа (2,8±0,40 кгс/см2), клапан открывается и часть масла подается непосредственно в масляную магистраль.
Из жидкостно-масляного теплообменника масло поступает в каналы блока через дифференциальный клапан, предназначенный для поддержания постоянного давления в системе.
При повышении давления свыше 520 кПа (5,2 кгс/см2) часть масла сливается в картер.
Далее через каналы в блоке часть масла через клапан системы охлаждения поршней дизеля ЯМЗ-238 поступает к форсункам охлаждения поршней и затем сливается в картер.
Клапан системы охлаждения поршней прекращает подачу масла к форсункам при давлении масла в системе смазки ниже 130 – 165 кПа (1,30 – 1,65 кгс/см2). Другая часть поступает в масляный фильтр (рис. 21).

Рис. 21. Масляный фильтр ЯМЗ-238
1 – корпус фильтра; 2 – прокладка колпака; 3 – замковая крышка; 4 – колпак фильтра; 5 – фильтрующий элемент; 6 – головка колпака; 7 – прокладка фильтрующего элемента; 8 – плунжер клапана; 9 – пружина клапана; 10 – пружина сигнализатора; 11 – подвижный контакт сигнализатора; 12 – неподвижный контакт; 13 – клемма
В корпусе фильтра установлен перепускной клапан.
Когда разность давлений до и после фильтра достигает 200 – 250 кПа (2,0 – 2,5 кгс/см2), клапан открывается и часть неочищенного масла подается непосредственно в масляную магистраль.
К моменту начала открытия перепускного клапана произойдет замыкание подвижного и неподвижного контактов сигнализатора.
В этот момент в кабине водителя загорается сигнальная лампочка, соединенная с клеммой сигнализатора.
Такое повышение давления может произойти тогда, когда засорен элемент фильтр или масло имеет большую вязкость (например, при пуск двигателя в холодное время года).
Фильтрующий элемент масляного фильтра ЯМЗ-238 изготавливается либо из нетканого материала, натянутого на металлический каркас, либо из специальной фильтровальной бумаги.
Из фильтра масло поступает в центральный масляный канал, а оттуда через систему каналов в блоке – к подшипникам коленчатого и распределительного валов.
От подшипников коленчатого вала через масляные каналы в коленчатом валу и шатунах масло подается к подшипникам верхних головок шатунов.
От распределительного вала масло пульсирующим потоком направляется в ось толкателей, а оттуда по каналам толкателей, полостям штанг и коромысел поступает ко всем трущимся парам привода клапанов, а по наружной трубе – к подшипникам турбокомпрессора, регулятора частоты вращения и топливного насоса высокого давления.
Под давлением смазывается также подшипник промежуточной шестерни привода масляного насоса.
Шестерни привода агрегатов, кулачки распределительного вала, подшипники качения, гильзы цилиндров смазываются разбрызгиванием.
На переднем фланце отводящей трубы масляного насоса ЯМЗ-238 установлен редукционный клапан, перепускающий масло обратно в картер при давлении на выходе из насоса свыше 700 – 800 кПа (7,0 – 8,0 кгс/см2).
Для стабилизации давления в систему смазки включен дифференциальный клапан, отрегулированный начало открытия 490 – 520 кПа (4,9 – 5,2 кгс/см2).
Контроль давления масла осуществляется в центральном масляном канале.

Рис. 22. Фильтр центробежной очистки масла ЯМЗ-238
1 – колпак фильтра; 2, 7 – шайбы; 3 – колпачковая гайка; 4 – гайка крепления ротора; 5 – упорная шайба; 6 – гайка ротора; 8, 14 – втулки ротора; 9 – колпак ротора; 10 – ротор; 11 – отражатель; 12 – уплотнительное кольцо; 13 – прокладка колпака; 15 – ось ротора; 16 – корпус фильтра; 17 – сопло ротора; А – из системы под давлением; Б – слив масла в картер
Фильтр центробежной очистки масла ЯМЗ-238 (рис. 22), включенный в смазочную систему параллельно после масляного фильтра, пропускает до 8% масла, проходящего через систему смазки.
Фильтр предназначен для тонкой фильтрации масла. Масло очищается под действием центробежных сил при вращении ротора.
Струи масла, выходящие с большой скоростью из сопла, создают момент, приводящий ротор во вращение.
Механические примеси, находящиеся в масле, под действием центробежных сил отбрасываются «к стенке» колпака 9 ротора, образуя на его внутренних поверхностях плотный слой отложений, который следует периодически удалять.
Очищенное масло сливается в картер. Дополнительная центробежная очистка масла производится и в полостях шатунных шеек коленчатого вала.
Турбокомпрессор дизеля ЯМЗ-238
Дизельный двигатель ЯМЗ-238 оборудован турбокомпрессором, использующим энергию выхлопных газов для наддува двигателя.
Увеличивая массу воздуха, поступающего в цилиндры, турбокомпрессор способствует более эффективному сгоранию увеличенной дозы топлива.
За счет этого повышается мощность двигателя при умеренной тепловой напряженности.
Устройство турбокомпрессора дизельного двигателя ЯМЗ-238
Турбокомпрессор (рис. 23) состоит из одноступенчатого центробежного компрессора и радиальной центростремительной турбины.

Рис. 23. Турбокомпрессор ЯМЗ-238
1 – гайка крепления колеса компрессора; 2 – подшипник упорный; 3 – болт; 4 – корпус компрессора; 5 – вставка; 6 – крышка корпуса компрессора; 7 – кольцо уплотнительное; 8 – пластина компрессора; 9 – болт; 10 – болт-стопор; 11 – пластина турбины; 12 – корпус подшипника; 13 – проставка корпуса турбины; 14 – колесо турбины с валом; 15 – корпус турбины; 16 – кольца уплотнительные; 17 – втулка; 18 – болт; 19 – экран маслосбрасывающий; 20 – шайбы упорные; 21 – кольцо уплотнительное; 22 – винт; 23 – колесо компрессора
Колесо турбины 14 и колесо компрессора 23 расположены на противоположных концах вала ротора консольно по отношению к втулке подшипника 17.
Рабочее колесо 23 центробежного компрессора — полуоткрытого типа, с загнутыми против вращения лопатками, отлито из алюминиевого сплава. Оно напрессовано на вал и закреплено гайкой 1, установленной с герметиком.
Рабочее колесо турбины 14 — полуоткрытого типа, с радиальными лопатками, изготовлено методом литья из жаропрочного сплава. Оно соединено с валом методом сварки трением.
Корпус турбины ЯМЗ-238 изготовлен из жаропрочного чугуна.
Газ подводится к колесу турбины двумя суживающимися каналами.
На торце корпуса турбины имеются шпильки для крепления выпускного трубопровода.
Корпус компрессора 4, вставка и крышка корпуса подшипника 6 изготовлена из алюминиевого сплава.
Крышка корпуса подшипника 6 крепится к корпусу подшипника болтами 3 с применением герметика.
В турбокомпрессоре применен подшипник скольжения 17 в виде втулки, изготовленной из алюминиевого сплава.
Она установлена в расточке чугунного корпуса подшипника 12 и удерживается от осевых перемещений болтом-стопором 10.
Смазывание втулки осуществляется под давлением из системы смазки двигателя.
Тщательно отбалансированный ротор установлен во втулке 17.
Осевые усилия, действующие на ротор, воспринимаются упорным подшипником 2.
На каждом конце вала ротора установлены разрезные уплотнительные кольца 16, изготовленные из специального чугуна.
Турбокомпрессор крепится к выпускным коллекторам корпусом турбины.
Выходной патрубок корпуса компрессора соединен через патрубки и охладитель наддувочного воздуха со впускными коллекторами двигателя.
______________________________________________________________________________________________
______________________________________________________________________________________
___________________________________________________________________________________________
Другая спецтехника
МТЗ-80
______________________________________________________________________________________
ЯМЗ-236
ЯМЗ-238
Т-130
Т-170
КРАЗ
texav.ru
Системы охлаждения и смазки дизеля ЯМЗ-238


Запасные части для грузовых автомобилей Урал, Краз, МАЗ, Камаз. Детали двигателей ЯМЗ-236, ЯМЗ-238
__________________________________________________________________________
__________________________________________________________________________
Системы охлаждения и смазки дизеля ЯМЗ-238
___________________________________________________________________________
Система охлаждения дизельного двигателя ЯМЗ-238
Система охлаждения дизеля ЯМЗ-238 автомобилей МАЗ-5516, МАЗ-64229, 6303 и Краз-255, 6510, Краз-65101, 65055 (рис. 17) — жидкостная, циркуляционная, включающая в себя водяной насос, жидкостно-масляный теплообменник, вентилятор, термостаты.

Рис. 17. Схема системы охлаждения дизельного двигателя ЯМЗ-238
1 – водяной насос; 2 – полость блока охлаждения гильз; 3 – водяная
полость в головке блока; 4 – продольный водяной канал; 5 –
турбокомпрессор; 6 –
правая водяная труба; 7 – труба соединительная; 8 – патрубок
впускной; 9 – термостат; 10 – тройник с соединительными трубками; 11
– трубка
перепускная; 12 –заглушка; 13 – впускной патрубок
жидкостно-масляного теплообменника; 14 – вентилятор; 15 – поперечный
водяной канал; А – подвод
охлаждающей жидкости от водяного радиатора; Б – к отопителю кабины;
В – выпуск воздуха; Г – подача наддувочного воздуха к охладителю
типа
“воздух-воздух”; Д, Ж – к радиатору; Е – от охладителя наддувочного
воздуха типа “воздух-воздух” в цилиндры
Кроме того, система охлаждения дизеля ЯМЗ-238 включает водяной радиатор, охладитель наддувочного воздуха типа “воздух-воздух” и дистанционный термометр, устанавливаемые на автомобиле.
Во время работы дизельного двигателя ЯМЗ-238 циркуляция охлаждающей жидкости в системе охлаждения создается центробежным насосом.
Из водяного насоса двигателя ЯМЗ-238 автомобилей МАЗ-5516, МАЗ-64229, 6303 и Краз-255, 6510, Краз-65101 (1) жидкость поступает в поперечный канал 15 и далее по правому продольному каналу 4 в водяную полость правого ряда цилиндров, а в левый ряд цилиндров – через впускной патрубок жидкостно-масляного теплообменника 13, охлаждая масло в двух элементах, далее в левый продольный канал.
Для того чтобы охлаждающая жидкость проходила через жидкостно-масляный теплообменник, в переднюю крышку шестерен распределения запрессована заглушка 12.
Далее охлаждающая жидкость из водяных полостей цилиндров по направляющим каналам поступает в головки цилиндров к наиболее нагретым поверхностям – выпускным каналам и стаканам форсунок и затем собирается в водосборных трубах 6.
При нагреве холодного двигателя ЯМЗ-238 каналы, соединяющие водосборные трубы с радиатором, перекрыты клапанами термостатов 9.
Охлаждающая жидкость циркулирует по тройнику с соединительными трубками 10 и перепускной трубке 11 к водяному насосу, минуя радиатор, что ускоряет прогрев двигателя.
По достижении в системе водяного охлаждения ЯМЗ-238 температуры 80°С клапаны термостатов открываются, нагретая жидкость поступает в водяной радиатор, где отдает тепло потоку воздуха, создаваемому вентилятором 14, после чего снова идет к водяному насосу.
Когда температура охлаждающей жидкости понижается, термостаты автоматически направляют весь ее поток непосредственно к водяному насосу, минуя радиатор.
Таким образом, посредством термостатов обеспечивается оптимальный тепловой режим работы двигателя ЯМЗ-238.
Водяной насос дизеля ЯМЗ-238
Водяной насос (помпа) ЯМЗ-238 центробежного типа, установлен на передней стенке блока цилиндров и приводится во вращение клиновым ремнем от шкива, установленного на переднем конце коленчатого вала.
Конструкция помпы дизеля ЯМЗ-238 автомобилей МАЗ-5516, МАЗ-64229, 6303 и Краз-255, 6510, Краз-65101 приведена на рисунке 18.

Рис. 18. Водяной насос (помпа) дизеля ЯМЗ-238
1 – шкив привода; 2 – стопорное кольцо; 3 – подшипники; 4 – валик; 5 – водосбрасыватель; 6 – уплотнение торцевое; 7 – корпус насоса; 8 – кольцо уплотнительное; 9 – патрубок водяного насоса; 10 – крыльчатка; 11 – заглушка крыльчатки; 12 – кольцо уплотнительное; 13 – втулка уплотнительного кольца; А – торцевое уплотнение; Б – дренажное отверстие
В чугунном корпусе 7 насоса вращается напрессованная на валик 4 крыльчатка 10, создающая поток охлаждающей жидкости.
Валик водяного насоса ЯМЗ-238 установлен на двух шарикоподшипниках 3 с односторонним уплотнением.
Полость подшипников при сборке насоса заполняется смазкой Литол на весь срок службы насоса без дополнительной смазки.
Уплотнение подшипниковой полости помпы ЯМЗ-238 осуществляется торцевым самоподжимным уплотнением.
Для контроля за герметичностью торцевого уплотнения в корпусе насоса имеется дренажное отверстие «Б».
Шкив привода 1 напрессован на валик насоса.
Водяной насос дизельного двигателя ЯМЗ-238 имеет маркировку на корпусе 236-1307010-Б1.
Дизельные двигатели ЯМЗ-238 автомобилей МАЗ-5516, МАЗ-64229, 6303 и Краз-255, 6510, Краз-65101 комплектуются фрикционным приводом вентилятора, предназначенным для включения и выключения вентилятора в зависимости от условий эксплуатации.
Применение фрикционного привода дизеля ЯМЗ-238 позволяет:
Обеспечить оптимальный тепловой режим двигателя.
Снизить расход топлива за счет снижения потерь мощности на работу вентилятора.
Повысить надежность шестеренчатого привода двигателя за счет снижения динамических нагрузок на шестерни.
Сократить время прогрева двигателя.
Улучшить комфортабельность за счет поддержания надлежащего микроклимата в кабине и снижения шумности.
Система смазки дизеля ЯМЗ-238
Система смазки дизельного двигателя ЯМЗ-238 автомобилей МАЗ-5516, МАЗ-64229, 6303 и Краз-255, 6510, Краз-65101 – смешанная, с «мокрым» картером (рис. 19).

Рис. 19. Схема системы смазки дизельного двигателя ЯМЗ-238 с односекционным масляным насосом и жидкостно-масляным теплообменником
1 – масляный картер; 2 – маслозаборник; 3 – масляный насос; 4 – редукционный клапан; 5 – жидкостно-масляный теплообменник; 6 – масляный фильтр; 7 – перепускной клапан; 8 – сигнальная лампа фильтра; 9 – фильтр центробежной очистки масла; 10 – распределительный вал; 11 – ось толкателей; 12 – коленчатый вал; 13 – дифференциальный клапан; 14 – форсунка охлаждения поршней; 15 – клапан системы охлаждения поршней; 16 – турбокомпрессор; 17 – перепускной клапан теплообменника; 18 – включатель привода вентилятора; 19 – привод вентилятора; 20 – ТНВД
Масляный насос 238Б-1011014-А производительностью 140 л/мин (рис. 20) через всасывающую трубу с заборником засасывает масло из картера и подает его в систему через последовательно включенный жидкостно-масляный теплообменник.
Рис. 20. Масляный насос ЯМЗ-238
1 – промежуточная шестерня; 2 – ось промежуточной шестерни; 3 – вал-шестерня ведущая; 4 – крышка корпуса; 5 – вал-шестерня ведомая; 6 – корпус; 7 – шестерня привода; 8 – шпонка; 9 – фланец упорный
В корпусе теплообменника (пластинчатого) установлен перепускной клапан.
Когда разность давлений до и после теплообменника достигает 274±40 кПа (2,8±0,40 кгс/см2), клапан открывается и часть масла подается непосредственно в масляную магистраль.
Из жидкостно-масляного теплообменника масло поступает в каналы блока через дифференциальный клапан, предназначенный для поддержания постоянного давления в системе.
При повышении давления свыше 520 кПа (5,2 кгс/см2) часть масла сливается в картер.
Далее через каналы в блоке часть масла через клапан системы охлаждения поршней дизеля ЯМЗ-238 поступает к форсункам охлаждения поршней и затем сливается в картер.
Клапан системы охлаждения поршней автомобилей МАЗ-5516, МАЗ-64229, 6303 и Краз-255, 6510, Краз-65101 прекращает подачу масла к форсункам при давлении масла в системе смазки ниже 130 – 165 кПа (1,30 – 1,65 кгс/см2). Другая часть поступает в масляный фильтр (рис. 21).

Рис. 21. Масляный фильтр ЯМЗ-238
1 – корпус фильтра; 2 – прокладка колпака; 3 – замковая крышка; 4 – колпак фильтра; 5 – фильтрующий элемент; 6 – головка колпака; 7 – прокладка фильтрующего элемента; 8 – плунжер клапана; 9 – пружина клапана; 10 – пружина сигнализатора; 11 – подвижный контакт сигнализатора; 12 – неподвижный контакт; 13 – клемма
В корпусе фильтра установлен перепускной клапан.
Когда разность давлений до и после фильтра достигает 200 – 250 кПа (2,0 – 2,5 кгс/см2), клапан открывается и часть неочищенного масла подается непосредственно в масляную магистраль.
К моменту начала открытия перепускного клапана произойдет замыкание подвижного и неподвижного контактов сигнализатора.
В этот момент в кабине водителя загорается сигнальная лампочка, соединенная с клеммой сигнализатора.
Такое повышение давления может произойти тогда, когда засорен элемент фильтр или масло имеет большую вязкость (например, при пуск двигателя в холодное время года).
Фильтрующий элемент масляного фильтра ЯМЗ-238 изготавливается либо из нетканого материала, натянутого на металлический каркас, либо из специальной фильтровальной бумаги.
Из фильтра масло поступает в центральный масляный канал, а оттуда через систему каналов в блоке – к подшипникам коленчатого и распределительного валов.
От подшипников коленчатого вала ЯМЗ-238 автомобилей МАЗ-5516, МАЗ-64229, 6303 и Краз-255, 6510, Краз-65101 через масляные каналы в коленчатом валу и шатунах масло подается к подшипникам верхних головок шатунов.
От распределительного вала ЯМЗ-238 масло пульсирующим потоком направляется в ось толкателей, а оттуда по каналам толкателей, полостям штанг и коромысел поступает ко всем трущимся парам привода клапанов, а по наружной трубе – к подшипникам турбокомпрессора, регулятора частоты вращения и топливного насоса высокого давления.
Под давлением смазывается также подшипник промежуточной шестерни привода масляного насоса ЯМЗ-238.
Шестерни привода агрегатов, кулачки распределительного вала, подшипники качения, гильзы цилиндров смазываются разбрызгиванием.
На переднем фланце отводящей трубы масляного насоса ЯМЗ-238 установлен редукционный клапан, перепускающий масло обратно в картер при давлении на выходе из насоса свыше 700 – 800 кПа (7,0 – 8,0 кгс/см2).
Для стабилизации давления в систему смазки двигателя ЯМЗ-238 включен дифференциальный клапан, отрегулированный начало открытия 490 – 520 кПа (4,9 – 5,2 кгс/см2).
Контроль давления масла осуществляется в центральном масляном канале.

Рис. 22. Фильтр центробежной очистки масла ЯМЗ-238
1 – колпак фильтра; 2, 7 – шайбы; 3 – колпачковая гайка; 4 – гайка крепления ротора; 5 – упорная шайба; 6 – гайка ротора; 8, 14 – втулки ротора; 9 – колпак ротора; 10 – ротор; 11 – отражатель; 12 – уплотнительное кольцо; 13 – прокладка колпака; 15 – ось ротора; 16 – корпус фильтра; 17 – сопло ротора; А – из системы под давлением; Б – слив масла в картер
Фильтр центробежной очистки масла ЯМЗ-238 (рис. 22), включенный в смазочную систему параллельно после масляного фильтра, пропускает до 8% масла, проходящего через систему смазки.
Фильтр ЯМЗ-238 автомобилей МАЗ-5516, МАЗ-64229, 6303 и Краз-255, 6510, Краз-65101 предназначен для тонкой фильтрации масла.
Масло очищается под действием центробежных сил при вращении ротора.
Струи масла, выходящие с большой скоростью из сопла, создают момент, приводящий ротор во вращение.
Механические примеси, находящиеся в масле, под действием центробежных сил отбрасываются «к стенке» колпака 9 ротора, образуя на его внутренних поверхностях плотный слой отложений, который следует периодически удалять.
Очищенное масло сливается в картер. Дополнительная центробежная очистка масла производится и в полостях шатунных шеек коленчатого вала ЯМЗ-238.
Турбокомпрессор дизеля ЯМЗ-238
Дизельный двигатель ЯМЗ-238 автомобилей МАЗ-5516, МАЗ-64229, 6303 и Краз-255, 6510, Краз-65101 оборудован турбокомпрессором, использующим энергию выхлопных газов для наддува двигателя.
Увеличивая массу воздуха, поступающего в цилиндры, турбокомпрессор ЯМЗ-238 способствует более эффективному сгоранию увеличенной дозы топлива.
За счет этого повышается мощность двигателя при умеренной тепловой напряженности.
Устройство турбокомпрессора дизельного двигателя ЯМЗ-238
Турбокомпрессор дизеля ЯМЗ-238 (рис. 23) состоит из одноступенчатого центробежного компрессора и радиальной центростремительной турбины.

Рис. 23. Турбокомпрессор ЯМЗ-238
1 – гайка крепления колеса компрессора; 2 – подшипник упорный; 3 –
болт; 4 – корпус компрессора; 5 – вставка; 6 – крышка корпуса
компрессора; 7 –
кольцо уплотнительное; 8 – пластина компрессора; 9 – болт; 10 –
болт-стопор; 11 – пластина турбины; 12 – корпус подшипника; 13 –
проставка корпуса
турбины; 14 – колесо турбины с валом; 15 – корпус турбины; 16 –
кольца уплотнительные; 17 – втулка; 18 – болт; 19 – экран
маслосбрасывающий; 20 –
шайбы упорные; 21 – кольцо уплотнительное; 22 – винт; 23 – колесо
компрессора
Колесо турбины 14 и колесо компрессора 23 расположены на противоположных концах вала ротора консольно по отношению к втулке подшипника 17.
Рабочее колесо 23 центробежного компрессора — полуоткрытого типа, с загнутыми против вращения лопатками, отлито из алюминиевого сплава. Оно напрессовано на вал и закреплено гайкой 1, установленной с герметиком.
Рабочее колесо турбины 14 — полуоткрытого типа, с радиальными лопатками, изготовлено методом литья из жаропрочного сплава. Оно соединено с валом методом сварки трением.
Корпус турбины ЯМЗ-238 изготовлен из жаропрочного чугуна.
Газ подводится к колесу турбины двумя суживающимися каналами.
На торце корпуса турбины имеются шпильки для крепления выпускного трубопровода.
Корпус компрессора 4, вставка и крышка корпуса подшипника 6 изготовлена из алюминиевого сплава.
Крышка корпуса подшипника 6 крепится к корпусу подшипника болтами 3 с применением герметика.
В турбокомпрессоре дизеля ЯМЗ-238 применен подшипник скольжения 17 в виде втулки, изготовленной из алюминиевого сплава.
Она установлена в расточке чугунного корпуса подшипника 12 и удерживается от осевых перемещений болтом-стопором 10.
Смазывание втулки турбокомпрессора ЯМЗ-238 осуществляется под давлением из системы смазки двигателя.
Тщательно отбалансированный ротор установлен во втулке 17.
Осевые усилия, действующие на ротор, воспринимаются упорным подшипником 2.
На каждом конце вала ротора установлены разрезные уплотнительные кольца 16, изготовленные из специального чугуна.
Турбокомпрессор дизеля ЯМЗ-238 крепится к выпускным коллекторам корпусом турбины.
Выходной патрубок корпуса компрессора соединен через патрубки и охладитель наддувочного воздуха со впускными коллекторами двигателя.
_________________________________________________________________________
_________________________________________________________________________
_________________________________________________________________________
_________________________________________________________________________
- Гидроусилитель руля Маз-5551, 5549, 5335, 5336, 5337
- Передняя ось и рулевые тяги Маз-5551, 5549, 5335, 5336, 5337
- Регулировка сцепления Маз-5551, 5549, 5335, 5336, 5337
- Регулировка и ремонт КПП Маз-5551, 5549, 5335, 5336, 5337
- Ремонт и обслуживание заднего моста Маз-5551, 5549, 5335, 5336, 5337
- Детали переднего моста и рулевые тяги Маз-5516, 5440
- Рулевое управление Маз-5516, 5440
- Детали ведущих мостов Маз-5516, 5440
autotextrans.ru
Масляный насос ЯМЗ-7511
________________________________________________________________
Масляный насос ЯМЗ-7511
Разборка масляного насоса ЯМЗ-7511
Зажать в тисках корпус масляного насоса за поверхности, предварительно установив на губки тисков защитные пластины, чтобы не повредить корпус насоса.
Отвернуть упорный фланец и снять его (S=46). Фланец имеет левую резьбу, и отворачивать его необходимо в направлении стрелки.
Снять промежуточную шестерню.
С помощью съемника спрессовать шестерню привода масляного насоса и вынуть шпонку. При необходимости, зачистить кромки шпоночного паза.
Отвернуть болты крепления оси промежуточной шестерни и снять ее (S=17).
Отвернуть болты крепления и крышку корпуса масляного насоса со втулками в сборе. Вынуть из корпуса масляного насоса вал-шестерню ведущую и вал-шестерню ведомую.
Подразобрать редукционный клапан, для чего вывернуть пробку (S=32) и вынуть из корпуса шайбу, пружину, клапан, прокладку.
Сборка масляного насоса ЯМЗ-7511
Рис.7 – Клапан редукционный
1–корпус; 2–клапан; 3–пружина; 4–пробка; 5–прокладка; 6–шайба.
Подсобрать редукционный клапан (рисунок 7), для чего вставить в корпус, пружину, клапан, шайбы, установить прокладку и завернуть пробку.
Начало открытия клапана поз. 2 должно происходить при давлении масла в полости А 7+1,0 кгс/см2. Регулировку обеспечить установкой необходимого количества шайб поз. 6. Затяжку пробки поз. 4 производить с Мкр= 70-80 Нм (7,0-8,0 кг/см).
Вставить в корпус масляного насоса вал-шестерню ведомую, установить крышку корпуса масляного насоса со втулками в сборе, завернуть болты крепления (S=12).
Установить ось промежуточной шестерни на корпус и закрепить ее болтами (S=17).
Вставить шпонку и напрессовать шестерню привода масляного насоса.
Надеть промежуточную шестерню (рисунок 16 поз. 1) на ось. Ввернуть упорный фланец в промежуточную шестерню. Фланец имеет левую резьбу, и заворачивать её необходимо справа налево (S=46).
При сборке должны соблюдаться следующие требования:
– Сборочную единицу фланец упорный установить на герметик УГ-9 ТУ 6–01–1326–86.
– Герметик в количестве 0,15-0,25 г. наносить на заходную часть резьбы оси промежуточной шестерни привода.
– Допускается применять герметик УГ-6 ТУ 6 – 01 – 1285 – 84.
Сборка масляного насоса ЯМЗ-7511 с трубками
Смазать кончики болтов (М8, 206513-П2, 2 шт.) крепления чашки заборника (238Ф-1011300-А) герметиком, установить в отверстие чашки заборника и завернуть на 2-3 витка резьбы в отверстия фланца трубы всасывающей (238Ф-1011400-Г) от руки. Завернуть окончательно (S =12).
Собрать болты (М8, 201458-П29, 2 шт.) крепления трубки всасывающей с заборником в сборе (238-1011398-В2) с шайбами (8, 252135-П2, 2 шт.), установить болты в отверстия фланца трубки всасывающей с заборником, установить на болты прокладку (236-1011296), установить трубку, завернуть болты на 3-4 витка резьбы от руки.
Установить в отверстия редукционного клапана (238Б-1011048, 1 шт.) болты (М8, 200274-П29, 2 шт.) с шайбами пружинными (8, 252135-П2, 2 шт.), установить на болты прокладку (236-1011126, 1 шт.) и трубу отводящую (238Б1011350-Б) к масляному насосу, ввернуть болты крепления на 2-3 витка резьбы от руки.
Установить сетку заборника и закрепить её в чашке заборника крючком (204А-1011318-Б).
Установка насоса масляного ЯМЗ-7511
Собрать болты крепления (М10, 310254-П2, 2 шт.) масляного насоса с шайбами (10, 252136-П2, 2 шт.), установить болты в крепёжные отверстия масляного насоса, установить 1-2 регулировочные прокладки (236-1011380, 2 шт.) на штифты масляного насоса, завернуть болты в блок на 2-3 витка от руки.
Допускается устанавливать не более 2-х регулировочных прокладок между корпусом насоса и крышкой коренного подшипника коленчатого вала. Завернуть болты крепления масляного насоса окончательно с Мкр = 90-100 Нм (9-10 кг/см) (S = 14).
Повернуть окружной зазор в зацеплении шестерни вала коленчатого с промежуточной шестерней масляного насоса в трех точках при рабочем положении двигателя.
Зазор должен быть в пределах 0,25-0,37 мм. Допускается производить проверку зазора в вертикальном положении двигателя, зазор при этом должен быть 0,22-0,38 мм. Зазор менее 0,25 мм и более 0,37 мм необходимо регулировать изменением количества пластин.
Завернуть штуцер (К 1/4″) в блок на 2-3 нитки от руки.
Завернуть последовательно болты (314681-П29) крепления трубки всасывающей с заборником и трубки отводящей окончательно (S=12).
Подсоединить трубку соединительную дифференциального клапана (238Б-1011098, 1 шт.) к штуцеруклапана (314681-П29) предварительно вручную с помощью болта (М14, 310096-П2, 1 шт.) и шайб (312326-П34, 2 шт.).
Установить трубку отводящую до упора в отверстия фланца и дифференциального клапана, предварительно проверив наличие уплотнительных колец в клапане фланце.
Собрать болты (М8, 200270-П2, 2 шт.) крепления клапана с шайбами (252135-П2, 2 шт.), установить болты в отверстие клапана, ввернуть болты через прокладку (236-1011358-А) в блок на 2-3 нитки резьбы от руки.
Вставить в отверстия фланца болты (М8, 200270-П2, 2 шт.) с пружинными шайбами (252135-П2, 2 шт.), установить фланец на блок цилиндров, подложив прокладку (236-1011358-А), ввернуть в отверстия блока болты вручную.
Завернуть болты крепления фланца и дифференциального клапана в блок окончательно (S=12).
Завернуть штуцер в блок окончательно (S=19).
Установить на болт (М14, 310096-П2, 1 шт.) уплотнительную шайбу (312236-П34, 1 шт.), вставить болт в отверстие соединительной трубы, установить на болт уплотнительную шайбу (312236-П34, 1 шт.) и ввернуть вручную в штуцер.
Завернуть болты крепления соединительной трубы окончательно.
Провернуть вал коленчатый для проверки отсутствия задевания крышки
шатуна о трубку.
avtodisel.ru

Добавить комментарий