К 700 кировец вес – Трактор К-700 “Кировец” технические характеристики, двигатель, цена б/у, отзывы, видео, фото, купить
Трактор Кировец К-700 | Технические характеристики, применение

Трактор Кировец К-700 — уникальный представитель советской сельскохозяйственной техники. Впервые выпущенный в 60-х годах, он получил широкое распространение по всему СССР. Снятие трактора с производства пришлось на 2002 год. Таким образом, К-700 принадлежит почти полвека истории серийного производства и симпатии агрономов страны.
Трактор Кировец К-700: история
Решение о начале выпуска трактора К-700 пришлось на 1961 год, когда необходимость в переоснащении советского сельскохозяйственного автопрома стала критической. В 1962 году первый трактор Кировец сошел с конвейера Кировского завода в Ленинграде. Это был первый энергонасыщенный колесный трактор советского производства.
Машина получила 5 тяговый класс и крупные покрышки. Массовое производство тракторов было запущено в 1969 году. В 1975 классическая модель К-700 была заменена на К-700А и К-701. Принципиальных отличий у машин было немного, если быть точнее, всего одно — двигатель. На К-700А устанавливался 8-цилиндровый ЯМЗ-238НДЗ. Мощность мотора составляла 235 л.с. Этот двигатель лег в основу производства широкого спектра машин, включая современный МАЗ.

Трактор К-701 оснастили 12-цилиндровыми ЯМЗ-240БМ2. Этот двигатель имел мощность 300 л.с. В остальном машины были унифицированы. В отличие от своего предшественника К-700А и К-701 не имели рессор, вместо одного топливного бака они получили по одному слева и справа, а также новые колеса.
На базе трактора К-700 были разработаны машины специального назначения для лесопромышленных заготовок, грейдеры и бульдозеры, фронтальные погрузчики, дорожная и сельскохозяйственная техника. Кировец стал прародителем целого поколения машин, универсальных в своих отраслях. Трактор был использован как база для тягача военного назначения.
С 1990 года Кировский завод начал выпуск техники различного назначения на базе трактора К-700А и К-701. В перечень машин вошли дорожные катки, снегоуборочные комбайны, сварочные агрегаты, виброкатки. В 2002 году выпуск тракторов К-700А и К-701 прекратился. Реорганизованный на тот момент уже Петербургский тракторный завод начал выпуск модели К-744, который продолжается по сей день.
По мнению руководства завода, тракторы К-700 морально устарели и требовали замены. Действительно, техника оснащалась кабинами прошлого поколения и перестала отвечать требованиям безопасности. Агрономы критиковали удельное давление трактора на грунт. Кировец К-700 не только не отличался комфортом, но и мог перевернуться на серьезных неровностях дороги из-за сильно вынесенного вперед двигателя.
Однако его достоинства в виде надежности, ремонтопригодности, долговечности, повышенной производительности и простоте обслуживания неоспоримы. К тому же, трактор легко справлялся со своими задачами в различных климатических условиях. Новая модель К-744 стала дорогой, но ключевые недостатки в ней исправлены не были.
Отвечая на спрос потребителей на дешевые, но производительные машины К-700 различные российские заводы продолжают выпускать технику. Также доступны тягачи, бульдозеры, дорожная и специальная техника. Петербургский тракторный завод продолжает выпуск техники специального назначения на базе К-700.
Трактор Кировец К-700: технические характеристики
Трактор К-700А оснащается двигателем ЯМЗ-238 с рабочей мощностью 235 л.с. и крутящим моментом 950 Нм. Максимальное количество оборотов двигателя в минуту — 1700. Кировец К-701 оборудован двигателем ЯМЗ-240 с мощностью 300 л.с. и максимальным крутящим моментом 1240 Нм. Максимальное количество оборотов ЯМЗ-240 в минуту — 1900.

Тракторы развивают скорость до 33 км\ч. Удельный расход топлива для ЯМЗ-238 составляет 252 г/кВт*ч. Особого внимания заслуживает трансмиссия Кировца. В коробках передач тракторов К-700 не устанавливается муфта сцепления. Вместо этого используется педаль слива, с помощью которой снижается давление в гидросистеме КПП.
Коробка передач механическая с 16 скоростями вперед и 8 назад. Управление трансмиссией производится в четырех режимах. Четыре передачи гидравлические, две — нейтральные. Переключение происходит в повышенный и пониженный режимы. Особенности коробки рассчитаны на переключение передач без потери рабочей мощности. Вторая нейтральная передача отключает гидропоток, первая дополнительно тормозит ведущий вал. Собственно, первая нейтраль предусмотрена для включения только после остановки.
Трактор «Кировец» К-700 в модификации К-700А имеет массу 12,8 тонн, в модификации К-701 — 13,4 тонны. Габаритные размеры у обеих моделей одинаковые. Вес разнится за счет использования разных двигателей. Длина трактора составляет 7,4 м, ширина — 2,88 м, высота по кабине — 3,25 м.
Гидронавесная система К-700 и его модификаций раздельно-агрегатная. Для агрегатирования с сельскохозяйственными машинами используется трехточечная сцепка. Допускается использование трактора в агрегате с дорожными, строительными и коммунальными машинами.
Кабина К-700 не отличается наличием современных систем, но для своего времени это достаточно продвинутая версия. Кабина двухместная. Для обеспечения комфорта и безопасности использованы системы шумо- и теплоизоляции. В кабине устанавливается отопитель и система вентиляции. Полностью герметизированный корпус служит защитой от пыли.
Трактор Кировец К-700: применение
К-700, как один из первых отечественных колесных тракторов пятого тягового класса получил широкое распространение в различных областях хозяйствования. Шесть рабочих модификаций машины, выпущенных с начала производства, заняли достойные позиции в сельском хозяйстве, добывающей и другой тяжелой промышленности, строительстве, лесозаготовках, коммунальном хозяйстве и даже в военной сфере.
Многие машины на базе К-700 используются и выпускаются до сих пор. Это служит лишним доказательством надежности техники, ее приспособленности к российским условиям и долговечности.
Получите выгодное предложение от прямых поставщиков:
Вам будет интересно
spectehnika-info.ru
Технические характеристики трактора К-700 (Кировец): размеры, вес
Советские конструкторы сельскохозяйственной техники совершили настоящую революцию для страны, которая понесла огромные потери в Великой Отечественной войне 1941-45 годов. На свет появился новый трактор колесный К- 700А, который получил своё второе название «Кировец». В сельское хозяйство страны после войны начали возвращаться специалисты, да и послевоенное образование дало стране новых инженеров, которые успели по достоинству оценить качество сельскохозяйственной техники на вражеских территориях. В 1962 году началось массовое производство машин, новой 5 серии силовой тяги.

Трактор К-700
Немного истории для легендарного трактора
Советские СИМИ вовсю трубили о том, что страна очень скоро увидит новый мощный трактор, который должен совершить революцию. В сельском хозяйстве. Рабочие завода между собой называли технику, не иначе как «степной богатырь». Гордиться «богатырю» было чем даже перед иностранными разработками. Учитывая первые технические характеристики трактора К-700, его длина была около 7 метров, а общий вес «рыцаря полей» достигал рекордные 11 тон для класса таких машин н территории СССР. Отметим, что в стране в то время был мощный трактор, который успел за 20 лет производства морально и физически устареть, это серия ДТ-54, который имел гусеничный вариант исполнения, а мощность была не слишком большая. Развитие степных зон в Казахстане, разработка полей степной зоны Кубани требовали наличие совершенно иной техники, так как ДТ-54 уже не справлялся с поставленной задачей, и технические характеристики трактора К-700А полностью оправдали надежды сельхозпроизводителей страны Советов.
Дополним интересный исторический факт, который стал основой разработки новой тракторной техники. В 1959 году, советский руководитель Никита Хрущёв находился с визитом в США, где он посетил завод John Deere. Первому секретарю партии стало завидно, что советский ДТ-54 не сможет превзойти по мощности американский аналог. Тогда было принято историческое решение о том, что технические характеристики мощности трактора К-700 должны превзойти американский аналог. За 3 года действительно удалось сделать невозможное, и в 1962 году техника увидела свет в СССР. К чести разработчиков можно добавить, что американцы и западноевропейские производители сумели только в 90-х годах 20 столетия предложить потребителям что-то похожее на К-700. Таким образом, советский сельхозпроизводитель сумел обогнать американцев ровно на 3 десятилетия вперёд. Вместе с этим, рыночная конкуренция заставила свернуть производство, и в 2004 году с конвейера сошёл последний тип спецтранспорта Кировец К-700.
Целевое предназначение машины, это сельскохозяйственные работы с навесным оборудованием, а также с полунавесным и прицепным вариантом дополнительного вспомогательного оборудования широкозахватного принципа действия. Качественный расход топлива технических характеристик трактора К-700 позволял применять технику для вспашки и достаточно глубокого рыхления почвы; для проведения культивации и этапов дискования; для задач боронования и лущения стерни; для посевных работ, а также для выполнения задач по снегозадержанию. Дополнительно, технические характеристики двигателя трактора К-700 позволяли эксплуатировать технику для мелиоративных работ, землеройных задач, в строительной и дорожной отраслях.
Модификационной ряд
Почти за 40 лет существования предприятия, удалось выпустить несколько модификаций сельхозтехники, которая оправдала себя как в сельском хозяйстве, так и в дорожной, строительной отраслях промышленного производства.
- К-700- основная базовая модель.
- К-700А, унифицированная копия модели к 701, использовался двигатель типа с турбонаддувом ЯМЗ-238НД3
- К-701. Аналоговая серия с предшествующим вариантом, применялся двигатель типа ЯМЗ -240 БМ2.
- Серия 702. Промышленный вариант сельхозтехники, который имел в себе очертания погрузчика, бульдозерной техники, а также катков и скреперов. Была изменена система подвесок, трансмиссии (гидромеханика), а также использовалась жёсткая подвеска.
- Серия 703. Машина имела реверсивный вариант управления, то есть могла двигаться как вперёд, так и назад.
- Серия 701М. Трёхосный вариант машины, причём размер колеса трактора К-700 имел четыре шестиколёсных варианта. Использовался совместно с двигателем ЯМЗ 8423. Разработан был проектировщиками с Чукотки. В будущем техника стала прототипом новых российских тракторов.
- Серия 703МТ. Трёхосный сочленённый тип самосвальной техники, который имел повышенную грузоподъёмность — до 18 тонн.
Нужно отдать должное производителям и разработчикам Кировца, они сумели сделать немыслимое для страны, где никогда не было практического опыта производства мощнейшей сельскохозяйственной техники. Недаром в некоторых странах на гербах, а также на денежных банкнотах можно встретить образцы трактора Кировца, который стал легендой при жизни.
Технические параметры машины
Мощная сельхозтехника стала настоящим помощником для сельхозпроизводителей советского государства. Разработчики сумели внести некоторые новинки технические характеристики коробки передач проверки масла трактора К-700, которые успешно эксплуатировались как в условиях Крайнего Севера России, так и в районах с жарким климатом. Недаром на Дальнем Востоке и в Сибири считают данный класс тракторов надёжным по всем основным техническим параметрам эксплуатации.
Техника имеет высокие характеристики надёжности, прочности и долговечности эксплуатации, вне зависимости от района эксплуатации, и по некоторым данным трактор ничем не уступает современным западноевропейским аналогам.
Ниже приведена таблица с указанием веса технических характеристик трактора К-700.
| Данные | Параметр |
|---|---|
| Данные мощности двигателя | 169 кВт или 230 л.с. |
| Удельный расход топлива | 252 г\кВт*час |
| Скоростной режим передвижения | От 2, 6 до 33,8 км час |
| Количество передач вперёд | 16 |
| Количество передач в режиме «назад» | 8 |
| Грузоподъёмность трёхточечного навесного устройства | 56,0 кН |
| Ходовой параметр оси навесного оборудования | 1165 мм |
| Длина трактора | 7045 мм |
| Ширина трактора | 2850 мм |
| Высота трактора | 3225 мм |
| Общая масса | 12800 кг |

Габаритные размеры трактора К-700
Принципиальные отличия серий заключаются в массе навесного оборудования, которое используется для каждой модели по отдельности.
Особенности серийного ряда Кировца
Вместе с этим, опытные специалисты считают, что трактор необходимо использовать в соответствии с техническим данными основных узлов и компонентов, которые вы можете увидеть в таблице
| Базовая модель машины | К-701- 3 СТ | К-701-01- ЗСТ | К-701-02- ЗСТ |
| Типовое исполнение мотора | ЯМЗ-240 БМ 2 | ЯМЗ-238 НД 5 | ЯМЗ-238 НД |
| Масса с оборудованием | 13750 кг | 13300 кг | 13060 кг |
| Масса без оборудования | 11450 кг | 11000 кг | 10800 кг |
Как показали тест-драйвы последних лет, немногим зарубежным аналогам удалось превзойти по качественным данным советского Кировца, несмотря на внедрение новейших технологий производства. К слову, только в 1969 году западноевропейские производители обратили внимание на новый трактор, но было упущено время, которое пришлось производителям из США и Западной Европы навёрстывать не меньше 30 лет.
Видео: Трактор К-700

Марина
Дата публикации:
Декабрь 2, 2017
Рейтинг статьи:
Загрузка…Понравилась статья?
Поделиться статьей
похожие статьи
ospetstehniki.ru
«Кировец» К-700 – технические характеристики, двигатель, расход топлива и вес
Трактор К-700 – замечательный образец инженерной мысли СССР. Долгое время служит нуждам аграрной промышленности, хоть сейчас и не производится. Предлагаем внимательнее расмотреть возможности “Кировца” К-700, его подробные технические характеристики, модификации, а так же устройство двигателя и других узлом этой замечательной спецтехники.
История

В 1961 году для технического перевооружения сельского хозяйства советские конструкторы по заданию правительства разработали проект первого советского колёсного трактора 5 тягового класса. При мощности двигателя в 220 л. с., дающей возможность использовать широкозахватные орудия, К-700 в 2,5-3 раза увеличивал производительность сельскохозяйственных работ по сравнению с другими тракторами.
Как и многие другие виды техники в СССР в годы «холодной войны», К-700 разрабатывался как продукция двойного назначения: в военное время его предполагалось использовать как артиллерийский тягач.
Производство новой машины, получившей наименование «Кировец», было организовано на Кировском заводе в Ленинграде — старейшем тракторостроительном предприятии СССР.
Первый трактор покинул сборочный цех и вышел на поля страны 13 июля 1962 года. Массовое производство К-700 было развёрнуто в 1969 году.
В 1975 году Кировский завод начал серийный выпуск тракторов «Кировец» К-700А с 8-цилиндровым двигателем ЯМЗ-238НД3 (235 л. с.) и тракторов «Кировец» К-701 с 12-цилиндровым двигателем ЯМЗ-240Б (300 л. с.). Трактор К-700А и К-701 были унифицированы и отличались только двигателем, но оба сильно отличались от первого К-700, это был уже другой трактор.
Коренные отличия (не говоря о дизайне) — на К-700А (К-701) нет рессор (на К-700 есть). Вместо заднего топливного бака (на К-700) трактор К-700А (К-701) получил два боковых топливных бака (левый, правый) которые сливаются в единое целое с передними крыльями трактора. На К-700А (К-701) другие колёса (не унифицированные с колёсами трактора К-700). Этот трактор был востребован не только в сельском хозяйстве, его стали применять в других отраслях народного хозяйства СССР. Был разработан трактор «Кировец» К-703 с реверсивным постом управления.
На его базе были созданы лесоштабелёр ЛТ-163 (после модернизации ЛТ-195), лесотрелёвочная машина МЛ-56, грейдозер ЛБ-30, фронтальный погрузчик ПФ-1, универсальная дорожная машина ДМ-15 и другие машины. Также было разработано различное оборудование для установки на заднюю полураму тракторов «Кировец» К-700А и К-701: погрузочное П-4, П-4/85, стогометательное и другое.
Для выполнения мелиоративных и других работ на базе трактора «Кировец» был разработан траншеекопатель. Видя большую востребованность трактора «Кировец» в других отраслях народного хозяйства, Кировский завод с 1990 года приступил к выпуску различной техники на базе трактора «Кировец». Это была дорожно-строительная и специальная техника.
Для нужд дорожников и работников других отраслей Кировский завод стал выпускать фронтальный погрузчик К-702МА-ПК6, универсальный бульдозер К-702МБА-БКУ, универсальную дорожную машину К-702МВА-УДМ, виброкаток ВК, снегоочиститель СФР, мобильные сварочные агрегаты на 4 и 8 сварочных постов и другую технику.
1 февраля 2002 года Петербургский тракторный завод прекратил выпуск тракторов «Кировец» К-700А и К-701. Вместо них стали выпускаться тракторы «Кировец» К-744, которые стоили значительно дороже, чем тракторы «Кировец» К-700А и К-701. Руководители завода объяснили снятие тракторов «Кировец» К-700А и К-701 тем, что данные тракторы морально устарели, и их кабины не соответствовали нормам безопасности. В связи с этим возник дефицит на недорогие тракторы типа «Кировец».
Многолетний опыт эксплуатации машины в различных условиях и климатических зонах показал высокую надёжность работы, простоту и удобство обслуживания, ремонтопригодность и длительный срок службы.
К сожалению, имелись и недостатки. В условиях крайне значительных неровностей дорожного покрытия было возможно опрокидывание машины. Выступающий вперед двигатель ухудшал проходимость в экстремальных условиях. Агрономы требовали машины с меньшим давлением на грунт. Эти недостатки так и не были устранены в К-744.
В связи с наличием спроса трактора серии К-700 (как оригинальные модели Кировского завода, так и различные модификации), а также тягачи, бульдозеры, погрузчики и специальные машины на их базе продолжают выпускаться различными машиностроительными предприятиями России.
ЗАО «Петербургский тракторный завод» на сегодняшний день производит на базе К-700 только технику специального назначения. Сельскохозяйственные тракторы серии К-700 под маркой «Кировец» официально больше не производятся, а те, что представлены на рынке, как правило являются восстановленными из старых и имеют весьма сомнительное происхождение.
По состоянию на 2017 год АО «Петербургский тракторный завод» производит две модели сельскохозяйственных тракторов — К-744Р и К-703М — в различных комплектациях.
Источник: Википедия
Модификации

Трактор “Кировец” К-700 – уникальный колёсный сельскохозяйственный трактор пятого класса тяги. Первые машины начали выпускать в 1969 году. В дальнейшем эта техника пользовалась большим успехом по всему Советскому Союзу. Трактор К-700 имеет высокую проходимость. Многофункциональная машина и сегодня может выполнять все виды сельскохозяйственных работ.
Во времена СССР вся тяжелая техника могла быть использована для потребностей армии. Трактор К-700 обладал высокой грузоподъемностью, что давало возможность приспособить к нему любое навесное и прицепное оборудование. В случае войны предполагалось, что трактор сыграет роль мощного артиллерийского тягача.
Обзор модификаций:
- К-700 – базовая модель (первый выпуск). На основе трактора “Кировец” К-700 была создана более мощная серия машин. К-701 с диаметром колеса 1730 мм.
- К-700А – следующая модель, стандартизованная с К-701; серия двигателя ЯМЗ-238НД3.
- К-701М – модель с двумя осями, двигателем ЯМЗ 8423.10, мощностью 335 л.с. Трактор имеет 6 колес.
- К-702 – усиленная модель для использования в промышленных целях. Погрузчики, скреперы, бульдозеры и катки собираются на базе данной модификации.
- К-703 – следующая промышленная модель с реверсивным управлением. Данный трактор более маневренный и комфортный в управлении.
- К-703МТ – модель “Кировца” с прицепным самосвальным устройством, грузоподъёмность 18 т. Этот трактор получил новые усовершенствованные колеса. Если кого-то интересует, сколько весит колесо от “Кировца” К-703МТ, уточним – его вес составляет 450 кг.
Применение

Трактор К-700 – очень прочная машина, детали изготовлены из высококачественных материалов. Прочная сталь обеспечивает хороший рабочий ресурс. Эта машина способна в 2-3 раза увеличивать КПД сельхозработ, в сравнении с другими моделями. Машина приспособлена к различным климатическим условиям и используется круглый год. “Кировец” К-700 обладает мощностью двигателя 220 лошадиных сил. К-700 успешно использовался во всех областях народного хозяйства СССР.
Трактор К-700 и все шесть его модификаций завоевали ведущие позиции в сфере сельского хозяйства. И сегодня колесный трактор благополучно выполняет различные сельскохозяйственные, землеройные, дорожно-строительные и другие задачи. Машина вспахивает и разрыхляет, культивирует почву, производит дискование, снегозадержание и посев.В тандеме с различными агрегатами трактор превращается в сельскохозяйственную машину широкого профиля действия. Навесные, полунавесные и захватные агрегаты успешно дополняют трактор для обширного круга работ.
Технические характеристики

Рассмотрим основные параметры трактора “Кировец” К-700, а также его технические характеристики. Дорожный просвет трактора К-700 составляет 440 мм, ширина колеи – 2115 мм.
Топливный бак трактора вмещает 450 литров. Далее остановимся на скоростях машины: при движении вперёд трактор развивает скорость 2,9 – 44,8 км/ч; при движении назад “Кировец” разгоняется от 5,1 до 24,3 км/ч.
Минимальная дальность поворота машины (по следу наружного колеса) равна 7200 мм.
Габаритные размеры трактора К-700:
- Длина – 8400 мм;
- Ширина – 2530 мм;
- Высота (по кабине) – 3950 мм;
- Высота (по выхлопной трубе) – 3225 мм;
- Масса – 12,8 т.
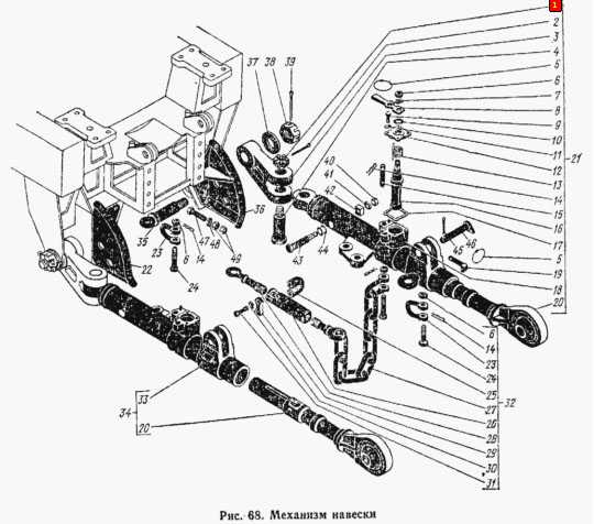
Механизм навесного снаряжения:
Насосы – шестеренные КШ-46У правого и левого вращения;
Генератор – клапанно-золотниковый;
Грузоподъемность трактора составляет 2000 кг;
Тип прицепного механизма – съемная прицепная скоба.

Для сравнения остановимся на моделях “Кировца” К-701, К-700А и их технических характеристиках. На тракторе К-701 установлен дизельный двигатель ЯМЗ-240БМ2. Двухместная кабина трактора К-701 отличается качественным механизмом подогрева и вентиляции, предоставляет оптимальные условия работы машиниста. В комплектацию машины входит система выбора мощности, обратное управление, механизм удвоения колес. К-700А – усовершенствованная версия К-700 и базовая модель для создания тракторов К-701 и К-702.
Присутствует несколько основных отличий трактора К-700А от “Кировца” К-700. Благодаря усилению передней полурамы появилась возможность установки мотора. Была увеличена база и колея К-700А. Были обновлены посадочные места. Внедрили жесткое крепление переднего и заднего мостов. Были установлены радиальные шины. Изменили расположение баков, умножили их количество, а также увеличили заправочные объемы. Несмотря на то, что у модификаций трактора “Кировец” К-701 усовершенствованные технические характеристики, базовая модель К-700 им практически ничем не уступает.
Двигатель

Восьмицилиндровый агрегат устанавливался на передней части машины на специальных амортизаторах. Опор для него было всего три. Установка отличалась сухой, комбинированной двухступенчатой системой очистки воздуха. Топливная система включала в себя полный набор фильтров, ручной насос для подкачки топлива, насос высокого давления, форсунки и дополнительные топливные бачки. Двигатель отличался собственной закрытой системой охлаждения. Она отличалась наличием компенсационного контура и принудительной циркуляцией ОЖ. Система предпускового подогрева существенно помогала.

Отзывы говорят, что даже в 40-градусный мороз можно было без труда запустить «К-700 Кировец». Технические характеристики других машин не позволяли работать в большие морозы.
Коробка передач

На тракторе К-700 нет муфты сцепления. Вместо неё есть педаль слива (падения давления в гидросистеме коробки передач).

Коробка передач — механическая, с шестернями постоянного зацепления, 16-скоростная (четырёхрежимная), с гидравлическим управлением четырьмя фрикционами и механическим управлением зубчатыми муфтами. Все шестерни прямозубые. Число передач (гидравлические) 4 (+2 нейтральные), 4 режима (механические), переключение повышенная-пониженная. В итоге число скоростей 16 (от 1.1 до 4.4) и соответственно 8 задних. Коробка предназначена для переключения скоростей без потери мощности (за счет фрикционов).

Режимы переключаются путём перемещения шестерён как в любой механической коробке передач. Скорости переключаются путём переключения золотника (перенаправлением гидропотока масла). 2-я нейтраль отключает гидропоток. 1-я нейтраль помимо отключения гидропотока механически притормаживает ведущий вал (вал с фрикционами) в коробке передач как ручной тормоз. Поэтому включать 1-ю нейтраль можно только после остановки.
Навесное оборудование

Модель была укомплектована этой системой. Она была гидравлической, трехстоечной. Система могла нести на себе оборудование весом до 2 т. Тяговые характеристики трактора могли достигать более 5 тонн.

Прицепное устройство выполнено в виде прицепной скобы. Благодаря тому, что технические характеристики «К700» позволяли легко адаптировать его к очень широкиму спектру сельхозтехники, область его использования была необычайно широкой. Например, на пахотных работах скорость его часто достигала 10 км/ч.
Устройство

На базовой модификации К-700 отсутствует муфта сцепления. В гидравлической системе коробки передач падение давления обеспечивается педалью слива. Механическая коробка передач имеет 16 передних скоростей и 8 задних. У трактора 4 режима управления трансмиссией. Четыре передачи гидравлические, две – нейтральные. Переключение передач происходит без потери мощности. Нейтральные передачи тоже очень важны. Вторая нейтральная отключает гидропоток, первая нейтральная дополнительно тормозит ведущий вал.

Бульдозер К-702М-МБА-БКУТ с клиновидным отвалом
Рама трактора состоит из двух частей (полурам) и объединена посередине шарнирным механизмом. Ходовая система состоит из четырех ведущих колёс. Колеса должны быть односкатные, бездисковые. Колеса К-700 имеют шины размером 23,1/18-26 дюймов.
Система поворота трактора К-700 – это своего рода шарнирно-ломающийся механизм. Рама состоит из двух гидроцилиндров двойного действия. Для управления механизмом поворота трактора применяется рулевое колесо с зубчато-винтовой передачей и генератор золотникового типа. На все колеса трактора зафиксированы колодочные тормоза. Вес колеса К-700 составляет около 300-400 кг.
В тракторе зафиксирована унифилярная схема постоянного тока (“-” и “+”) и радиатор типа 6СТМ-128. Система подачи топлива К-700 состоит из очистителей тонкой и грубой фильтровки горючего, топливных баков, крана, насоса высокого нажима, дополнительного топливного бака и клапана принудительной остановки мотора. Удельный расход топлива трактора К-700 составляет 266 г/кВт в час. Кабина “Кировца” не выделяется присутствием новейших конструкций, но для своего времени это достаточно прогрессивная и передовая модель.У трактора непроницаемая, цельностальная кабина с амортизаторами. Кабина просторная и удобная, но машину обслуживает один человек. Комфортное пребывание в кабине обеспечивается благодаря системе отопления и охлаждения, вентиляции и теплоизоляции.
Рассмотрим также заправочные объемы трактора: топливный бак – 450 л; система охлаждения – 63 л; система смазки двигателя – 32 л; гидросистема коробки передач – 25 л; бак питьевой воды – 4 л.
Запуск двигателя
Кировец оснащен четырехтактным восьмицилиндровым двигателем серии ЯМЗ-238НМ. Из особенностей силовой установки можно выделить двухуровневую схему очистки воздуха.
Перед запуском двигателя проследите за тем, чтобы рычаг переключения передач находился в нейтральном положении.
Итак, приступаем к запуску двигателя К-700:
- Снять заливную крышку левого топливного бака.
- Заполнить бак дизельным топливом.
- Прокачать систему снабжения ручным насосом в течение 3-4 минут.
- Включить коммутатор “массы” (контрольная лампа должна мигать зеленым цветом).
- Далее необходимо прокачать механизм смазки двигателя К-700 до давления 0,15 МПа (1,5 кГс/см²). Для этого нажимаем на пусковую кнопку стартера.
- Подать звуковой сигнал и перевести коммутатор, включив стартер (устройство, служащее механическим пуском).
- После запуска двигателя отпустить кнопку “пуск”.
Если двигатель не заводится, запуск можно повторить через 2-3 минуты. Если после повторных попыток двигатель по-прежнему не срабатывает, придется найти и устранить неисправность.
Время безостановочной работы электродвигателя трактора “Кировец” К-700 не должно превышать 3 минуты. Более длительная работа двигателя может привести к перегреву и выходу агрегата из строя.
Зимой

Сначала мы должны проверить исправность агрегатов машины. С этой целью необходимо очистить горелку от нагара, промыть котел обогрева трактора и подключить мотор нагнетателя к цепи (12 В).
Зимой двигатель трактора “Кировец” К-700 заводится в следующем порядке:
- Провод “+” подключить к электродвигателю, а провод “-” подключить к корпусу.
- Открыть пробку котла обогрева и слить отработанное топливо.
- Закрыть пробку и завернуть кран.
- Подготовить воду для заполнения механизма.
- Открыть заслонки нагнетателя и выхлопного котла.
- Открыть топливный кран механизма индивидуального отопления. На 1-2 минуты включить свечу накаливания.
- Для запуска двигателя, установить ручку коммутатора на 2 секунды в позицию “пуск” и мягко перевести ее в позицию”работа”.
Трактор К-700 оснащен собственной системой «холодного» запуска (механизм предпускового подогрева). Данная особенность облегчает процесс запуска двигателя во время сложных погодных условий. Вы сможете без проблем завести технику, даже если температура воздуха опустится ниже 40 градусов мороза.
Преимущества и недостатки

На основе характеристик К-700 можно сделать вывод о достоинствах и недостатках трактора. Бесспорно, большим достоинством трактора К-700 является доступность запасных частей, а также относительная простота сборки и разборки. В связи с этим техника оказывается очень удобной в эксплуатации. Кроме того, большая популярность “Кировца” К-700 обусловлена относительно невысокой ценой. Трактор приспособлен к различным климатическим условиям. Дизельный двигатель К-700 обладает высокой мощностью. Благодаря своей надежности эти машины до сих пор успешно работают на аграрных полях Украины и России.
Однако у К-700 есть и серьезные структурные недостатки. При проведении сельскохозяйственных работ плодородный слой почвы подвергается разрушению. Причина этому – большой вес машины. Двигатель трактора держится на передней полураме. Тяговый блок очень массивный. Поэтому, если машина без прицепа, это приводит к проблеме балансировки. Трактор может перевернуться на поворотах.
Если трактор К-700 переворачивался, это практически всегда приводило к гибели машиниста. Данный недостаток “Кировца” устранили в более новой модификации трактора К-744. Специалистами была существенно усилена и обновлена кабина. А выпуск трактора К-700остановили 1 февраля 2002 года.
Многие машины и по сей день выпускаются на основе К-700. Трактор востребован не только в земледелии, его применяют и в других отраслях. Это еще раз доказывает долговечность и надежность данной техники.
spectekhnika.info
К 700 вес покрышки. Трактор кировец к700 и Трактор к 700а характеристики
Ни дня без покрышки! — Газета “Вечерний Оренбург”
Татьяна Телевич Такого захватывающего зрелища Оренбург давно не видел. Огромные покрышки от трактора «К-700» весом в 350 килограммов (!), которые не под силу приподнять даже нескольким зрителям, легко покорялись одному спортсмену. А ещё силачи приподнимали двухтонные машины и тянули в упряжке пятитонный автомобиль. «Сильные люди – сильное государство!» – под таким названием и с такой прозрачной символикой в День России состоялся открытый чемпионат Оренбургской области по силовому экстриму. Мероприятие проводится в областном центре второй раз. Главным его инициатором и организатором выступила Федерация силового экстрима, существующая в Оренбурге два года. Сегодня она насчитывает не один десяток профессиональных тяжелоатлетов и продолжает расти. Основная база подготовки спортсменов – центр «Планета-спорт» – находится в Степном посёлке. На его открытие в прошлом году приезжал Президент Ассоциации каскадёров России, генеральный секретарь Национальной федерации каратэ, президент Международного совета по абсолютным поединкам, президент Фонда развития национальных единоборств Александр Иншаков. К силовым состязаниям спортсмены готовились едва ли не круглыми сутками. Я решила побывать на одной из таких тренировок. Подходя к зданию спортивного центра «Планета-спорт», ожидала увидеть накачанных мужиков, холящих свои массивные тела и любующихся их рельефом. Но на крыльце я встретила молодых людей, явно не блещущих здоровьем, с видимыми признаками ДЦП. Ребята шумно обсуждали только что прошедшее занятие. Оказывается, в элитном спортклубе всегда открыты двери для людей с ограниченными возможностями. Подопечные спортсменов занимаются здесь абсолютно бесплатно. И это лишь одно из социальных направлений в работе федерации. – В этом году мы впервые начали готовить спортсменов к чемпионату мира по жиму лёжа среди людей с ограниченными возможностями, – рассказывает тренер по тяжёлой атлетике и пауэр–лифтингу оренбургской сборной Сергей Остапенко. – До этого силовые виды практически недоступны спорта были оренбургским инвалидам. Не менее важным моментом в работе Федерации силового экстрима стало приобщение молодёжи к спорту, а следовательно, и к здоровому образу жизни. – С каждым годом количество молодых людей, желающих посвятить себя спорту, растёт, – комментирует тренер. – Охотно занимаются 13-14-летние ребята, многие подают большие надежды. Среди воспитанников есть и девушки. Две из них – мастера спорта международного класса. Количество желающих заниматься резко увеличивается после массовых мероприятий вроде очередного чемпионата. В пятницу к шести часам вечера в парке 50-летия СССР собрались несколько сотен зрителей, желающих увидеть своими глазами современных Муромцев. Богатыри с невозмутимым спокойствием разминались на специальных оборудованных площадках. Для собравшихся это уже стало началом шоу. Раскрыв рты от восхищения, люди наблюдали, как здоровяки играют горами мышц. Как и в прошлом году, команды по пять силачей от Оренбурга и Орска вышли на поле битвы. Просто дух захватывало от той лёгкости, с которой спортсмены кантовали огромную, в человеческий рост тракторную покрышку. Хороший темп задал соревнованиям чемпион прошлого года Иван Весноватый. Орчане оказались слабее, если можно так сказать о людях, перемещавших «снаряд» весом в несколько сотен килограммов более чем на пятнадцать метров. Гостям явно не хватало болельщиков. Толпа горожан скандировала лозунги в поддержку сборной Оренбурга. – Вот это силища! – завидовали местные мальчишки и тайком ощупывали собственные бицепсы. – Чтобы взять такой вес, нужны годы упорных тренировок, – рассказывает Сергей Остапенко. – Даже если он человек сильный от природы, ему необходимо освоить технику выполнения того или иного упражнения. Помериться не только силушкой богатырской, но и силой воли и духа предстояло участникам на следующих этапах чемпионата. Как былинку, поднимали спортсмены стокилограммовое бревно, лихо тягали гирю весом 150 кило и, словно с небольшими продовольственными авоськами, бегали с 70-килограммовыми мешками. Между состязаниями спортсменов и зрителей подбадривали группы черлидеров. Их зажигательные выступления вносили в мероприятие особый колорит. Решающими и заключительными этапами стали тяга автомобиля в упряжке и подъём двухтонной машины. Оренбургская команда безоговорочно лидировала и второй раз подряд стала победителем. Так же, как и в прошлом году, звания абсолютного чемпиона удостоился Иван Весноватый – самый сильный богатырь Оренбуржья.www.vecherniyorenburg.ru
Трактор Кировец К-700 | Технические характеристики, применение

Трактор Кировец К-700 — уникальный представитель советской сельскохозяйственной техники. Впервые выпущенный в 60-х годах, он получил широкое распространение по всему СССР. Снятие трактора с производства пришлось на 2002 год. Таким образом, К-700 принадлежит почти полвека истории серийного производства и симпатии агрономов страны.
Трактор Кировец К-700: история
Решение о начале выпуска трактора К-700 пришлось на 1961 год, когда необходимость в переоснащении советского сельскохозяйственного автопрома стала критической. В 1962 году первый трактор Кировец сошел с конвейера Кировского завода в Ленинграде. Это был первый энергонасыщенный колесный трактор советского производства.
Машина получила 5 тяговый класс и крупные покрышки. Массовое производство тракторов было запущено в 1969 году. В 1975 классическая модель К-700 была заменена на К-700А и К-701. Принципиальных отличий у машин было немного, если быть точнее, всего одно — двигатель. На К-700А устанавливался 8-цилиндровый ЯМЗ-238НДЗ. Мощность мотора составляла 235 л.с. Этот двигатель лег в основу производства широкого спектра машин, включая современный МАЗ.

Трактор К-701 оснастили 12-цилиндровыми ЯМЗ-240БМ2. Этот двигатель имел мощность 300 л.с. В остальном машины были унифицированы. В отличие от своего предшественника К-700А и К-701 не имели рессор, вместо одного топливного бака они получили по одному слева и справа, а также новые колеса.
На базе трактора К-700 были разработаны машины специального назначения для лесопромышленных заготовок, грейдеры и бульдозеры, фронтальные погрузчики, дорожная и сельскохозяйственная техника. Кировец стал прародителем целого поколения машин, универсальных в своих отраслях. Трактор был использован как база для тягача военного назначения.
С 1990 года Кировский завод начал выпуск техники различного назначения на базе трактора К-700А и К-701. В перечень машин вошли дорожные катки, снегоуборочные комбайны, сварочные агрегаты, виброкатки. В 2002 году выпуск тракторов К-700А и К-701
carwheelblog.ru
|
СИЛОВАЯ ПЕРЕДАЧА |
|
|
Коробка передач |
Механическая четырехрежимная с четырьмя передачами на каждом режиме, с фрикционным включением режимов и гидравлическим переключением передач |
|
Муфта |
Полужесткая с резиновыми элементами, работающими на сжатие |
|
Главная передача |
Коническая с зерольным зубом |
|
Карданная передача |
Открытого типа с игольчатыми подшипниками |
|
Конечная передача |
Планетарная |
|
РАМА И ХОДОВАЯ ЧАСТЬ |
|
|
Рама |
Состоит из двух полурам, соединенных шарнирным устройством |
|
Подвеска |
Две продольные полуэллиптические рессоры на переднем мосту |
|
Тип ходовой части |
Колесный с четырьмя ведущими колесами |
|
Колеса |
Односкатные бездисковые |
|
Размер шин колес, дюймы |
23,1/18-26 |
|
Давление воздуха в шинах, кгс/см |
1,1-1,7 |
|
УПРАВЛЕНИЕ ТРАКТОРОМ |
|
|
Механизм поворота |
Шарнирно-ломающаяся рама с двумя гидроцилиндрами двойного действия |
|
Управление механизмом поворота |
Рулевым колесом с помощью червячной передачи и распределителя золотникового типа |
|
Тормоза |
Колодочный с ножным пневматическим приводом на. все колеса; стояночный – ленточного типа с ручным приводом |
|
СИСТЕМА НАВЕСНОГО ОБОРУДОВАНИЯ |
|
|
Тип |
Гидравлическая раздельно-агрегатная трехточечная |
|
Насосы |
Шестеренные КШ-46У правого и левого вращения |
|
Распределитель |
Клапанно-золотникового типа |
|
Номинальная грузоподъемность (на расстоянии 2500 мм от оси подвеса), кг |
2000 |
|
Тип прицепного устройства |
Съемная прицепная скоба |
|
Буксирный крюк |
Съемный гидроофицированный, блокируемый стяжками |
|
ЭЛЕКТРООБОРУДОВАНИЕ И ПРИБОРЫ |
|
|
Схема |
Постоянного тока (с выпрямлением трехфазного переменного тока генератора) однопроводная; “+” в систему, “- ” на массу |
|
Аккумуляторные батареи |
6СТМ-128 |
|
Контрольные приборы |
Амперметр АП104; указатель температуры воды УК118; указатель температуры масла УК108; тахометр ТХ109; манометры для измерения давления масла в двигателе, турбокомпрессоре, коробке передач; воздуха в пневмо-системе |
|
ОСНОВНЫЕ ЗАПРАВОЧНЫЕ ЕМКОСТИ л |
|
|
Топливный бак |
450 |
|
Система смазки двигателя |
32 |
|
Система охлаждения |
63 |
|
Гидросистема коробки передач |
25 |
|
Картер главных передач |
20 |
|
Картер конечных передач |
14 |
|
Бак гидросистемы управления поворотом |
40 |
|
Картер рулевого управления |
0,25 |
|
Бак гидросистемы навесного оборудования |
60 |
|
Картер промежуточной опоры |
1,8 |
|
Бак для питьевой воды |
4,0
|
teh-agro.ru
технические характеристики, двигатель, цена и отзывы
Великая Отечественная война закончилась, однако советскому сельскому хозяйству был нанесен огромный ущерб. Чтобы восстановить его, советской власти и всему народу потребовалось множество средств и огромное количество сил. Ближе к окончанию войны на территории стала возвращаться ранее эвакуированная оттуда техника. На освобожденных землях начинали работать опытные агрономы. В первые послевоенные годы начали заниматься разработкой и внедрением новых технологий, а некоторые из них нашли применение в аграрной сфере.
«Богатырь»
Страна технически перевооружалась. В результате появился новый представитель техники пятого класса тяги. Это был трактор «Кировец К-700», технические характеристики которого были значительно выше, чем у всей той техники, что была на тот момент у аграриев.
Начиналось все следующим образом. Коммунистическая партия поставила перед инженерами серьезную задачу. Нужно было в самые короткие сроки изготовить машину, которая поможет поднять сельскохозяйственную отрасль. 
Специалисты работали усиленно, и первый экземпляр сошел с конвейера менее чем через год. На улице был июль 1962 года.
По заводскому радио диктор заявил, что в стенах цехов собрали настоящего богатыря. И это были не пустые слова. Машина имела право называться именно так. Вес трактора составлял 11 тонн, а длина – 7 метров. Им стали восхищаться, а те, кто его сделал, очень гордились своей работой.
Новый этап тракторостроения
Этот новейший трактор «К-700», технические характеристики которого в дальнейшем помогли вывести аграрный сектор большой страны из глубокого кризиса, увеличил скорость выполнения всех задач в этой отрасли более чем в 3 раза.
John Derre
Именно так называлась машина, которая является прообразом советского богатыря. В 1959 году генеральный секретарь Хрущев был в командировке в Соединенных Штатах. Его очень поразили те возможности, которыми обладал John Derre. И когда он вернулся домой, то распорядился, чтобы на Кировском заводе, что находился в Ленинграде, построили такой трактор, который бы имел огромную мощность и высокую скорость.
Существующие тогда ДТ-54 значительно проигрывали «К-700», технические характеристики которого казались на тот момент фантастикой. ДТ-54 не могли даже ездить по дорогам, а скорость их движения была неимоверно низкой.
Мощный и производительный
Мощность и скоростные возможности этого «богатыря» превзошли не только советские трактора, но и все существующие в мире аналоги. 
И даже John Derre уступил русскому богатырю. По тем технологиям, которые советские инженеры смогли реализовать в конструкции трактора, вся Европа и Америка уступила в этом первенстве СССР на 30 лет.
На выставке
На выставке, которая проходила в Германии, золотую медаль получил «К-700». Технические характеристики и уникальная конструкция поразили ее основателей. Затем, в 1969 году, этот же трактор стал одним из самых мощных во Франции, где проводилась салон-выставка техники для сельского хозяйства.
Популярность
Трактор «К-700», технические характеристики которого считались уникальными, не имеющими аналогов, быстро начал набирать популярность. И случилось это практически в один момент.
Прямиком с завода первую модель поставили на поля для прохождения тест-драйва. Машина превзошла все ожидания. Ее быстро поставили на поток.
В 1964 г. было построено 1200 машин, в 1966 – в три раза больше. Каждый год количество тракторов стремительно росло. В юбилейный, 1975, год производители выпустили 100-й экземпляр. Через пять лет выпустили уже стотысячную модель. В 1987 году производство добилось мирового рекорда. Так, за этот год было выпущено 23 003 машин.
В 1971 году свет увидела модификация популярного трактора. Это “K700 А”. Среди отличий от “K700” – технические характеристики на более высоком уровне и двигатель на 230 л. с. Также был изменен дизайн.
В начале 90-х эти машины работали на более чем 40% всех работ по сельскому хозяйству во всем СССР. Благодаря своим характеристикам техника эксплуатировалась каждый день в течение всего года без выходных и перерывов на обед. Использовали ее и для сева, и во время уборки, а также трактор нашел применение в качестве транспорта. Это надежная, неприхотливая, ремонтопригодная, эффективная машина, которая подготовлена для сложных условий.
Описание и технические характеристики тракторов «К-700»
Итак, он имел длину 7235 мм, ширина составляла 2530 мм, а высота машины – 325 мм.
Весил богатырь ровно 11 тонн. В качестве силового агрегата использовали 8-цилиндровый дизельный ЯМЗ с мощностью в 220 лошадей. В то время это было просто невероятно. Отзывы говорят, что этот мотор был одним из самых надежных для тракторов того времени. Отдельно можно было заказать установку предпускового обогрева.
Отзывы также отмечают, что в этой модели есть некоторые особенности. Это специальная “ломающаяся рама”. Она представляет собой две отдельных части, которые соединены друг с другом посредством шарниров. Это позволило приобрести машине некоторые преимущества, которые делали эффективней движение по пересеченной местности. Любые препятствия на пути “К700”, технические характеристики которого мы сейчас рассматриваем, преодолевались без каких либо нагрузок. Владельцы говорили, что если сравнить эту модель с любым другим трактором, «Кировец» имел самую высокую проходимость, а маневренность его была просто фантастической.
Двигатель
Восьмицилиндровый агрегат устанавливался на передней части машины на специальных амортизаторах. Опор для него было всего три. Установка отличалась сухой, комбинированной двухступенчатой системой очистки воздуха.
Топливная система включала в себя полный набор фильтров, ручной насос для подкачки топлива, насос высокого давления, форсунки и дополнительные топливные бачки.
Двигатель отличался собственной закрытой системой охлаждения. Она отличалась наличием компенсационного контура и принудительной циркуляцией ОЖ. Система предпускового подогрева существенно помогала. Отзывы говорят, что даже в 40-градусный мороз можно было без труда запустить «К-700 Кировец». Технические характеристики других машин не позволяли работать в большие морозы.
КПП
Трансмиссия позволяла оператору использовать 16 передач. Она могла работать в четырех режимах.

Так, одна передача – это один режим. Передачи переключались при помощи гидравлики, а вот переключение режимов работы работало по фрикционной технологии.
Навесное оборудование
Модель была укомплектована этой системой. Она была гидравлической, трехстоечной. Система могла нести на себе оборудование весом до 2 т. Тяговые характеристики трактора могли достигать более 5 тонн. Прицепное устройство выполнено в виде прицепной скобы. Благодаря тому, что технические характеристики «К700» позволяли легко адаптировать его к очень широкиму спектру сельхозтехники, область его использования была необычайно широкой. Например, на пахотных работах скорость его часто достигала 10 км/ч.
Комфорт и кабина
Конструкторы выделили много времени на создание комфортных условий работы для оператора.

Кабина была полностью герметичной, из цельного металла. Комплектовалась она отопителем и вентиляторами. Кресло было подрессорено. А установку навесного оборудования тракторист мог выполнять самостоятельно.
«К-700 Кировец» – технические характеристики
Вначале в качестве двигателя выбрали ЯМЗ-228НМ, мощность которого составляла 230 л. с. 
Бак для дизельного топлива позволял вместить 450 л. Модель могла набрать скорость до 33,8 км/ч при движении вперед. Скорость заднего хода составляла до 24,3 км/ч. Клиренс составил 440 мм. Норма расхода топлива – 266 г/кВт/ч.
Стоимость и аналоги
Приобрести его можно и сейчас. Так, нового уже не купить, а вот на рабочий трактор «К-700» стоимость, в зависимости от года выпуска, от 1,5 миллиона за машину до 2010 года, или до 900 тысяч за модель до 2000 года выпуска.
Итак, теперь мы знаем, какие имеет трактор «К-700» технические характеристики, двигатель. Цена, как видите, на него высока. Однако он стоит своих денег.
fb.ru
технические характеристики, устройство :: SYL.ru
К-700 — трактор повышенной проходимости и высокой мощности, заслуживший просто отличные отзывы механизаторов. Относится «Кировец» к пятому тягловому классу общего назначения и может применяться для выполнения самых разных сельскохозяйственных, строительных, дорожных и прочих работ.
Немного истории
Первый в СССР «Кировец» сошел с конвейера в июле 1962 года. Выпущен он был Ленинградским тракторным заводом. Первые К-700 имели мощность двигателя 220 л/с. Использовать их можно было в том числе и с широкозахватным навесным оборудованием. Отличные технические характеристики новой модели позволили увеличить производительность труда в 2.5-3 раза в сравнении с другими тракторами.

В последующие годы модель К-700 постоянно совершенствовалась. Было выпущено множество ее модификаций. Некоторые из них еще в прошлом веке начали поставляться даже за рубеж — в основном в Германию. Сегодня тракторы К-700 также пользуются популярностью не только у нас в стране, но и за границей. Ценят их потребители прежде всего за отличную проходимость, мощность и производительность.
Где может использоваться техника
Трактор К-700, фото которого представлены на странице, таким образом, имеет просто отличные технические характеристики. Востребованы такие модели сегодня во многих областях народного хозяйства. Очень часто эти тракторы используются, к примеру, фермерами. Широко востребована такая техника и в добывающей промышленности. Используются К-700 также и в строительстве или на лесозаготовках. Иногда эти машины закупают даже военные. В качестве тягача тракторы «Кировец» могут использоваться в том числе и на аэродромах или в портах.
Двигатель трактора
Сегодня «Кировцы» собираются с использованием только самых современных производительных и надежных комплектующих. Восьмицилиндровый двигатель трактора К-700 (ЯМЗ-238НД5) имеет мощность в 300 лошадиных сил. Удельный расход топлива этой техникой составляет 220 г/кВт/ч.
ЯМЗ-238НД5 — экономичный надежный агрегат с непосредственным впрыском топлива, очень простой в эксплуатации и обслуживании. К его плюсам, помимо всего прочего, относят и высокую ремонтопригодность. Устранить возникшие с двигателем неполадки может даже неквалифицированный работник.

От моделей ЯМЗ-238М2 предыдущего поколения ЯМЗ-238НД5 отличается наличием турбонаддува. Основные технические характеристики этого двигателя представлены в таблице ниже.
Характеристика | Параметр |
Мощность | 300 л/с |
Количество цилиндров | 8 (расположены в виде V) |
Рабочий объем цилиндров | 14.86 л |
Частота вращения | 1900 об/мин |
Масса | 1145 кг |
Другие комплектации
Также на трактор «Кировец» К-700 могут устанавливаться неплохие двигатели ЯМЗ-240Б и ЯМЗ-238НБ. Первая разновидность оборудования имеет мощность 300 л/с при 1900 об./мин. Характеристики ЯМЗ-238НБ составляют 230 л/с и 1700 об./мин. соответственно.
Навесное оборудование
Поскольку К-700 — трактор высокой мощности, использоваться он может на самых разных видах работ. Агрегатирование со всевозможным навесным оборудованием у этой модели производится через особую раздельную гидравлическую систему с трехточечным крепежом. По словам фермеров, устройство это на самом деле очень удобное. Благодаря его наличию появляется возможность работать с внушительным списком всевозможного съемного оборудования.
Колеса трактора «Кировец»
Используется техника К-700 зачастую даже на самых проблемных участках местности. Возможным это стало благодаря очень удачной конструкции колес трактора. Протектор покрышек последних имеет специальную агрессивную форму и к тому же очень большую глубину. При необходимости на трактор «Кировец» может быть установлен и комплект для сдваивания колес. Такая конструкция еще больше улучшает проходимость техники. Все колеса «Кировца» являются ведущими.

Устройство трактора К-700: особенности
Муфта сцепления в технике «Кировец» не предусмотрена. Вместо нее используется педаль слива. В КПП модели установлены прямозубые шестерни. Такая конструкция коробки позволяет работать со скоростями без потери мощности. Переключаются передачи в данном случае за счет закрытия и открытия золотника гидросистемы. Этот конструктивный элемент предназначен для регуляции потока масла.
Одной из основных особенностей конструкции К-700 является и уникальная система поворота. Представляет она собой две полурамы, соединенные специальным шарнирным механизмом. Благодаря наличию такой системы «Кировец» может разворачиваться, практически не изменяя положения передних колес.
Кабина трактора
Современные модели К-700 отличаются не только высокой производительностью и мощностью. В работе они не менее удобны, чем импортные аналоги. Кабина такого трактора оснащена системами вентиляции и отопления. Помимо этого, в ней предусмотрены шумо- и теплоизоляция. Состоит она целиком из стальных листов, сваренных друг с другом. В передней стенке кабины расположены три окна. Радиаторы вентиляции и отопления монтируются в специальной нише. Для удобства подъема механизатора снаружи кабины предусмотрены ступеньки с поручнями.

Трактор К-700: технические характеристики
Конструкцию «Кировец», таким образом, имеет очень продуманную. Свою популярность эта техника заслужила, конечно же, прежде всего благодаря ее отличным техническим характеристикам. Работать такие тракторы могут на скорости от 3 до 34 км/ч (передняя) или от 5 до 24.5 км/ч (задняя передача). При этом радиус поворота трактора составляет 7200 мм. Максимальная ширина колеи этой техники — 2115 мм. Эксплуатационная масса трактора — 12.8 т. Расход топлива модели составляет 12-15 литров.
Дополнительное оборудование
Очень часто тракторы К-700 используются на землеройных и дорожно-строительных работах. В этом случае на них, помимо реверсивного управления, устанавливается комплект узлов вала отбора мощности. Этот вид дополнительного оборудования предназначен для обеспечения возможности эксплуатации одновременно с машинами, имеющими активные рабочие органы.
Модификации
К-700 — трактор, являющийся базовой моделью. На его основе было разработано и введено в эксплуатацию несколько производительных модификаций:
К-702 — это усовершенствованная техника, используемая в качестве энергетического средства для скреперов, катков, бульдозеров, погрузчиков. Эта модель оснащена модернизированной системой агрегатирования и жесткой подвеской. Трансмиссия в ней применяется только гидромеханическая.

К-703 — это промышленная модель трактора. На ней используется реверсивный пост управления. Его наличие делает работу на тракторе для механизатора более удобной (техника может двигаться передним и задним ходом).
Описанные выше модификации достаточно производительны и популярны. Однако наиболее востребованными на рынке сегодня являются тракторы линейки К-744. Мощность двигателей таких модификаций может доходить до 428 л/с. Прицепной механизм на этих тракторах установлен маятниковый. В кабине моделей К-744 предусмотрено еще одно дополнительное место для помощника.

Преимущества и недостатки «Кировцев»
Характеристика трактора К-700, данная выше, позволяет судить о нем как о технике очень производительной и мощной. К достоинствам моделей «Кировец» механизаторы относят прежде всего их высокую производительность при относительно низком расходе топлива. Также плюсом этой техники считается ее абсолютная ремонтопригодность. Еще одним безусловным достоинством трактора «Кировец» является его повышенная проходимость. Привод 4 х 4 и огромные колеса позволяют с/х-машине преодолевать практически любые препятствия. Популярностью К-700 пользуется также и за неприхотливость в отношении топлива.
К-700 — трактор, который помимо массы достоинств имеет и определенные недостатки. К таковым механизаторы относят в первую очередь его шумную работу. На полях, при строительстве, в коммунальном хозяйстве часто используются очень старые модели К-700, выпущенные еще в советские времена. Конечно же, такие тракторы довольно часто ломаются. К тому же они оснащены не слишком удобной для работы кабиной.

Особенности эксплуатации
При работе на тракторе К-700 машинисту, конечно же, приходится соблюдать определенные правила. Так, к примеру, температура масла и охлаждающей жидкости должна поддерживаться в пределах 80-100 оС. Также нельзя допускать того, чтобы дизель работал при минимальной частоте вращения коленвала на холостом ходу более 15 минут. Давление масла в главной магистрали при прогретом двигателе должно держаться в пределах 0.4-0.7 МПа.
www.syl.ru

Добавить комментарий