Warman 28 24: Новое поколение насосов для обогатительных производств
Новое поколение насосов для обогатительных производств
Насосное оборудование — одно из наиболее распространённых на предприятиях различного профиля в большинстве отраслей промышленности. История насосного оборудования очень длинная и многогранная. Насосов бесчисленное множество, существует огромное количество их модификаций, видов и принципов действия. Однако всегда остаётся место творчеству и усовершенствованиям. Так было и с самыми мощными насосами в горнообогатительном производстве.
В советское время оборудование для перекачки хвостов обогатительных фабрик в основном было представлено насосами типа 2ГрТ 8000/71 и 1ГрТ 4000/71. Это оборудование было очень энергоёмким, малоэффективным и по соотношению перекачиваемых объёмов хвостов к наработке проточной части весьма непродуктивным (приходилось очень часто проводить его замену с большими трудозатратами, многими часами простоя и, соответственно, низким коэффициентом использования оборудования КИО).
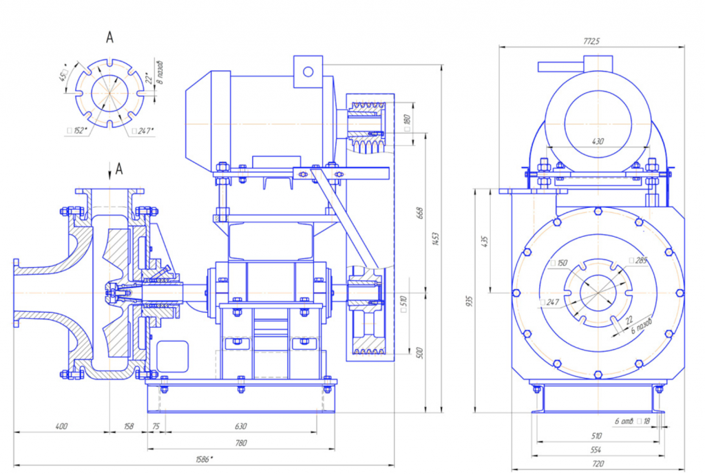
ООО «ПГМК», член Союза Машиностроителей России, освоило выпуск высокопроизводительного насоса МШ ПГМК 13500/85 благодаря ряду существенных ноу-хау, которые защищены несколькими патентами.
Отправной точкой был постулат: модернизация насосного агрегата должна быть связана с минимальным количеством переделок в существующей схеме работы оборудования, строительно-монтажных и конструкторских работ. Производителю удалось создать новый насос, сохранив неизменными габариты прежнего корпуса. Изменения коснулись наружного корпуса, особенно в части придания ему дополнительной прочности и надежности.
Основные изменения были внесены в конструкцию проточной части насоса и коснулись всех без исключения элементов:
• колеса рабочего;
• корпуса внутреннего;
• бронедиска.
Эволюция изменений длилась в течение значительного времени и пришлась на самые сложные в экономическом отношении времена. Надеяться на помощь научного сообщества не приходилось. Изменения внедрялись по наитию и исходя из технической целесообразности. Медленно, но верно новшества в конструкции насоса приводили к улучшению его характеристик. Благодаря чему существенно возросли характеристики насосного оборудования на АО «ССГПО» (Казахстан).
Динамика изменений хорошо видна на представленных графиках изменения основных показателей цеха хвостового хозяйства (График 1).
График 1. Изменения основных показателей цеха хвостового хозяйстваВнедрение модернизированного землесоса позволило:
• вывести из эксплуатации ПНС второго подъёма и отказаться от строительства ПНС четвёртого подъёма, то есть перейти на работу в два подъёма вместо четырёх;
• обеспечить подачу пульпы во второй отсек до отметки 215 м и транспортирование гидросмеси в третий отсек хвостохранилища;
• снизить расход воды на гидроуплотнение в 2-3 раза;
• увеличить межремонтный срок работы землесосов и снизить расход запасных частей в два раза.
Результаты внедрения нового насоса доказали эффективность созданного агрегата. Так, один из комплектов проточной части, поставленный на ЧАО «Ингулецкий ГОК» (Украина), отработал 12 000 часов при производительности до 12 000 м3 и напоре 85 м.
Наиболее наглядным примером эффективности нового насоса является его работа на АО «Апатит»*.
Очное соревнование с мощнейшим импортным насосом Warman 28/24 показало, что даже некомплектный насос, представленный только проточной частью и со значительно усечённым диаметром рабочего колеса (что снизило производительность и напор на 15-20%), по своим характеристикам не уступил насосу Warman (Таблица 1).
Производитель уверен, что находится на верном пути. Это подтверждает тот факт, что корпорация ERG в 2020 году купила два комплектных агрегата МШ ПГМК 13500/85 с целью повышения эффективности работы хвостового хозяйства АО «ССГПО». В настоящее время несколько предприятий, в том числе и зарубежных, рассматривают возможность использования насоса МШ ПГМК.
Работа по улучшению характеристик насоса продолжается и в настоящее время.
Производитель разрабатывает совершенно новый наружный корпус, который отличается от базового наличием вертикального разъёма. Это позволит значительно снизить затраты на монтаж-демонтаж проточной части насоса, а также упростить и существенно улучшить уплотнение приводного вала электродвигателя.
Следующим этапом является использование идей, заложенных в модернизированном насосе большой мощности и производительности (МШ ПГМК), в производстве номенклатуры прочих насосов.
Специалисты ООО «ПГМК» выражают надежду на возрождение институтов поддержки, в том числе и государственной, ведь созданное российской компанией решение попадает под все декларируемые Правительством РФ программы: импортозамещение, экология, энергосбережение и пр.
*Документы, подтверждающие описанные в статье результаты,
имеются в распоряжении редакции.
С 2016 года «ПГМК» активно взаимодействует с «Фондом содействия инновациям» Бортникова. За это время предприятие выиграло 2 гранта по направлению «Коммерциализация».
На правах рекламы
ООО «ПГМК»
pgmk-karelia.com
E-mail: [email protected]
+7 (8142) 77-44-07
Россия, Республика Карелия,
г. Петрозаводск, ул. Зайцева, д. 65
Насосное оборудование Warman
Warman — один из ведущих брендов концерна Weir Minerals, который является крупным поставщиком технологий и услуг для горнодобывающей промышленности по всему миру.
Центробежные насосы Warman созданы специально для работы в тяжелых условиях эксплуатации, высокого износа оборудования и вот уже более 80 лет уверенно справляются с перекачкой шлама и другими задачами. В линейке бренда представлены преимущественно шламовые насосы.
Шламовые насосы Warman — для сложных задач
Центробежный насос — самый распространенный тип шламовых насосов. Он использует центробежную силу, создаваемую вращающимся рабочим колесом, для передачи энергии шламу таким же образом, как это делают и центробежные насосы для чистых жидкостей. Ключевым элементом является рабочее колесо, состоящее из двух дисков (закрытого типа). Между дисками расположены лопасти. При вращении рабочее колесо создает отрицательное давление в своей центральной части, что приводит к всасыванию перекачиваемой среды. Гидравлическая жидкость поступает во входной трубопровод и подается на рабочее колесо, где каждая частица шлама подвергается воздействию центробежных сил, которые выталкивают шлам в напорный трубопровод.
Однако на этом сходство заканчивается. Конструктивные решения при проектировании шламовых насосов весьма специфичны и определяются большим количеством твердых частиц в обрабатываемой среде и их абразивным воздействием на детали насоса. Например, самый большой шламовый насос Warman может перекачивать частицы размером до 450 мм. Успешное перемещение крупных абразивных частиц, таких как камни и галька, поступающих в насос с грунтом, происходит за счет увеличения внутреннего сечения. Однако увеличение поперечного сечения снижает скорость и делает насос тихоходным, что требует больших размеров и веса. Для беспрепятственного перемещения крупных частиц количество лопастей рабочего колеса должно быть от двух до четырех, а ширина рабочего колеса должна быть больше, чем у стандартных центробежных агрегатов.
Также необходимо использовать специальные материалы, чтобы насосы могли выдерживать внутренний износ, вызванный твердыми частицами. Имеет значение и тип используемого уплотнения вала.
Все эти особенности помогают противостоять износу, вызываемому абразивным, эрозионным и часто коррозионным воздействием на материалы.
От добычи до строительства. Применение насосов Warman
Шламовые насосы широко используются на обогатительных участках горнодобывающей промышленности, когда на большинстве предприятий применяются системы мокрого обогащения, где обычно требуется перемещение больших объемов шлама в течение всего процесса. Шламовые насосы также широко используются для удаления золы на тепловых электростанциях. Среди других областей применения шламовых насосов — производство удобрений, рекультивация земель, добыча полезных ископаемых, транспортировка угля и минералов.
Центробежные шламовые насосы Warman применяются в горнодобывающей, нефтеперерабатывающей промышленности, энергетическом секторе, химической и строительной отраслях. Оборудование «Варман» позволяет перекачивать не только различные виды шлама, но и другие абразивные продукты, жидкие промышленные отходы, нефтеносные пески, некоторые кислоты, калийные соли, известково-песчаный цементный раствор.
Шламовые насосы можно использовать для разгрузки мельниц, осушения шахт.
Более 40 моделей под любой запрос
Линейка Warman представлена различными типами насосного оборудования и большим выбором моделей, так что вы сможете подобрать агрегат под нужды вашего производства.
Продукция «Варман» включает следующие типы насосов:
- горизонтальные — для сверхтяжелых условий эксплуатации, т. е. при разгрузке мельниц, в технологических установках, трубопроводах высокого давления, для перекачки хвостов;
- вертикальные — для отраслей, которые занимаются обогащением полезных ископаемых и угля, химической обработкой, перекачкой песчано-гравийных смесей, для использования в карьерах и скважинах;
- погружные — в системах обезвоживания шахт, для перекачки шлама, улавливания летучей золы в отстойниках;
- горизонтальные водоотливные — в качестве дренажных насосов, для разгрузки мельниц и откачки хвостов обогащения под низким давлением.

Кроме того, под этим брендом выпускаются осевые проточные насосы, которые используются в том числе в атомной энергетике. Насосы Warman серии Q обеспечивают непрерывную циркуляцию жидкостей и находят применение в различных отраслях, включая соляную и калийную, химическую, целлюлозно-бумажную, горнодобывающую, водоочистную и пищевую промышленность.
Технические характеристики насосов Warman
Каждый тип насосов Warman представлен большим количеством моделей, например, только горизонтальных центробежных агрегатов насчитывается более 30 вариантов. Каждая модель предназначена для определенных целей, и такое разнообразие позволяет максимально точно подобрать оборудование под ваши нужды. Выяснить, какой именно насос нужен для ваших задач, поможет консультация с нашими инженерами.
А сейчас вы можете ознакомиться с характеристиками некоторых наиболее востребованных у пользователей моделей насосов.
Модель | Тип насоса | Макс. | Макс. температура | Производительность | Размер на линии нагнетания | Материал корпуса |
AH | Горизонтальный | 20,6 бар | +100 0С | 5 000 м3/ч | 25–450 мм | Высокохромистый чугун, синтетический и натуральный каучук, полиуретан, коррозионностойкие сплавы |
WBH | Горизонтальный | 20,6 бар | +100 0С | 3 000 м3/ч | 25–300 мм | Высокохромистый чугун, синтетический и натуральный каучук, полиуретан, коррозионностойкие сплавы |
XU | Горизонтальный | 10,3 бар | +100 0С | 2 275 м | 75–300 | Эрозионностойкие металлические сплавы |
WBV | Вертикальный | 7,4 бар | +100 0С | 1 000 м3/ч | 40–150 мм | Высокохромистый чугун, коррозионностойкие сплавы |
SP/SPR | Вертикальный | 7,4 бар | +100 0С | 1 000 м3/ч | 40–300 мм | Высокохромистый чугун, синтетический и натуральный каучук, коррозионностойкие сплавы |
SHW | Погружной | 12 бар | +80 0С | 2 275 м3/ч | 50–400 мм | Высокохромистый чугун |
Серия Q | Осевой проточный | 69 бар | +200 0С | 70 000 м3/ч | 700-2000 мм | Чугун, углеродистая сталь, дуплексные сплавы, нержавеющая сталь марки 6Mo, никелевые сплавы, молибденовые сплавы, титан |
Вам нужен горизонтальный центробежный шламовый насос, способный работать в условиях агрессивного износа в мельничных системах? С этой задачей отлично справится серия MCR.
А может, вы ищете пенный насос для откачки особенно плотных шламов? Обратите внимание на горизонтальные модели AHF, MF или LF.
Если вам нужен высоконапорный горизонтальный шламовый насос или агрегат, подходящий для универсального использования: от десульфуризации дымовых газов до выемки грунта из месторождения, — то снова придет на выручку центробежный шламовый насос Warman.
Выбирая оборудование Warman, вы получаете не просто насос, готовый к тяжелым условиям эксплуатации, но и целый комплекс преимуществ: увеличенный срок службы и минимальное время на техническое обслуживание, высокую производительность и низкие траты на поддержание работоспособности агрегатов.
ВНИМАНИЕ!!! В СВЯЗИ СО СЛОЖНОСТЯМИ ПОСТАВОК ДАННОГО ОБОРУДОВАНИЯ ИЗ ГЕРМАНИИ В НАСТОЯЩЕЕ ВРЕМЯ ПРЕДЛАГАЕМ ВЗАИМОЗАМЕНЯЕМЫЕ ТОЧНЫЕ КОПИИ.
Always Warman
80 лет самых лучших
В 1938 году Чарльзу Уорману пришла в голову идея, которая произвела революцию в горнодобывающей промышленности.
Как только насосы Warman появились на сцене, они стали лучшим, что можно было купить.
В течение 80 лет насосы Warman ® распространялись по всему миру, руководствуясь стремлением постоянно внедрять инновации. Во всем мире Warman известен как самый лучший.
Присоединяйтесь к нам, чтобы отметить 80-летие Warman ® .
Всегда инновации
Прошлое, настоящее и будущее насоса Warman®
Прошло 80 лет с тех пор, как Чарльз Уорман изобрел культовый шламовый насос Warman®, насос, который произвел революцию в горнодобывающей промышленности и продолжает продвигать границы производительности насоса по сей день.
Подробнее
Инновационный насос Warman®: как технология материалов расширяет границы возможного
Присоединяйтесь к нашим экспертам, которые расскажут, как технология материалов повлияла на насос Warman® за последние 80 лет и как мы продолжаем расширять возможности сегодня.
Подробнее
Преобразование насосов Warman® с помощью технологии Synertrex®
Узнайте, как меняется разработка насосов Warman®, благодаря анализу в режиме реального времени, который предоставляет платформа IIoT Synertrex®.
Подробнее
Насос с длительным сроком службы
Насос Warman® AH® работает в экстремальных российских условиях
В рамках празднования 80-летия Warman® мы представляем вам первую серию насосов, пользующихся большой популярностью во всем мире. Начнем с насоса Warman®, который более десяти лет работал в экстремальных условиях на российском алмазообрабатывающем заводе.
Читать далее
Насос Warman® AH® верно служит в течение 40 лет в Германии
Второй из нашей серии «Насос с длительным сроком службы» приводит нас к насосу Warman® AH® в Германии, который прослужил более 4 десятилетий. Эта невероятная долговечность и надежность являются свидетельством долговременной работы нашего легендарного насоса Warman®.
Читать далее
Warman® Type P становится все сильнее и сильнее после 3 десятилетий работы в Южной Африке
Третий из нашей серии «Насос с длительным сроком службы» рассказывает о насосе Warman® Type P в Южной Африке, который уже находится в эксплуатации. около трех десятков лет. 80 лет результатов нашего культового насоса Warman® говорят сами за себя.
Подробнее
Насос Warman® AH® по-прежнему работает в Мавритании спустя 12 лет
Путешествуйте с нами в Мавританию в четвертом блоге из нашей серии «Насос с длительным сроком службы», где мы узнаем о насосе Warman® AH®, который служил непрерывно в медном руднике в течение последних 12 лет.
Подробнее
Насос Warman® 28/24 UK-G по-прежнему волнует Австралию 15 лет спустя
Финал нашей серии «Долговременные насосы» перенесет нас в Западную Австралию, где насос Warman® процветал при дноуглубительных работах применение в течение последних 15 лет, и даже сделал эпизодическую роль на телевидении! Присоединяйтесь к нам, пока мы погружаемся глубоко, чтобы узнать, как исключительная долговечность и надежность этого насоса обеспечивают его непрерывную работу в течение более десяти лет, несмотря на его агрессивное подводное применение.
Подробнее
Поколение экспертов, стоящее за насосом Warman®
Энтони Грзина
Энтони Грзина пришел в Warman в качестве инженера-механика в 1958 г. и работал в компании до выхода на пенсию в 2000 г. Он с гордостью рассказывает, что это было. например, работа с основателем Чарли Уорманом, эволюция помпы и его роль в создании легендарного оборудования, которым она является сегодня.
Читать далее
Koichi Yajima
Знаете ли вы, что первая международная экспансия насоса Warman® была осуществлена в Японию? Познакомьтесь с Коити Ядзимой, который более 40 лет работал инженером по насосам у нашего первого дистрибьютора в Японии. Он рассказывает, как именно дружба привела к этой исторической международной экспансии почти 60 лет назад.
Читать далее
John Otten
«В Южной Африке насос Warman® был нарицательным и просто продавался… тогда как в Германии люди спрашивали: «Что это?» Джон Оттен размышляет о 43-летнем опыте работы.
новаторство в области насосов Warman® на трех континентах и удовлетворение, которое он получает от наставничества инженеров следующего поколения.
Подробнее
Сауло Пинейро
После того, как он начал свою карьеру в аспирантуре Warman International в 1996, Сауло по-прежнему гордится тем, что работает с насосом Warman® 22 года спустя. Он рассказывает о том, как насос Warman® вышел на рынок Бразилии и почему огромные насосы Warman® MCR® 750 так популярны в Южной Америке.
Подробнее
80 лет Warman® timeline
Инновации с 1938 года
Живая музыка с семейным трио Warman | 28.11.2022
1 ноября с 12:00 до 15:00
Монровилль играет в Black Bear Village
ЖИВАЯ МУЗЫКА С MONROEVILLE В BLACK BEAR VILLAGE MONROEVILLE @ Black Bear Village: присоединяйтесь к нам в Black Bear Village сегодня днем, чтобы насладиться любимой местной группой Гатлинбурга, Monroeville! Монровиль назван в честь Билла Монро, «отца мятлика».
Введен в Зал славы рок-н-ролла в 1997 году. Г-н Монро был признан новатором и оказал влияние на многих рок-исполнителей. Монровилль вдохновлен сделать то же самое. «Я был полон решимости создавать собственную музыку, я не хотел никого копировать». – Билл Монро Одним голосом и старой гитарой Шон Эбботт может преобразить комнату. Его корни глубоко уходят в настоящую, старомодную страну: Хэнк Уильямс-младший, Уэйлон Дженнингс и Джордж Стрейт. В юном возрасте он точно знал, чем хочет заниматься в жизни, и начал играть на фортепиано. Эбботт не остановился на достигнутом; Далее он научился играть на гитаре, басу, банджо, мандолине и барабанах, одновременно сочиняя свои собственные песни. Все любят живую музыку с Monroeville! Живая музыка на горе БЕСПЛАТНА при покупке общего билета. Все события зависят от погоды
Узнать больше
2 ноября с 12:00 до 15:00
Liquid Velvet играет в Black Bear Village
ЖИВАЯ МУЗЫКА С ДУЭТОМ LIQUID VELVET В BLACK BEAR VILLAGE Дуэт Liquid Velvet состоит из двух очень талантливых артистов, Стива и Бретта, которым нравится играть на акустике, и оба имеют впечатляющий опыт, делят сцены с известными именами, включая Блейк Шелтон, Тоби Кит, Тейлор Свифт и Триша Йервуд — это лишь некоторые из них.
Узнать больше
3 ноября с 12:00 до 15:00
Monroeville играет в Black Bear Village
ЖИВАЯ МУЗЫКА С MONROEVILLE В BLACK BEAR VILLAGE MONROEVILLE @ Black Bear Village: присоединяйтесь к нам в Black Bear Village сегодня днем, чтобы насладиться любимой местной группой Гатлинбурга, Monroeville! Монровиль назван в честь Билла Монро, «отца мятлика». Введен в Зал славы рок-н-ролла в 1997 году. Г-н Монро был признан новатором и оказал влияние на многих рок-исполнителей. Монровилль вдохновлен сделать то же самое. «Я был полон решимости создавать собственную музыку, я не хотел никого копировать». – Билл Монро Одним голосом и старой гитарой Шон Эбботт может преобразить комнату.
Его корни глубоко уходят в настоящую, старомодную страну: Хэнк Уильямс-младший, Уэйлон Дженнингс и Джордж Стрейт. В юном возрасте он точно знал, чем хочет заниматься в жизни, и начал играть на фортепиано. Эбботт не остановился на достигнутом; Далее он научился играть на гитаре, басу, банджо, мандолине и барабанах, одновременно сочиняя свои собственные песни. Все любят живую музыку с Monroeville! Живая музыка на горе БЕСПЛАТНА при покупке общего билета. Все события зависят от погоды
Узнать больше
4 ноября с 12:00 до 15:00
Живая музыка с группой Kincaid Band в Анакесте
ЖИВАЯ МУЗЫКА С ГРУППУ KINCAID В ANAKEESTA KINCAID BAND @ Black Bear Village — это рок-группа из пяти человек из Ноксвилля, штат Теннесси, которая последние несколько лет играет на юго-востоке Кентукки, в восточном Теннесси. и Северной Грузии. Все участники родом из местных жителей и в прошлом выступали на одной сцене с такими популярными группами, как The Johnny van Zant Band (теперь солист Lynyrd Skynyrd), Quiet Riot, Georgia Satellites, The Guess Who, Molly Hatchett, Пэт Бун, Sex Pistols, Confederate Railroad, Blackfoot, Kentucky Headhunters, Ricochet и многие другие коллективы, которых трудно назвать.


давление
Добавить комментарий