Тяговый асинхронный двигатель троллейбуса: Электродвигатели тяговые асинхронные для приведения в движение троллейбуса серии ДТА
СПЕЦИАЛЬНЫЕ ЭЛЕКТРОДВИГАТЕЛИ ПОДВИЖНОГО СОСТАВА ГОРОДСКОГО ЭЛЕКТРОТРАНСПОРТА
|
Тяговые асинхронные электродвигатели линейки ДТА
Главная » Электрооборудование троллейбусов
Опубликовано:
Содержание
- Тяговый двигатель ДТА-2У1 (ТАД-3М)
- Внещний вид
- Габаритный чертеж
- Технические характеристики двигателя
- Тяговый двигатель ДТА-5У1
- Габаритный чертеж
- Технические характеристики двигателя
- Тяговый двигатель ДТА-6У1
- Габаритный чертеж
- Технические характеристики двигателя
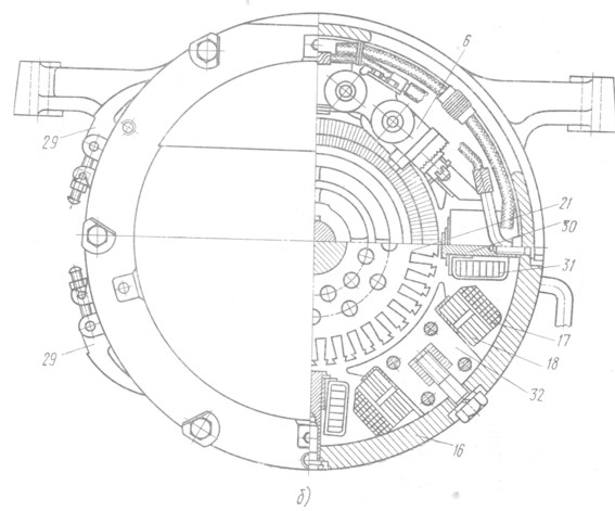
Тяговый двигатель ДТА-2У1 (ТАД-3М)
Внещний вид
Габаритный чертеж
Технические характеристики двигателя
| Тип | ДТА-2У1 ТУ 16-2007 ЕИАЦ.525523.003 |
| Номинальная мощность, кВт | 180 |
| Номинальное линейное напряжение (звезда), В | 407 |
| Номинальный линейный ток, А | 305 |
| Частота питания, Гц | 50 |
| Частота вращения синхронная номинальная, об/мин | 1500 |
| Частота вращения синхронная максимальная, об/мин | 4000 |
| Номинальный момент на валу, Нм | 780 |
| Коэффициент мощности | 0,9 |
| КПД, % | 93 |
| Средний уровень звука при номинальной частоте вращения, дБА, класс2 | 84 |
| Максимальное среднее квадратичное значение виброскорости по ГОСТ 20815-93 при номинальной частоте вращения, мм/с | 2,8 |
| Степень защиты по ГОСТ 17494-87 | IP54 |
| Климатическое исполнение и категория размещения по ГОСТ 15150-69 | У1 |
| Класс изоляции по ГОСТ 8865-93 | «H» |
| Число фаз обмотки статора | 3 |
| Схема соединений фаз обмотки | Звезда |
| Скольжение, % | 1,5 |
| Режим работы по ГОСТ 183-74 | S2 (60 мин) |
| Конструктивное исполнение по ГОСТ 2479 | 1М1 103 |
| Масса, кг | 780 |
Тяговый двигатель ДТА-5У1 | ||||||||||||||||||||||||||||||||||||||||||
|---|---|---|---|---|---|---|---|---|---|---|---|---|---|---|---|---|---|---|---|---|---|---|---|---|---|---|---|---|---|---|---|---|---|---|---|---|---|---|---|---|---|---|
Габаритный чертежТехнические характеристики двигателя
|
Тяговый двигатель ДТА-6У1 | ||||||||||||||||||||||||||||||||||||||||||
|---|---|---|---|---|---|---|---|---|---|---|---|---|---|---|---|---|---|---|---|---|---|---|---|---|---|---|---|---|---|---|---|---|---|---|---|---|---|---|---|---|---|---|
Габаритный чертежТехнические характеристики двигателя
|
Как вам статья?
Рейтинг
( Пока оценок нет )
Seite wurde nicht gefunden.
– TSA Seite wurde nicht gefunden. – АСППерейти к содержимому
Страница Facebook открывается в новом окне Страница Instagram открывается в новом окне Страница Linkedin открывается в новом окне Страница YouTube открывается в новом окне
Перейти к началуМы используем файлы cookie на нашем веб-сайте. Некоторые из них необходимы, в то время как другие помогают нам улучшить этот веб-сайт и ваш опыт. Мы используем файлы cookie и другие технологии на нашем веб-сайте. Некоторые из них необходимы, в то время как другие помогают нам улучшить этот веб-сайт и ваш опыт. Для получения дополнительной информации о том, как мы используем ваши данные, ознакомьтесь с нашей Политикой конфиденциальности.
Настройки конфиденциальности- Эссензиэль
Статистика- Маркетинг
- Экстерн Медиен
Принять все
Сохранять
Индивидуальные настройки конфиденциальности
Информация о файлах cookie
Настройки конфиденциальности
Мы используем файлы cookie и другие технологии на нашем веб-сайте.
Принять все Сохранять
Настройки конфиденциальности Эссензиэль (1) Essenzielle Cookies ermöglichen grundlegende Funktionen und sind für die einwandfreie Funktion der Website erforderlich.
Показать информацию о файлах cookie Скрыть информацию о файлах cookie
| Имя | Печенье Борлабс |
|---|---|
| Провайдер | Eigentümer dieser Веб-сайт |
| Назначение | Speichert die Einstellungen der Besucher, die in der Cookie Box от Borlabs Cookie ausgewählt wurden.![]() |
| Имя файла cookie | borlabs-cookie |
| Время выполнения файлов cookie | 1 Яр |
Статистика (2)
Статистика
Statistik Cookies erfassen Informationen anonymen. Diese Informationen helfen uns zu verstehen, wie unsere Besucher unsere Website nutzen.
Показать информацию о файлах cookie Скрыть информацию о файлах cookie
| Принять | Гугл Аналитика |
|---|---|
| Имя | Гугл Аналитика |
| Провайдер | Google Ireland Limited, Gordon House, Barrow Street, Dublin 4, Ирландия |
| Назначение | Файл cookie Google для анализа веб-сайтов. Erzeugt statistische Daten darüber, wie der Besucher die Website nutzt. |
| Политика конфиденциальности | https://policies.google.com/privacy?hl=de |
| Имя файла cookie | _ga,_gat,_gid |
| Время выполнения файлов cookie | 2 года |
| Принять | Полиланг |
|---|---|
| Имя | Полиланг |
| Провайдер | ца. ат |
| Назначение | Speichert die aktuelle Sprache. |
| Имя файла cookie | pll_language |
| Время выполнения файлов cookie | 1 Яр |
Маркетинг (1)
Маркетинг
Маркетинговые куки-файлы являются доверенными и персонализированными.
Sie tun dies, indem sie Besucher über Websites hinweg verfolgen.
Показать информацию о файлах cookie Скрыть информацию о файлах cookie
| Принять | Пиксель Facebook |
|---|---|
| Имя | Пиксель Facebook |
| Провайдер | Meta Platforms Ireland Limited, 4 Grand Canal Square, Dublin 2, Ирландия |
| Назначение | Cookie для Facebook, для анализа веб-сайтов, таргетинга на рекламу и сообщения о сообщениях, передаваемых через сеть.![]() |
| Политика конфиденциальности | https://www.facebook.com/policies/cookies |
| Имя файла cookie | _fbp,act,c_user,datr,fr,m_pixel_ration,pl,presence,sb,spin,wd,xs |
| Время выполнения файлов cookie | Сицунг / 1 Яр |
Экстерн Медиен (4)
Экстерн Медиен
Inhalte von Videoplattformen und Social-Media-Plattformen werden standardmäßig blockiert.
Wenn Cookies von externen Medien akzeptiert werden, bedarf der Zugriff auf diese Inhalte keiner manuellen Einwilligung mehr.
Показать информацию о файлах cookie Скрыть информацию о файлах cookie
| Принять | Фейсбук |
|---|---|
| Имя | Фейсбук |
| Провайдер | Meta Platforms Ireland Limited, 4 Grand Canal Square, Dublin 2, Ирландия |
| Назначение | Wird verwendet, um Facebook-Inhalte zu entsperren.![]() |
| Политика конфиденциальности | https://www.facebook.com/privacy/explanation |
| Хост(ы) | .facebook.com |
| Принять | Карты Гугл |
|---|---|
| Имя | Карты Гугл |
| Провайдер | Google Ireland Limited, Gordon House, Barrow Street, Dublin 4, Ирландия |
| Назначение | Wird zum Entsperren от Google Maps-Inhalten verwendet.![]() |
| Политика конфиденциальности | https://policies.google.com/privacy |
| Хост(ы) | .google.com |
| Имя файла cookie | НИД |
| Время выполнения файлов cookie | 6 Монат |
| Принять | Инстаграм |
|---|---|
| Имя | Инстаграм |
| Провайдер | Meta Platforms Ireland Limited, 4 Grand Canal Square, Dublin 2, Ирландия |
| Назначение | Wird verwendet, um Instagram-Inhalte zu entsperren.![]() |
| Политика конфиденциальности | https://www.instagram.com/legal/privacy/ |
| Хост(ы) | .instagram.com |
| Имя файла cookie | голубь_состояние |
| Время выполнения файлов cookie | Сицунг |
| Принять | YouTube |
|---|---|
| Имя | YouTube |
| Провайдер | Google Ireland Limited, Gordon House, Barrow Street, Dublin 4, Ирландия |
| Назначение | Wird verwendet, um YouTube-Inhalte zu entsperren.![]() |
| Политика конфиденциальности | https://policies.google.com/privacy |
| Хост(ы) | google.com |
| Имя файла cookie | НИД |
| Время выполнения файлов cookie | 6 Монат |
на базе Borlabs Cookie
[PDF] Моделирование асинхронного привода троллейбусной тяги с суперконденсаторной системой накопления энергии
- DOI:10.
2478/v10047-010-0023-0 - Идентификатор корпуса: 110065646
title={Моделирование индукционного привода троллейбусной тяги с суперконденсаторной системой накопления энергии},
автор={В. Бразис и Л. Латковскис и Линардс Григанс},
год = {2010}
} - В. Бразис, Л. Латковскис, Л. Григанс
- Опубликовано в 2010 г.
- Машиностроение
Моделирование тягового индукционного привода троллейбуса с суперконденсаторной системой накопления энергии троллейбусов типа за счет установки бортовой суперконденсаторной системы накопления энергии (СЭН) и улучшения ее характеристик с автоматическим переходом в режим автономной тяги. Предлагается система управления СЭ с постоянным напряжением на шине постоянного тока в режиме заряда суперконденсатора и током суперконденсатора…
Просмотр через Publisher
content.sciendo.com
Виртуальное энергетическое моделирование испытательного стенда асинхронного тягового привода
- Ģ.
Станя, П. Апсе-Апситис, В. Бразис Инженерное дело
2014 2-й семинар IEEE по достижениям в области информатики, электроники и электротехники (AIEEE)
- 2014
электротранспорта в режимах тяги, свободного хода и торможения, на котором планируется исследовать работу привода…
Модернизация троллейбусной сети в Тыхы как пример экологически эффективной инициативы по созданию устойчивой транспортной системы
Устойчивое использование контактной сети троллейбусами с дополнительными источниками энергии на примере Гдыни
Текущие разработки в области бортовых источников энергии технологии, в частности, тяговые аккумуляторы, открывают новые возможности в троллейбусном транспорте, а также позволяют внедрять электробусы.…
Возможности развития электромобильности за счет использования автономных троллейбусов на примере Гдыни
- М. Бартломейчик, Марцин Полом
Информатика
Энергия
- 2021
) и представляет собой процедуру, которая позволяет оценить, в какой степени ВЛ должна покрывать маршруты автобусных линий, чтобы соответствовать требованиям для обслуживания троллейбусов по технологии In-Motion-Charging (IMC).
Потенциальные подложки для недорогих гибких суперконденсаторов
- Tiffany Chang
Инженерное дело, наука об окружающей среде
- 2013
аккумуляторы, которые вносят значительный вклад в содержание тяжелых металлов…
Электрохимическая оценка углеродных электродов прямого электропрядения, полученных из карбида, в различных неводных электролитах для хранения энергии
- Siret Malmberg, M. Arulepp, E. Tarasova, V. Vassiljeva, I. Krasnou, A. Krumme
Materials Science
C—Journal of Carbon Research
- 2020
Моделирование работы тягового электропривода троллейбуса, оборудованного двигателями смешанного возбуждения и двигателем постоянного тока Преобразователь
- Харченко В.
, Костенко И., Любарский Б., Шайда В., Куравский Максим, О. Петренко Машиностроение
- 2020
В результате подтверждено повышение энергоэффективности тягового электропривода за счет снижения потерь на возбуждение, построена усовершенствованная математическая модель электропривода троллейбуса в целом.
Повышение эффективности испытательного стенда тягового привода с суперконденсаторной системой накопления энергии
- Генадийс, Залескис, Виестурс, Бразис
Инженерия, наука об окружающей среде
- 2012
Для развития пассажирского электротранспорта необходимо более рационально использовать энергию. Одним из способов повышения энергоэффективности транспортных средств является установка бортовых накопителей энергии…
ПОКАЗЫВАЕТСЯ 1-10 ИЗ 11 ССЫЛОК
СОРТИРОВАТЬ ПОРелевантностьНаиболее влиятельные статьиНедавность
Анализ и конфигурация системы накопления энергии на основе суперконденсаторов бортовых легкорельсовых транспортных средств
В этой статье будут предложены различные системы накопления энергии от 0,91 кВтч до 1,56 кВтч, подходящие для трамвая длиной 30 м.
Настроить систему в части энергоемкости, изменения напряжения,…
Гибридная система электроснабжения троллейбуса с асинхронным двигателем
В работе представлены результаты научно-исследовательских работ по опытному образцу троллейбуса с системой привода асинхронного двигателя и накопителем энергии. управляется городской транспортной компанией в Люблине. Есть…
Экспериментальные результаты физической модели двунаправленного регулятора потока мощности для электрических подстанций электрического транспорта
- Айгарс Витолс, И. Ранкис
Инженерия, наука об окружающей среде
- 2009 Результаты экспериментальной физической модели двунаправленного потока мощности Регулятор для силовых подстанций электротранспорта В статье представлена модель двунаправленного регулятора потока мощности для…
- L.
Latkovskis, V. Brazis, L. Grigāns Environmental Science
- 2010
- Л. Латковскис, Л. Григанс, Ю. Чернов, У. Сирмелис
Материаловедение
- 2010
- L. Latkovskis, L. Grigāns
Engineering
- 2009
- L. Latkovskis, L. Grigāns
Engineering
- 2008
Применение суперконденсаторов для накопления регенеративной энергии в трамваях Т3А
Simulation of On-Board Supercapacitor Energy Storage System for Tatra T3A Type Tramcars
Neizmantotās rekuperētās enerģijas aplēse Rīgas elektriskajā sabiedriskajā transportā
Непрерывная PSIM-модель суперконденсаторных систем длительного хранения энергии для моделирования
A Method for Estimation of the Untapped Regenerative Braking Energy in Urban Electric Transport
Исследование и моделирование энергетического баланса городской транспортной сети
В данной статье предлагаются и исследуются новые стратегии повышения энергетической эффективности городской транспортной сети, питаемой контактными сетями.



м
525523.003
525523.003
Erzeugt statistische Daten darüber, wie der Besucher die Website nutzt.
ат




2478/v10047-010-0023-0
Станя, П. Апсе-Апситис, В. Бразис
, Костенко И., Любарский Б., Шайда В., Куравский Максим, О. Петренко
Latkovskis, V. Brazis, L. Grigāns
Добавить комментарий