Sk 40: Оправки патроны SK40 DIN 69871
Инструментальные оправки DIN ISO 7388-1 SK30/SK40/SK50 (ранее DIN 69871)
- Продукция
- Инструментальные оправки
- DIN ISO 7388-1 SK30/SK40/SK50 (ранее DIN 69871)
Конус DIN ISO 7388-1 SK30/SK40/SK50 (ранее DIN 69871)
DIN ISO 7388-1 (ранее DIN 69871) – традиционный интерфейс для шпинделей фрезерных станков, который отличается исключительно прочной конструкцией. Область применения от точной до тяжелой обработки резанием. Зажим в шпинделе фрезерного станка осуществляется с помощью дополнительного штревеля. Центрирование происходит исключительно по поверхности конуса. В первую очередь cтандарт DIN ISO 7388-1 (ранее DIN 69871) используется для числа оборотов до 12.000 об/мин.
Технические спецификации DIN ISO 7388-1 (ранее DIN 69871)
Конус SK30
- Оправки термообработаны до 60 – 2 HRC
- Предел прочности не менее 950 H/мм2
- Конус c допуском угла конуса AT3
- Угол конуса: 8° 17’50” +4”
- Вкл.
отверстие для кодоносителя Ø 10 мм - Форма ADF: внутренний подвод CОЖ по выбору: через центр (форма AD) и через буртик (форма AF)
| SK30 | D1 | D2 | D3 макс. | D4 | D6 | L1 | L2 | L3 | L4 мин. | L5 | T | T1 | B1 | B2 | B3 | |
| [мм] | 31,75 | 13 | 43 | 50 | – | 10 | 47,8 | 19,1 | 15,9 | 35 | 11,1 | M12 | 4,65 | 16,1 | 16,4 | 19 |
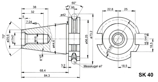
Конус SK40
- Оправки термообработаны до 60 – 2 HRC
- Предел прочности не менее 950 H/мм2
- Конус c допуском угла конуса AT3
- Угол конуса: 8° 17’50” +4”
- Вкл.
отверстие для кодоносителя Ø 10 мм - Форма ADF: внутренний подвод CОЖ по выбору: через центр (форма AD) и через буртик (форма AF)
| SK40 | D1 | D2 | D3 макс. | D4 | D5 | D6 | L1 | L2 | L3 | L4 мин. | L5 | T | T1 | B1 | B2 | B3 |
| [мм] | 44,45 | 17 | 48 | 63,55 | 54 | 10 | 68,4 | 19,1 | 15,9 | 35 | 11,1 | M16 | 4,65 | 16,1 | 22,8 | 25 |
Конус SK50
- Оправки термообработаны до 60 – 2 HRC
- Предел прочности не менее 950 H/мм2
- Конус c допуском угла конуса AT3
- Угол конуса: 8° 17’50”
+4” - Вкл.
отверстие для кодоносителя Ø 10 мм - Форма ADF: внутренний подвод CОЖ по выбору: через центр (форма AD) и через буртик (форма AF)
| SK50 | D1 | D2 | D3 макс. | D4 | D5 | D6 | L1 | L2 | L3 | L4 мин. | L5 | T | T1 | B1 | B2 | B3 |
| [мм] | 69,85 | 25 | 78 | 97,5 | 84 | 10 | 101,75 | 19,1 | 15,9 | 35 | 11,1 | M24 | 4,65 | 25,7 | 35,5 | 37,7 |
Подвод СОЖ DIN ISO 7388-1 (ранее DIN 69871)
Стандартом DIN ISO 7388-1 (ранее DIN 69871) установлены три варианта внутреннего подвода CОЖ:
- Форма A: Отсутствие внутреннего подвода СОЖ
- Форма AD: Центральный подвод СОЖ через штревель.
Для этого необходим штревель с проходным отверстием - Форма AF: Боковой подвод СОЖ через соединительный буртик с выемкой для захвата. Для этого необходим штревель с уплотнением.
Инструментальные оправки производства компании Haimer c конусом по стандарту DIN ISO 7388-1 (ранее DIN 69871) изготавливаются в форме AD/AF, если не указано иное.
Если нет ных пожеланий клиента, то оправки поставляются в форме AD. Отверстия на буртике для формы AF в этом случае заглушены с помощью пластиковых дюбелей и стяжных болтов.
Для перехода в форму AF отверстия на буртике должны быть открыты. Для этого натяжной болт надо наполовину вывернуть. Затем болт захватывается клещами и вместе с дюбелем вынимается.
Отверстия могут быть снова закрыты. Для этого есть специальный ремкомплект, состоящий из дюбелей и стяжных болтов.
Внимание! Каждый дюбель одноразового использования!
держателей инструментов крутой конусной Din ISO 7388-1 SK30/SK40/SK50 (ранее DIN 69871)
- Продукты
- Держатели инструментов
- DIN ISO 7388-1 SK30/SK40/SK50 (ранее DIN 69871)
Steep Steep (ранее DIN 69871)
999Steep Steep Steep.
конус DIN ISO 7388-1 SK30/SK40/SK50 (ранее DIN 69871)Традиционный интерфейс для фрезерных шпинделей DIN ISO 7388-1 (ранее 69871) отличается чрезвычайно прочной конструкцией. Область его применения варьируется от чистовой обработки до черновой обработки в тяжелых условиях. Резцедержатель втягивается в фрезерный шпиндель с помощью дополнительной натяжной шпильки. Центрирование осуществляется через конусный контакт. Поэтому DIN ISO 7388-1 (ранее 69871) в первую очередь подходит для приложений со скоростью вращения шпинделя до 12 000 об/мин.
Технические характеристики DIN ISO 7388-1 (ранее DIN 69871)
крутой конус SK30
- Держатели инструментов. Конус с классом допуска AT3
- Угол конуса: 8° 17’50” +4”
- Вкл. отверстие для чипа данных Ø 10 мм
- Форма ADF: внутренняя подача СОЖ через центр (форма AD) и через манжету (форма AF)
| СК30 | Д1 | Д2 | D3 макс.![]() | Д4 | Д5 | Д6 | Л1 | Л2 | Л3 | L4 мин. | Л5 | Т | Т1 | В1 | В2 | В3 |
| [мм] | 31,75 | 13 | 43 | 50 | – | 10 | 47,8 | 19,1 | 15,9 | 35 | 11,1 | М12 | 4,65 | 16,1 | 16,4 | 19 |
Крутой конус SK40
- Державки цементируемые 60 – 2 HRC
- Прочность на растяжение в сердцевине не менее 950 Н/мм2
- Конусность с качеством допуска AT3
- Угол конуса: 8° 17’50” +4”
- Вкл. отверстие для чипа данных Ø 10 мм
- Форма ADF: внутренняя подача СОЖ через центр (форма AD) и через манжету (форма AF)
| SK40 | Д1 | Д2 | D3 макс. | Д4 | Д5 | Д6 | Л1 | Л2 | Л3 | L4 мин.![]() | Л5 | Т | Т1 | В1 | В2 | В3 |
| [мм] | 44,45 | 17 | 48 | 63,55 | 54 | 10 | 68,4 | 19,1 | 15,9 | 35 | 11,1 | М16 | 4,65 | 16,1 | 22,8 | 25 |
крутой конус SK50
- Держатели инструментов, закрепленные на 60-2 HRC
- Прочность на растяжение в ядре не менее 950 Н/мм2
- . ’50” +4”
- Вкл. отверстие для чипа данных Ø 10 мм
- Форма ADF: Подача охлаждающей жидкости внутрь через центр (форма AD) и через манжету (форма AF)
| SK50 | Д1 | Д2 | D3 макс. | Д4 | Д5 | Д6 | Л1 | Л2 | Л3 | L4 мин. | Л5 | Т | Т1 | В1 | В2 | В3 |
| [мм] | 69,85 | 25 | 78 | 97,5 | 84 | 10 | 101,75 | 19,1 | 15,9 | 35 | 11,1 | М24 | 4,65 | 25,7 | 35,5 | 37,7 |
Подача СОЖ DIN ISO 7388-1 (ранее DIN 69871)
Согласно DIN ISO 7388-1 (ранее DIN 69871), доступны 3 варианта внутренней подачи СОЖ:
- Форма A: нет внутренней подача СОЖ
- Форма AD: Центральная подача СОЖ через стопорную ручку.
Требуется ретенционная ручка с центральным отверстием. - Форма AF: Боковая подача СОЖ через манжету. Требуется герметичная удерживающая ручка.
Зажимные устройства Haimer с конусом согласно DIN ISO 7388-1 (ранее DIN 69871) выполняются в форме AD/AF, если не указано иное.
Если не указано иное, держатели инструментов поставляются в форме AD. Отверстия на буртике для формы AF затем закрываются пластиковыми дюбелями и фиксируются стопорными винтами.
Для перехода на форму AF необходимо открыть отверстия на буртике, наполовину отвинтив стопорный винт. Извлечение винтов вместе с дюбелями с помощью плоскогубцев.
Отверстия также можно снова загерметизировать. Доступен комплект для переоборудования, состоящий из дюбелей и стопорных винтов.
Внимание: Каждый дюбель предназначен только для одноразового использования!
Держатель инструмента Weldon DIN ISO 7388-1 SK40 (ранее DIN 69871)
Выбранный вами продукт: StandardStandard extra slimStandard с Cool JetStandard с Safe-Lock™ Power Shrink ChuckPower Shrink Chuck с Safe-Lock™ Mini Shrink ChuckMini Shrink Chuck extra slimPower Mini Shrink ChuckPower Mini Shrink Chuck extra slimType ERPower Цанговый патронВысокоточный цанговый патронHigh -Прецизионный патрон Держатель инструмента Weldon Держатель инструмента Weldon Держатель инструмента Weldon с охлаждающей струей Торцевая фреза Оправка Пустой адаптер Короткий сверлильный патрон
Для зажима фрез с цилиндрическим хвостовиком и плоскостью Weldon аналогично DIN 1835-B и DIN 6535-HB.
Аналогично DIN 6359-2 с конусом SK40 форма AD/AF DIN ISO 7388-1 (ранее DIN 69871).
Форма AD/AF означает: Центральная подача охлаждающей жидкости и каналы для охлаждающей жидкости через фланец, которые можно снова герметизировать.
- В комплект поставки входят: Зажимной винт
- Укороченная конструкция доступна только в форме AD
- Охлаждение с помощью Cool Jet за дополнительную плату
Возможны технические изменения без предварительного уведомления.
Cool Jet (дополнительно)
- Оптимизированные отверстия для подачи СОЖ, направленные к центру
- Подача СОЖ непосредственно к режущей кромке
- Увеличение срока службы инструмента до 100 %
- Повышение надежности процесса резания
- Отсутствие шариков стружки на инструменте
- Cool Jet начиная с диаметра хвостовика 1/4″ (6 мм)
Cool Jet (дополнительно)
- Оптимизированные отверстия для СОЖ, направленные к центру
- Подача СОЖ непосредственно на режущую кромку
- Повышение стойкости инструмента до 100 %
- Повышение надежности процесса резания
- Отсутствие шариков стружки на инструменте
- Cool Jet, начиная с диаметра хвостовика 1/4 дюйма (6 мм)
| Заказ № | Расчетная длина A в мм | |||||
|---|---|---|---|---|---|---|
40. 300.06 | короткий, 50,00 мм Также подходит для ANSI-CAT |
| Аксессуар | |||
| 40.301.06 | длинный, 100,00 мм Также подходит для ANSI-CAT |
| Аксессуар | |||
| 40.302.06 | увеличенный размер, 160,00 мм |
| Аксессуар |
| Заказ № | Расчетная длина A в мм | |||||
|---|---|---|---|---|---|---|
| 40.300.08 | короткий, 50,00 мм Также подходит для ANSI-CAT |
| Аксессуар | |||
40. 301.08 | длинный, 100,00 мм Также подходит для ANSI-CAT |
| Аксессуар | |||
| 40.302.08 | увеличенный размер, 160,00 мм |
| Аксессуар |
| Заказ № | Расчетная длина A в мм | |||||
|---|---|---|---|---|---|---|
| 40.300.10 | короткий, 50,00 мм Также подходит для ANSI-CAT |
| Аксессуар | |||
| 40.301.10 | длинный, 100,00 мм Также подходит для ANSI-CAT |
| Аксессуар | |||
40. 302.10 | увеличенный размер, 160,00 мм |
| Аксессуар |
| Заказ № | Расчетная длина A в мм | |||||
|---|---|---|---|---|---|---|
| 40.300.12 | короткий, 50,00 мм Также подходит для ANSI-CAT |
| Аксессуар | |||
| 40.301.12 | длинный, 100,00 мм Также подходит для ANSI-CAT |
| Аксессуар | |||
| 40.302.12 | увеличенный размер, 160,00 мм |
| Аксессуар |
| Заказ № | Расчетная длина A в мм | |||||
|---|---|---|---|---|---|---|
40. 300.14 | короткий, 50,00 мм Также подходит для ANSI-CAT |
| Аксессуар | |||
| 40.301.14 | длинный, 100,00 мм Также подходит для ANSI-CAT |
| Аксессуар | |||
| 40.302.14 | увеличенный размер, 160,00 мм |
| Аксессуар |
| Заказ № | Расчетная длина A в мм | |||||
|---|---|---|---|---|---|---|
| 40.305.16 | сверхкороткий, 35,00 мм |
| Аксессуар | |||
40. 300.16 | короткий, 63,00 мм |
| Аксессуар | |||
| 40.301.16 | длинный, 100,00 мм |
| Аксессуар | |||
| 40.302.16 | увеличенный размер, 160,00 мм |
| Аксессуар |
| Заказ № | Расчетная длина A в мм | |||||
|---|---|---|---|---|---|---|
| 40.305.18 | сверхкороткий, 35,00 мм |
| Аксессуар | |||
| 40.300.18 | короткий, 63,00 мм |
| Аксессуар | |||
40. 301.18 | длинный, 100,00 мм |
| Аксессуар | |||
| 40.302.18 | увеличенный размер, 160,00 мм |
| Аксессуар |
| Заказ № | Расчетная длина A в мм | |||||
|---|---|---|---|---|---|---|
| 40.305.20 | сверхкороткий, 40,00 мм |
| Аксессуар | |||
| 40.300.20 | короткий, 63,00 мм |
| Аксессуар | |||
| 40.301.20 | длинный, 100,00 мм |
| Аксессуар | |||
40. 302.20 | увеличенный размер, 160,00 мм |
| Аксессуар |
| Заказ № | Расчетная длина A в мм | |||||
|---|---|---|---|---|---|---|
| 40.305.25 | сверхкороткий, 60,00 мм |
| Аксессуар | |||
| 40.300.25 | короткий, 100,00 мм |
| Аксессуар | |||
| 40.302.25 | увеличенный размер, 160,00 мм |
| Аксессуар |
| Заказ № | Расчетная длина A в мм | ||
|---|---|---|---|
40. |

отверстие для кодоносителя Ø 10 мм
отверстие для кодоносителя Ø 10 мм
отверстие для кодоносителя Ø 10 мм
Для этого необходим штревель с проходным отверстием

Требуется ретенционная ручка с центральным отверстием.
300.06
301.08
302.10
300.14
300.16
301.18
302.20
Добавить комментарий