Схема подключения подъемной оси на полуприцепе: Механизм подъема оси. – Прицепы и надстройки
KNORR-BREMSE описание клапанов и кранов – 27 Декабря 2016
KNORR-BREMSE
Электронная тормозная система для ПРИЦЕПОВ / ПОЛУПРИЦЕПОВ
KNORR-BREMSE описание клапанов и кранов
AE43. Комбинированный клапан расторможивания с функцией обрыва
Функции:
• заполнение ресиверов
• при давлении более 2+0.5 бар заполнение энергоаккумуляторов
• Сброс давления с энергоаккумуляторов (аварийное торможение), при давлении в питающей магистрали менее 2+0.5 бар
• С помощью клапана стояночного тормоза (красная кнопка) – тормозит прицеп (обе положения фиксируется)
• с помощью клапана расторможения (черная кнопка) – растормозит отцепленный прицеп (при подключении прицепа автоматически
переключается в ходовое положение)
• Защита давления между питающей магистралью и ресивером, а
также между ресивером и энергоаккумуляторами.
Преимущества:
• удовлетворяет требованиям автоматического торможению
• механически фиксирует прицеп при отключении
питающей магистрали
• приоритет рабочего тормоза при заполнении системы
проверке расхода воздуха
• Меньше объем ресивера
Дополнительные функции:
Дополнительные выходы:
Возвращение при начале движения
Управление подъемной осью (ось 1 & 2)
Независимый «speed switch»
Активация ABS / RSP
Питание 24V
Дополнительные входы:
Ограничение износа тормозных колодок
Износ тормозной колодки в %
Помощь системе ASR тягача (опускание оси)
Возможность управления подъемной осью
Подготовленные для производства типы:
SV3203, SV3240, SV3241, SV3242, SV3243, SV3263,
SV3273, SV3293
AE1141 Клапан управления подъемной оси
Задача: от электрического сигнала (ABS, EBS)
поднять ось при опущенной оси соединить подушки подвижной и неподвижной оси
Неисправности энергоснабжения (ISO 7638):
Функция РТС (регулятор тормозных сил) остается
Типичная тормозная система с ABS или без нее:
Характеристики износа тормозных накладок остаются неизменными
Тормозная система с EBS (предыдущее поколение):
Тормозная система с TEBS:
Работает РТС и питание ABS от стоп-сигналов
Функции стабилизации и характеристики износа тормозных накладок остаются неизменными
ПОЛУПРИЦЕП МАЗ-975850-1010-031
Технические характеристики полуприцепа МАЗ-975850-1010-031
| Количество осей | 3-осный |
| Ошиновка | 1-скатный |
| Грузоподъёмность, кг | 29440 |
| Нагрузка на ССУ, кг | 10500 |
| Высота ССУ, мм | 1150 |
| Размеры, мм | 13800х2600х1535 |
Полуприцеп шасси(облегченная рама) МАЗ-975850-1010-031 : 3-х осный.
, односкатный., пневмоподвеска., оси SAF либо BPW., Г/п-29,44 тн., высота ССУ-1150мм., нагрузка на ССУ-10,5т., АБС., габаритная длина 13800мм., шины 385/65R22.5. Предназначен под установку изотермических кузовов. Соответствует требования TIR для перевозки различных грузов в системе транзитных перевозок МДП в составе автопоезда.
а.
Дополнительные характеристики
| Нагрузка на седельно-сцепное устройство | 10500 кг |
| Нагрузка на осевой агрегат | 24000 кг |
| Разрешенная полная масса | 34500 кг |
| Собственная масса полуприцепа (масса приведена без учета дополнительного оборудования | 3900 кг |
| Технически возможная нагрузка на осевой агрегат | 30050 кг |
| Полезная нагрузка | 30600 кг |
| Колесная база | 6390 мм |
| Межосевое расстояние | 1310 мм |
| Межосевое расстояние | 1310 мм |
| Расстояние между рессорами | 1300 мм |
| Колея колес | 2040 мм |
| Габаритная длина | 13800 мм |
| Габаритная ширина | 2600 мм |
| Высота платформы по центру оси в ненагруженном состоянии | 1220 мм |
| Высота платформы по центру оси в нагруженном состоянии | 1190 мм |
| Передний свес | 1850 мм |
| Радиус переднего свеса | 2040 мм |
| Задний радиус поворота | 2300 мм |
| Высота рамы над седельно-сцепным устройством | 70 мм |
| Высота седельно-сцепного устройства горизонтально стоящего ненагруженного полуприцепа | max 1150 мм |
Рама
Рама полуприцепа сварная, лонжероны двутаврового сечения, переменные по высоте и соединены между собой поперечинами.
Подвеска
Оси трубчатого сечения с барабанным тормозным механизмом. Подвеска «BPW» с высотой езды FH=360 мм.
Пневмотормоза
Рабочая тормозная система пневматическая, двухпроводная оборудована АБС. Стояночная тормозная система действует через пружинные энергоаккумуляторы второй и третьей осей. По требованию потребителя возможна установка ЕБС.
Пневмооборудование и пневмоподвеска
Пневматическая подвеска включает 1 кран для подъема/опускания, который установлен сзади слева по ходу движения. Возможна установка подвески BPW или SAF, EBS фирмы «BPW» или «SAF».
Электрооборудование АБС, ЕБС
АБС 2S/2M с системой устойчивости к опрокидыванию RSS (с функцией ABS (ALB). Диагностический разъем для проверки АБС и ЕБС располагаются снаружи.
Шины
Импортные и фирмы «Matador». Крепление стандартными болтами и гайками, диаметр отверстия 26 мм.
Кузов и шасси
Выдвижное опорное устройство фирмы «МАЗ» с механическим приводом, допустимая нагрузка 24 т., управление с одной стороны, справа по ходу движения.
3 пары пластмассовых крыльев сзади, возможна установка с брызгозащитой или без.
2 противооткатных упора с держателями.
Боковая защита согласно Правил ЕЭК ООН №73
Держатель в виде корзины для одного запасного колеса, монтаж сзади осевого агрегата справа.
Стальная защита от въезда сзади согласно Правил ЕЭК ООН №58
НастилБез настила
Электрооборудование
Электрооборудование с номинальным напряжением 24 В выполнено по двухпроводной схеме.
Электрооборудование включает устройства освещения, световой сигнализации и средства коммутации, обеспечивающие функционирование полуприцепа и его составных частей. 2 блока передних габаритных фонари, 2 блока задних габаритных огней, фонари освещения номерного знака, розетки семиконтактные, жгуты проводов для подключения изделий электрооборудования. «СНГ».
Бортовая система взвешивания – Производитель решений топливной выдачи и контроля Экзотрон Технолоджи
Назначение- Контроль нагрузки, приходящейся на каждую из осей автомобиля
- Определение веса груза, перевозимого автомобилем
- Сигнализация о превышении осевой нагрузки
- Отображение определяемых параметров на дисплее водителя
Контроллер Difference-T
1.Получение информации от датчика с аналоговым выходом
2.Хранит в себе геометрические параметра ТС (или прицепа) на котором установлен.
3.Хранит сведения о калибровке ТС или прицепа.
4.Преобразует сигнал датчика в цифровую посылку нагрузки на ось по интерфейсу RS485 под своим адресом.
Дисплей системы
1.Получает информацию о нагрузках на оси от контроллеров Difference-T
2.Определяет вес груза исходя из массо-габаритных параметров тягача или автопоезда.
3.Вывод на дисплей осевой нагрузки и веса перевозимого груза
4.Сигнализация о превышении допустимой нагрузки на одну из осей.
5.Вывод в интерфейс RS485 веса груза.
ДатчикиМогут использоваться любые датчики с аналоговым выходом (напряжение).
В дисплее хранится конфигурация системыКонфигурация №1.
Все подушки включены параллельно, достаточно 2 датчика давления. Первый ставим на тягач, второй на полуприцеп.
Конфигурация №2.
2 датчика на тягач и 2 датчика на полуприцеп
Конфигурация №3.
2 датчика на тягач и 4 датчика на полуприцеп (в такой конфигурации, как правило, одна ось подъемная).
Конфигурация №4.
2 датчика на тягач и 6 датчиков на полуприцеп (как правило, две подъемные оси)
Задание профиля автопоезда (либо автомобиля)Калибровка системы
Вариант 1. Применение платформенных весов для поосного взвешивания
Первым делом поосно взвешивается тягач тягач без полуприцепа. Недостающие данные заносятся в профиль, производится Калибровка (шаг 1) на форме “Калибровка системы”. Затем подцепляется полуприцеп. Производится поосное взвешивание автопоезда без груза. Недостающие данные заносятся в профиль и производится Калибровка (шаг 2) на форме “Калибровка системы”. Далее загружается груз в полуприцеп и поосно взвешивается автопоезд. Производится Калибровка (шаг 3) на форме “Калибровка системы”.
Шаг 3 можно проводить несколько раз с догрузкой полуприцепа (для более точной тарировки). Важно, чтобы последняя калибровка была выполнена с поставленной птичкой “Последняя запись”. После того как калибровка проведена, необходимо нажать кнопку “Загрузить данные в датчики”.
Вариант 2. Тарировка системы грузами
Форма “Тарировка системы грузами” позволяет выполнять тарировку грузами без заезда на весы. Важно отметить, что два первых шага (поосное взвешивание тягача без полуприцепа и поосное взвешивание автопоезда) все равно необходимо проделать с помощью весов. Функция будет корректно работать при правильном вводе параметров автопоезда (межосевых расстояний, нагрузок на оси, весовых параметров, положения седельно-сцепного устройства и т.д.).
Калибровка системы
Дополнительно, каждый из датчиков системы может иметь собственную калибровку для учета нелинейных характеристик
После завершения калибровки можно открыть окно тестирования системы
Ответы на вопросы1.
Каждый аналоговый датчик подключается через контроллер Difference-T
2.Протокол передачи осевой нагрузки от Difference-T : LLS, каждый датчик под своим адресом (0-5).
3.Если не стоит задача измерения веса груза (и сигнализации о превышении осевой нагрузки) – Display не обязателен.
4.Протокол передачи веса груза от Display : LLS (адреса 8-9, тягач и прицеп)
5.При смене прицепа автопоезда система продолжает работать, если новый прицеп тоже оснащен датчиками и Difference-T с калибровкой. Никаких перенастроек не требуется.
Базовые варианты комплектации системы1.Система взвешивания “Стандарт” SWS 01 (02)
Используется для определения веса груза в составе автопоезда с 2-мя точками взвешивания
2.Система взвешивания “Базовый” BWS 01 (02)
Используется для определения веса груза в составе автопоезда с одной точкой взвешивания
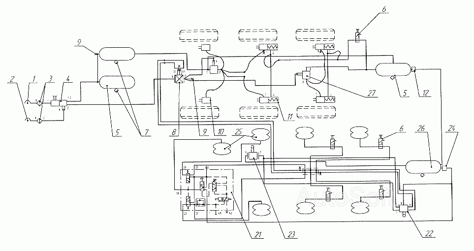
схема тонар 95234
Самовывоз.
Самовывоз продукции осуществляется в городах, где присутствуют наши филиалы: Екатеринбург, Пермь, Челябинск, Уфа, Чусовой (Пермский край) и осуществляется на условиях 100% предоплаты стоимости заказа.
Доставка транспортными компаниями. Доставка заказов силами транспортных компаний осуществляется во все города РФ, в которых имеются терминалы транспортных компаний и осуществляется на условиях 100% предоплаты стоимости заказа.
Доставка заказов транспортными компаниями (далее ТК) осуществляется следующим образом:
- Вы оформляете заказ на сайте или по телефону.
- Менеджер интернет-магазина связывается с Вами для уточнения данных по заказу: наименованию, количеству и наличию товара; предпочитаемой транспортной компании; контактных данных. После уточнения информации и в случае отсутствия разногласий менеджер принимает заказ в работу и выставляет счет на оплату.
- Вы производите оплату заказа выбранным способом оплаты.
- После поступления оплаты, заказ передается на комплектацию.
Менеджер связывается с вами и сообщает об этом, кроме того сообщает ориентировочный срок сдачи товара в терминал ТК. - Скомплектованный товар передается в терминал выбранной вами ТК для последующей отправки. Менеджер интернет-магазина сообщает Вам номер экспедиторской расписки из ТК, по которому можно отслеживать груз.
- По приходу заказа в терминал ТК города назначения, специалист ТК связывается с Вами по контактному телефону и сообщает о прибытии Вашего заказа, предлагает забрать груз самовывозом из местного отделения ТК или уточняет удобное время доставки “до дверей”.
Вы самостоятельно забираете заказ из местного отделения ТК в удобное для Вас время, в пределах срока хранения или курьер ТК доставляет заказ и документы “до дверей” по вашему адресу.
Стоимость перевозки заказа транспортной компанией до города назначения зависит от тарифов выбранной ТК, а также от удалённости пункта назначения и оплачивается покупателем самостоятельно в момент прихода заказа в город назначения.
Доставка до терминала ТК – бесплатно. ООО «ТД «Дельта» самостоятельно доставляет груз до терминалов ТК.
В случае срочной отправки груза транспортными компаниями – оформляется забор груза ТК с нашего склада за счет покупателя (по согласованию с менеджером интернет-магазина).
Обычно мы отправляем свои заказы следующими транспортными компаниями:
ТК КИТ (GTD или Кашалот) https://gtdel.com/
Деловые Линии https://dellin.ru/
ПЭК https://pecom.ru/
РАТЭК http://rateksib.ru/
ЭНЕРГИЯ https://nrg-tk.ru/
И другие.
Низкорамный трал с передним заездом Kässbohrer K.SLL 2, протестирован инженером-разработчиком
Больше точности
В 2008 году для удовлетворения растущего спроса по всему миру компания Kässbohrer разработала первые низкорамные модели — от двухосного полуприцепа-платформы с зависимой подвеской до восьмиосной модели с гидроусилителем рулевого управления. Все они должны были проявить себя на практике.
Двенадцать лет спустя, в центральном подразделении Kässbohrer в г. Адапазары для производства транспортных средств, объединенных общим определением «большегрузный и тяжелый транспорт», открывается новая площадка. Причина проста: производственные мощности достигли максимума и дальнейшее расширение стало невозможным.
Однако за этот период произошло и многое другое. Год назад открылось предприятие по производству низкорамных транспортных средств, рассчитанное на 2500 единиц техники. Современные производственные возможности, в том числе системы лазерной резки, сварочные роботы и автоматизированные технологии поверхностной обработки, предлагают множество новых способов в сфере разработки транспорта. Двадцать лет назад низкорамный полуприцеп представлял собой уникальный продукт, на производство которого из-за потребности в механической обработке и сопутствующих трудовых затрат тратились сотни часов. Сегодня тот же низкорамный прицеп изготавливается в Kässbohrer с применением автоматизированных производственных процессов.
Именно поэтому, благодаря росту возможностей Kässbohrer в плане производственных технологий, низкорамные продукты вновь получили широкое распространение — обеспечивая большую точность, большее разнообразие, а значит и больше преимуществ для покупателей.
Производственная программа
В настоящее время Kässbohrer предлагает девять версий низкорамных полуприцепов. Это жесткие или телескопические модели, имеющие до шести осей, в том числе задние управляемые оси. Пять версий имеют от трех до восьми осей, в том числе от трех до шести осей с гидравлическим управлением. В новейшую серию входят низкорамные полуприцепы с двумя или тремя управляемыми осями с пневматическими амортизаторами и убирающимся дышлом. Именно эта серия в первую очередь подвергнется масштабному пересмотру в отношении производственных процессов и продукции. Это обусловлено высоким спросом на такие двух- или трехосные низкорамные полуприцепы. Прочие линейки не представляют проблем, поскольку в качестве модуля была разработана задняя подвеска.
K.SLL
В основе K.SLL лежит двух- или трехосный агрегат с гидравлическим управлением, хвостовым колесом и пневмоподвеской. Она разработана таким образом, чтобы можно было управлять машинами с задней части с помощью откидных трапов. Многим пользователям это позволяет сократить время по сравнению с системами, в которых используется дышло. Недостатком, безусловно, является использование трапов, которые необходимо хранить и закреплять.
Стандартная версия K.SLL предполагает загрузку спереди, то есть с использованием убирающегося дышла. Для облегчения процесса имеются клинья. Однако они требуются только при малом диаметре колес или цепей. Длина платформы составляет почти семь метров, и ее можно телескопически увеличить еще на 5,5 метров с шагом в 50 см. При заказе четырех соответствующих стандарту ISO твистлоков низкорамный загрузчик также можно использовать для транспортировки 40-футовых контейнеров.
В стандартной конфигурации высота платформы составляет 200 мм, и она приварена к грузовику. В качестве дополнительной опции для удовлетворения различных требований к погрузке Kassbohrer предлагает платформы высотой 225 мм и 250 мм. Кроме сварного
соединения, доступна версия с болтовым креплением для покупателей, предпочитающих использовать добавочные платформы.
Многофункциональные продукты
При помощи промежуточного рольганга (или двух) можно перевозить длинный материал. Рольганг выдерживает давление 15 тонн. Он крепится в одном из пазов для стойки 50 x 100 мм снаружи основной рамы. Шесть таких пазов находятся на нижней раме и три на шасси. Крепежи на шасси также выполняют задачу размещения маркеров и приборов освещения.
Что касается крепления груза, K.SLL оснащен по полной программе. К верхней раме приварена пара рымов, выдерживающих нагрузку 13,4 тонны каждый.
Нижняя рама оснащена семью рядами с допускаемой нагрузкой 13,4 даН и четырьмя рядами с допускаемой нагрузкой 8000 даН. На шасси имеется два ряда с допускаемой нагрузкой 13,4 т и три ряда с допускаемой нагрузкой 10 т. Таким образом, проблема нехватки точек крепления, с которой часто сталкиваются пользователи низкорамных полуприцепов, явно не относится к этой модели. Кроме того, полуприцеп оснащен раскладными поперечными балками, позволяющими увеличить ширину загрузки до 3 метров. В тестовом образце поперечные балки пока закреплены с помощью прижимных пружин. На серийных моделях планируется простое откидывание с поворотным механизмом.
Преимущество нижней рамы — деревянный настил. Он разделен на три сегмента, каждый из которых можно снимать и устанавливать с помощью четырех прижимных колец. Это огромный плюс при перевозке труб или лодок. Отсутствие настила позволяет шасси изменять направление при проходе балочных мостов.
Это оборудование обеспечивает многофункциональность низкорамного полуприцепа.
Он подходит для транспортировки как длинных материалов, так и оборудования или контейнеров меньшего размера.
Подробная информация
Крайне важным для низкорамных полуприцепов является вопрос функциональной безопасности, поскольку нижняя рама SLL перемещается в 300–340 мм над землей по асфальтовым и грунтовым дорогам. Восемь гидравлических цилиндров подъемной системы и системы управления сертифицированы по стандарту ASTM B117 США. Соответственно поршневые штоки защищены от коррозии на 1000 часов. Кроме того, гидравлические линии и цилиндры, предназначенные для работы под давлением 250 бар, прошли испытания пиковым давлением 1000 бар.
Гидравлические линии дышла крепятся к нижней раме посредством стандартного быстроразъемного соединения. Пневматическая система оснащена крепежом типа «дуоматик», а для системы освещения и EBS используются соответствующие требованиям стандартов ISO 7638 и 12098 разъемные соединения.
С передней стороны горловины седла водило блокировочной муфты, как правило, оснащено крепежом 7N / 7S или, как вариант, соединением по стандарту 12098 и стандартными пневмосоединениями (желтым/красным) в соответствии со спецификациями ISO 1726. Для гидравлического привода также имеется соединение Nato.
Электрическая часть
Система освещения поставляется компанией Aspöck, все кабельные соединения прошли испытания на соответствие уровню IP69k. Эти изготовленные Aspöck-Nordic или ASS3 электрические соединения используются не только в продукции Kässbohrer. Прочие производители транспортных средств также приняли тот факт, что времена зачистки наконечников кабелей и проводов вручную остались в прошлом. Кроме того, эти системы экономят время при сборке. С другой стороны, главное правило — если нужны специальные функции, например дополнительные проблесковые сигналы, их необходимо заказывать у производителя. Или выполнять модернизацию по системному каталогу для поддержания функциональной надежности.
Практически единственное, что недоступно в K.SLL — это лампы накаливания. Система освещения оснащена светодиодами.
Тормозная система
Что касается торможения, в продукции Kässbohrer используется система Wabco. Поскольку оси с принудительным управлением в системах торможения EBS рассматриваются как жесткие оси, подходит простое оборудование 2S / 2M. Расширение до 4S / 2M не несет преимуществ в техническом плане для колесной базы более девяти метров, поскольку используется на полуприцепах с короткой колесной базой, которые часто характеризуются высоким центром тяжести.
K.SLL оснащен системой управления «reset-to-ride» в случае регулировки пневмоподвески во время погрузки или выгрузки. Она активируется, начиная с пороговой скорости 15 км/ч и выше. Мы также рекомендуем установить дорожный просвет для одноконтурного оборудования Wabco ECAS на 340 мм вместо 300 мм. Поскольку каждый дюйм хода подвески важен для тяжеловесных грузов в нижней раме, которая не требует высоты погрузки 3 700 мм.
Система управления
В стандартной версии осевого агрегата управление задней осью осуществляется по кабелю. Дистанционное управление по радиоканалу доступно в качестве опции. Это всегда полезно, если водителю необходимо вести машину с большей скоростью из кабины. Для зацепления на поперечной рулевой тяге первой оси имеется управление с помощью двух клиньев. На левой стороне передней стенки установлены два фонаря, сигнализирующих о зацеплении и изменении направления.
Угол поворота оси поворотного кулака рулевого управления составляет максимум 42 градуса и 38 градусов на осях SAF. Оси поставляются компанией BPW.
Верхняя рама
Скошенная в передней части верхняя рама состоит из шести угловых стоек. Они крепятся болтами, и при необходимости их можно полностью удалить. На левой стороне установлен инструментальный набор для небольших деталей.
В качестве опции такой набор также доступен для полной ширины. Запасное колесо может располагаться либо спереди на передней стенке, либо на лебедке на верхней раме. При этом длина верхней рамы составит 1,9 метра, что должно быть достаточным для хранения реек и досок. Если этого недостаточно, можно выдвинуть задние поперечины.
Результаты
Таким образом, низкорамные модели Kässbohrer способны успешно соперничать с продукцией практически всех конкурентов. Это относится как к самим продуктам, так и к производственным технологиям. Им по-прежнему требуется программа развития, однако это лишь вопрос времени. Ведь с современной линейкой восьмиосных полуприцепов до достижения максимума еще далеко. Возможность заказа опции полной или частичной металлизации поверхности свидетельствует о том, что у признанных поставщиков появился в этой области новый серьезный конкурент.
Технические данные
Бренд Kässbohrer
K.
SLL2 /2H – 18/20
Размеры (в мм)
Общая длина: 13.210
Общая длина, включая: 18.760
Телескоп: 18.760
Длина нижней рамы: 6.810
Расширение: 5.500
Высота нижней рамы: 300
Высота шасси Высота плиты: 950
Масса (в кг)
Масса полностью снаряженного транспортного средства (прибл.): 12.675
Приложенная нагрузка : 18.000
Суммарная нагрузка (на 80 км/ч): 23.200
Общая масса (на 80 км/ч): 41.
200
Шасси
Сварная конструкция, выполненная из стали S700-MC, убирающееся дышло с гидравлическим приводом. Центральный телескоп, боковые расширения платформы.
Шасси
Двухосные шасси с гидравлическим двухконтурным управлением, изменение направления по кабелю или дистанционно по радиоканалу. Угол поворота до 42 градусов. Оси Airlight производства BPW с барабанными тормозами, сдвоенными шинами 245/70 R 17,5, в восьмикратном размере, плюс запасное колесо.
Тормоза и пневмоподвеска
Wabco Trailer-EBS 2S / 2M (версия 5.50) с RSS, c контролем второй оси. Стояночный тормоз для независимой работы на шасси. Пневматическая подвеска с клапаном подъема и опускания. В качестве опции доступна одноконтурная система ECAS с дорожным просветом 300/340 мм.
Электрическая часть
Кабели Aspöck Nordic, светодиоды Aspöck.
Крепление груза
Кованные рамы, 10 пар. Выдерживают нагрузку 13 400 даН, 4 x 8 000 даН, 3 x 10 000 даН в соответствии с требованиями EN 12640. 9 пар пазов для стоек 50 x 100 мм.
Настил
Три сегмента настила, съемные, обшитые древесиной твердых пород.
Wheel Monitor Inc. Новаторы в области интеллектуальных технологий для грузовиков и трейлеров
D. ПРОСТОЙ УСТРАНЕНИЕ НЕИСПРАВНОСТЕЙ: RM-50/RM-60
Мы разработали этот документ, чтобы помочь в устранении простых неисправностей! Если
у вас возникла проблема с системой Reverse-A-Matic(TM), пожалуйста, проверьте
список ниже. Этот процесс можно упростить, купив Reverse-A-Matic™.
Диагностический инструмент (номер по каталогу 200601) доступен в компании Wheel Monitor Inc.
и у дистрибьюторов.
расположен по всей Канаде.
- ПОДАТЬ +12 В на прицеп, НЕ ИСПОЛЬЗОВАТЬ ЗАРЯДНОЕ УСТРОЙСТВО.
- Является ли Зеленый светодиод горит? (Это указывает на то, что устройство имеет питание +12 вольт.)
- Когда модуль при включении он включит все свои реле на 1 секунду и выключит их. Из соображений безопасности он будет делать это только тогда, когда он не движется. Это будет позволяет проверить проводку.
- ЗЕЛЕНЫЙ СВЕТОДИОД – Зеленый светодиод на модуле
поможет определить, существует ли проблема и заключается ли она в следующем;
1.Зеленый светодиод может помочь с потребляемой мощностью, заземлением, высоким током условиях, неисправных датчиках и работе датчиков.
2. Зеленый светодиод будет мигать каждую секунду, когда прицеп не движется.
3. Зеленый светодиод будет постоянно гореть, когда колесо вращается.
4. Зеленый светодиод будет мигать 3 раза в секунду, если возникла проблема.
Возможные проблемы:
I. Выход потребляет слишком много тока.
II. Выход закорочен.
III. Связь с землей плохая.
IV. Датчик сломан.
Если зеленый светодиод не горит, питание на блок не подается. Проверить мощность заземления и напряжения.
ПРИМЕЧАНИЕ. Светодиод мог быть поврежден, когда устройство все еще работает должным образом.
Пожалуйста, проверьте выходы реле при включении питания.
Если светодиод мигает 3 раза в секунду, когда колесо не движется, то
проблема в слишком сильном токе или плохом заземлении.
A. Проверьте, не закорочен ли какой-либо из выходов. Если модуль сбрасывается в течение одного
во-вторых, то ток очень большой.
B. Убедитесь, что устройство заземлено на жгут проводов. может быть разница в напряжении
между площадками на шасси прицепа.
ПОВЕРНИТЕ КОЛЕСО
Найдите колесо с датчиком на нем.
Поднимите ось.
Поверните колесо вручную.
Зеленый светодиод будет гореть, когда он считывает движение колеса и не имеет проблем.
Если вы двигаете колесо, а зеленый светодиод продолжает мигать один раз в секунду,
тогда он не читает тональное кольцо ABS.
А. Проверьте соединение с датчиком, возможно, он отсоединился.
B. Проверьте расстояние и ориентацию датчика. Это должно быть очень близко
к тональному кольцу. Он должен быть ориентирован стрелкой на задней части датчика.
направлены наружу от центра оси. Для этого потребуются шины и
тормозной барабан необходимо снять.
Если вы поворачиваете колесо, а светодиод мигает 3 раза в секунду, это может быть
слишком большой потребляемый ток или сломанный датчик.
A. Проверьте общий ток, Reverse-A-Matic(TM) рассчитан на 5 ампер, если
для сброса модуля требуется несколько секунд, тогда потребляемый ток слишком велик.Закороченный выход должен сбрасывать устройство при включении питания. Большое течение может
для срабатывания предохранителя требуется более одной секунды.
B. Проверьте соединение с датчиком.
C. Возможно, поврежден датчик или проводка датчика. Замените датчик и повторите
контрольная работа. Для этого необходимо снять шины и тормозной барабан. Диагностика
инструмент (PN # 200601) очень полезен здесь.
Вопрос: В моем модуле нет светодиода?
Ответ: У старых модулей нет диагностического светодиода.Последовательность запуска
включения реле на одну секунду укажет, есть ли питание на блоке.
Отсоедините и снова подключите синий провод, чтобы проверить наличие реле.
1. Проверьте входное напряжение на синем и белом проводах. Должно быть от 9 до
16 вольт.
2. Вращение колеса в обратном направлении активирует желтый провод. Это полезно
он подключает свет к этому выходу.
3. Диагностический инструмент проверит модуль и датчик любого устройства Reverse-A-Matic(TM).
система.
вернуться наверх
Э.ДРУГИЕ ВОПРОСЫ ПО УСТРАНЕНИЮ НЕИСПРАВНОСТЕЙ
Вопрос: Как проверить подключение четырехполосного флэшера к моему модулю RM-60?
(номер по каталогу 200506-OEM)?
Ответ.
Диагностический прибор (номер по каталогу 200601) имеет четырехпозиционный переключатель для проверки.
система. Для проверки соединений можно использовать трактор.
Вопрос: Как проверить функции блокировки скорости модуля RM-60 (PN#
200506-ОЕМ)?
Ответ. Средство диагностики (номер по каталогу 200601) имитирует высокоскоростные датчики.
для проверки всех функций.Свет на стороне прицепа должен быть подключен
к функциям моста для дорожных испытаний модуля.
Вопрос: Моя система работает в обратном порядке?
Ответ: этим управляет датчик (PN#200512). Датчик должен быть установлен
со стороны водителя так, чтобы стрелка указывала наружу от оси. Датчик
должен быть установлен на неподвижной оси.
Вопрос: Мой датчик (PN#200512) расплавился.
Ответ: Датчик Reverse-A-Matic(TM) может быть поврежден, если температура от
перегретый тормоз превышает 300*F.Замените датчик и проверьте все остальные
компоненты на конце колеса./17.gif)
Вопрос: У меня не работает лампа ABS?
Ответ: Проверьте, нет ли короткого замыкания на синей линии. Проверять
соединения жгута проводов дропаута (PN# 200514/15/21), если есть
это один. Модуль Reverse-A-Matic(TM) имеет внутренний предохранитель для сброса.
убедитесь, что модуль не влияет на мощность синей линии.
Вопрос: Я заменил модуль, но он все равно не работает?
Ответ: Все наши модули тестируются перед тем, как покинуть наше предприятие.Проблема
может существовать с проводкой прицепа, заземлением или датчиком (PN#200512).
Вполне вероятно, что модуль, который был удален, работает правильно.
Электрические схемы прицепа | etrailer.com
Соединители проводки прицепа
Доступны различные разъемы от четырех до семи контактов, которые позволяют передавать питание для освещения, а также для вспомогательных функций, таких как электрический контроллер тормозов прицепа, фонари заднего хода или источник питания 12 В для лебедки или внутренних фонарей прицепа.
Выберите разъем с необходимым количеством контактов для функций, необходимых для вашего прицепа. Если разъем находится под автомобилем, вам понадобится монтажный кронштейн, чтобы прикрепить его к автомобилю. Это поможет предотвратить повреждение, которое может произойти, если разъем останется болтающимся.
Эта таблица является типовым ориентиром, цвета проводов могут различаться в зависимости от производителя. Используйте тестер для проверки соединений.*ПРИМЕЧАНИЕ: Пятое соединение иногда используется в 5-ходовой системе для включения блокировки заднего хода на прицепах с импульсным тормозом.В этом случае блокировку следует подключить к цепи резервного освещения тягача.
4-контактные разъемы Имеются 4-контактные разъемы, позволяющие выполнять базовое подключение трех функций освещения (ходовые, поворотные и стоп-сигналы), а также один штырь для заземляющего провода. В большинстве стандартных легковых прицепов используется 4-контактный плоский разъем.5-контактные разъемы Доступны 5-контактные разъемы
, обеспечивающие базовое подключение трех функций освещения (ход, поворот и торможение), и, помимо заземления, один контакт доступен для поддержки другой функции.
Обычно 5-сторонняя плоскость используется для прицепов с импульсным тормозом или гидравлическими тормозами. Дополнительный провод подключается к фонарям заднего хода для отключения гидросцепного устройства (привода) прицепа при движении задним ходом, тем самым отключая тормоза прицепа. 6-контактные разъемыДоступны 6-контактные разъемы
, позволяющие выполнять базовое подключение трех функций освещения (ход, поворот и торможение). Земля и два дополнительных контакта доступны для выполнения двух дополнительных функций, обычно для электрических тормозов и «горячего» провода на 12 В.Круглые 6-контактные разъемы очень распространены на прицепах для лошадей. 6-контактные квадратные разъемы чаще встречаются в кемперах. Примечание: В некоторых приложениях черный разъем питания аккумулятора и синий разъем выхода контроллера тормоза перепутаны.7-контактные разъемы
Помимо трех основных функций освещения, доступны дополнительные контакты для электрических тормозов, «горячий» провод на 12 В и фонари заднего хода.
Существует два типа 7-контактных разъемов. У одного есть плоские штифты, которые часто называют лезвиями.Другой имеет круглые штифты. Стиль круглой булавки встречается очень редко. 7-ходовой тип RV с плоскими штифтами (или лезвиями) очень распространен. Его часто можно найти на новых грузовиках и внедорожниках, которые на заводе оснащаются сцепным устройством для прицепа. Примечание: Чтобы убедиться, что разъем вашего прицепа подключен правильно, мы рекомендуем использовать тестер цепи для сопоставления контактов по функциям. Поскольку цвета проводов могут различаться, они не так надежны для определения функций. А неправильно подключенная проводка может привести к повреждению электрических компонентов.Монтаж жгута проводов прицепа
Часто 4-контактный разъем прицепа остается в багажнике или грузовом отсеке автомобиля или внедорожника, когда он не используется. Это помогает продлить срок службы разъема, защищая его от элементов и случайных повреждений.
Когда это необходимо для буксировки, просто вытащите разъем и закройте багажник или заднюю дверь. Резиновый уплотнитель, обеспечивающий уплотнение дверцы, предотвращает защемление провода. Если разъем прицепа необходимо установить под автомобилем, мы предлагаем множество различных монтажных кронштейнов, которые помогут защитить разъем и предотвратить его болтание под автомобилем.Адаптеры проводки прицепа
Все разъемы T-One и комплекты жесткой проводки используют 4-контактный разъем прицепа. Этот разъем наиболее распространен среди небольших грузовых прицепов и может быть легко адаптирован для более крупных моделей с 5, 6 и 7 контактами. Использование адаптера позволяет избежать необходимости подключения к проводной системе автомобиля. Адаптеры подключаются к плоскому 4-контактному разъему и имеют провода для обеспечения дополнительных функций, таких как питание тормозов прицепа, питание для общего освещения, реверс или вспомогательное питание для лебедки или инструментов.
Если ваш автомобиль или прицеп оснащен чем-то другим, кроме 4-контактной вилки, например, более крупной 7-контактной круглой вилкой, вы можете воспользоваться нашим руководством по установке адаптера, чтобы найти тот, который подходит для вашего автомобиля и прицепа.Устранение неполадок проводки прицепа
Смотреть сейчас: Устранение неполадок проводки модуля Если у вас модуль Modulite (преобразователь с питанием), преобразователь или разъем T-One не работает должным образом, вам необходимо использовать тестер цепи, чтобы определить источник проблемы. Убедитесь, что сигнал входит и выходит из преобразователя или блока Modulite без подсоединенного прицепа.Единственная часть жгута проводов, которая обычно выходит из строя, — это коробка, поэтому вам нужно определить, поступает ли сигнал в коробку, и если да, возвращается ли он обратно по правильным проводам. Возможны четыре варианта:- Проблема: В коробку не поступает сигнал, значит что-то не так с автомобилем.
Решение: Решите проблему, проверив наличие перегоревших предохранителей, а затем проверьте точки установки. Используйте тестер цепей, чтобы проверить, подключены ли правильные провода, разъемы жгута проводов подключены к правильным разъемам автомобиля, и убедитесь, что разъемы подключены до конца. - Проблема: Если сигнал приходит и выходит по соответствующим проводам, то проблема в проводке прицепа. Решение: Решите проблему, осмотрев проводку на прицепе, чтобы убедиться, что все соединения выполнены правильно, а провода заземления подключены правильно. Скорее всего, провод заземления на прицепе закреплен неправильно. Система электропроводки прицепа заземляется на раму рядом с соединителем, и каждый фонарь также должен быть заземлен. Если из фары прицепа не выходит белый заземляющий провод, то фара заземлена через монтажные шпильки.Слишком большое количество краски, грязи или ржавчины может привести к плохому заземлению, поэтому убедитесь, что заземление закреплено на голом металлическом каркасе.
Также ищите зажатые или перерезанные провода; они часто встречаются, когда провода проложены над компонентами подвески или за задними фонарями. - Проблема: Если сигнал входит в коробку и не выходит или сигнал входит в коробку и выходит по неправильным проводам, возможно, заземление на автомобиле не подключено должным образом. Если белый заземляющий провод неправильно установлен на транспортном средстве, то зеленый и желтый провода не будут нести сигнал, выходящий из коробки. Решение: Решите проблему, проверив правильность установки провода заземления на автомобиле. Чтобы убедиться, что у вас есть подходящее заземление, сначала подключите провод заземления тестера цепей к тому же месту, что и провод заземления на жгуте проводов. Затем проверьте сигнал, поступающий в преобразователь или модульную коробку. Если сигнала нет, подключите тестер цепи к другому месту заземления, например к выхлопной трубе. Если сигнал присутствует, то место заземления жгута проводов плохое, и необходимо найти новое место.
На некоторых автомобилях элементы рамы и кузова не заземлены. В этих редких случаях ищите заземляющий провод, выходящий из подсветки номерного знака.
Проблема: Короткое замыкание преобразователя
Если через блок преобразователя проходит слишком много ампер, это может привести к короткому замыканию. Возможные причины:- Слишком много света на прицепе. Каждый задний фонарь с лампами накаливания потребляет около 2 А, а боковые габаритные огни обычно потребляют около 0,5 А каждый. Большинство преобразователей пропускают через себя до 4 ампер.
Стандартный преобразователь не может иметь более 1 заднего фонаря с каждой стороны. - Вода. Разъемы прицепа намокают, в результате чего через преобразователь проходит слишком много ампер.Вода может соединить все 4 провода разъема прицепа, что приведет к слишком большому потреблению тока. Это часто происходит, когда лодочный прицеп задним ходом попадает в воду, а проводка прицепа все еще подключена к автомобилю. Чтобы решить проблему намокания соединений, всегда отсоединяйте соединения прицепа перед тем, как нырнуть в воду задним ходом. Кроме того, крышки могут помочь предотвратить попадание воды в разъемы прицепа во время дождя или во время мойки автомобиля.
- Оголенные провода касаются друг друга или рамы прицепа. Это приводит к тому, что через блок преобразователя проходит слишком много ампер. Покрытие проводов прицепа может стать тонким, часто в месте соединения с задним фонарем прицепа или там, где провода проходят над подвеской прицепа.
Если провода подвешены слишком свободно, они могут быть зажаты и раздавлены между рамой прицепа и U-образными болтами подвески.
Чтобы решить проблему, осмотрите провода прицепа и замените поврежденные или изношенные.
Проблема: слабое основание
Смотрите сейчас: Как заземлить Если вы обнаружите, что некоторые, но не все функции освещения работают правильно, возможно, у вас проблема с заземлением. В этой ситуации слабого заземления достаточно, чтобы обеспечить некоторые функции освещения, но не все. Когда задние фонари и стоп-сигналы используются одновременно, создается максимальная амперная нагрузка фонарей на прицеп. Если существует проблема с заземлением, она будет отображаться в этот момент. Места для проверки заземления следующие:- Разъем на автомобиле должен иметь заземляющий провод, плотно закрепленный на чистой поверхности рамы. Провод, прикрепленный к кузову или поверхности с грунтовкой или ржавчиной, может вызвать проблемы с заземлением.

- Провод от разъема на прицепе должен быть плотно прикреплен к чистой поверхности прицепа.
- Каждый задний фонарь в задней части прицепа также должен быть заземлен. Это делается одним из двух способов. Во-первых, отдельный провод, идущий от задней части каждого узла задних фонарей, крепится к раме. Второй и самый популярный способ заземления достигается с помощью болтов узла заднего фонаря. При этом корпус фонаря необходимо прикрепить к раме прицепа.Если фонари установлены на древесине или ПВХ-материале, свет не получит заземление.
- Последняя возможность для изучения — дизайн прицепа. Если прицеп имеет наклонную платформу, возможно, земля не проходит через точку поворота, что приводит к плохому грунту. Решение этой проблемы состоит в том, чтобы проложить заземляющий провод от разъема в передней части прицепа к каждому фонарю в задней части прицепа, минуя эту точку поворота.
com, и ни один из них не решит вашу проблему, пожалуйста, не стесняйтесь обращаться к нам, чтобы наши специалисты по продуктам и установщики могли определить возможные средства правовой защиты или гарантийное покрытие.Как подключить автомобиль или грузовик к прицепу
По закону прицепы должны иметь как минимум ходовые огни, сигналы поворота и стоп-сигналы. Чтобы обеспечить питание и подключение для этих функций, необходимо подключиться к электрической системе тягача. Существует два варианта подключения к электрической системе вашего автомобиля: штекерный разъем T-One или специальный комплект проводов.Разъем T-One
Самый простой способ сделать это соединение — использовать разъем T-One, который поставляется с соединениями типа OEM, которые просто подключаются к существующему жгуту проводов вашего автомобиля, как правило, рядом с задней частью автомобиля или рядом с задние фонари. Иногда производитель автомобиля прокладывает провода к легко доступной вилке под автомобилем или за панелями в задней части грузового отсека.
T-One поставляются с предварительно смонтированным 4-сторонним плоским соединением для прицепа и могут быть расширены до 5-, 6- или 7-сторонних соединений для прицепа с помощью адаптера проводки.Индивидуальный комплект проводки
Если T-One недоступен, соединение можно легко выполнить с помощью одного из наших специально подобранных комплектов проводки. Мы предлагаем комплекты со всеми элементами, которые вам понадобятся, чтобы просто подключиться к существующим проводам на вашем автомобиле. Это может показаться сложным, но быстрые соединения делают установку жгута проводов быстрой и легкой. Быстрое соединение имеет две канавки; одна канавка предназначена для автомобильного провода, а другая канавка — для провода на комплекте жесткого провода. Как только оба провода находятся в канавках, вы просто нажимаете на верхнюю часть быстроразъемного соединения.Это вставляет металлическую деталь в оба провода, соединяя цепь и устраняя необходимость в обрезке или сращивании.
Чтобы подключить тягач к разъему прицепа, вам необходимо найти правильные провода. Чтобы помочь в этой задаче, вы можете проверить руководство по эксплуатации автомобиля или использовать тестер цепи. Тестер цепи используется, чтобы убедиться, что правильные провода комплекта проводки подключены к соответствующим проводам на автомобиле; это помогает определить, какой провод выполняет какую функцию. Проще всего подключиться к системе электропроводки автомобиля за задними фонарями.Включив левый указатель поворота, тестер цепи можно использовать для проверки различных проводов за задним фонарем со стороны водителя. Когда тестер цепи загорается, вы знаете, что провод несет функцию левого поворота. Быстрое сращивание, проведенное через желтый провод на разъеме прицепа и вокруг только что найденного провода автомобиля, зажмет, чтобы обеспечить надежное соединение. Три типа комплектов жестких проводов:- Стандартный 4-контактный жгут проводов — Для использования с автомобилями с достаточной мощностью и стандартной системой электропроводки они просто подключаются к существующим проводам автомобиля и имеют 4-контактный плоский разъем для присоединения прицепа.

- Преобразователь – Для использования с автомобилями, имеющими отдельные провода поворотников и стоп-сигналов. Некоторые автомобили посылают только один сигнал на провод, создавая так называемую трехпроводную систему: один провод для левого поворота, один провод для правого поворота и один провод для сигнала торможения (обычно для автомобилей с желтыми сигналами поворота). Преобразователь уменьшит его до стандартной 2-проводной системы, необходимой для подключения прицепа. Есть еще дополнительные провода для ходовых огней и для массы. Любому транспортному средству с желтыми поворотниками потребуется преобразователь.Однако для некоторых автомобилей с полностью красными задними фонарями также может потребоваться преобразователь. В жгут проводов с преобразователем встроен черный ящик. В коробку входит пять проводов, а выходит только 4. Преобразователь преобразует тормозной сигнал транспортного средства в левый и правый указатели поворота для системы электропроводки прицепа.

- Модульный преобразователь или преобразователь с питанием — Используется с транспортными средствами, которые не обеспечивают достаточного количества электроэнергии, чтобы справиться с дополнительной нагрузкой, связанной с питанием фонарей прицепа. когда включать свет на прицепе.Если на прицепе слишком много огней, и электрическая система автомобиля не может обеспечить достаточную мощность, используйте модуль или преобразователь с питанием. Модуль устанавливается так же, как и стандартный преобразователь, за исключением того, что к аккумулятору необходимо подвести дополнительный провод. Вместо того, чтобы получать питание от бортовой сети автомобиля, модуль получает питание непосредственно от автомобильного аккумулятора. Это безопаснее, потому что дополнительный ток для питания прицепа больше не проходит через дорогие электрические компоненты автомобиля.О нас 1 056 204
Создано, чтобы вы знали, что получаете, и получали именно то, что вам нужно.
35 570
Чтобы убедиться, что продукты работают так, как должны.
2 476 5111 125 924 телефонных звонка и 1 350 587 электронных писем, чтобы помочь найти правильное решение.
400+Мы знакомимся с нашей продукцией из первых рук, чтобы специалисты могли лучше помочь вам.
76Помощь нашим соседям и покупателям лицом к лицу за прилавком.
193 357Создан для того, чтобы вы всегда получали ответы на свои вопросы от настоящих экспертов.
Главная | Декстер Аксл Ко
Конкурентные преимущества
Наш лучший в своем классе социальный пакет включает медицинскую страховку с возможностью покрытия аптеки, стоматологии и зрения. Также предоставляется страхование жизни и страхование по инвалидности, а также ведущая в отрасли 401 (k).
Возможности роста
Мы стремимся продвигать выдающихся, целеустремленных сотрудников и предоставлять возможности карьерного роста во всей организации.

Обучение и безопасность
Мы ценим наших сотрудников и поощряем безопасные условия труда на всех наших предприятиях. Обучение является частью нашего процесса адаптации и предлагается на протяжении всей вашей карьеры в Dexter.
Передовое оборудование
Мы гордимся тем, что инвестируем в технологии и оборудование, которые помогают нашим сотрудникам выполнять свою работу безопасно, точно и эффективно.
Командная культура
Каждый завод Dexter предлагает программы вовлечения сотрудников, которые помогают развивать командную работу и лидерство среди сотрудников. Ежегодные мероприятия помогают сотрудникам и руководству обмениваться идеями.
Взаимодействие с общественностью
Наши сотрудники круглый год участвуют в жизни местных сообществ, участвуя в веселых забегах, акциях крови и посещениях классов, а также в мероприятиях по сбору средств, включая акции «Игрушки для малышей», «Упакуйте рюкзак» и акции с едой.

Менеджер связывается с вами и сообщает об этом, кроме того сообщает ориентировочный срок сдачи товара в терминал ТК.
Решение: Решите проблему, проверив наличие перегоревших предохранителей, а затем проверьте точки установки. Используйте тестер цепей, чтобы проверить, подключены ли правильные провода, разъемы жгута проводов подключены к правильным разъемам автомобиля, и убедитесь, что разъемы подключены до конца.
На некоторых автомобилях элементы рамы и кузова не заземлены. В этих редких случаях ищите заземляющий провод, выходящий из подсветки номерного знака.
Стандартный преобразователь не может иметь более 1 заднего фонаря с каждой стороны.
Если провода подвешены слишком свободно, они могут быть зажаты и раздавлены между рамой прицепа и U-образными болтами подвески.
Чтобы решить проблему, осмотрите провода прицепа и замените поврежденные или изношенные./125.gif)




Добавить комментарий