Почему тугой руль на мтз 80: Почему на МТЗ 80 не крутится руль ? — ЗАВОД РУ
Почему на МТЗ 80 не крутится руль ? — ЗАВОД РУ
- Автор: Дочь Аркадия
- 30 мая 2019
- Добавить в закладки
Мужчины,подскажите. На мтз-80 не крутится руль. В чём может быть причина?
МТЗ МТЗ 80 Руль Тугой руль
Поделиться
Мтз 82.Переделали рулевое управление на дозатор и цилиндр. Почему руль все равно крутится туго? Нажимаешь на газ становится получше. В чем причина?
- Автор: Сергей Козленко
- 26 июня 2021
- 17 комментариев
Интересно мнение специалистов. Такая проблема: старенький МТЗ 82, решились переделать рулевое управление на дозатор и цилиндр, все переделали, руль все равно крутится туго, нажимаешь на газ, ситуация меняется в лучшую сторону, но как только газ отпускаешь рулевое снова перестаёт работать. Думали не справляется старенький НШ 10, купили новый НШ 16, заменили, ситуация не поменялась, приехали в магазин менять дозатор, в магазине сказали что встречались с такими проблемами и скорее всего дело в цилиндре.
Купили, заменили, ситуация снова не поменялась, масло в системе М8ДМ, не пенится, но в гидробаке во время работы фонтанирует, бурлит и очень сильно греется, подскажите пожалуйста, в чем может быть проблема, не оставляйте без внимания.
МТЗ МТЗ 82 Переделать рулевое управление Дозатор Цилиндр Почему Руль Тугой руль Газ нажимаешь Лучше В чем причина?
Поставил дозатор на мтз 82, комплект на рулевую колонку, нш 16 купил. Почему руль всё равно туго? В чем еще проблема?
- Автор: Олег Винокуров(админ)
- 26 апреля 2021
- 8 комментариев
Мужики, подскажите. Поставил дозатор на мтз 82 комплект на рулевую колонку, нш 16 купил. Почему руль всё равно туго? В чем еще проблема?
поставил Дозатор Рулевая Колонка МТЗ МТЗ 82 Руль Тугой руль Почему причина В чем причина? Комплект НШ-16 Туго
Почему на мтз руль направо крутится нормально, не тяжело, а налево, только на полном газу и то туго?
- Автор: Василий Васютин
- 31 марта 2021
- 13 комментариев
Всем доброго дня.
Мужики дайте совет. На мтз руль в одну сторону нормально не тяжело, а в другую сторону только на полном газу и то туговато. Вернее на право норм, на лево хана.
МТЗ Руль нормально Туго Тугой руль Направо Налево полный Газ
Почему на МТЗ – 82.1 руль на месте прокручиваю с трудом? Перебрал ГУР, заменил распределитель гура(клапан)новый, заменил насос НШ 10.Толку ноль.
- Автор: Вадим Усов
- 14 февраля 2021
- 17 комментариев
Добрый день, нужна помощь!!!! На МТЗ – 82.1 руль на месте прокручиваю с трудом Вообщем, перебрал полностью ГУР, заменил распределитель гура(клапан)новый, заменил насос НШ 10 новый. Как не регулировал, толку ноль. Что может быть???
Почему МТЗ МТЗ 82.1 Руль Тугой руль На месте прокручивает Трудно Перебрать ГУР Клапан Распределитель заменить Замена Насос НШ НШ-10 Новый
На МТЗ- 80 новый дозатор и цилиндр. Поворачивает отлично на месте, но в поле держа перекрытие РУЛЬ поворачиваешь влево, а едешь ровно .
- Автор: Вячеслав Доценко
- 02 февраля 2020
- 10 комментариев
Всем добрый день! На мтз 80 Покупал новый дозатор и целиндр.
Поворачивает отлично на месте, но вот в поле держа перекрытие РУЛЬ постоянно поворачиваешь в лево а едишь ровно .Подскажыте в чем проблема? Может кто-то сталкивался с таким?
МТЗ МТЗ 80 Руль рулевой дозатор Цилиндр поворота
Поставили на мтз 80 двигатель д 243 вместо д 240 руль тяжело крутит, что может быть?
- Автор: Александр Брыков
- 14 октября 2019
- 12 комментариев
Подскажите пожалуйста поставили на мтз 80 двигатель д 243 вместо д 240 руль тяжело крутит
МТЗ МТЗ 80 Двигатель Двигатель Д-240 Двигатель Д-243 Руль
Почему на МТЗ 80 1993 г.в. руль плохо поворачивает ?Поворачивает только при высоких оборотах, на малых оборотах невозможно повернуть.
- Автор: Темирлан Абылгазин
- 08 мая 2019
- 22 комментария
Подскажите пожалуйста, МТЗ-80 1993 г.в. Руль плохо поворачивает .Поворачивает только при высоких оборотах, на малых оборотах невозможно повернуть, влево поворачивает нормально, но иногда так же тупит как и вправую сторону.
И еще трактор нагревается незнаю из за чего. PS Молодой тракторист второй сезон работаю
МТЗ 80 Руль Тугой руль Плохо Обороты Обороты двигателя
Почему на мтз 80 туго крутится руль? Заменили распределитель, нш 10 на новый, заменили, кольца поршня цилиндра.
- Автор: DELETED
- 24 августа 10:10
- 10 комментариев
Здравствуйте. Подскажите, пожалуйста, на мтз 80 туго крутится руль Заменили распределитель на новый, нш 10 тоже заменили, кольца поршня цилиндра тоже новые, в чем может быть проблема? – – – Anzor
Почему МТЗ 80 Туго Крутится Руль заменить Распределитель НШ-10 Новый Кольца Поршня цилиндры
Почему на МТЗ 80, когда утром уровня масла нет ,а на горячую появляется масло на щупе?
- Автор: Сергей Мухаматянов
- 26 июля 11:00
- 10 комментариев
Всем привет. Такая проблема: на МТЗ 80, когда утром смотришь уровень масла вообще нету ,а когда завел и потарахтит маленько и заглушил и потом появляется масло на щупе.
Почему?
Почему МТЗ МТЗ 80 Щуп Масло нет утро На горячую появляется Уровень масла Уровень
Старый мтз 80, новый нш32 поставили. Почему кун слабо поднимается?
- Автор: Шалкар Коштаев
- 21 июля 11:12
- 4 комментария
Здраствуйте, ребята. У меня старый мтз 80, новый нш32 поставили. Кун слабо поднимается, в распреде клапана какой то резинки попдает Подскажите, пожалуйста, что надо менять или что надо сделать?
старый МТЗ МТЗ 80 Новый Новый насос НШ 32 поставил Почему Кун Слабо Поднимается
Насос дозатор МТЗ (рулевой): неисправности, установка
Содержание
- Какой принцип работы насоса МТЗ?
- Как правильно выполнить установку насоса дозатора?
- Алгоритм установки
- УСТАНОВКА АГРЕГАТА НА МТЗ СВОИМИ РУКАМИ (ВИДЕО)
- Неисправности насоса
Насос дозатор МТЗ — это составляющая часть гидрообъемного комплекса, управляющего трактором. Он способствует правильному распределению жидкости и ее подаче к гидравлическим цилиндрам, что, в свою очередь, значительно упрощает управление трактором.
Это позволяет оператору прикладывать намного меньше усилий для поворота колеса, что очень важно при сильной загруженности трактора.
1 Какой принцип работы насоса МТЗ?
Насос дозатор МТЗ выпускают на тракторном заводе в Минске. Производителем было максимально упрощено устройство агрегата для обеспечения хорошей износоустойчивости механизмов и простоты в обслуживании. Агрегат включает 3 главные комплектующие части:
- корпус с клапанным блоком;
- особый качающийся узел;
- механизм распределения.
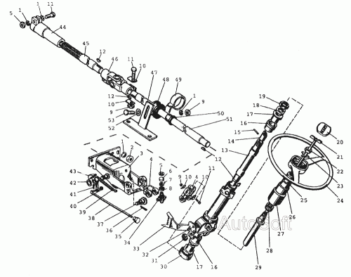
Устройство насоса дозатора ГУР МТЗ
В качающемся узле насоса — несколько частей: неподвижный статор и ротор, к которым подходит золотник устройства. Золотник крепится 2 пружинами и соединяется с валом колонки руля. Двигаясь, рулевая колонка приводит в движение золотник и, смещаясь относительно центральной оси, осуществляет поставку масла внутрь насоса.
Особый клапанный блок корпуса содержит противовакуумные, предохранительные, обратные и противоударные клапаны.
Обратные клапана требуются в случае отказа гидравлического мотора. Тогда клапаном перекрывается сливной канал системы гидравлического усиления, мешая перемещению жидкости. Предохранительные клапаны регулируют давление в системе маслопровода.
Противовакуумные клапаны способствуют перемещению масла в гидравлические цилиндры при авариях в системе. Противоударными клапанами регулируется давление в магистралях при очень большой нагрузке при движении по неровным участкам трассы.
Устанавливать насос дозатор необходимо на технику, движущуюся со скоростью не выше 50 км/ч, а располагать в объёмном гидравлическом приводе машины.
Воздействуя на управляющую систему, насос дозатор осуществляет подачу рабочей жидкости к гидроцилиндру и усиливает действия оператора. При отсутствии воздействия на управляющую систему положение насоса становятся нейтральным, и он пропускает жидкость непосредственно к сливной системе.
к меню ↑
2 Как правильно выполнить установку насоса дозатора?
При установке насоса дозатора на МТЗ 80 и МТЗ 82 выполняется частичная замена системы ГУР (гидравлического управления руля) на ГОРУ (гидравлическое объёмное рулевое управление).
В комплект ГОРУ входят:
Если необходимо, также покупают кран, блокирующий дифференциал механизма ГОРУ. Его применяют, чтобы заменить блокировку, используемую на ГУР. Этот кран предоставляет возможность для блокировки руля на нестабильных дорожных участках, что улучшает проходимость транспорта.
к меню ↑
2.1 Алгоритм установки
- В первую очередь снимают коробку ГУР (распределитель). Для этого необходимо снять рычаги управления, потом изъять пластины пыльников, уплотнители и пыльники. Потом нужно снять крышки и вытянуть золотники.
- На следующем этапе меняют подшипники, если имеющиеся износились.
- Снимают червяк агрегата.
- На место червяка устанавливают вал дозатора.
- Устройство для дозировки прикручивают к необходимой планке. Для установки используют потайные болты.
- Потом насос проверяют и после этого устанавливают насос дозатора на мтз в систему гидравлического усиления.
Остальной комплект ГОРУ меняют до того, как будет произведена установка агрегата.
к меню ↑
2.2 УСТАНОВКА АГРЕГАТА НА МТЗ СВОИМИ РУКАМИ (ВИДЕО)
к меню ↑
3 Неисправности насоса
Всякая неисправность дозатора на мтз 82 или системы объёмного управления руля может вызвать осложнения в функционировании управляющей системы. Для восстановления работоспособности системы необходимо чёткое понимание того, что именно пришло в негодность. Об этом можно судить по таким признакам:
- Неустойчивость переднего моста говорит о том, что ось поворотного вала сместилась. Также это может указывать на то, что в узлах агрегата или в тяге управления руля образовались зазоры.
- Для того чтобы поворачивать руль, необходимо прикладывать больше усилий. Причина — малый объём масла в дозаторе.
Вторая возможная причина – большой объём воздуха в гидросистеме, что может привести к холостой работе оборудования. - Произвольное изменение положения колеса руля. Руль может поворачиваться сам из-за неправильного расположения золотника в насосе. Нейтральное положение золотника зависит от 2-х растягивающих пружин. Если одна из них поломается, возможна постоянная подача масла на один из цилиндров, что вызовет поворот руля.
- Плохой упор при повороте или его отсутствие. Это может объясняться недостаточным количеством масла в дозаторе, что ухудшает его работоспособность. Ещё одна причина этой неисправности – износ прокладок уплотнения на цилиндрах, которые отвечают за поворот автомобиля.
- Поворот колеса трактора в противоположную сторону при повороте руля. Это вызвано неправильным соединением выводов к гидроцилиндрам автомобиля с насосом дозатором, что приведёт к подаче масла на другой цилиндр и усилится другая сторона.
Схема установки насоса дозатора
Также к неисправности может привести загрязнение контура гидравлического усиления.
Если клапаны насоса забьются грязью и прочими частичками, то они не смогут обеспечить пропускание жидкости по системе и регулирование давления. Итогом будет снижение работоспособности системы, и она может сломаться.
Главная страница » Насосы
6 причин, почему рулевое колесо туго поворачивается и решения
Рулевое колесо является важной частью механизма управления автомобилем. Без него вы не сможете повернуть, перестроиться, объехать выбоину или маневрировать на парковочном месте. Такая проблема, как туго крутится руль , очень опасна как для вас, так и для других автомобилей на дорогах, поскольку может привести к авариям. Представьте себе, что вам нужно перестроиться в другую полосу или повернуть на шоссе или оживленной улице, но руль заедает или поворачивается слишком медленно. Это так же смертельно, если вы едете по коварной горной дороге.
Нет ранних признаков того, что рулевое колесо туго поворачивается. Обычно, когда вы оказываетесь в такой ситуации посреди пробки, бывает уже слишком поздно.
Узнайте распространенные причины того, что руль плохо поворачивается, как решить проблемы и как предотвратить их появление.
Вы можете столкнуться с тем, что рулевое колесо трудно поворачивать на низких скоростях , а затем проблема чудесным образом несколько облегчается, когда вы ускоряетесь, просто потому, что вы, скорее всего, замедляетесь при повороте. Это не означает, что вы должны игнорировать проблему тугого поворота руля, так как она точно не исчезнет сама по себе.
Когда возникает эта проблема, вы можете быть уверены, что в вашей системе рулевого управления с усилителем есть сбой. Это может быть жидкость, насос или поликлиновой ремень. Все эти вещи работают вместе, чтобы уменьшить сопротивление колеса во время поворота. Когда какая-либо из этих вещей или все они не работают должным образом, вам будет трудно поворачивать руль из-за высокого уровня сопротивления.
Пропуск планового обслуживания в сочетании с естественным износом некоторых компонентов являются наиболее распространенными причинами жесткий руль .
Поэтому вам лучше всего не отставать от планового обслуживания, иначе, как только вы обнаружите, что залипает на руле посреди оживленной дороги или на шоссе, вы ничего не сможете сделать.
Для работы системы гидроусилителя руля вам необходимо достаточное количество специальной жидкости, называемой жидкостью для гидроусилителя руля. Эта жидкость служит каналом, через который мощность передается от рулевого колеса к рулевому механизму автомобиля для поворота колес. Он также служит для смазки и защиты движущихся частей системы от перегрева и коррозии.
Наиболее распространенная причина того, что рулевое колесо туго поворачивается, — это недостаточное количество жидкости гидроусилителя руля в системе. Скорее всего, это произойдет, если из трещины в области шланга под давлением вытечет жидкость или если эта область ослабнет.
Жидкость просачивается через эту трещину, тем самым снижая давление в системе и заставляя насос гидроусилителя руля работать с большей нагрузкой, чтобы компенсировать потерю давления. В результате руль не получает достаточного запаса жидкости для свободного поворота, и вам придется прикладывать гораздо больше усилий, чем обычно.
Заливка жидкости в бачок гидроусилителя руля решит проблему на некоторое время, и автомобиль может некоторое время двигаться, но необходимо устранить утечку. В противном случае это в конечном итоге приведет к выходу из строя насоса гидроусилителя руля, что может стать дорогостоящей заменой.
ПОДРОБНЕЕ
- Простой способ снять подушку безопасности с рулевого колеса
- Почему руль шумит при повороте?
Если при осмотре вы обнаружите, что жидкость для гидроусилителя заполнена, но все еще с трудом поворачивается, , то следующим вероятным виновником является загустевшая жидкость для гидроусилителя руля.
Это неизбежная проблема, которая возникает со временем.
Как и все другие типы жидкостей в автомобиле, жидкость для гидроусилителя руля не имеет бесконечного срока службы, и со временем она собирает грязь и мусор. Поэтому крайне важно регулярно менять его в соответствии с рекомендованными производителем интервалами. Невыполнение замены в течение указанного периода означает, что жидкость загустеет и потеряет способность должным образом смазывать систему.
Загущенная жидкость гидроусилителя руля все еще может позволить вам повернуть руль, но для этого вам придется приложить гораздо больше усилий, а рулевое колесо, которое трудно поворачивать в авариях, требующих мгновенного управления, может поставить под угрозу вашу безопасность. Единственное решение — вымыть старую жидкость из системы и залить новую, свежую жидкость для гидроусилителя руля.
Неисправный насос гидроусилителя руля Система гидроусилителя руля состоит из двух основных частей: реечной передачи и, во-вторых, насоса гидроусилителя руля.
Насос гидроусилителя руля перекачивает жидкость системы рулевого управления к реечному механизму. Когда вы поворачиваете руль, регулирующий клапан в системе пропускает жидкость к шестерне, что позволяет вам поворачивать руль без особых физических усилий. Когда руль поворачивается, шестерня движется против рулевой рейки, которая приводит в движение четыре колеса в том направлении, в котором вы движетесь.
Кроме того, основная роль насоса гидроусилителя руля заключается в поддержании оптимального уровня давления в системе, чтобы рулевое колесо можно было поворачивать плавно, не прикладывая больших усилий. Если по какой-либо причине насос выйдет из строя, «силовая» часть вашей системы рулевого управления также выйдет из строя, и вам будет трудно поворачивать рулевое колесо.
Неисправный насос не заблокирует колесо полностью, но для этого потребуется гораздо большее усилие, что может быть опасно при резком повороте в экстренной ситуации.
Насос гидроусилителя руля рассчитан на тысячи миль пробега, хотя иногда он может преждевременно выйти из строя.
Прежде чем выйти из строя, неисправный насос гидроусилителя руля часто будет издавать скулящий или стонущий звук, особенно во время резкого поворота. Так как помпа приводится в действие ремнем, по мере увеличения оборотов двигателя этот звук также будет громче и чрезмернее.
Тем не менее, насос может выйти из строя из-за ослабленных или поврежденных разъемов насоса. Поэтому, прежде чем сразу же заменить насос гидроусилителя руля, проверьте, не виноват ли он. Замена помпы будет стоить вам от 100 до 200 долларов, если вы сделаете это самостоятельно, и около 500 долларов, если вы обратитесь за профессиональной помощью.
Плохая рулевая рейка Рулевая рейка является важной частью реечной передачи. Роль рулевой рейки заключается в том, чтобы прикрепить руль к механизмам, которые поворачивают колеса в нужном вам направлении. Рулевая рейка соединена с рулевым колесом через ряд валов и U-образных шарниров. Эти детали и сама стойка просто изнашиваются после длительной езды.
Если вы чувствуете, что руль с трудом поворачивается после того, как вы только что завели автомобиль, но постепенно руль будет поворачиваться более плавно по мере того, как вы продолжаете движение, проблема определенно связана с рулевой рейкой. Это происходит из-за того, что рейка нагревается во время работы двигателя, позволяя смазке осесть. Вы можете продолжать движение в этом состоянии, но если оставить изношенную рейку как есть, проблема усугубится.
Вы заплатите от 650 до 1200 долларов за замену рулевой рейки, детали которой будут стоить от 350 до 830 долларов, а работа — от 280 до 360 долларов. Цены на запчасти сильно различаются в зависимости от конкретной марки и модели вашего автомобиля.
Поврежденный поликлиновой ремень>> Поиск дешевых подержанных автомобилей у надежных японских продавцов? Щелкните здесь <<
Другой распространенной причиной того, что руль трудно поворачивать, является треснувший или оборванный поликлиновой ремень.
Этот ремень отвечает за многие важные функции в двигателе, в том числе за работу насоса гидроусилителя руля. Ремень стареет и изнашивается со временем, потому что он работает все время, пока вы ведете машину.
По мере ослабления, растрескивания и износа руль начинает проявлять признаки жесткости. Промедление с ремонтом или заменой приведет к обрыву ремня, что приведет к выходу из строя рулевого колеса.
Ослабление или обрыв поликлинового ремня может привести к тому, что другие компоненты, зависящие от него, также перестанут работать, например, водяной насос, генератор переменного тока и компрессор кондиционера. Неисправный ремень также приведет к повреждению шкива, и автомобиль обязательно перегреется, что губительно.
Средняя стоимость замены поликлинового ремня составляет от 110 до 130 долларов США, стоимость деталей обычно составляет около 60 долларов США, а затраты на оплату труда — от 50 до 70 долларов США.
Давление в шинах Удивительно, но плохое давление воздуха может быть причиной затрудненного поворота рулевого колеса.
Неправильное давление в шинах, особенно в спущенных шинах, может вызвать эту проблему. Все шины вашего автомобиля должны быть накачаны в соответствии с рекомендованным производителем PSI.
Кроме того, выравнивание переднего конца — еще одна важная вещь. Неравномерный износ передних шин заставит ваш автомобиль уводить в сторону во время движения или поворота. Неравномерный рисунок протектора шин приводит к смещению колес, что также может быть причиной жесткого и тугого руля во время поворотов на дороге.
❖ ОПОРА РУЛЕВАЯ МТЗ 80 ЛТ ПРОИЗВОДИТЕЛЬ
Безопасный онлайн-платеж
7 д. гарантия возврата
Забрать в Вильнюсе БЕСПЛАТНО
Быстрая доставка по всему миру
Количество: Осталось 998 шт.
Вес продукта с ударом:
26 кг
Номер детали производителя:
1.
00.70.010
Производитель запчастей:
Агрикола
Должность:
Передний
Сочинение:
Комплект
Объем двигателя:
0,7
1,0
OEM:
Оригинал
Отметка:
Mercedez-Benz
Другие запчасти продавца в категории Рулевой механизм
ДЕТАЛИ AGRICOLA 1.00.70.010 ОПИСАНИЕ:
Описание автоматически переведено с иностранного языка, возможны грамматические и логические ошибки:
Бывшие в употреблении детали имеют царапины и следы использования.
Пожалуйста, всегда проверяйте состояние детали на фотографиях, это реальные фотографии продаваемой детали. На товаре могут быть вмятины, потертости, следы коррозии или подобные признаки, могут быть небольшие повреждения, например поврежден держатель, разъем, что видно на фото. Пожалуйста, всегда сопоставляйте номера деталей и внимательно просматривайте фотографии перед покупкой детали. Если вам нужна дополнительная информация об этой детали, свяжитесь с нами.
WSPOMAGANIE KIEROWNICY MTZ 80
- Z ORYGINALNYM ORBITROLEM MARKI HYDROLIDER
- DO CIĄGNIKÓW BEZ PRZEDNIEJ OSI NAPĘDOWEJ
- CYLINDER WSPOMAGANIA MONTOWANY Z PRZODU DO OSI
- ORBITROL MONTOWANY Z PRZODU DO SERWOMECHANIZMU
Produkcja: Oryginalny produkt marki Гидролидер, код: 1.00.70.010
Запас:
Zestaw przeznaczony do montażu na ciągniku МТЗ 80 БЕЛАРУСЬ.
Przeznaczony głównie do ciągników z zamontowanym ładowaczem czołowym TUR lub innym urządzeniem dociążającym przednią oś skrętną.
Polecany również do ciągników pracujących w bardzo ciężkich warunkach w gospodarstwach rolnych, садач, магазин, склад и инныч.
DROGI KLIENCIE PRZECZYTAJ TO ZANIM KUPISZ WSPOMAGANIE:
Wspomaganie na orbitrol jest bardzo precyzyjnym i ważnym dla bezpieczeństwa ruchu urządzeniem. Niestety na rynku pojawiają się zestawy, które na pierwszy rzut oka wyglądają podobnie, ale mało precyzyjne wykonanie oraz podzespoly niewiadomego pochodzenia uniemożliwiają prawidłową jazdę cią cią.
W tym miejscu kupujesz zestaw z pewnego źródła, od productenta, który posiada stanowisko probiercze i prowadzi wewnętrzną kontrolę jakości poszczególnych podzespołów wchodzących w skawład Od productenta, który ma kilkunastoletnie doświadczenie przy produkcji i sprzedaży tego typu urządzeń.
Zalety wspomagania MTZ 80 Agricola:
- Jedyne takie wspomaganie na rynku, które jest w 100% completne
- Łatwy montaż 9 bezabiancigną przerby0040
- Pasuje do ciągników z zamontowanym ładowaczem TUR lub TUZ
- Pasuje do każdego rocznika ciągnika i do każdej kabiny
- Bardzo lekkie i płynne sterowanie kierownicą
- Większość podzespołów oryginalna produkowana na Ukrainie
- Darmowe wsparcie techniczne od producenta
- Dostępność części zamiennych oraz serwis pogwarancyjny
Дополнительная информация:
- Uwaga!!! Trzeba sprawdzić, czy przednia oś w ciągniku jest fabrycznie przystosowana do zamocowania wspornika, który trzyma siłownik, czyli czy oś posiada nagwintowane otwory.
Jeśli takich otworów nie ma, jest możliwość zamocowania tego wspornika, ale, nie obędzie się bez dodatkowych prac związanych ze zrobieniem otworów na osi lub przyspawaniem owlikego wspornika, to nie jest skomp zowbyt. - Jeżeli chcesz sprzedać ciągnik i masz z tym Problemy, zakup wspomagania może okazać się perfectnym wyjściem z sytuacji. Montując takie wspomaganie bez Problemu możesz podnieść wartość rynkową ciągnika nawet o . Twoja oferta zabłyśnie na tle innych, a szansa na sprzedanie ciągnika bendzie przy tym dużo większa.
- Jeżeli zakupiłeś ladowacz i praca z ciągnikiem stała się udręką, nie zastanawiaj się, kupując wspomaganie wszystkie Problemy znikną. Kierownicą zakręcisz jedną ręką i praca stanie się lżejsza i przyjemna. Daj sobie pomóc i zainwestuj w zdrowie.
- Wszystkie rozwiązania konstrukcyjne wykorzystane w zestawie są chronione prawem patchowym. номер Wniosku 002645069
- Położenie koła kierownicy po wykonaniu skrajnych skrętów może się różnić, nie jest to wadą działania układu.
[Jest to naturalne zjawisko występujące w układach hydrostatycznych]
ДОСТАВКА
Доставка осуществляется в города: Бирмингем, Лидс, Шеффилд, Манчестер, Брэдфорд, Ливерпуль, Бристоль, Ньюкасл, Сандерленд, Вулверхэмптон, Тирана, Вена, Брюссель, Сараево, София, Загреб, Прага, Копенгаген, Хельсинки, Париж, Берлин, Афины, Будапешт, Рейкьявик, Дублин, Рим, Вадуц, Люксембург, Валлетта, Кишинев, Монако, Подгорица, Амстердам, Скопье, Осло, Варшава, Лиссабон, Бухарест, Сан-Марино, Белград, Братислава, Любляна, Мадрид, Стокгольм, Берн и другие.
Деталь ПОДДЕРЖКА РУЛЯ МТЗ 80 ЛТ ПРОИЗВОДИТЕЛЬ находится на складе поставщика и продается через интернет
Обращаем Ваше внимание, что в связи с максимальной загрузкой посылочных служб возможны задержки доставки.
Стоимость доставки товара Вы можете узнать, нажав кнопку КУПИТЬ на странице корзины и указав точный адрес и страну доставки.
Товар доставляется по всей Литве в течение 1-2 рабочих дней (после доставки на склад в Вильнюсе).
Доставка осуществляется курьерскими службами DPD, VENIPAK и DHL.
Для получения дополнительной информации о доставке см. страницу доставки.
Мы отправляем товары по всему миру (если вашей страны нет в списке, пожалуйста, уточняйте стоимость доставки напрямую). Пожалуйста, свяжитесь с нами перед заказом, чтобы получить подтверждение того, что мы можем отправить товар на ваш адрес. За острова или труднодоступные районы может взиматься дополнительная плата. Пожалуйста, свяжитесь с нами перед покупкой, если вы находитесь в труднодоступном месте.
Заказ будет обработан в течение 1-2 рабочих дней после подтверждения оплаты. Заказ будет доставлен примерно через 2-7 дней. на склад в Вильнюсе или Польше, где вы можете забрать его БЕСПЛАТНО. Если вы не получили товар в течение 10 дней, пожалуйста, свяжитесь с нами.
Стандартное время доставки в города Литвы 1-2 рабочих дня.
ГАРАНТИЯ
На бывшие в употреблении детали распространяется 7-дневная гарантия возврата, если изделие повреждено или доставлено не так, как было заказано. Необходимо проконсультироваться с нашими консультантами, чтобы проверить, подходит ли деталь. Гарантийный срок на восстановленные детали может составлять до 4 лет в зависимости от их поставщика, а на новые детали – до 6 лет. Гарантийный срок исчисляется с даты получения детали. Согласно правилам ЕС, поставщик должен отремонтировать, заменить приобретенный вами товар, снизить его цену или вернуть деньги, если товар неисправен, выглядит не так, как указано в описании, или не работает так, как рекламируется.
Если возврат произошел по нашей вине (если товар не работает, отличается от описанного), покупатель получит полный возврат средств. Во всех остальных случаях взимается дополнительная плата в размере 20%, и покупатель оплачивает расходы по доставке и возврату. Электронные части (форсунки, помпы, компьютер) или аналогичные детали требуют выписки из нормального специализированного сервиса для доказательства неисправности товара.
Быстро и легко выбирайте и заказывайте детали через Srotas24.co.uk
1.
ИСПОЛЬЗУЙТЕ КАТАЛОГ ЗАПЧАСТЕЙ и выберите ПОДХОДЯЩУЮ ЗАПЧАСТЬ
2.
ПРОВЕРЬТЕ И ЗАПОЛНИТЕ ФОРМУ ПОКУПАТЕЛЯ И ДОСТАВКИ
3.
ВЫБЕРИТЕ ПОДХОДЯЩИЙ СПОСОБ ОПЛАТЫ
ОПЛАЧЕННЫЙ ЗАКАЗ БУДЕТ ПОДТВЕРЖДЕН И ДОСТАВЛЕН В ТЕЧЕНИЕ 1-2D *
* ПОДРОБНЕЕ О ДОСТАВКЕ ТОВАРА доставка товара.
Srotas24.co.uk, один из крупнейших интернет-магазинов автозапчастей, продает новые и б/у автозапчасти как ПОДДЕРЖКА РУЛЯ МТЗ 80 ЛТ ПРОИЗВОДИТЕЛЯ от таких известных автопроизводителей как Audi, BMW, VW, Volvo, Mercedes-Benz, Opel , Форд, Рено, Ниссан и другие производители.
product-tabs.inf-01
Интересует цена на автомобильную деталь онлайн?
Цена и описание автозапчастей, без учета стоимости доставки автозапчастей на дом, указаны выше.
Автомобильные детали, бывшие в употреблении: предмет, который уже использовался ранее. Деталь может иметь признаки косметического износа, но функционировать безупречно и функционировать должным образом.
Пожалуйста, проверьте деталь и ее номер перед покупкой. Деталь будет продана, как показано на фотографиях.
Ознакомьтесь с характеристиками и кодами детали ОПОРА РУЛЕВАЯ МТЗ 80 ЛТ ПРОИЗВОДИТЕЛЬ , просмотрите все предоставленные фото и сравните свои с запчастями, которые вы меняете. Изображенный объект – это тот, который вы получаете именно таким, каким вы его видите, никакие другие части или детали не будут представлены вместе с ним.
Покупка автомобилей на всей территории Литвы. Мы покупаем подержанные и битые автомобили или новые автомобили из Америки, как подержанные, так и нет. ВНИМАНИЕ: Во многих автомобилях используются похожие на вид детали, но их выбор очень широк.
Перед покупкой Maserati – ПОДДЕРЖКА РУЛЯ МТЗ 80 ЛТ ПРОИЗВОДИТЕЛЬ, убедитесь, что эта запчасть подходит вам и совместима с вашей конкретной моделью. Ответственность за соблюдение лежит на покупателе. Пожалуйста, используйте предоставленную информацию, чтобы убедиться, что эта деталь подходит для вашего автомобиля.
Вы получите товар, как показано. Более подробную информацию о продукте предоставят наши менеджеры по телефону +370 654 28028 или напишите в INTERNET HELP или на электронную почту. электронная почта: [email protected].
Купить ОПОРА РУЛЕВАЯ МТЗ 80 ЛТ ПРОИЗВОДИТЕЛЬ
Srotas24.ru — один из крупнейших интернет-магазинов новых и б/у автомобильных запчастей, таких как ОПОРА РУЛЬНАЯ МТЗ 80 ЛТ ПРОИЗВОДИТЕЛЬ, от самых популярных производителей автомобилей и др. Бывшая в употреблении деталь может иметь признаки использования, но ее рабочие характеристики должным образом сохранены. Состояние видно на фото.
Интересует цена ОПОРЫ РУЛЕВОЙ МТЗ 80 ЛТ ПРОИЗВОДИТЕЛЯ?
ОПОРА РУЛЕВАЯ МТЗ 80 ЛТ ПРОИЗВОДИТЕЛЯ вы можете заказать недорого в нашем интернет-магазине запчастей. Стоимость и описание автозапчасти приведены выше (без учета стоимости доставки на дом).
Перед заказом ОПОРЫ РУЛЯ МТЗ 80 ЛТ ПРОИЗВОДИТЕЛЯ убедитесь, что данная деталь подходит Вам и совместима с Вашей моделью автомобиля.


Вторая возможная причина – большой объём воздуха в гидросистеме, что может привести к холостой работе оборудования.
Jeśli takich otworów nie ma, jest możliwość zamocowania tego wspornika, ale, nie obędzie się bez dodatkowych prac związanych ze zrobieniem otworów na osi lub przyspawaniem owlikego wspornika, to nie jest skomp zowbyt.
[Jest to naturalne zjawisko występujące w układach hydrostatycznych]
Добавить комментарий