Почему тугой руль на мтз 80: Доступ ограничен: проблема с IP
Ремонт рулевого МТЗ – МТЗ Петров
Ключевым элементом конструкции популярной серии тракторной техники МТЗ представляется рулевое управление. Для того чтобы поддерживать его в оптимальном состоянии, может потребоваться регулировка рулевой колонки МТЗ 80, а также другие манипуляции, направленные на устранение различных неисправностей.
Прежде чем более подробно изучить устройство рулевой колонки МТЗ 80, а также возможные неисправности этого важного узла, целесообразно более подробно ознакомиться с его назначением и особенностями. ГУР тракторной техники МТЗ предназначен для уменьшения усилий водителя, необходимых для совершения маневров при управлении транспортным средством.
Если изучить конструкцию трактора, можно сделать вывод о том, что данный узел представляется промежуточным между рулевым колесом и колесами трактора. Все комплектующие рулевого управления, а также гидравлические элементы установлены под радиатором.
Гидроусилитель руля МТЗ-80
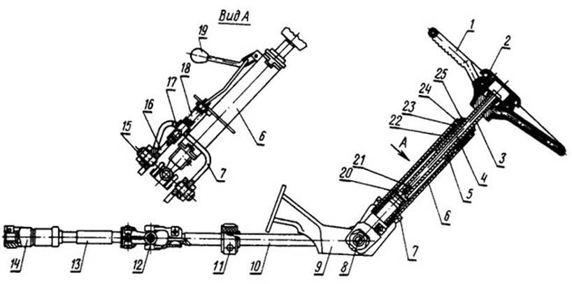
Перечень узлов
Планируя выяснить, как выполнить ремонт рулевой колонки МТЗ 80 своими руками, следует изучить конструкцию этого компонента.
ГУР оснащен отдельной гидравлической системой, которая не зависит от аналогичных элементов, являющихся частью внутреннего устройства трактора.
Основными элементами рулевой гидросистемы представляются распределитель, насосные устройства дозатора и цилиндра, а также датчик автоматической блокировки заднего моста транспортного средства. Рассматривая конструкцию гидроусилителя более подробно, необходимо упомянуть следующие важные элементы:
- корпус, где расположена масляная емкость, служит для монтажа большинства деталей и элементов ГУР;
- насос, за счет которого удается перемещать масло в гидравлической системе;
- сектор, контактирующий с рулевым управлением, размещен на поворотном вале;
- поворотный вал, оснащенный 3 опорными элементами;
- рейка, передающая сектору движение поршня;
- золотник, смонтированный на одном из концов червячного механизма рулевой колонки;
- фильтр, используемый для очистки масла, циркулирующего в гидравлической системе;
- предохранительный клапан, основным назначением которого представляется защита узла от возникновения чрезмерного давления.

Желая узнать, как устранить неисправности рулевой колонки, необходимо обратить внимание и на другой важный элемент конструкции — автоматическую блокировочную систему. Она предназначена для блокировки дифференциала заднего моста, включает в себя несколько составных элементов.
Возможные неисправности
Продукция Минского тракторного завода отличается высоким качеством, превосходными техническими характеристиками и длительным сроком службы, однако со временем может потребовать ремонта и регулировки.
- тугое рулевое управление;
- трактор не поворачивает в нужном направлении;
- наблюдаются задержки при работе узла.
Для устранения подобных неисправностей настоятельно рекомендуется осуществлять разборку узла и проводить дефектовку отдельных элементов, после чего заменять поврежденные детали на новые.
После проведения работ потребуется установить узел на место, после чего выполнить его регулировку.
Схема рулевой колонки
Настройка и ремонт
При необходимости усовершенствовать ГУР МТЗ 80 либо устранить незначительные поломки достаточно выполнить детальную регулировку данного механизма. Для этого целесообразно придерживаться следующей инструкции:
- Ослабить основной болт, размещенный в месте зацепления «червяк-сектор».
- Используя ключ, повернуть втулку по часовой стрелке до упора, после чего повернуть в обратном направлении на 1-1,2 см.
- Затянуть основной болт, завести двигатель и убедиться в корректном вращении рулевого колеса.
- При обнаружении заедания потребуется увеличить зазор в зацеплении, повернув втулку против часовой стрелки.
- Отрегулировать место соединения «сектор-рейка», уменьшив толщину регулировочных прокладок до упора. Определить крайнее положение можно по зазору между рейкой и упором, который достигнет 0,1-0,3 мм.

- Затянуть упорные подшипники с помощью сферической гайки, избегая чрезмерного поджатия.
Помимо действий по регулировке узла, может потребоваться выполнить техническое обслуживание, что поможет поддерживать ГУР в оптимальном состоянии. Чаще всего требуется промывать масляный фильтр, что можно сделать, подняв облицовку, демонтировав маслопровод и крышку.
Некоторые поломки, например, затрудненный поворот, может свидетельствовать о недостаточном объеме жидкости в гидравлической системе, неправильной регулировке либо износе уплотнительных колец цилиндра.
Мероприятия по ремонту гидравлических механизмов рулевого управления трактора представляются довольно сложными, требуют наличия специального оборудования для контроля рабочих показателей. В некоторых случаях может быть проще установить гидроусилитель руля МТЗ 80 в сборе, что позволит избежать проблем с поиском сломанных элементов. Для этого потребуется:
- Убедиться в герметичности маслопроводной системы.

- Установить собранный механизм на специальные втулки, расположенные на переднем брусе полурамы.
- Смонтировать рулевой вал в колонку, а также установить прочие элементы.
Приобретение собранного гидроусилителя представляется заметно более затратным решением, нежели последовательная регулировка и дефектовка его деталей, однако она позволяет быстро решить возникшие проблемы.
Общие понятия и устройство.
Рулевое управление трактора МТЗ необходимо для создания и поддержки прямолинейного движения, а также для осуществления поворотов трактором передними управляемыми колесами.
Устройство.
Рулевое управление состоит из рулевого механизма, трапеции управления и рулевого привода. Все трактора МТЗ 82 оснащаются гидроусилителем руля.
Рулевая трапеция отвечает за поворот правого и левого передних колес на разные углы, при которых задние и передние колеса поворачиваются относительно общего центра поворота, размещенного на продолжении оси задних колес. В следствии чего, качение колес осуществляется по концентрическим окружностям без бокового скольжения. Рулевая трапеция состоит из двух поперечных рулевых тяг, соединенных между собой сошкой; балки переднего моста и двух поворотных рычагов.
1 — наконечник рулевой тяги; 2 — контргайка; 3 — труба рулевой тяги; 4 — сошка; 5 — палец; 6 — поворотный рычаг.
Во время движения трактора по прямой траектории сошка находится в среднем положении. Ход поршня гидроусилителя руля ограничивает крайние положения сошки при поворотах. Максимальный угол поворота внутреннего колеса равен 40º, при этом наружное колесо поворачивается на угол 30 градусов. Устройство рулевой тяги состоит из соединительной трубы и пары наконечников, один из которых с правой резьбой, а второй — с левой.
Схема рулевого управления трактора МТЗ 82: 1 — рулевое колесо; 2 — маховичок; 3 — рулевой вал; 4 — винт; 5 — промежуточный вал; 6 — труба рулевой колонки; 7 — серьга; 8 и 12 — карданные шарниры; 9 — стойка; 10 — средний вал; 11 — промежуточная опора; 13 — передний вал; 14 — шлицевая втулка; 15 — винт; 16 — правая стенка стойки; 17 — фиксатор; 18 — пружина; 19 — рукоятка; 20 — штифт; 21 и 24 — гайка; 22 — втулка; 23 — амортизатор; 25 — контргайка.
Устройство и принцип действия гидроусилителя руля МТЗ-80 (ГУР)
На тракторах серии МТЗ применяется ГУР 70-3400020 раздельно – агрегатного типа с цилиндром двухстороннего действия и однозолотниковым распределителем следящего типа. Гидроусилитель представляет собой промежуточный механизм, при помощи которого осуществляется гидравлическая и механическая связь между рулем и направляющими колесами. Механизм рулевого управления (червяк и сектор) и гидроагрегаты системы (силовой цилиндр, распределитель, бак) находятся в одном узле, установленном перед радиатором тракторного двигателя.
Поворот рулевого колеса до упора или поворот колес трактора в глубокой колее могут привести к повышению давления рабочей жидкости в гидромеханизме усилителя. В подобной ситуации сработает предохранительный клапан и жидкость уйдет на слив в бак.
При появлении неисправностей гидроусилителя руля МТЗ-80 возникает “тяжелое” рулевое управление. Это может быть вызвано: а) появлением пены в системе из-за недостаточного объема рабочей жидкости в корпусе ГУР или попадания воздуха в систему. В первом случае необходимо произвести проверку уровня жидкости в баке и долить до нормы при необходимости. Во втором проверяется на герметичность всасывающая магистраль, находятся и устраняются места подсоса воздуха; б) нарушением регулировки предохранительного клапана, вызванным падением давления в системе. В этом случае необходимо произвести регулировку клапана на давление в диапазоне 7,5-8,5 MIIа; в) большими утечками в насосе. При их обнаружении насос подлежит замене; г) заеданием зацепления червячно-секторной пары.
Устройство МТЗ гур: 1 – поворотный вал; 2 – корпус; 3 – верхняя втулка; 4 – сектор; 5 – червяк; 6 – колпачок предохранительного клапана; 7 – пробка; 8 – верхняя крышка; 9 – гайка; 10 – регулировочный болт; 11 – подводящий трубопровод; 12 – сливной фильтр; 13 – корпус клапана; 14 – трубопровод клапана; 15 – поворотный кран датчика блокировки дифференциала; 16 – регулировочные прокладки; 17 – золотник датчика блокировки дифференциала; 18 – упор рейки; 19 – рейка; 20 – всасывающий трубопровод; 21 – нижняя втулка; 22 – сошка; 23 – гайка сошки; 24 – манжета; 25 – сливная пробка; 26 – спускной патрубок.
Наконечник рулевой тяги.
Наконечники вкручены в резьбовые отверстия трубы и зафиксированы контргайками. Во внутренней полости наконечника имеется сферический шарнир, состоящий из шарового пальца и пары вкладышей (капронового и резинового).
В заводских условиях шарнир заполняется специальной смазкой, не требующая пополнения во время эксплуатации. Резиновый чехол и резиновая регулировочная пробка, поджимающая вкладыши шарнира, защищают шарнир от попадании грязи, влаги и пыли. Конусные концы шаровых пальцев с резьбой вставляют в отверстия сошки и поворотных рычагов, затягивают прорезными гайками и шплинтуются.
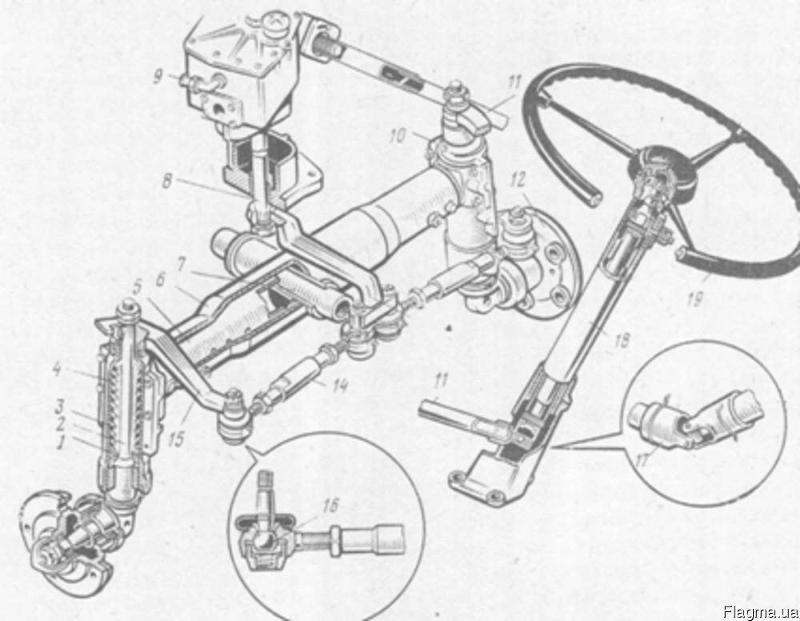
Привод рулевого механизма и рулевая колонка.
Привод рулевого механизма используется для передачи вращения от руля трактора к рулевому механизму и ГУР. Усилие передается при помощи валов, соединенных между собой карданными шарнирами.
Регулировка рулевой колонки осуществляется по высоте, а также имеется возможность ее наклона вперед по ходу трактора. Положение руля по высоте регулируется для комфортного управления, а наклон рулевой колонки — для свободного выхода и входа из кабины.
Труба рулевой колонки соединена с серьгой, которая в свою очередь шарнирно соединена со стойкой при помощи двух винтов, оси которых совмещены с осью крестовины шарнира.
Это дает возможность рулевой колонке прокручиваться относительно стойки, присоединенной болтами к передней стенке кабины. Фиксация рулевого привода в кабине, смонтированной на остове трактора на амортизаторах, снижает передачу вибраций на руль.
Фиксатор, заходящий в паз правой стенки стойки и прижимаемый пружиной, удерживает в нижнем рабочем положении рулевую колонку. Для того, чтобы повернуть рулевую колонку необходимо выдвинуть на себя рукоятку и фиксатор выйдет из паза. После чего колонка с легкостью повернется вверх, при этом фиксатор будет скользить по поверхности стенки стойки. В верхнем, не рабочем положении рулевая колонка не фиксируется, а удерживается за счет силы трения фиксатора о поверхность стенки стойки.
Рулевое колесо или попросту руль трактора МТЗ 82 установлен на шлицах полого вала, внутри которого находится винт, соединенный с пластмассовым маховиком. Винт вкручивается в гайку, в которую вмонтирован штифт. Штифт входит в продольный паз промежуточного вала и блокирует вращение гайки.
На валу и гайке предусмотрены раскосы, прилегающие друг к другу. При вкручивании винта происходит обоюдное расклинивание по скосам вала и гайки и их прижатие к противоположным внутренним стенкам промежуточного вала. Это в полной мере исключает самовольное осевое перемещение руля вместе с валом.
Усилие, приложенное к рулю, передается гайкой и валом посредством штифта на промежуточный вал и затем через валы и шарниры на шлицевую втулку, которая монтируется на шлицы червяка гидроусилителя руля и фиксируется стяжным болтом.
Регулировка рулевой колонки трактора.
Положение рулевой колонки регулируется по высоте в диапазоне 120 мм. Тракторист может установить руль в комфортное для себя положение отвернув на 3-5 оборотов против часовой стрелки маховик; далее, переместить по высоте в требуемое положение руль вместе с валом и закрутить обратно до упора маховичок.
Промежуточный вал вращается в трубе рулевой колонки при помощи капроновых втулок, установленные в резиновые амортизаторы, для снижения уровня вибрации рулевого колеса.
Осевое перемещение промежуточного вала ограничивают гайка и контргайка. Во время эксплуатации трактора следует иногда проверять состояние компонентов рулевого привода, затяжку резьбовых соединений и каждые 960 часов смазывать шарниры.
Техническое обслуживание и ремонт рулевого управления.
Техническое обслуживание состоит в контроле уровня масла в корпусе и отсутствии его течи по соединениям гидроусилителя, проверке различных резьбовых соединений, крепления сошки, рулевых тяг; в периодичном смазывании карданных шарниров, замене масла, промывке масляного фильтра.
Следите за тем, чтобы при промывке масляного фильтра, проверке уровня масла и его заливки в систему гидроусилителя не попадала грязь.
Промывка масляного фильтра осуществляется каждые 960 часов работы в данной последовательности:
1. отсоедините маслопровод от редукционного клапана и крышки;
2. снимите верхнюю крышку, предварительно вывернув все болты;
3.
отсоедините оставшиеся два маслопровода от редукционного клапана и, держа рукой фильтр, выверните клапан, чтобы освободить фильтр;
4. промойте фильтр в солярке или бензине, полностью удаляя грязь с его внутренней полости. Вместе с этим, подтяните гайку крепления сектора на валу и осмотрите зубчатое зацепление рейка-сектор.
В том случае, если зазор между зубьями рейки и сектора превысит 0,3 мм, то необходимо отрегулировать зацепление. Для этого открутите четыре болта крепления упора рейки корпуса АБД и, попарно вынимая прокладки, уменьшите зазор в зацеплении до 0,1-0,3 миллиметра. При помощи щупа замерьте зазор между зубьями.
Установка фильтра происходит в обратной последовательности. После монтажа крышки необходимо, заранее открутив контргайку, закрутить до упора болт, который регулирует осевое перемещение поворотного вала. Далее выверните болт на 1/10-1/8 оборота и законтрите гайкой.
Регулировка зацепления червяк-сектор и подтяжка гайки червяка.
Свободный ход руля при повороте передних колес стоящего на твердой поверхности трактора с работающим двигателем не должен превышать 30º. Если свободный ход превышает данное значение, то следует осмотреть и при необходимости подтянуть до упора гайки поворотных рычагов и сошников, а также отрегулировать шарнирные соединения рулевых тяг. Если эти действия не решили проблему, тогда следует отрегулировать зазор в зацеплении червяк-сектор и затяжку гайки червяка.
Для регулировки зацепления сектор-червяк выполните следующие действия:
1. используя домкрат поднимите передний мост или отсоедините рулевые тяги от сошки;
2. ослабьте болт крепления регулировочной эксцентричной втулки и поверните ее по часовой стрелке до упора червяка в зубья сектора. Далее на заведенном дизеле по вращайте рулевое колесо. Если присутствует ощутимое заедание в зацеплении червяк-сектор, то поверните втулку против часовой стрелки пока не исчезнет заедание при повороте руля.
3. затяните болт крепления регулировочной втулки и соедините рулевые тяги с сошкой.
Опытный тракторист или механик по внешним признакам работы гидросистемы ГУРа может определить неисправность гидроусилителя, а при наличии в хозяйстве комплекта прибора КИ-5473-ГОСНИТИ – точно выяснить техническое состояние агрегатов системы гидроусилителя и одновременно его отрегулировать.
Если регулировкой механизмов не удалось восстановить работоспособность гидроусилителя в целом или нормальное состояние его сопряжений, то его частично разбирают для замены неисправных или изношенных деталей, не снимая гидроусилитель с трактора.
Большой люфт рулевого колеса при работающем двигателе указывает на изношенность крестовин вала привода, увеличенный зазор или изношенность шарниров рулевых тяг, увеличенный зазор в зацеплениях сектор–рейка, червяк–сектор,изношенность подшипников направляющих колес.
Большой свободный люфт (более 15°) рулевого колеса при остановленном двигателе указывает на износ крестовин вала привода или появление зазора в зацеплении червяк–сектор.
В этом случае сначала проверяют техническое состояние крестовин вала привода и при значительном люфте в цапфах заменяют их новыми, а затем приспособлением КИ-402 проверяют люфт в зацеплении червяк–сектор. Приспособление крепят хомутом на ободе рулевого колеса, указатель – неподвижно на рулевой колонке. Поворачивая рулевое колесо в обе стороны до устранения зазора, определяют свободный ход (люфт).
При отсутствии приспособления зазор в зацеплении червяк–сектор можно отрегулировать и проконтролировать простейшим лимбом (рис. 1), который можно изготовить в мастерских.
Циферблат лимба градуируют по обычному транспортиру. Лимб 1 крепят под болт 3, фиксирующий от поворота эксцентриковую втулку 4 червяка, на шлицевой конец червяка 5 закрепляется стрелка-указатель 2. Слегка поворачивая шлицевой конец в обе стороны гаечным ключом, по лимбу отмечают угол свободного поворота червяка (до касания зубьев сектора). Он должен быть не более 6°.
Рис. 1. Регулировка зазора в зацеплении червяк–сектор поворотом регулировочной втулки:
1 – лимб; 2 – стрелка-указатель; 3 – стопорный болт; 4 – регулировочная эксцентриковая втулка червяка; 5 – червяк
Регулируют люфт поворотом эксцентриковой втулки 4: по часовой стрелке люфт (зазор в зацеплении червяк–сектор) уменьшается.
Если люфт червяка не изменяется, значит предельно изношены червяк и зубья сектора. В этом случае червяк и сектор заменяют новыми.
Иногда люфт червяка удается уменьшить регулировкой, но при этом возрастает усилие свободного поворота рулевого колеса, что говорит о нарушении геометрических форм зубьев сектора и червяка и о необходимости их замены.
Усилие свободного поворота рулевого колеса проверяют также приспособлением КИ-402. Усилие характеризует трение в рулевом механизме. При проверке отсоединяют поперечные рулевые тяги от рулевой сошки, пускают двигатель и устанавливают максимальную частоту вращения коленчатого вала. Ставят рулевое колесо в среднее положение и медленно потягивают за рукоятку динамометра приспособления. По положению фиксаторного кольца приспособления определяют усилие свободного поворота рулевого колеса. При исправном состоянии механизмов гидроусилителя руля усилие на ободе рулевого колеса должно быть не более 20…30 Н (2…3 кгс).
Для замены червяка и сектора болтами 3 (рис.
2) спрессовывают крышку 5 корпуса 4 гидроусилителя, предварительно отсоединив трубопроводы 1 от распределителя 2. Отворачивают гайку крепления сошки, вынимают поворотный вал 1 (рис. 3) в сборе с сектором 2 из корпуса, а затем, сняв крышку 5, извлекают из эксцентриковой втулки, крепящейся болтом 4, червяк 7 в сборе с распределителем 6.
Рис. 2. Снятие крышки гидроусилителя:
1 – трубопровод; 2 – распределитель; 3 – болты-съемники; 4 – корпус; 5 – крышка
Рис. 3. Снятие поворотного вала и червяка
1 – поворотный вал; 2 – сектор; 3 – гайка; 4 – болт; 5 – крышка; 6 – распределитель; 7 – червяк
Сектор с поворотного вала снимают двухлапчатым съемником (рис. 4), предварительно отвернув гайку 3 (рис. 3). При установке нового сектора совмещают метку 1 (рис. 5), нанесенную на торце шлица поворотного вала, с меткой 2 на шлицевой канавке сектора.
Рис. 4 Снятие сектора съемнимком
Рис. 5. Совмещение меток при сборе сектора с валом
1 – метки; 2 – поворотный вал; 3 – сектор
Для замены червяка (рис.
6) расшплинтовывают и отворачивают сферическую гайку 4, снимают шайбу 3 и извлекают червяк 5 из корпуса распределителя.
Рис. 6. Разборка распределителя и снятие червяка
1 – корпус; 2 – подшипник; 3 – шайба; 4 – сферическая гайка; 5 – червяк
Если шариковые подшипники 2 червяка не имеют большого износа, то их снимают съемником (рис. 7).
Рис. 7. Снятие подшипников червяка съемником
При установке нового червяка сферическую гайку затягивают (рис. 8) моментом не более 20 Н·м (2 кгс·м), а затем отпускают до совпадения ближайшей прорези на гайке с отверстием в резьбовой части червяка и шплинтуют. Червячный вал в сборе с распределителем устанавливают в эксцентриковую втулку и затягивают крышку болтами.
Рис. 8. Затяжка сферической гайки динамометрическим ключом
При установке поворотного вала в корпус гидроусилителя совмещают метки на среднем зубе сектора и впадине рейки (рис. 9).
Рис. 9. Совмещение меток рейки и сектора при установке поворотного вала
1 – метки; 2 – рейка; 3 – сектор
Устанавливают корпус датчика блокировки дифференциала (упор) и, подложив, под его фланец регулировочные прокладки (рис.
10), проверяют величину зазора между ним и рейкой (рис. 11). Зазор должен находиться в пределах 0,1…0,3 мм.
Рис. 10. Установка регулировочных прокладок под фланец датчика блокировки дифференциала
Рис. 11. Замер зазора между упором и рейкой
Затем устанавливают сливной фильтр, крышку корпуса и регулируют вертикальное перемещение поворотного вала (рис. 12).
Рис. 12. Регулировка вертикального перемещения поворотного вала
Для этого, отпустив контргайку 2, заворачивают регулировочный болт до касания с валом, а затем отворачивают его на 30…45° и фиксируют в этом положении контргайкой.
Правила замены или регулировки шарниров рулевых тяг, подшипников направляющих колес были описаны ранее.
Большой люфт руля при работающем двигателе означает, что имеет место износ соединений вала рулевого механизма, возможны увеличенные зазоры в зацеплении зубчатой передачи гидроусилителя руля, шаровых пальцев и рулевых тяг. Возможно ослабли подшипники червяка на валу.
Для исправления создавшейся ситуации на первом этапе проверяют техническое состояние деталей рулевого механизма и рулевых тяг. Нужно устранить зазоры, поменять необходимые детали и отрегулировать механизм.
Чтобы выяснить, какова величина зазоров в зубчатых и червячных зацеплениях механизма рулевого управления, а также определить усилие на ободе руля применяют обычно устройство НИИАТ-402 (см. на рис. 2.3.1).
Рис. 2.3.1. Как определить свободный ход руля трактора МТЗ-80, МТЗ-82:
1 — прибор НИИАТ-402; 2 рулевое колесо; 3 — рулевая колонка
Динамометр устройства размещают на руле, а указатель — на рулевой колонке. Поворачивая руль в обе стороны до пропадания зазоров в шарнирах рулевых тяг и в зацеплении рулевого механизма, вычисляют свободный ход руля. Типовой свободный ход рулевого колеса лежит в пределах 25—30°, а приемлемый (допустимый) — 35°.
Чтобы определить, какое усилие развивается на ободе руля, откидывают рулевые тяги от сошки, включают двигатель и при максимальной частоте вращения коленвала тянут на себя одну из ручек динамометра устройства.
По размещению на противоположной рукоятке фиксаторного кольца узнают усилие свободного поворота руля. Усилие на руле должно находиться в пределах 30—50 Ньютон.
Если люфт руля выше допустимого значения, начинают регулировать механизмы гидроусилителя. Зазоры в зубчатом сцеплении червяк-сектор (см. рис. 2.3.2) исправляют смещением регулировочной втулки 4, но вначале нужно отвернуть стопорный болт 3. При незначительном изменении свободного хода вала гидроусилителя руля, снимают крышку корпуса (рис. 2.3.3), а далее пластинчатым щупом проверяют зазор между датчиком блокировки дифференциала (упором) и рейкой (рис. 2.3.4). Он обычно должен находится в пределах 0,1—0,3 мм. Зазор доводят до ума с помощью прокладок фланца датчика блокировки дифференциала (рис. 2.3.5). Финишируют эту процедуру регулировкой зацепления червяк-сектор. В чем коварство? Нужно чтобы вращения червяка было свободным, без заеданий.
Рис. 2.3.2. Как отрегулировать зазор в зацеплении червяк—сектор поворотом регулировочной втулки МТЗ: | Рис. |
Рис. 2.3.4. Как проверить зазор между упором и рейкой трактора МТЗ-80, МТЗ-82: | Рис. 2.3.5. Как отрегулировать зазор в зацеплении червяк—сектор установкой прокладок МТЗ-80, МТЗ-82: |
Тяжелый поворот трактора говорит нам о нехватке рабочей жидкости в баке, снижении ее подачи, либо ошибке в регулировки предохранительного клапана. Еще одна причина — износ или разваливание уплотнительных колец силового цилиндра.
Процедура тестирования техсостояния гидросистемы управления поворотом МТЗ основывается в вычислении давления подачи, которое развивается насосом. Определяем моменты утечек масла в распределителе и силовом цилиндре унд регулировку предохранительного клапана.
Вроде все верно. Требуемые процедуры осуществляют, как правило, без снятия с трактора агрегатов гидросистемы управления поворотом, довольствуясь в наличии такого замечательного прибора как КИ-5473 (направление дроссель-расходомер).
Режимы работы гидросистемы управления поворотом сверяют прибором при номинальной частоте вращения коленвала движка, противодавлении 5,0 МПа по известному манометру прибора и температуре охлаждающей жидкости 50—60° С. Далее не забывают о том, что нужно показания шкалы расходов прибора помножить на коэффициент 0,7 L.
Как проверить подачу рабочей жидкости к гидроусилителю руля? По рисунку 2.3.6 от коробки предохранительного клапана отделяют нагнетательный трубопровод 2 и к нему подключают входной рукав КИ-5473. Сливной рукав помещают в горловину 3 ниже уровня жидкости. Заводят двигатель, доводят давление 5,0 МПа по манометру при номинальной частоте вращения коленвала и по шкале прибора отслеживают подачу рабочей жидкости. При низком уровне подачи, насос необходимо заменить.
При величине подачи не ниже допустимого значения, диагностируют состояние распределителя по количеству утечки масла (рис. 2.3.7).
| Рис. 2.3.6. Как проверить насос высокого давления ГУРа трактора МТЗ-80, МТЗ-82: а — подключение прибора; б — схема проверки; 1 — прибор КИ-5473; 2 — нагнетательный трубопровод насоса; 3 — заливная горловина ГУРа | |
Рис. 2.3.7. Как определить утечку масла в распределителе ГУРа трактора МТЗ-80, МТЗ-82: |
Основные показатели работы распределителя ГУРа при проверке прибором КИ-5473
| Подача масла при Р = 5,0 МПа, л/мин: | |
| номинальная | 2,0 |
| допустимая | 1,2 |
| Давление срабатывания предохранительного клапана, МПа: | |
| номинальное | 7,5 |
| допустимое | 7,0-8,5 |
Чтобы подключить входной рукав прибора, сначала нужно выкрутить технологическую пробку (она расположена сверху коробки предохранительного клапана).
Сливной рукав соединяют с баком гидросистемы. Заводят двигатель и при номинальной частоте вращения коленвала крутят руль вправо или влево до упора. Вращаем рукоятку прибора и выставляем давление по манометру 5,0 МПа, по шкале расходов отмечаем показания. При разнице в показаниях прибора при отслеживании подачи рабочей жидкости к распределителю и проверке утечек превышает 5 л/мин, распределитель необходимо ремонтировать.
Давление, при котором происходит срабатывание предохранительного клапана гидросистемы управления поворотом определяют манометром, который вкручивают на место технологической пробки (рис. 2.3.8).
Рис. 2.3.8. Как проверить и отрегулировать давление срабатывания предохранительного клапана трактора :
1 — манометр; 2 — регулировочный винт с контргайкой
Для контроля заводят двигатель трактора и при (номинальной частоте вращения коленвала рукояткой прибора полностью закрывают слив масла Колеса при этом повернуты до отказа. Далее по манометру смотрят фактическое давление, при котором включается предохранительный клапан.
Клапан нужно отрегулировать в случае пониженного либо повышенного давления срабатывания. Для этого выкручивают колпачок, отпускают контргайку регулировочного винта и, держа руль в конечном положении поворота до упора, выкручивают или вкручивают регулировочный винт до получения необходимого давления.
Если вы обнаружили, что появились резкие толчки при повороте трактора, то скорее всего ослабла затяжка гайки золотника гидронавесного распределителя, или же увеличились зазоры рулевых тяг.
Если затяжка гайки золотника ослабевает, появляются колебания передних направляющих колес. Отчетливо ощущается при передвижении на повышенных скоростях. Следует иметь в виду, что вначале нужно отрегулировать зазоры в шарнирах рулевых тяг, и только затем динамометрическим ключом затянуть корончатую гайку золотника распределителя усилием не более 20 Н*м. Дальше ее отпускают до совмещения отверстий под шплинт.
Каковы основные неисправности гидроусилителя руля трактора МТЗ-80, МТЗ-82? Начнем с износа шлицев вала червяка и зубьев сектора.
Далее износ зубчатой рейки, износ и нарушение герметичности предохранительного клапана. Износ и несоответствие гидравлической плотности точных деталей (золотников, плунжеров, гильз).
Возможно, что при проверке состояния агрегатов гидросистемы управления поворотом трактора обнаружатся такие неисправности, которые не поддадутся устранению обычными регулировочными операциями. В таком случае, гидроусилитель руля снимают полностью и разбирают для дальнейшей технической экспертизы и замены деталей.
Как все это сделать, как грамотно провести основные операции по разборке-сборке и регулировке гидроусилителя руля МТЗ продемонстрированы ниже на рисунках 2.3.9—2.3.30.
До демонтажа гидроусилителя руля отлейте рабочую жидкость и открутите гайку поворотного вала 4. А уже в процессе сборки гидроусилителя внимательно смотрите на усилия затяжки гаек, четкость и однозначность совмещения меток поворотного вала, сектора и рейки, и обратите внимание на регулировку вертикального перемещения поворотного вала.
Сборка-разборка и прочие регулировочные операции, которые осуществляют при ремонте гидроусилителя руля, не совсем просты и требуют использования контрольно-испытательного стенда по завершению сборки для настройки всех парметров.
Отремонтированный гидроусилитель руля доводят до ума на контрольно-испытательном оборудовании КИ-4896М. При отладочных работах смотрят свободный ход руля при зафиксированном вертикальном вале ГУРа. Диапазон должен находится в пределах 4—6°. Оценивают работу гидроусилителя под нагрузкой при давлении на входе 5—6 МПа. Механическое напряжение на ободе руля не должно превышать 50 Ньютон.
Рис. 2.3.10. Из чего состоит гидроусилитель руля (ГУР) трактора МТЗ-80, МТЗ-82:
а — общий вид; б — взаимное расположение деталей
1 — корпус усилителя; 2 — рейка; 3 — силовой цилиндр; 4 — поршень; 5 — предохранительный клапан; 6 — золотник; 7 — поворотный вал; 8 — верхняя крышка корпуса гидроусилителя; 9 — регулировочный болт поворотного вала; 10 — сектор; 11 — червяк рулевого механизма; 12 — датчик блокировки дифференциала; 13 — сливной патрубок; 14 — рулевая сошка
Рис. | Рис. 2.3.11. Расположение деталей датчика блокировки дифференциала трактора МТЗ-80, МТЗ-82: |
Рис. 2.3.12. Снятие трубки подвода масла от распределителя трактора МТЗ-80, МТЗ-82: | Рис. 2.3.13. Снятие поворотного вала трактора МТЗ-80, МТЗ-82: |
Рис. 2.3.14. Отворачивание гайки крепления сектора к поворотному валу трактора МТЗ-80, МТЗ-82 | Вис. 2.3.15. Спрессовка сектора с поворотного вала трактора МТЗ-80, МТЗ-82 |
Рис. | Рис. 2.3.17. Как снять крышку датчика блокировки дифференциала трактора МТЗ-80, МТЗ-82 |
Рис. 2.3.18. Снятие стопорного кольца и рейки трактора МТЗ-80, МТЗ-82 | Рис. 2.3.19. Снятие гидроцилиндра ГУРа трактора МТЗ-80, МТЗ-82 |
Рис. 2.3.20. Отворачивание гайки крепления и снятие поршня | Рис. 2.3.21. Как снять распределитель трактора МТЗ-80, МТЗ-82 |
Рис. 2.3.22. Снятие предохранительного клапана и червяка в сборе трактора МТЗ-80, МТЗ-82 | Рис. 2.3.23. Снятие стопорного кольца крепления подшипника червяка трактора МТЗ-80, МТЗ-82 |
Рис. 2.3.24. Спрессовка подшипников червяка трактора МТЗ-80, МТЗ-82 | Рис. 2.3.25. Выпрессовка втулки поворотного вала трактора МТЗ-80, МТЗ-82: |
Рис. | Рис. 2.3.27. Совмещение меток на торце шлица поворотного вала и секторе: |
Рис. 2.3.28. Совмещение меток на среднем зубе сектора и рейке: | Рис. 2.3.29. Затяжка гайки поршня |
Рис. 2.3.30. Регулировка вертикального перемещения поворотного вала:
1 — регулировочный болт;
2 — контргайка
Еще никто не прокомментировал новость.
НЕИСПРАВНОСТИ НАСОСА-ДОЗАТОРА МТЗ . Статьи компании «МАКС-АГРО»
НЕИСПРАВНОСТИ НАСОСА-ДОЗАТОРА
Любая неисправность дозатора на мтз – 82 или системы объёмного управления руля может вызвать осложнения в функционировании управляющей системы. Для восстановления работоспособности системы необходимо знать что именно пришло в негодность.
Об этом можно судить по таким признакам:
1.Неустойчивость переднего моста.
Говорит о том, что ось поворотного вала сместилась. Также это может указывать на то, что в узлах агрегата или в тяге управления руля образовались зазоры.
2.Для того чтобы повернуть руль, необходимо прикладывать больше усилий.
Причина — малый объём масла в дозаторе. Вторая возможная причина – большой объём воздуха в гидросистеме, что может привести к холостой работе оборудования.
3. Произвольное изменение положения колеса руля.
Руль может поворачиваться сам из-за неправильного расположения золотника в насосе. Нейтральное положение золотника зависит от 2-х растягивающих пружин. Если одна из них поломается, возможна постоянная подача масла на один из цилиндров, что вызовет поворот руля.
4. Плохой упор при повороте или его отсутствие.
Причина в недостаточном количестве масла в дозаторе, что ухудшает его работоспособность. Ещё одна причина этой неисправности – износ прокладок уплотнения на цилиндрах, которые отвечают за поворот автомобиля.
5. Поворот колеса трактора в противоположную сторону при повороте руля.
Это вызвано неправильным соединением выводов к гидроцилиндрам автомобиля с насосом дозатором, что приведёт к подаче масла на другой цилиндр и усилится другая сторона.
Также к неисправности может привести загрязнение контура гидравлического усиления. Если клапаны насоса забьются грязью и прочими частичками, то они не смогут обеспечить пропускание жидкости по системе и регулирование давления. Итогом будет снижение работоспособности системы, и она может сломаться.
Тяжелый поворот руля. Как избавиться от проблемы – Иксора
Если при движении на автомобиле тяжело крутится руль, это доставляет массу неудобств. К тому же реально может снизиться маневренность. Например, в слабых женских руках тугой руль часто становится виновником ДТП. Эта статья расскажет как о причинах этого технического недуга, так и о способах борьбы с ним.
Как устроено рулевое управление
Существуют всего два вида систем рулевого управления:
- Рулевой механизм реечного типа.
Основными узлами являются руль, рулевой вал, рулевая колонка, рейка, тяги и наконечники. Вращение руля сопровождается поворотом шестерни, приводящей в движение рейку. Рейка передает усилие на рычаг с наконечником, вставленным в поворотный кулак. - Червячного типа. В системе привода присутствует червячная шестерня (отсюда и название), руль, вал руля с крестовиной, рулевая колонка, тяги, наконечники. В процессе вращения руля усилие давит на колонку, начинает вращаться ведомая шестерня, и движется сошка. Сошка и маятник соединяются с рулевыми наконечниками с помощью тяг. Наконечники, в свою очередь, вставлены в поворотный кулак. При повороте рулевой сошки движутся тяги, проворачивая ступицы вместе с колесами автомобиля.
Реечный тип на сегодня является самым распространенным, однако червячные рулевые системы все еще можно встретить, например, на старых «Жигулях» или «BMW».
Усилители руля
Для того чтобы облегчить поворот рулевого колеса автопроизводителями были разработаны специальные системы, такие как:
- Гидроусилитель.
В составе системы — гидронасос, работающий от двигателя через ременную передачу, шланги и бачок для жидкости ГУР. В системе с помощью насоса постоянно поддерживается высокое давление, при повороте руля жидкость начинает давить на рейку, тем самым снижая нагрузку на водителя. - Гидроэлектроусилитель. Отличается от обычного гидроусилителя только тем, что насос имеет собственный электропривод.
- Электроусилитель. Соединен с рейкой или валом руля. Управление этим узлом осуществляется ЭБУ авто.
- Пневмоусилитель. По конструкции похож на гидроусилитель, но жидкость в системе заменена на сжатый воздух.
Благодаря повсеместному внедрению вышеперечисленных систем сегодня уже не выпускаются автомобили, в которых тяжело поворачивается руль. Если рулевое колесо вращается с трудом, то это неисправность, которую нужно устранять.
Что делать, если руль стал тяжелее крутиться
Если на вашем автомобиле руль стал тяжелым, то в первую очередь стоит выполнить такие действия:
- замерьте уровень жидкости ГУР, при необходимости долейте;
- проверьте шланги, они могут быть просто забиты;
- удостоверьтесь в герметичности шлангов и бачка ГУР, возможны утечки;
- попробуйте подтянуть приводной ремень, он может проскальзывать.

Если ничего из вышеперечисленного не помогло, то причина тяжести поворота руля, скорее всего, в износе деталей рулевого управления, тут нужна уже профессиональная диагностика. Также причиной тяжести руля может быть неправильный угол установки колес.
Нужно отметить, что стоит обращать особое внимание и на выбор запчастей, иначе проблема может появиться в скором времени снова.
Выбор и покупка запчастей для рулевого механизма
На рынке производителей запасных частей и комплектующих рулевого управления авто достаточно много предложений от разных фирм. Среди них можно выделить такого производителя как Quinton Hazell. Продукция, выпущенная под этим брендом:
- недорогая;
- долговечная;
- надежная.
Также стоит отметить большой выбор – возможность купить нужную деталь практически на любой современный автомобиль. Приобрести продукцию QH (и не только) можно в магазине IXORA. Здесь вам также помогут сделать правильный выбор и дадут очень ценные советы квалифицированные менеджеры.
| Производитель | Номер детали | Название детали | Применяемость* |
|---|---|---|---|
| Quinton Hazell | 1345100509 | Гидравлический насос, рулевое управление MERCEDES-BENZ | MERCEDES-BENZ G-Class, M-Class |
| Quinton Hazell | 1545100509 | Гидравлический насос, рулевое управление FORD | Focus, Focus Kombi, Focus Stufenheck |
| Quinton Hazell | 1545101109 | Гидравлический насос, рулевое управление FORD | Fiesta V, Fusion |
| Quinton Hazell | 1545101309 | Гидравлический насос, рулевое управление FORD | FORD C-Max, Focus C-Max, Focus II, Focus II Cabriolet, Focus II Kombi, Focus II Stufenheck, Kuga I |
| JP GROUP | 1145100900 | Гидравлический насос, рулевое управление AUDI, SEAT, SKODA, VW | AUDI A3; SEAT Leon, Toledo; SKODA Octavia, VW Beetle, Bora, Golf, Jetta, New, Novo |
| JP GROUP | 1145103000 | Гидравлический насос, рулевое управление VW | VW Crafter |
| JP GROUP | 1345101300 | Гидравлический насос, рулевое управление MERCEDES-BENZ | MERCEDES-BENZ C-Class, E-Class |
| JP GROUP | 1445101100 | Гидравлический насос, рулевое управление BMW | BMW 1, 3, X3 |
| MEYLE | 0146310000 | Гидравлический насос, рулевое управление MERCEDES-BENZ | MERCEDES-BENZ V-Class, Vito |
| MEYLE | 1146310031 | Гидравлический насос, рулевое управление AUDI, VW | AUDI A4; VW Passat |
* Применяемость деталей конкретно для Вашего автомобиля уточняйте у менеджеров по телефону: 8 800 555-43-85 (звонок по России бесплатный).
Полезная информация:
Получить профессиональную консультацию при подборе товара можно, позвонив по телефону 8 800 555-43-85 (звонок по России бесплатный).
Регулировка и обслуживание рулевого управления МТЗ-80, МТЗ-82
________________________________________________________________________
Регулировка и обслуживание рулевого управления МТЗ-80, МТЗ-82
От состояния рулевого управления трактора МТЗ-80, МТЗ-82 во многом зависят безопасность, качество работы и утомляемость водителя. Поэтому техническое обслуживание рулевого управления нужно проводить особенно тщательно.
Техническое обслуживание рулевого управления МТЗ-80, МТЗ-82
заключается в периодическом контроле уровня масла в корпусе
гидроусилителя и его замене, смазывании карданных шарниров рулевого
привода, контроле состояния резьбовых соединений рулевого привода и
рулевых тяг, сошки и поворотных рычагов, крепления сектора, проверке
и регулировке свободного хода рулевого колеса.
Рулевую колонку трактора МТЗ-80, МТЗ-82 необходимо регулировать с
целью исключения возможных вибраций на рулевом колесе. Для этого
рукой заворачивают гайку 12 (см. рис. 1) до
соприкосновения последней с втулкой 10. При этом должны быть выбраны
зазоры в соединениях, Затем отворачивают гайку 12 на полтора оборота
и контрят гайкой 13.
Рис. 1. Привод рулевого механизма МТЗ-80, МТЗ-82
1 – шлицевая втулка; 2 -передний вал; 3, 7 – карданные шарниры; 4 – промежуточная опора; 5 – средний вал; 6 – стойка; 8 – штифт; 9, 12 – гайки; 10 – втулка; 11 – амортизатор; 13 – контргайка; 14 – рулевое колесо; 15 – маховичок; 16 – рулевой вал; 17, 21 – винты; 18 – промежуточный вал; 19 – труба рулевой колонки; 20 – серьга; 22 – правая стенка стойка; 23 – фиксатор; 24 – пружина; 25 – рукоятка
Масляный фильтр промывают в такой последовательности:
Поднимают
облицовку. Отсоединяют подводящий маслопровод 12 (см.
рис. 2) от
крышки 11 редукционного клапана 14. Снимают крышку, для чего сначала
отворачивают два болта крепления ее к корпусу 22, а затем, используя
их в качестве демонтажных, вворачивают болты в демонтажные отверстия
крышки и снимают ее.
Отсоединяют оставшиеся маслопроводы от редукционного клапана 14. Удерживая рукой фильтр 13, выворачивают редукционный клапан и снимают сливной фильтр. Промывают фильтр в дизельном топливе. Для установки фильтра операции выполняют в обратной последовательности: Фильтр промывают при ТО-3 (960-1000 моточасов работы). Одновременно нужно подтянуть гайку 8 крепления сектора на поворотном валу.
Рис. 2. Гидроусилитель рулевого управления ГУР трактора МТЗ-80 и МТЗ-82
1 – пробка; 2 клапанная крышка; 3 регулировочный винт клапана; 4
червяк; 5 – болт крепления регулировочной втулки; 6 – регулировочная
втулка; 7 – сектор; 8 – гайка; 9 – рейка; 10 –
регулировочный болт; 11 – верхняя крышка; 12 – гайка; 13 – сливной
фильтр; 14 – редукционный клапан; 15 – кран управления АБД; 16 –
золотник датчика блокировки дифференциала; 17 – маховичок крана
управления; 18 – сошка; 19 – гайка сошки; 20 – сливная пробка; 21 –
поворотный вал; 22 – корпус; 23 – упор рейки; 24 – регулировочные
прокладки; 25 – шток; 26 – поршень; 27 – передняя крышка цилиндра;
28 – упорный подшипник; 29 – шайба; 30 – сферическая гайка; 31 –
золотник
Регулировка гидроусилителя рулевого управления МТЗ-80, МТЗ-82
Проверяют зацепление червяк-сектор и сектор-рейка, затяжку гайки
червяка, осевой ход поворотного вала, предохранительный клапан, а
также управление краном блокировки дифференциала.
Зацепление
“червяк-сектор” и затяжку гайки червяка ГУР МТЗ-80, МТЗ-82
регулируют в следующей последовательности. Поддомкрачивают трактор,
чтобы передние колеса не касались грунта.
Затем ослабляют затяжку регулировочного болта 5, вводят в паз втулки
6 ключ и поворачивают ее по ходу часовой стрелки до упора зубьев
червяка и сектора (при этом сошка 18 должна
находиться в среднем положении). Втулку поворачивают против хода
часовой стрелки так, чтобы по наружному диаметру она провернулась
на 10-12 мм. Затягивают болт 5. Запускают двигатель и проверяют
отсутствие заеданий в зацеплении “червяк-сектор” при повороте
рулевого колеса в обе стороны до упора.
Если при этом имеют место заедания, то нужно увеличить зазор в
зацеплении, отпустив болт 5 и повернув втулку 6 дополнительно по
ходу часовой стрелки. Усилие на рулевом колесе не должно превышать
30-40 Н. Регулировка затяжки сферической гайки 30 червяка ГУР
МТЗ-80, МТЗ-82 заключается в правильной затяжке упорных шариковых
подшипников 28 для обеспечения нормального поджатая кольцами
подшипников торцов золотника 31.
От правильных регулировок во многом зависит исправная работа гидроусилителя руля МТЗ-80, МТЗ-82. Чрезмерная затяжка гайки 30 может вызвать перекос золотника и увеличение усилия поворота. Зазоры между подшипниками и золотником приводят к увеличению свободного хода рулевого колеса, а также к колебаниям колес, так как в этих условиях золотник может произвольно перемещаться, изменяя соответственно направление потока масла в одну или другую полость цилиндра поршня
Перед затяжкой гайки 30 отворачивают четыре болта крепления распределителя, снимают крышку 29. Крепят распределитель МТЗ-80, МТЗ-82 двумя диаметрально расположенными болтами к корпусу гидроусилителя, подложив под головки болтов набор шайб (или гайку), толщина (или высота) которых равна толщине фланца крышки 29. Затягивают, предварительно расшплинтовав, гайку моментом силы 20 Нм. При этом кольца подшипника 28 должны быть плотно прижаты к торцам золотника 31.
Затем отворачивают гайку на 1/10-1/12 оборота, чтобы совместить
прорезь гайки под шплинт и отверстие в червяке, и шплинтуют гайку.
Выворачивают два болта, ввернутые в корпус,
устанавливают на место крышку 29 и закрепляют распределитель.
Зацепление “сектор-рейка” ГУР МТЗ-80, МТЗ-82 регулируют прокладками
24 под фланцем упора 23 рейки. При этом зазор между упором и рейкой
9 должен быть 0,1-0,3 мм. Проверяя этот зазор, нужно поджимать рейку
9 к сектору 7.
Осевой ход поворотного вала трактора МТЗ-80, МТЗ-82 регулируют в следующей последовательности: ослабляют затяжку контргайки и вворачивают регулировочный винт 10 до упора в торец вала. Затем выворачивают болт 10 па 1/8-1/10 оборота и контрят его гайкой.
Предохранительный клапан проверяют следующим образом. В
нагнетательную магистраль или в клапанную крышку вместо пробки 1
подсоединяют манометр со шкалой деления от 0 до
10 МПа. Запускают двигатель и поворачивают рулевое колесо из одного
крайнего положения в другое. При максимальной частоте вращения
коленчатого вала дизеля, доводят температуру масла в гидросистеме до
50±5°С.
При этом давление должно достигать 8,8 МПа.
Если показания манометра меньше, повышают давление до требуемых
значений, медленно вворачивая винт 3. После регулировки винт 3 нужно
законтрить гайкой и установить колпак.
Признак нарушения регулировки предохранительного клапана
гидроусилителя МТЗ-80, МТЗ-82 – увеличение усилия на рулевом колесе.
Свободный ход рулевого колеса проверяют на стоянке при работающем
двигателе. При этом он не должен превышать 20°. Если свободный ход
рулевого колеса больше, проверяют
зазоры в соединениях рулевого привода МТЗ-80, МТЗ-82 и при
необходимости подтягивают гайки крепления сошки и сектора, крепление
поворотных рычагов передних мостов и
шарниров рулевых тяг, затяжку гайки червяка, регулировку зацепления
“червяк-сектор”, “сектор-рейка” и осевой ход поворотного вала
гидроусилителя.
Необходимо следить за уровнем масла в гидросистеме рулевого
управления трактора МТЗ80, МТЗ-82. Если уровень масла меньше нижней
риски на масломере, работать на тракторе категорически запрещается.
При замене масла одновременно нужно промывать заливной фильтр.
После замены масла прокачивают гидросистему рулевого управления трактора МТЗ-80, МТЗ-82 в таком порядке:
Поддомкрачивают передний мост до отрыва передних колес от грунта.
Запускают двигатель и при малой частоте вращения коленчатого вала
двигателя поворачивают рулевое колесо в
крайние положения по 8-10 раз (вначале медленно, затем быстро), не
удерживая его при этом в крайних положениях. Затем проверяют уровень
масла и при необходимости доливают
его до верхней метки масломера. Распределитель приходится снимать и
заново устанавливать в случае замены его уплотнительных колец и
промывки деталей.
При установке распределителя МТЗ-80, МТЗ-82 выполняют следующее.
Проверяют наличие уплотнительных колец на торцах распределителя и
положение золотника 31 в его корпусе.
Золотник должен быть установлен так, чтобы его торец с фаской по
наружному диаметру был направлен к корпусу гидроусилителя.
Противоположная установка золотника приведет к
резкому повышению усилия поворота.
Устанавливают распределитель трактора МТЗ-80, МТЗ-82 без наружной
крышки 29 и крепят его к корпусу гидроусилителя МТЗ двумя
диаметрально расположенными болтами,
подложив под головки болтов набор шайб, толщина которых равна высоте
крышки. Ставят упорный подшипник 28, шайбу с конусом и затягивают
сферическую гайку 30 в соответствии с
рекомендациями, приведенными выше.
Признак правильной затяжки гайки – отсутствие зазоров между
золотником и кольцами подшипника и отдачи рулевого колеса
(возвращение золотника в нейтральное положение) после
прекращения его вращения влево.
________________________________________________________________________
________________________________________________________________________
________________________________________________________________________
Регулировка и обслуживание рулевого управления МТЗ-80, МТЗ-82
Для комфортного и эффективного вождения рулевой механизм трактора МТЗ 80 (82) оснащён гидроусилителем рулевого управления — ГУР.
Узел выполняет функцию передачи вращения от рулевого колеса на рулевую сошку с одновременным облегчением усилия при повороте и смягчении обратной вибрации при движении по дорогам с неровной поверхностью. Усиление достигается давлением жидкости, действующей на рабочие органы механизма.
Узел устанавливался на более ранних моделях МТЗ-80 (82) не уступает по своим функциональным и эксплуатационным качествам устанавливаемой позже системы гидрообъёмного усилителя руля — ГОРУ.
Устройство и принцип работы
Чугунный корпус ГУРа МТЗ 80 (82) размещён на переднем брусе рамы между передней фронтальной стенкой капота и радиатором охлаждения дизеля машины. Узел представляет собой механизм с червячным редуктором, оснащённый автономной гидросистемой с золотником управления потоками рабочей жидкости, шестерёнчатым гидронасосом левого вращения НШ-10-Л-У ГОСТ 8753-71, силовым цилиндром двухстороннего действия и предохранительным клапаном. Гидронасос системы приводится от шестерни газораспределения двигателя.
В корпусе усилителя установлен червяк, связанный витками с сектором и свей торцевой частью с золотником распределителя узла. На концах золотника стоят упорные подшипники, в которые под давлением пружин упираются плунжеры. Одновременно наружными сторонами плунжеры упираются в корпусные детали распределителя. Плунжеры и пружины через подшипники удерживают золотник в нейтральном положении. При вращении рулевого колеса червяк витками начинает передвигать сектор, поворачивая вал сошки. Возникающее сопротивление колёс передаётся через механизм на червяк, образуя усилие, передвигающее его в осевом направлении вперёд или назад в зависимости от направления поворота. Своим смещением червяк взаимодействует с золотником распределителя узла передвигая его относительно оси . Таким образом, золотник управляет потоками масла под давлением. При движении прямо золотник распределителя подпружиненный пружинами стоит в нейтральном положении, давление подаваемое насосом, сбрасывается в корпус усилителя, являющийся гидробаком системы.
Вращением рулевого колеса червяк перемещает золотник, открывающий своими поясками магистрали полостей силового цилиндра. При этом в зависимости от стороны поворота одна полость связана с магистралью, подающей масло под давлением, другая со сливом. Золотник падает давление в полость цилиндра только во время непосредственного вращения рулевого колеса. С остановкой руля червяк перестаёт действовать на золотник распределителя, который под усилием пружин занимает нейтральное положение, сбрасывая масло в сливную полость.
Поршень цилиндра 25 взаимодействует через шток с рейкой 14, связанный с сектором 12. При подаче золотником давления в одну из полостей шток передаёт усилие рейке передвигающий сектор, облегчая вращение вала 28, связанного с сошкой 13. Рабочее давление в гидросистеме равно 2-4 мПа. Поворачивая руль до максимального угла поворота — давление достигает своего максимального значения 8 мПа и ограничивается предохранительным клапаном 7.
Ощущение «Чувства дороги» водителя сопротивления повороту при управлении обеспечивается давлением от нагнетательного канала в полостях с пружинами, действующих на плунжера. При управлении без усилия-червяк не взаимодействует с золотником и гидросистема не участвует в усилении.
Дополнительно узел оборудован датчиком автоблокировки дифференциала размещённый в упоре рейки. В состав устройства входит золотник 21, поворотный кран 18 с маховиком, толкателя и щупа 20. Нерегулируемый редукционный клапан поддерживает в гидросистеме блокировки давление 0,7- 0,9 мПа. Устройство обеспечивает блокировку дифференциала при движении прямо и автоматически выключает её при повороте колёс больше 8 ̊.
youtube.com/embed/nIj6hBRRABU?feature=oembed” frameborder=”0″ allow=”accelerometer; autoplay; encrypted-media; gyroscope; picture-in-picture” allowfullscreen=””/>Как устроен ГУР?
Корпус гидроусилителя рулевого управления выполнен из чугуна и размещен на брусе автомобильной рамы.
По сторонам от узла расположен радиатор управления и стенка капота. ГУР – это мощный механизм, оборудованный червячным редуктором. Дополнительно конструкция узла оснащена:
- гидросистемой;
- золотником, за счет работы которого удается достичь нужного давления и облегчить поворот;
- шестеренчатым гидронасосом;
- цилиндром;
- клапаном предохранителя.
В движение конструкции приводит вращение шестерни, и в первую очередь начинает двигаться гидронасос, за которым следуют остальные элементы.
Принцип работы
В корпусе ГУР предусмотрен червяк, который дополнительно обвязывают витки. На торцевой части установлен золотник. На концах детали предусмотрены подшипники для упора конструкции. В подшипники в процессе эксплуатации узла упираются плунжеры, создавая давление. В свою очередь, с другой стороны пружины упираются в корпус, детали которого также являются частью конструкции усилителя.
За счет работы пружин удается зафиксировать положение золотника, предотвращая его смещение в разные стороны.
Когда водитель трактора начинает вращать колеса, совершая маневр, сектор узла движется под воздействием червяка, который вращается витками. В результате происходит поворот вала сошки.
В процессе вращения в колесах возникает сопротивление, которое принимает червяк. Это вращение создает определенное усилие, под действием которого червяк передвигается вперед или назад по одной оси в зависимости от того, какой маневр осуществляет водитель.
Во время движения червяка одновременно с ним задействуется золотник распределителя усилия узла, который также начинает передвигаться вдоль оси. Движение золотника воздействует на потоки масла, распределяя их подачу в полости.
Если автомобиль движется прямо, золотник находится в нейтральном положении, подпираемый пружинами. Давление поступает в корпус ГУРа, который одновременно является гидробаком системы узла.
При вращении руля усилие, подаваемое на гидроусилитель, заставляет перемещаться червяк, который, в свою очередь, меняет положение золотника.
С помощью предусмотренных на золотнике поясков происходит открытие магистралей полостей внутри цилиндра. В зависимости от того, в какую сторону был осуществлен поворот, одна принимает масло, а вторая становится сливом для жидкости.
Давление внутрь полости с маслом подается золотником только в том случае, когда руль начинает вращаться. Как только колесо останавливается, червяк прекращает движение, а вместе с ним тормозит и золотник, который с помощью пружин принимает изначальное положение. Масло сбрасывается в полость, которая отвечает за слив.
Дополнительные элементы
В конструкции узла предусмотрен поршень, который во время движения оказывает воздействие на рейку. Поршень связан с одним из секторов гидроусилителя и отвечает за нагнетание давления внутрь цилиндра. При подаче в одну из полостей давления за счет работы золотника происходит одновременная передача усилия рейке, которая начинает двигать сектор.
Стандартный показатель давления в гидросистеме составляет 2-4 мПа.
Если владелец трактора решит повернуть руль до максимума, то давление способно подняться до 8 мПа.
Регулировки
Настройку узла осуществляют в исправном состоянии. Её правильность является важным фактором в эффективной работе усилителя и сохранения эксплуатационного ресурса. Наладка делится на настройку зазоров зацеплений механических пар и хода золотника .
Зацепление червяк-сектор
Регулировку производят при исправном состоянии рулевых тяг и сочленений привода руля, свободный ход рулевого колеса не должен превышать 30 ̊ с работающим двигателем.
- Поддомкрачивается передний мост трактора или отсоединяется сошка от рулевых тяг.
- Отпускают болт регулировочной эксцентриковой втулки.
- Поворачивают по часовой стрелке втулку до упора червяка в максимальном зацеплении с сектором.
- При работающем двигателе, поворачивая рулевое колесо определяют положение зацепления без ощущения заклинивания, увеличивая зазор поворотом втулки против часовой стрелки.

- Затягивают болт крепления втулки, снимают мост с домкрата или подсоединяют сошку к рулевым тягам.
Подтяжка сферической гайки червяка
Затяжка гайки нивелирует зазор между золотником и обоймами подшипников, образовавшийся в результате выработки или ослабления. Появления зазора отражается на увеличении свободного хода руля и появлению эффекта болтания рулевых колёс. При появлении люфта — золотник может произвольно подключать полости цилиндра к магистралям с давлением масла.
- Откручиваются болты крепления распределителя к корпусу усилителя.
- Снимают крышку и крепят распределитель на два размещённых по диагонали болта 5. Толщину фланца крышки компенсируют подложкой шайб 4 или гаек большого диаметра под головки болтов.
- Затем расшплинтовуют регулировочную гайку 1, и затягивают её до упора золотника в обоймы подшипников. Затяжку осуществляют с усилием 20 Нм.
- Отворачивая сферическую гайку до первого совпадения отверстия на валу червяка — гайку зашплинтовуют.

- Демонтируют установочные болты с шайбами и устанавливают крышку с прокладкой, затягивая четырьмя болтами в штатном режиме.
Правильная затяжка даёт плотное прилегание золотника к обоймам подшипников и обеспечивает возвращение золотника в нейтральное положение под действием пружин при прекращении вращении рулевого колеса. Излишняя затяжка увеличивает усилие на руле и приводит к быстрому износу упорных подшипников распределителя.
Регулировка зацепления сектор — рейка
Зазор в зацеплении сектор–рейка штока поршня цилиндра регулируется количеством прокладок между корпусом усилителя и упором рейки. Достаточный зазор 0,25-0,3 мм обеспечивает работу пары без заклинивания.
Равномерность хода золотника
Ход золотника регулируют прокладками между корпусом усилителя и распределителем, распределителем и крышкой сферической гайки. При недостаточном усилении поворота влево устанавливают дополнительную прокладку в 0,5-1 мм между корпусом колонки и распределителем, если недостаточно усиление вправо – устанавливают прокладку под крышкой сферической гайки.
Таким образом, выравнивают амплитуду хода золотника влево — вправо.
Давление в системе
Настройка давления предохранительного клапана 7 осуществляется изменением сжатия пружины. Заворачивая винт клапана — увеличивается сжатие пружины и соответственно максимальное рабочее давление гидросистемы усилителя.
Обслуживание рулевого управления МТЗ-80, 82
______________________________________________________________________________________________
От состояния рулевого управления трактора МТЗ-80, 82 во многом зависят безопасность, качество работы и утомляемость водителя. Поэтому техническое обслуживание рулевого управления нужно проводить особенно тщательно. Техническое обслуживание рулевого управления заключается в периодическом контроле уровня масла в корпусе гидроусилителя и его замене, смазывании карданных шарниров рулевого привода, контроле состояния резьбовых соединений рулевого привода и рулевых тяг, сошки и поворотных рычагов, крепления сектора, проверке и регулировке свободного хода рулевого колеса.
Рулевую колонку необходимо регулировать с целью исключения возможных вибраций на рулевом колесе.
Для этого рукой заворачивают гайку 12 (см. рис. 1) до соприкосновения последней с втулкой 10. При этом должны быть выбраны зазоры в соединениях, Затем отворачивают гайку 12 на полтора оборота и контрят гайкой 13.
Рис. 1. Привод рулевого механизма МТЗ-80, 82 1 — шлицевая втулка; 2 -передний вал; 3, 7 — карданные шарниры; 4 — промежуточная опора; 5 — средний вал; 6 — стойка; 8 — штифт; 9, 12 — гайки; 10 — втулка; 11 — амортизатор; 13 — контргайка; 14 — рулевое колесо; 15 — маховичок; 16 — рулевой вал; 17, 21 — винты; 18 — промежуточный вал; 19 — труба рулевой колонки; 20 — серьга; 22 — правая стенка стойка; 23 — фиксатор; 24 — пружина; 25 – рукоятка Масляный фильтр промывают в такой последовательности:
— Поднимают облицовку.
— Отсоединяют подводящий маслопровод 12 (см. рис. 2) от крышки 11 редукционного клапана 14.
— Снимают крышку, для чего сначала отворачивают два болта крепления ее к корпусу 22, а затем, используя их в качестве демонтажных, вворачивают болты в демонтажные отверстия крышки и снимают ее.
— Отсоединяют оставшиеся маслопроводы от редукционного клапана 14.
— Удерживая рукой фильтр 13, выворачивают редукционный клапан и снимают сливной фильтр.
— Промывают фильтр в дизельном топливе.
Для установки фильтра операции выполняют в обратной последовательности:
— Фильтр промывают при ТО-3 (960-1000 моточасов работы).
— Одновременно нужно подтянуть гайку 8 крепления сектора на поворотном валу. Рис. 2. Гидроусилитель рулевого управления ГУР трактора МТЗ-80,82 1 — пробка; 2 клапанная крышка; 3 регулировочный винт клапана; 4 червяк; 5 — болт крепления регулировочной втулки; 6 — регулировочная втулка; 7 — сектор; 8 — гайка; 9 — рейка; 10 — регулировочный болт; 11 — верхняя крышка; 12 — гайка; 13 — сливной фильтр; 14 — редукционный клапан; 15 — кран управления АБД; 16 — золотник датчика блокировки дифференциала; 17 — маховичок крана управления; 18 — сошка; 19 — гайка сошки; 20 — сливная пробка; 21 — поворотный вал; 22 — корпус; 23 — упор рейки; 24 — регулировочные прокладки; 25 — шток; 26 — поршень; 27 — передняя крышка цилиндра; 28 — упорный подшипник; 29 — шайба; 30 — сферическая гайка; 31 — золотник Регулировка гидроусилителя рулевого управления МТЗ-82, 80 Проверяют зацепление червяк-сектор и сектор-рейка, затяжку гайки червяка, осевой ход поворотного вала, предохранительный клапан, а также управление краном блокировки дифференциала.
Зацепление «червяк-сектор» и затяжку гайки червяка ГУР МТЗ-80, 82 регулируют в следующей последовательности:
— Поддомкрачивают трактор, чтобы передние колеса не касались грунта. — Затем ослабляют затяжку регулировочного болта 5, вводят в паз втулки 6 ключ и поворачивают ее по ходу часовой стрелки до упора зубьев червяка и сектора (при этом сошка 18 должна находиться в среднем положении).
— Втулку поворачивают против хода часовой стрелки так, чтобы по наружному диаметру она провернулась на 10-12 мм. Затягивают болт 5.
— Запускают двигатель и проверяют отсутствие заеданий в зацеплении «червяк-сектор» при повороте рулевого колеса в обе стороны до упора. — Если при этом имеют место заедания, то нужно увеличить зазор в зацеплении, отпустив болт 5 и повернув втулку 6 дополнительно по ходу часовой стрелки. Усилие на рулевом колесе не должно превышать 30-40 Н.
Регулировка затяжки сферической гайки 30 червяка ГУР заключается в правильной затяжке упорных шариковых подшипников 28 для обеспечения нормального поджатая кольцами подшипников торцов золотника 31.
От правильных регулировок во многом зависит исправная работа гидроусилителя руля МТЗ-80, 82.
Чрезмерная затяжка гайки 30 может вызвать перекос золотника и увеличение усилия поворота.
Зазоры между подшипниками и золотником приводят к увеличению свободного хода рулевого колеса, а также к колебаниям колес, так как в этих условиях золотник может произвольно перемещаться, изменяя соответственно направление потока масла в одну или другую полость цилиндра поршня. Перед затяжкой гайки 30 отворачивают четыре болта крепления распределителя, снимают крышку 29. Крепят распределитель двумя диаметрально расположенными болтами к корпусу гидроусилителя, подложив под головки болтов набор шайб (или гайку), толщина (или высота) которых равна толщине фланца крышки 29.
Затягивают, предварительно расшплинтовав, гайку моментом силы 20 Нм. При этом кольца подшипника 28 должны быть плотно прижаты к торцам золотника 31. Затем отворачивают гайку на 1/10-1/12 оборота, чтобы совместить прорезь гайки под шплинт и отверстие в червяке, и шплинтуют гайку.
Выворачивают два болта, ввернутые в корпус, устанавливают на место крышку 29 и закрепляют распределитель. Зацепление «сектор-рейка» ГУР МТЗ-82, 80 регулируют прокладками 24 под фланцем упора 23 рейки.
При этом зазор между упором и рейкой 9 должен быть 0,1-0,3 мм. Проверяя этот зазор, нужно поджимать рейку 9 к сектору 7. Осевой ход поворотного вала трактора регулируют в следующей последовательности:
— Ослабляют затяжку контргайки и вворачивают регулировочный винт 10 до упора в торец вала. Затем выворачивают болт 10 па 1/8-1/10 оборота и контрят его гайкой. — Предохранительный клапан проверяют следующим образом. В нагнетательную магистраль или в клапанную крышку вместо пробки 1 подсоединяют манометр со шкалой деления от 0 до 10 МПа.
— Запускают двигатель и поворачивают рулевое колесо из одного крайнего положения в другое. При максимальной частоте вращения коленчатого вала дизеля, доводят температуру масла в гидросистеме до 50±5°С. При этом давление должно достигать 8,8 МПа.
Если показания манометра меньше, повышают давление до требуемых значений, медленно вворачивая винт 3. После регулировки винт 3 нужно законтрить гайкой и установить колпак.
Признак нарушения регулировки предохранительного клапана гидроусилителя МТЗ-80, 82 — увеличение усилия на рулевом колесе. Свободный ход рулевого колеса проверяют на стоянке при работающем двигателе. При этом он не должен превышать 20°.
Если свободный ход рулевого колеса больше, проверяют зазоры в соединениях рулевого привода и при необходимости подтягивают гайки крепления сошки и сектора, крепление поворотных рычагов передних мостов и шарниров рулевых тяг, затяжку гайки червяка, регулировку зацепления «червяк-сектор», «сектор-рейка» и осевой ход поворотного вала гидроусилителя. Необходимо следить за уровнем масла в гидросистеме рулевого управления. Если уровень масла меньше нижней риски на масломере, работать на тракторе категорически запрещается. При замене масла одновременно нужно промывать заливной фильтр.
После замены масла прокачивают гидросистему рулевого управления трактора МТЗ-80, 82 в таком порядке: — Поддомкрачивают передний мост до отрыва передних колес от грунта.
— Запускают двигатель и при малой частоте вращения коленчатого вала двигателя поворачивают рулевое колесо в крайние положения по 8-10 раз (вначале медленно, затем быстро), не удерживая его при этом в крайних положениях.
— Затем проверяют уровень масла и при необходимости доливают его до верхней метки масломера. Распределитель приходится снимать и заново устанавливать в случае замены его уплотнительных колец и промывки деталей. При установке распределителя выполняют следующее. Проверяют наличие уплотнительных колец на торцах распределителя и положение золотника 31 в его корпусе.
Золотник должен быть установлен так, чтобы его торец с фаской по наружному диаметру был направлен к корпусу гидроусилителя. Противоположная установка золотника приведет к резкому повышению усилия поворота. Устанавливают распределитель без наружной крышки 29 и крепят его к корпусу гидроусилителя двумя диаметрально расположенными болтами, подложив под головки болтов набор шайб, толщина которых равна высоте крышки.
Ставят упорный подшипник 28, шайбу с конусом и затягивают сферическую гайку 30 в соответствии с рекомендациями, приведенными выше. Признак правильной затяжки гайки — отсутствие зазоров между золотником и кольцами подшипника и отдачи рулевого колеса (возвращение золотника в нейтральное положение) после прекращения его вращения влево.
______________________________________________________________________________________
___________________________________________________________________________________________
Другая спецтехника
МТЗ-80
- Ходоуменьшитель МТЗ-80, 82
- Конструкция ходовой части трактора МТЗ-80
- Коробка переключения передач МТЗ-80
- Сцепление МТЗ-80, 82
- Техобслуживание и регулировки КПП МТЗ-80,82
- Пусковой двигатель ПД-10
- Раздаточная коробка МТЗ-80
- Регулировки ведущих мостов МТЗ-80, 82
- Рулевой механизм и ГУР МТЗ-80, 82
- Устройство тормозной системы МТЗ-80, 82
- ВОМ МТЗ-80, 82
______________________________________________________________________________________
ЯМЗ-236
- Компоненты блока цилиндров ЯМЗ-236 НЕ2, БЕ2
- Сцепление ЯМЗ-181,182,183
- Диски сцепления ЯМЗ-236, 238
- Коленвал и поршневая группа ЯМЗ-236
- Коробка передач ЯМЗ-236
- Диагностика и регулировка двигателя ЯМЗ-236
- Питание топливом и смазка дизеля ЯМЗ-236
- Сцепление ЯМЗ-236
- ТНВД и форсунки ЯМЗ-236
ЯМЗ-238
- Блок цилиндров и поршневая группа ЯМЗ-238
- Коленчатый вал и ГРМ дизеля ЯМЗ-238
- КПП ЯМЗ-238
- Охлаждение и смазка дизеля ЯМЗ-238
- Сцепление ЯМЗ-238
- ТНВД ЯМЗ-238
Т-130
- Бортовые фрикционы Т-130
- Бортовой редуктор Т-130
- Дизель Д-160 трактора Т-130
- Ходовая тележка Т-130
- Механизм поворота трактора Т-130
- Сборка и монтаж тележек Т-130
- Сервомеханизм бортовых фрикционов Т-130
- Сцепление трактора Т-130
- Механизм управления муфты сцепления и горным тормозом Т-130
Т-170
- Двигатель Д-180 бульдозера Т-170
- Гидросистема бульдозера Т-170
- Гидроцилиндр бульдозера Т-170, 130
- Ремонт главной передачи бульдозера Т-170, 130
- Гусеницы и катки Т-170, 130
- Несущая и ходовая система Т-170
- Сборка узлов КПП Т-170, 130
- Механизм натяжения и опорный каток Т-170, 130
- Бульдозерное оборудование Т-170 с поворотным отвалом
- Регулировка муфты сцепления Т-170
- Детали трансмиссии бульдозера Т-170
КРАЗ
- Коробка передач КРАЗ-255, 260
- Рулевое управление Краз-250, 255
- Ведущий мост и карданные валы Краз-255, 260
- Сцепление Краз-250, 260
- ГУР автомобиля Краз
- Подвески автомобиля Краз
- Раздаточная коробка Краз
- Коробка отбора мощности Краз
- Система тормозов автомобилей Краз-6510, 65055
- Карданная передача и ведущие мосты Краз-6510, 65055
- Передняя подвеска автомобилей Краз-6510, 65055
- Рулевое управление КРАЗ-6510, 65055
- Сцепление Краз-6510, 65055
Неисправности и ремонт
Первым критерием, влияющим на эффективность работы узла — есть герметичности всех уплотнений гидросистемы, сохраняющих рабочее давление жидкости, обеспечивающее усилие на рабочие органы.
Устранение течи масла и потери давления достигается заменой всех резиновых сальников, уплотнительных колец и прокладок входящих в полный ремкомплект ГУРа.
Исправность сочленений механического привода, регулировки зацеплений червячного редуктора и рейки поршня с сектором обеспечивают работу механизма без заклинивания.
Причиной тугого руля, при хорошей герметичности системы и достаточном уровне масла, может быть, плохая компрессия силового поршня цилиндра усилителя или недостаточный ход золотника распределителя, не позволяющий открывать нагнетательную магистраль к полостям цилиндра.
Заменой компрессионных колец на поршне и уплотнительного кольца на штоке устраняют перетекание масла из нагнетаемой полости в слив, повышая эффективность работы цилиндра и соответственно созданное полезное усилие.
При правильной регулировке в исправном состоянии для полного открытия каналов золотником рабочий ход в одну сторону должен составлять 1,2 мм. При нарушении хода распределитель не выполняет своей функции, что приводит к неполному открытию нагнетательного канала для подачи давления в полость цилиндра и достаточного гидравлического усиления не создаётся.
Часто причиной являются недопустимые люфты в соединениях сборочных единиц усилителя, которые в своей сумме негативно влияют на обеспечение нужных параметров перемещения золотника. Поэтому нужно сказать, что успешность работы распределителя зависит от технического состояния соединений деталей и соответствия зазоров в зацеплениях.
Технически обоснованно и правильно при недопустимых люфтах или невозможности регулировки в результате износа контактных рабочих поверхностей зубьев, витков червяка, втулок, подшипников следует заменить вышедшие из строя детали.
Многие трактористы применяют в практике приём, который временно нивелирует зазоры при износе деталей ГУРа влияющих на работу распределителя. Нормального рабочего хода золотника добиваются двумя способами:
- Увеличивают линейный размер золотника путём проточки с обеих сторон внутреннего диаметра детали шириной 4 мм и глубиной по телу 1 мм. Вытачивают втулки-шайбы с соответствующей ширины и диаметром посадки во внутренний диаметр выточки золотника и выступающей части с шириной 1,2 -1,5 мм с соответствующим наружным диаметром.
Модернизированную деталь устанавливают, подкладывая дополнительно прокладки между корпусом колонки и распределителем и крышкой распределителя. Таким образом, компенсируют увеличенный размер золотника. Для увеличения жёсткости пружин плунжеров вытачивают дополнительные шайбы соответствующего диаметра толщиной 1,5 мм и устанавливают между пружиной и деталью. - Второй способ проще – протачивают на корпусе распределителя поверхность крепления крышки. Диаметр проточки от центра отверстия для установки золотника и оси червяка делают на 4 мм больше диаметра обоймы упорного подшипника глубиной 2-2,4 мм. В этом случае отпадает необходимость устанавливать дополнительные прокладки между корпусами и крышками, а также устанавливать шайбы под плунжеры.
Описанный приём имеет место в практике, однако, не решает проблемы общего технического состояния узла. Увеличенные в результате износа или неправильной регулировки зазоры в сочленениях всё ровно приведут к полному отказу выполнения узлом своей функции.
Поэтому прежде чем прибегать к данному методу постарайтесь определить причину недостаточного хода золотника и устраните её путём замены изношенных деталей с последующей регулировкой, согласно эксплуатационных рекомендаций производителя.
Большой люфт руля при работающем двигателе означает, что имеет место износ соединений вала рулевого механизма, возможны увеличенные зазоры в зацеплении зубчатой передачи гидроусилителя руля, шаровых пальцев и рулевых тяг. Возможно ослабли подшипники червяка на валу.
Для исправления создавшейся ситуации на первом этапе проверяют техническое состояние деталей рулевого механизма и рулевых тяг. Нужно устранить зазоры, поменять необходимые детали и отрегулировать механизм.
Чтобы выяснить, какова величина зазоров в зубчатых и червячных зацеплениях механизма рулевого управления, а также определить усилие на ободе руля применяют обычно устройство НИИАТ-402 (см. на рис. 2.3.1).
Рис. 2.3.1. Как определить свободный ход руля трактора МТЗ-80, МТЗ-82: 1 — прибор НИИАТ-402; 2 рулевое колесо; 3 — рулевая колонка
Динамометр устройства размещают на руле, а указатель — на рулевой колонке.
Поворачивая руль в обе стороны до пропадания зазоров в шарнирах рулевых тяг и в зацеплении рулевого механизма, вычисляют свободный ход руля. Типовой свободный ход рулевого колеса лежит в пределах 25—30°, а приемлемый (допустимый) — 35°.
Чтобы определить, какое усилие развивается на ободе руля, откидывают рулевые тяги от сошки, включают двигатель и при максимальной частоте вращения коленвала тянут на себя одну из ручек динамометра устройства. По размещению на противоположной рукоятке фиксаторного кольца узнают усилие свободного поворота руля. Усилие на руле должно находиться в пределах 30—50 Ньютон.
Если люфт руля выше допустимого значения, начинают регулировать механизмы гидроусилителя. Зазоры в зубчатом сцеплении червяк-сектор (см. рис. 2.3.2) исправляют смещением регулировочной втулки 4, но вначале нужно отвернуть стопорный болт 3. При незначительном изменении свободного хода вала гидроусилителя руля, снимают крышку корпуса (рис. 2.3.3), а далее пластинчатым щупом проверяют зазор между датчиком блокировки дифференциала (упором) и рейкой (рис.
2.3.4). Он обычно должен находится в пределах 0,1—0,3 мм. Зазор доводят до ума с помощью прокладок фланца датчика блокировки дифференциала (рис. 2.3.5). Финишируют эту процедуру регулировкой зацепления червяк-сектор. В чем коварство? Нужно чтобы вращения червяка было свободным, без заеданий.
Рис. 2.3.2. Как отрегулировать зазор в зацеплении червяк—сектор поворотом регулировочной втулки МТЗ: 1 — лимб; 2 — стрелка-указатель; 3 — стопорный болт; 4 — регулировочная втулка червяка; 5 — червяк
Рис. 2.3.3. Как снять крышку корпуса ГУР МТЗ-80, МТЗ-82: 1 — корпус ГУРа; 2 — крышка корпуса ГУРа
Рис. 2.3.4. Как проверить зазор между упором и рейкой трактора МТЗ-80, МТЗ-82: 1 — рейка; 2 — щуп; 3 — упор
Рис. 2.3.5. Как отрегулировать зазор в зацеплении червяк—сектор установкой прокладок МТЗ-80, МТЗ-82: 1 — корпус ГУРа; 2 — датчик блокировки дифференциала; 3 — регулировочные прокладки
Тяжелый поворот трактора говорит нам о нехватке рабочей жидкости в баке, снижении ее подачи, либо ошибке в регулировки предохранительного клапана.
Еще одна причина — износ или разваливание уплотнительных колец силового цилиндра.
Назначение ГУРа
Прежде чем более подробно изучить устройство рулевой колонки МТЗ 80, а также возможные неисправности этого важного узла, целесообразно более подробно ознакомиться с его назначением и особенностями. ГУР тракторной техники МТЗ предназначен для уменьшения усилий водителя, необходимых для совершения маневров при управлении транспортным средством.
Если изучить конструкцию трактора, можно сделать вывод о том, что данный узел представляется промежуточным между рулевым колесом и колесами трактора. Все комплектующие рулевого управления, а также гидравлические элементы установлены под радиатором.
Перечень узлов
Планируя выяснить, как выполнить ремонт рулевой колонки МТЗ 80 своими руками, следует изучить конструкцию этого компонента. ГУР оснащен отдельной гидравлической системой, которая не зависит от аналогичных элементов, являющихся частью внутреннего устройства трактора.
Основными элементами рулевой гидросистемы представляются распределитель, насосные устройства дозатора и цилиндра, а также датчик автоматической блокировки заднего моста транспортного средства. Рассматривая конструкцию гидроусилителя более подробно, необходимо упомянуть следующие важные элементы:
- корпус, где расположена масляная емкость, служит для монтажа большинства деталей и элементов ГУР;
- насос, за счет которого удается перемещать масло в гидравлической системе;
- сектор, контактирующий с рулевым управлением, размещен на поворотном вале;
- поворотный вал, оснащенный 3 опорными элементами;
- рейка, передающая сектору движение поршня;
- золотник, смонтированный на одном из концов червячного механизма рулевой колонки;
- фильтр, используемый для очистки масла, циркулирующего в гидравлической системе;
- предохранительный клапан, основным назначением которого представляется защита узла от возникновения чрезмерного давления.

Желая узнать, как устранить неисправности рулевой колонки, необходимо обратить внимание и на другой важный элемент конструкции — автоматическую блокировочную систему. Она предназначена для блокировки дифференциала заднего моста, включает в себя несколько составных элементов.
Как устроен ГУР?
Корпус гидроусилителя рулевого управления выполнен из чугуна и размещен на брусе автомобильной рамы. По сторонам от узла расположен радиатор управления и стенка капота. ГУР – это мощный механизм, оборудованный червячным редуктором.
Дополнительно конструкция узла оснащена:
- гидросистемой;
- золотником, за счет работы которого удается достичь нужного давления и облегчить поворот;
- шестеренчатым гидронасосом;
- цилиндром;
- клапаном предохранителя.
В движение конструкции приводит вращение шестерни, и в первую очередь начинает двигаться гидронасос, за которым следуют остальные элементы.
Принцип работы
В корпусе ГУР предусмотрен червяк, который дополнительно обвязывают витки.
На торцевой части установлен золотник. На концах детали предусмотрены подшипники для упора конструкции. В подшипники в процессе эксплуатации узла упираются плунжеры, создавая давление. В свою очередь, с другой стороны пружины упираются в корпус, детали которого также являются частью конструкции усилителя.
За счет работы пружин удается зафиксировать положение золотника, предотвращая его смещение в разные стороны. Когда водитель трактора начинает вращать колеса, совершая маневр, сектор узла движется под воздействием червяка, который вращается витками. В результате происходит поворот вала сошки.
В процессе вращения в колесах возникает сопротивление, которое принимает червяк. Это вращение создает определенное усилие, под действием которого червяк передвигается вперед или назад по одной оси в зависимости от того, какой маневр осуществляет водитель.
Во время движения червяка одновременно с ним задействуется золотник распределителя усилия узла, который также начинает передвигаться вдоль оси.
Движение золотника воздействует на потоки масла, распределяя их подачу в полости.
Если автомобиль движется прямо, золотник находится в нейтральном положении, подпираемый пружинами. Давление поступает в корпус ГУРа, который одновременно является гидробаком системы узла.
При вращении руля усилие, подаваемое на гидроусилитель, заставляет перемещаться червяк, который, в свою очередь, меняет положение золотника. С помощью предусмотренных на золотнике поясков происходит открытие магистралей полостей внутри цилиндра. В зависимости от того, в какую сторону был осуществлен поворот, одна принимает масло, а вторая становится сливом для жидкости.
Давление внутрь полости с маслом подается золотником только в том случае, когда руль начинает вращаться. Как только колесо останавливается, червяк прекращает движение, а вместе с ним тормозит и золотник, который с помощью пружин принимает изначальное положение. Масло сбрасывается в полость, которая отвечает за слив.
Дополнительные элементы
В конструкции узла предусмотрен поршень, который во время движения оказывает воздействие на рейку.
Поршень связан с одним из секторов гидроусилителя и отвечает за нагнетание давления внутрь цилиндра. При подаче в одну из полостей давления за счет работы золотника происходит одновременная передача усилия рейке, которая начинает двигать сектор.
Стандартный показатель давления в гидросистеме составляет 2-4 мПа. Если владелец трактора решит повернуть руль до максимума, то давление способно подняться до 8 мПа.
Возможные неисправности
Продукция Минского тракторного завода отличается высоким качеством, превосходными техническими характеристиками и длительным сроком службы, однако со временем может потребовать ремонта и регулировки. Владельцам тракторов МТЗ приходится сталкиваться с несколькими характерными поломками ГУР, к числу которых следует отнести:
- тугое рулевое управление;
- трактор не поворачивает в нужном направлении;
- наблюдаются задержки при работе узла.
Для устранения подобных неисправностей настоятельно рекомендуется осуществлять разборку узла и проводить дефектовку отдельных элементов, после чего заменять поврежденные детали на новые.
После проведения работ потребуется установить узел на место, после чего выполнить его регулировку.
Настройка и ремонт
При необходимости усовершенствовать ГУР МТЗ 80 либо устранить незначительные поломки достаточно выполнить детальную регулировку данного механизма. Для этого целесообразно придерживаться следующей инструкции:
- Ослабить основной болт, размещенный в месте зацепления «червяк-сектор».
- Используя ключ, повернуть втулку по часовой стрелке до упора, после чего повернуть в обратном направлении на 1-1,2 см.
- Затянуть основной болт, завести двигатель и убедиться в корректном вращении рулевого колеса.
- При обнаружении заедания потребуется увеличить зазор в зацеплении, повернув втулку против часовой стрелки.
- Отрегулировать место соединения «сектор-рейка», уменьшив толщину регулировочных прокладок до упора. Определить крайнее положение можно по зазору между рейкой и упором, который достигнет 0,1-0,3 мм.
- Затянуть упорные подшипники с помощью сферической гайки, избегая чрезмерного поджатия.

Помимо действий по регулировке узла, может потребоваться выполнить техническое обслуживание, что поможет поддерживать ГУР в оптимальном состоянии. Чаще всего требуется промывать масляный фильтр, что можно сделать, подняв облицовку, демонтировав маслопровод и крышку.
Некоторые поломки, например, затрудненный поворот, может свидетельствовать о недостаточном объеме жидкости в гидравлической системе, неправильной регулировке либо износе уплотнительных колец цилиндра.
Мероприятия по ремонту гидравлических механизмов рулевого управления трактора представляются довольно сложными, требуют наличия специального оборудования для контроля рабочих показателей. В некоторых случаях может быть проще установить гидроусилитель руля МТЗ 80 в сборе, что позволит избежать проблем с поиском сломанных элементов. Для этого потребуется:
- Убедиться в герметичности маслопроводной системы.
- Установить собранный механизм на специальные втулки, расположенные на переднем брусе полурамы.

- Смонтировать рулевой вал в колонку, а также установить прочие элементы.
Приобретение собранного гидроусилителя представляется заметно более затратным решением, нежели последовательная регулировка и дефектовка его деталей, однако она позволяет быстро решить возникшие проблемы.
Как происходит регулировка гидроусилителя
Основные неисправности гидроусилителя руля касаются в первую очередь зубчатой рейки, сектора и червяка. Кроме того, переделка ГУРа МТЗ может потребоваться в том случае, если в его конструкции была нарушена герметичность или предохранительный клапан пришел в негодность. Если при проведении диагностики составных частей гидроусилителя руля были выявлены какие-либо неисправности, необходимо разобраться, может ли проводиться обычная регулировка ГУРа МТЗ или регулировочные операции будут недостаточными и понадобится более тщательный ремонт.
Чтобы устранить поломку, которая затрагивает, например, распределитель, необходимо будет снять гидроусилитель с сельскохозяйственной техники и разобрать его.
В дальнейшем будет проведена экспертиза и заменены нужные детали.
Перед тем как будет произведена регулировка или ремонт гидроусилителя, необходимо слить рабочую жидкость и ослабить гайку поворотного вала.
Переделанная установка должна быть вновь поставлена на трактор со всей внимательностью — обратите внимание на степень затяжки гаек, следите за тем, чтобы метки поворотного вала и другие элементы встали на свои места.
На отрегулированном гидроусилителе можно «уехать» довольно далеко. Однако при проведении работ следует быть внимательным и соблюдать основные правила проведения подобных работ. В ином случае можно сломать важную деталь. Если у вас нет должных навыков, лучше доверьте вопросы регулировки специалистам.
улучшаем его своими руками. Тюнинг руля
Колесные тракторы марки «Беларус» до сих пор эксплуатируются в нашей стране, несмотря на то, что их производство давно прекращено. Это обстоятельство говорит о высоком потенциале, заложенном в конструкции, ее надежности и ремонтопригодности.
Колесный трактор МТЗ-50 относится к категории универсальных сельскохозяйственных машин тонны. Предназначены для выполнения широкого спектра работ:
- Перевозка грузов на прицепах и полуприцепах.
- Все виды полевых работ: вспашка, культивация, посев, междурядная обработка и многое другое.
- Привод стационарных и прицепных машин и агрегатов.
- Дорожно-строительные работы.
Вышеперечисленные и другие технологические операции трактор выполняет с использованием широкой номенклатуры навесного, полунавесного и прицепного оборудования. Для этого машина снабжена прицепной системой, тягово-сцепным устройством и валом отбора мощности для привода агрегатов.
Минский тракторный завод создан постановлением правительства СССР от1142 в 1946 году и через два года выпустили первые изделия. Разработка модели МТЗ-50 «Беларус» началась в 1956 году параллельно с проектированием дизеля. Техническая и технологическая документация была подготовлена в кратчайшие сроки и согласована с отраслевым НИИ.
Опытный цех завода начал предсерийное производство нового пропашного трактора в 1958 году, после чего он поступил на государственные испытания. По результатам последней и с учетом замечаний комиссии машина была доработана и на ее базе создана полноприводная версия МТЗ-52.
Трактор МТЗ-52. Полноприводная версия
В соответствии с постановлением Совета Министров от 14.11.1959 начало производства базовой модели трактора планировалось на 1961 год, а модернизированной – на следующий. К концу пятилетки предприятию предписывалось довести общий годовой выпуск автомобилей обеих марок до 75 тысяч единиц.
В 1960 году велись опытно-конструкторские работы по установке полугусеничного привода на МТЗ-50. Тракторы этой модификации поставлялись сельскохозяйственным предприятиям и другим организациям по отдельным заказам.Применение резинометаллических гусениц позволило значительно повысить тяговые характеристики и экономические показатели машины.
В 1963 году специально для хлопкосеющих хозяйств была завершена модернизация МТЗ-50 «Беларусь».
Принципиальное отличие от серийной модели – трехколесная схема, пригодная для работы по четырехрядной системе. На Минском заводе этот трактор выпускался 8 лет до 1977 года, после чего его производство было развернуто в Ташкенте на вновь созданном заводе.
В 1964 году с конвейера МТЗ сошла первая серийная версия в полноприводном исполнении. Эта машина быстро стала популярной среди механизаторов и ценилась за высокую проходимость. На основе описываемой модели созданы три гусеничных трактора Т-54В для работы на виноградниках. Модификация выпускалась с колеей 950 мм и 850 мм. Трактор выпускался до 1985 года и всего было выпущено 1 256 800 экземпляров.
Технические характеристики трактора МТЗ-50
Трактор пропашной колесный модели МТЗ-50 выполнен по классической схеме, основой которой является полурамная конструкция.Несущий каркас состоит из двух швеллеров, соединенных в передней части литым стержнем. Кроме полурамы, каркас трактора составляют картеры сцепления, коробки передач и заднего моста.
В передней части МТЗ-50 «Беларус» продольно установлен дизельный двигатель, закрытый капотом типа «крокодил», откидывающимся вперед. Механизмы расположены непосредственно за силовой передачей дизельного двигателя и задним мостом, а также одноместной кабиной для размещения оператора.
Двигатель
Трактор оснащен четырехцилиндровым дизельным двигателем производства МТЗ марки Д-50 двух модификаций: с электростартером и Д-50Л с бензиновым стартером. Основные технические характеристики двигателя:
- Номинальная мощность – 55 л. с., максимальный – 60 литров. с..
- Частота вращения коленчатого вала 1700 об/мин.
- Максимальный крутящий момент свыше 36 кгс.
- Рабочий объем двигателя 4.75 литров.
- Удельный расход топлива не более 195 г/т. л. с участием. ч
- ТНВД четырехплунжерный типа УТН-5 с всережимным центробежным регулятором.
- Давление впрыска – 130 кгс/кгс/см 2 .
- Масса двигателя без технических жидкостей: Д-50 – 410 кг, Д-50 Л – 470 кг.

- Рабочее давление масла 2,0 – 3,5 кгс/см2.
Силовой агрегат оснащен комбинированным двухступенчатым воздухоочистителем. Система охлаждения жидкостная с принудительной циркуляцией воды или антифриза, радиатор расположен непосредственно перед двигателем.Вентилятор с постоянным приводом от коленчатого вала через ременную передачу.
Система смазки комбинированная: часть деталей подается маслом под давлением от шестеренчатого насоса, остальные разбрызгиваются. Очистка масла осуществляется в две ступени с использованием механического и центробежного фильтра.
Система питания включает топливный бак, фильтр грубой очистки, топливоподкачивающий насос, ТНВД, фильтр тонкой очистки, вихревые камеры и форсунки.
Двигатель оборудован счетчиком моточасов, клапаном слива охлаждающей жидкости, вентилятором принудительного обдува радиатора, термостатом, водяной помпой и генератором.Навесное оборудование обеспечивает работу силового агрегата и других систем трактора.
Итак, генератор приводится в движение ремнем от шкива, закрепленного на коленчатом валу. Устройство предназначено для питания потребителей постоянным током.
Трансмиссия
Крутящий момент от двигателя к ведущим колесам передается через цепь, состоящую из следующих механизмов:
- сцепление; муфта
- ; коробка передач
- ; Задний мост
- .
Муфты и соединительная установлены в одном корпусе, который соединяется с силовым агрегатом.Задний мост и коробка передач имеют отдельные корпуса, в нижней части которых расположены корпуса для трансмиссионного масла.
Трактор МТЗ-50 оснащен механической коробкой передач, которая имеет 9 передач (в том числе одну прямую) для движения вперед и одну – назад. В задней части коробки передач установлен редуктор, который удваивает режимы движения трактора. Оба механизма управляются одним рычагом, при этом коробка передач сначала включается на повышенный или пониженный диапазон.
Коробка передач трактора МТЗ-50 состоит из следующих частей:
- корпус с картером;
- первичный и вторичный вал;
- передняя и задняя каретка;
- промежуточный и внутренний вал;
- ведущие и ведомые шестерни;
- Механизм переключения передач.
Крутящий момент от двигателя через муфты подается на входной вал коробки передач, затем через пары шестерен с разными передаточными числами преобразуется и передается на выходной вал. Соединение пар шестерен, находящихся в постоянном зацеплении, происходит за счет движения кареток по шлицам первичного вала. Удвоение режимов работы трактора обеспечивается применением коробки передач.
Шасси
Кинематическая схема трактора МТЗ-50 традиционна для машин данного типа и включает следующие элементы:
- Главная передача с парой конических шестерен постоянного зацепления.Для снижения шума используются шестерни со спиральными зубьями (41 и 12 соответственно), передаточное число 3,42.

- Конический дифференциал закрытого типа установлен в картере заднего моста и имеет 4 сателлита. Устройство оснащено замковым механизмом с двумя кулачковыми муфтами, который срабатывает при нажатии на педаль. Деактивация происходит автоматически при снятии ноги с органа управления.
- Бортовые передачи установлены в корпусах на концах полуосей и состоят из двух пар цилиндрических шестерен (по одной на каждую сторону).Передаточное число 5,308, зубья прямые, число 69 и 13 соответственно.
Ведущие задние колеса установлены на ступицах, вращение которых обеспечивается за счет использования роликовых подшипников. В версии трактора МТЗ-50 привод только на задние колеса, в полноприводной модификации предусмотрена раздаточная коробка. Мощность передается на переднюю ось через карданный вал.
Трактором управляет оператор, воздействуя на руль, педали и рычаги.Начало движения, маневрирование и торможение сельхозмашины осуществляется следующими системами:
- Тормоза.
Дисковая, сухого типа, смонтирована на шестернях главной передачи. Привод гидравлический, управление работой осуществляется нажатием на педаль. - Рулевое управление. Система состоит из рулевого колеса, червячной передачи (червячная передача с передаточным числом 17,5), гидроусилителя, продольных и поперечных тяг и рычагов.
Для снижения управляющих усилий на руле механизм оснащен раздельно-агрегатным гидроусилителем.В системе предусмотрен шестеренный насос марки НШ-10Э, производительностью не менее 14 л/мин. Привод представляет собой цилиндр двустороннего действия с ходом поршня 19,5 мм от среднего положения. Управление работой гидроусилителя осуществляется с помощью однозолотникового распределителя, который установлен на оси червячного редуктора.
Габаритные весовые индикаторы
Модель МТЗ-50 «Беларус» относится к тракторам средних размеров, что дает возможность использовать ее в помещениях фермерских хозяйств для выполнения различных работ.
Основные геометрические и весовые параметры сельскохозяйственной машины:
- Максимальная длина (по концам продольных тяг сцепки – сзади и противовесов – спереди) – 3815 мм.
- Ширина (по концам полуосей задних колес) – 1970 мм.
- Высота крыши кабины – 2485 мм.
- База трактора (расстояние между центрами передней и задней осей) – 2370 мм.
- Колея передних и задних колес варьируется от 1200 до 1800 мм.
- Минимальный дорожный просвет 465 мм.
- Наименьший радиус поворота трактора при выполнении маневра с торможением внутренних колес – 2,5 м. Конструктивная масса модели
- (в стандартной комплектации без дополнительного оборудования и навесных грузов на колеса и другие точки подвески) – 2790 кг.
- Масса без рабочих жидкостей с кабиной и каркасом безопасности – 3040 кг.
Геометрические размеры трактора в сочетании с оптимальной массой обеспечивают отличные тяговые характеристики, маневренность и проходимость.
Сельскохозяйственная машина способна поворачивать с малым радиусом траектории. Эта функция очень дорогая при выполнении работ на ограниченной площади участков в условиях бездорожья.
Трактор МТЗ-50 “Беларус” управляется с рабочего места оператора. Он расположен в закрытой одноместной кабине с большой площадью остекления, что обеспечивает трактористу хороший обзор во всех направлениях. Оператор сидит на подрессоренном сиденье, перед которым установлены следующие органы управления:
- Педали: сцепления, управления подачей топлива, блокировки дифференциала, правого и левого тормозов.
- Рычаги: переключение передач, торможение прицепа, управление задним ВОМ, увеличение массы гидромуфты, гидрораспределитель.
- Маховик регулировки резервного давления.
- Рулевое колесо с переключателем звукового сигнала и ручкой переключателя указателей поворота.
- Панель приборов, на которой установлены амперметр, указатель давления масла, указатель температуры и контрольная лампа.

- Тяга привода защелки горного тормоза.
- Выключатель аккумулятора.
- Ручка переключения заднего вала отбора мощности.
Ветровое стекло кабины трактора оборудовано стеклоочистителем, который приводится в действие вручную с помощью рычага. Для обеспечения нормального микроклимата предусмотрен вентилятор, управляемый отдельным выключателем. Освещение рабочего места осуществляется с помощью плафона, установленного на потолке. В целом кабина была достаточно комфортной для своего времени и обеспечивала оператору нормальные условия работы.
Трактор модели МТЗ-50 использовался для выполнения широкого спектра полевых работ с использованием различных агрегатов.В список вложений входят следующие позиции:
- Плуги трехкорпусные для вспашки различных почв нескольких типов.
- Навесная косилка-измельчитель.
- Прицепная косилка-плющилка.
- Сеялки различных типов, в том числе с функцией внесения минеральных удобрений.

- Сеялки-культиваторы.
- Агрегаты чизельно-почвообрабатывающие комбинированные.
- Культиваторы сплошной обработки почвы.
- Борона навесная.
- Агрегаты для внесения жидких удобрений и ядохимикатов.
- Полуприцепы транспортные и специального назначения.
- Самосвальные прицепы и полуприцепы.
- Разбрасыватели минеральных удобрений навесные и прицепные.
- Косилки дисковые и сегментно-пальцевые.
- Роторные грабли-ворошилки.
- Пресс-подборщики тюковые и рулонные.
монтируется на трактор с помощью специальной системы навески. Агрегаты, требующие механического привода, соединены с валом отбора мощности.Тягово-сцепные устройства присоединяются к сельхозмашине с помощью универсального крюка, расположенного на поперечном звене системы подвески.
Модификации трактора МТЗ-50
Минский тракторный завод постоянно совершенствовал свою продукцию и выпускал МТЗ-50 в нескольких модификациях.
Модернизация машины проводилась по двум направлениям: улучшение характеристик и повышение проходимости. Всего помимо базовой версии было выпущено три модификации трактора:
- МТЗ-50Л с дизелем Д-50Л с электростартером.
- МТЗ-52 … Оснащался силовым агрегатом Д-50 с полным приводом, для чего на место передней балки устанавливались мост и раздаточная коробка. Передача мощности осуществляется через карданный привод с промежуточным подшипником. Включение переднего моста возможно в автоматическом режиме или принудительно.
- МТЗ-52Л является полноприводной версией и отличается от предыдущей модели наличием электростартера в системе запуска двигателя.
Трактор МТЗ-50Х1. Хлопководческая модификация
Все модификации максимально унифицированы по основной номенклатуре деталей, узлов и агрегатов. Такой подход позволяет снизить отпускную цену на конечную продукцию завода и упростить снабжение сельхозпредприятий запасными частями и комплектующими.
Полноприводная версия машины имеет лучшие тяговые характеристики и используется в труднопроходимой местности.
Опыт эксплуатации МТЗ-50.Преимущества и недостатки
Тракторы этой модели разрабатывались исходя из технических требований текущего момента и имели отличные для своего времени характеристики. МТЗ-50 «Беларус» имеет ряд преимуществ перед машинами других моделей, в частности:
- Минимальные затраты на содержание и эксплуатацию трактора.
- Высокая надежность узлов и агрегатов машины.
- Достаточная производительность, позволяющая выполнять значительные объемы работ при относительно небольших затратах.
- Трактор предназначен для эксплуатации в условиях отсутствия дорог с твердым покрытием.
- Климатическое исполнение машины позволяет эксплуатировать ее зимой и летом при экстремальных температурах.
- Трактор может агрегатироваться с широким набором навесного оборудования для сельскохозяйственных и других работ.

Машина отличается неприхотливостью, простотой в эксплуатации и отличной ремонтопригодностью. Восстановление неисправного трактора возможно в полевых условиях с использованием стандартного набора инструментов.В то же время модель МТЗ-50 имеет ряд особенностей, которые следует учитывать при использовании ее по назначению:
- Недостаточная мощность двигателя для работы на тяжелых грунтах.
- Высокая чувствительность пускового двигателя к качеству бензина.
- Тракторист должен быть внимательным при выборе режима работы двигателя и коробки передач.
Учитывая значительный опыт эксплуатации сельхозмашин данной модели, перечисленные недостатки можно считать незначительными.Машинисты отмечают неприхотливость, высокую надежность и продуманность конструкции. Машина хорошо зарекомендовала себя в средней полосе и поставлялась после соответствующей доработки в страны с жарким или холодным климатом.
Заключение
Трактор МТЗ-50 Беларус заслуженно популярен в нашей стране и за рубежом, в первую очередь благодаря своей неприхотливости.
Для его эксплуатации и обслуживания не требуется высококвалифицированный персонал. О высокой надежности модели свидетельствует тот факт, что, несмотря на прекращение ее производства более 20 лет назад, до сих пор в эксплуатации находится достаточное количество машин.
Какой бы привлекательной и мощной ни была техника, всегда найдутся любители, которые захотят сделать ее еще лучше. И это касается не только автомобилей. Тракторы также подлежат модификации. Тюнинг МТЗ позволит улучшить технические характеристики данного агрегата, а также его внешний вид.
Переделки салона
Каждый водитель стремится сделать свою кабину более удобной. Одни устанавливают магнитолу, другие пересаживаются, третьи тонируют стекла.Все это можно сделать с помощью Тюнинг, фото которого мы представили в нашей статье, затрагивает и другие виды доработок. Устанавливают аудиосистему, навигатор, меняют и дорабатывают подсветку. Правда, в процессе этих доработок важно учитывать некоторые моменты.
Например, окна лучше затонировать, а не завешивать шторами. Это устранит избыток пыли в кабине. И выглядеть это будет так же привлекательно и стильно.
Даже установка аудиосистемы имеет свои тонкости.Сама рация должна располагаться в том месте, где оператору будет удобно менять ее настройки. Сабвуфер обычно прячут за сиденьем. При этом динамики должны обеспечивать равномерный звук.
При выборе сиденья нужно учитывать специфику техники. Для тракторов подойдут кресла, высокие, удобные, но небольшого размера.
В качестве подсветки обычно предпочтительнее использовать светодиоды. Они экономят электроэнергию и дают много света, обеспечивая хорошую освещенность.Для этого рекомендуется использовать сверхъяркие светодиоды.
Внешние доработки
Внешний тюнинг МТЗ подразумевает, в первую очередь, изменение цвета кузова. Обычно производитель предлагает технику, окрашенную в один цвет. Это достаточно скучно. И именно поэтому у его обладательниц есть целое поле для деятельности и полета фантазии.
Тракторы красят в другие цвета, красят аэрографом – все зависит от желания. Единственный нюанс – это подготовка кузова. Рисунок наносится только на плоские поверхности, иначе он исказится.Поэтому все должно быть идеально подготовлено.
Не забудьте про подвесные доборные элементы. Например, уместно будут смотреться установленные молдинги, решетки, накладки на пороги и так далее. Они даже устанавливают колпаки на колеса. Но купить их в магазине практически невозможно. Такие элементы изготавливаются специально обученными людьми.
Изменение параметров двигателя
Тюнинг МТЗ-82 и других модификаций тракторов обычно затрагивает внутренние переделки, то есть изменение свойств двигателя.Например, дизельный силовой агрегат дополняется метановым.
Этот шаг позволяет заменить до 80% дизельного топлива на природный газ.
Еще одним способом тюнинга двигателя является своевременное его техосмотр и ремонт. Достигается увеличение мощности. Кроме того, можно монтировать отдельные элементы от других типов тракторов.
Повышение проходимости
Тюнинг МТЗ так же влияет на улучшение проходимости.В этом направлении есть 2 пути.
Во-первых, это возможность установки средних колес. В результате получается, что трактор передвигается на 8 колесах вместо обычных 4. Такой шаг увеличивает площадь соприкосновения почвы с колесами.
С этой же целью устанавливается так называемая полугусеница. Для этого монтируются резинометаллические траки, работающие совместно с натяжными устройствами. Благодаря такой конструкции снижается давление на почву, и трактор может двигаться даже по заболоченным участкам полей.
Еще один способ улучшить проходимость — заменить мост. Обычно эта деталь используется от ГАЗ-66. Правда, этот тюнинг МТЗ достаточно сложен в исполнении. В этом случае лучше обратиться к специалисту.
Какими бы хорошими не считались машины, сошедшие с конвейера Минского тракторного завода, но все же отечественное есть отечественное. Ну, мы еще не научились делать хорошую технику! Но хочется иметь в своем ангаре что-то действительно надежное, мощное и с такими необходимыми сегодня опциями, как бортовой компьютер с неглючной операционной системой, возможностью отслеживать машину при работе в поле, хорошей аудиосистемой , климат-контроль и многое другое! Но все эти достижения технической мысли недоступны простому смертному! Если посмотреть на цены на заслуживающую внимания зарубежную технику, то сразу становится понятно, что такое удовольствие не по карману.
Но поспешу вас убедить – не отказывайтесь от своих желаний, стремитесь осуществить свои мечты, даже если это кажется невозможным.
Если нет денег на покупку John Deere или New Holland
Для креативных владельцев, которые просто не могут смириться с тем, что на их поле работает трактор МТЗ, а не Lamborghini или John Deere, предлагаю начать тюнинг своей машины. Только сразу предупреждаю, что те, кто не готов вкладывать душу в свою технику, не обладает богатой фантазией и не умеет работать ключом и отверткой, с этой задачей не справится.Смиритесь, эта идея не для вас, и нет смысла читать эту статью. Для всех остальных пишу следующее.
Итак, первое, что нужно сделать сразу, это определиться с видом тюнинга трактора. Для тех, кто не в теме, сообщаю, что тюнинг бывает двух видов: внешний и внутренний тюнинг. Как нетрудно догадаться из названия, внешний тюнинг касается таких приемов внешнего изменения, как изменение цвета кузова, наклеивание наклеек, установка стильного нового бампера и многое другое.
Внутренний тюнинг – более сложная работа, и не каждому под силу. Он предусматривает внесение изменений в конструкцию механизмов: доработку двигателя, замену коробки передач и тому подобное.
Вы решили? Тогда давайте перейдем к следующему шагу.
Расчет средств, которые будут потрачены на апгрейды, тоже важная часть, которую нельзя обойти стороной. Для реализации задуманного вам понадобятся хорошие детали, и качественные инструменты, на них нельзя экономить.
Далее переходим непосредственно к исполнению.
Исправляем ошибки конструкторов тракторов МТЗ
Наверное, самая сложная часть работы, которую мы можем отнести к внешнему тюнингу, это переделка кузовных деталей.Осуществляется как в домашних условиях, когда приобретаются готовые детали от других тракторов, грузовых, легковых автомобилей и немного дорабатываются, так и в заводских условиях, когда деталь изготавливается на заказ. Следует отметить, что такой тюнинг является одним из самых дорогих, и он требует определенных навыков работы.
Кроме того, в этом случае требуется хорошая фантазия. Что же касается результата такого усовершенствования, то он может быть самым разнообразным: можно превратить автомобиль в посмешище для окружающих, а можно превратить в предмет зависти.
Посмотреть примеры такого тюнинга *:
* – фото даны для того, чтобы показать возможные варианты тюнинга, трактор МТЗ показан не на каждом фото.
Сегодня не многие владельцы спецтехники берутся за такие работы, однако, если кузов автомобиля прогнил или имеет серьезные механические повреждения, то нужно просто воспользоваться этой возможностью и внести изменения.
Работая, не бойтесь быть оригинальными. Единственное, на что следует обратить особое внимание, — аккуратность сварных швов (если таковая предусмотрена новой конструкцией) и последующая их обработка во избежание коррозии.
Смело используйте молдинги, нижние трубы, накладки на решетку радиатора (если на решетку стоит обратить внимание), накладки на пороги.
В разумных количествах такой тюнинг придаст законченный вид вашему обновленному трактору. Колпаки на колеса тоже оригинальный шаг, единственная проблема с ними в том, что их сложно найти в магазине, поэтому сразу рассчитывайте на то, что их сделают на заказ.
А теперь делаем трактор “ярким”
У большинства владельцев трактора МТЗ тюнинг заканчивается добавлением новых фар и стоп-сигналов.Отмечу, что думают в правильном направлении, вещь нужная, но не стоит ограничиваться только этим. Хорошие иностранные тягачи уже идут с завода с ксеноновыми лампами, но владельцам МТЗ похвастаться в этом плане нечем. Но все поправимо.
Во-первых, вам нужно выбрать подходящую лампу. От владельцев уже известного белорусского тягача удалось узнать, что подходят ксеноновые лампы d2s (те самые, которые можно установить на Volkswagen Passat).Интересным решением также может стать использование «ангельских глазок».
Очень стильно будет смотреться верхняя дуга с противотуманными фарами.
Это будет недешево, но придаст трактору внушительный вид, а дополнительное освещение не будет лишним в непогоду или ночью.
Хочется отметить, что с улучшением освещения на спецтехнике важно не переборщить. Светильников не должно быть много, их мощность должна быть небольшой – нужно учитывать возможности генератора.
Улучшение кабины машиниста
Нельзя обойти вниманием излюбленную тему современных трактористов – комфорт в кабине. При этом нужно помнить об удобном сидении, магнитоле, сабвуфере, навигаторе, дополнительном освещении… Все эти необходимые вещи отсутствуют в старых моделях тракторов МТЗ.
Найти подходящее сиденье можно в автосалонах, а еще лучше воспользоваться услугами интернет-магазинов, сегодня они предоставляют более широкий выбор. При покупке такого удобства обратите особое внимание на его габариты; сиденье трактора должно быть удобным, но маленьким.
Что касается размещения магнитолы и акустической системы, то здесь все не так просто. По совету специалистов, сабвуфер лучше расположить за водительским сиденьем, магнитолу — в том месте, куда легко дотянется рука, если вы сидите на водительском сиденье.
Динамики нужно разместить так, чтобы для обеспечения равномерного звука в кабине трактора.
О дополнительном освещении много не скажешь. Подавляющее большинство трактористов уже сделали свой выбор в пользу светодиодного освещения… С таким решением не поспоришь – оно экономично и эффективно. Единственный нюанс, лучше брать так называемые «суперяркие» светодиоды, их свечения будет достаточно для нормального освещения салона. Ну и на торпедо такие лучше не крепить.
Насчет этого, не побоюсь этого слова, деревенского тюнинга, как вешать шторы – бросай сразу. Зачем тебе этот пылесборник! Окна лучше затонировать – и стильно, и удобно.
Делаем трактор МТЗ “заметным”
Необходимость работать только с фирменными цветами, а также негласное требование к дизайнерам на заводах “творить” только в классическом стиле, породили стойкое убеждение, что трактор должны быть окрашены в один цвет.На кузове новой машины, кроме еле заметных обозначений от производителя, оказывается, больше ничего быть не должно.
Эта скупость мысли побуждает к немедленным действиям.
Отбросим все правила и дадим волю воображению. На фотографиях ниже вы можете увидеть, как с этой задачей справились другие владельцы тракторов:
Как видите, все в наших руках. На корпус нанесены рисунки (как на фото) специальным инструментом – аэрографом.Краска тоже используется не обычная, а специально разработанная (для покраски кузовов). Вы можете найти его в автосалонах или на автомобильных рынках. С аэрографом тоже все просто, обычно он есть на СТО, либо его можно приобрести отдельно в магазинах, которые продают все необходимое для СТО. Есть только проблема с художником-аэрографом, который сможет нанести нужный рисунок на тело. Вам придется искать его.
Как бы то ни было, но такой вид тюнинга сразу сделает ваш трактор МТЗ заметным, на него обратят внимание не только работники сельского хозяйства, но и обычные люди, увидевшие его на улице.Недостатком художественного совершенства является лишь очень высокая цена.
Здесь спешу обратить ваше внимание, что если вы уже решились на аэрографию, то позаботьтесь о предварительной подготовке техники к покраске. Поверхность для нанесения рисунка должна быть идеальной, иначе добиться желаемого эффекта будет невозможно, а деньги потрачены впустую.
Еще один, более дешевый и простой вид тюнинга трактора МТЗ, и сразу замечу что нежелательно, это поклейка наклеек, навешивание ненужных светодиодов, флажков, а также неподходящее крепление брызговиков и многое другое («колхозный тюнинг» – говорят в народе).На рынках и в автосалонах таких украшений большой выбор, и многие любители быстро привлечь к себе внимание окружающих активно их используют. Но следует учитывать, что некачественные наклейки быстро отклеиваются, и создать с их помощью какую-то общую картинку на кузове крайне сложно. Часто наклейки только портят внешний вид машин, говорят о владельце трактора как о жадном и безвкусном человеке. Фонари, флажки и прочие мелочи делают транспорт похожим на новогоднюю елку.
Судите сами:
То есть сразу отказываемся от идеи быстрого тюнинга.
В статье сказано много, однако я вряд ли смогу перечислить все возможные варианты усовершенствования трактора МТЗ. Скажу только, что следите за новинками в интернет-магазинах по продаже тюнинговых запчастей. Там часто появляются интересные предложения. А также доверьтесь своему воображению — именно оно является основным инструментом, необходимым для работы над совершенствованием техники.
|Трактор МТЗ 50 — колесный трактор общего назначения, разработанный в начале шестидесятых годов.
В 1961 году трактор прошел полевые испытания (тест-драйв) и был поставлен на конвейер серийного производства. Беларус 50 на МТЗ (Минский тракторный завод) выпускался с 1962 по 1985 год.
Долгий срок производства сельхозтехники был обеспечен заложенными в конструкцию техническими характеристиками трактора МТЗ 50.
За это время было выпущено более 1 млн 250 тыс. экземпляров модели МТЗ 50 (модификация 52 с полным приводом).
Удачная конструкция, которой обладает трактор МТЗ 50, и качественный двигатель позволили создать на его базе большое количество модификаций для различных сельскохозяйственных работ.Среди них выделяются:
- МТЗ 60, 62 – экспортные версии трактора;
- МТЗ 50К – для работы на крутых склонах;
- Т50В, Т54В – гусеничные модели для работы на виноградниках;
- МТЗ 50Х – модификация с большим дорожным просветом для работы на хлопковых полях, выпускается с одним передним колесом;
- МТЗ 50Р – имел полугусеничную ходовую часть и использовался при возделывании рисовых полей.
Минский завод выпускает модели по схожим характеристикам и назначению.
За период производства неоднократно менялся внешний вид или настраивалась кабина на современный лад, но индексацию трактор не менял:
- в самом начале 60-х годов имел полукруглую решетку радиатора и бескаркасное основание с брезентовой крышей;
- в конце 60-х установлена прямоугольная решетка радиатора;
- в середине 70-х изменена конструкция и внешний вид капота;
- в конце 70-х трактор получил увеличенную рамную кабину и стеклопластиковую крышу.

Характеристики агрегата
Двигатель
На Беларус 50 устанавливался четырехтактный дизельный силовой агрегат модели Д-50.
Имеет объем 4,75 литра и поршневую раздельную камеру сгорания. При таком техническом исполнении мотор развивал мощность 55 л. с., при этом масса составляет 0,410 т, а расход топлива не превышает 8,0 л/ч. Д-50 имел высокий технический ресурс. До капитального ремонта характеристика определялась на 5000 часов.
Шасси
На трактор МТЗ, трансмиссии механического типа. Оснащен коробкой передач со следующей схемой переключения передач: девять вперед и две для движения назад.
Для перехода на пониженные передачи использовался вал-шестерня. Картер заднего моста оснащался блокируемым дифференциалом.
Запирание осуществлялось из кабины машиниста с помощью специальной педали. На экземплярах позднего выпуска предусмотрена техническая установка крипера.
Сцепление имеет сухую конструкцию в однодисковом постоянно замкнутом исполнении.
Такая конструкция требовала частых регулировок сцепления.
Вал отбора мощности (ВОМ) имеет синхронный и независимый привод. На передних колесах трактора применен полужесткий тип подвески, задние колеса подвешены в жестком варианте.
Электрооборудование
Устройство гидросистемы трактора выполнено в раздельно-модульном исполнении, с применением шестеренчатого насоса НШ-32 (на более поздних экземплярах устанавливался НШ-50, имеющий более высокую производительность), который приводится в движение приводом от двигателя Д-50.
В состав системы также входят гидроцилиндр для управления навесным оборудованием и гидрораспределитель в трехсекционном исполнении с золотниковым приводом.
Общие технические условия
Универсальный колесный трактор имеет следующие технические характеристики, обеспечивающие выполнение сельскохозяйственных и других сопутствующих работ:
- Тяговый класс – 1,4
- Масса – 3,60 т.
- Длина – 3,85 м.

- Высота – 2,78 м.
- Ширина – 1,97 м.
- Основание – 2,37м.
- Дорожный просвет – 0,47 м.
- Максимальная скорость 33 км/ч.
- Объем гидросистемы 21,0 л.
- Объем топливного бака – 130 л.
- Колея (переменная) – от 1,2 до 2,1 м.
- Радиус разворота – 2,5 м.
Достоинства и недостатки МТЗ 50
По многочисленным отзывам владельцев трактор Беларус 50:
- надежный экономичный двигатель;
- многофункциональность и универсальность, позволяющие эксплуатировать трактор круглый год;
- простая и надежная конструкция;
- ремонтопригодность;
- высокая проходимость;
- хорошие технические и эксплуатационные характеристики;
- оптимальная скорость ВОМ;
- совместная работа с дополнительным оборудованием.
К недостаткам относятся:
- жесткая подвеска;
- возможен прогар поршневой группы двигателя при использовании некачественного топлива;
- отсутствие мощности при работе на тяжелых грунтах;
- затрудненный запуск стартера в зимнее время;
- низкий уровень комфорта для оператора в кабине;
- необходимость частой регулировки рычагов в корзине сцепления и регулировки клапанов мотора;
- низкая производительность трактора на больших площадях (от 70 га).

Несмотря на присущие трактору недостатки, он пользовался большой и заслуженной популярностью в сельскохозяйственных хозяйствах страны за свою универсальность, надежность, простоту обслуживания и ремонта в сельских условиях. Преемником МТЗ 50 считается широкоуниверсальный колесный
.Тюнинг МТЗ дает возможность улучшить техническую сторону трактора, так как переделанное оборудование (например, двигатель) поможет водителю лучше и быстрее выполнять свою работу, а внешняя модернизация даст возможность улучшить эстетические качества машины .Даже самую мощную и качественную технику некоторые умельцы хотят переделать под себя, улучшив тем самым какие-то ее функции или внешний вид. Это касается не только обычных транспортных средств, но и специальной техники, такой как трактор.
Как делается тюнинг МТЗ
В первую очередь, когда речь идет о переделке МТЗ-892, или тюнинге МТЗ-3022, многие владельцы такой техники задумываются о нововведениях в интерьере трактора. Удобная кабина водителя – залог качественной работы.Кому-то для работы нужна музыка, и хозяин решает установить магнитолу, кому-то нравится определенный тип сидений, кого-то привлекает тонировка стекол, чтобы не томиться от палящего солнца. Печь также переоборудуется. На МТЗ-1221 тюнинг можно проводить в тех же аспектах.
На тягачи также устанавливается навигатор, улучшающий освещение приборной панели и салона или, при его отсутствии, выполняющий с нуля. Важно понимать, что для трактора Беларус тюнинг требует внимательного отношения к ряду моментов:
- Тонировка стекол – важный аспект тюнинга.В этом случае лучше потратиться на услуги специалистов, чем решать проблему подручными средствами, повесив шторы на окна: ткань сильно пылится и выглядит непрезентабельно.
- Установка магнитолы требует особого подхода. Необходимо рассчитать место установки так, чтобы водителю было удобно дотягиваться и переключать пути. Сабвуфер расположен за сиденьем, а динамики размещены таким образом, чтобы звук в салоне был ровным и мягким.
- При выборе конкретного места нужно понимать, где вы будете работать на МТЗ. Рекомендуется установить высокие, небольшие стулья. Купить сиденье можно в специализированных автосалонах, иногда стоит сделать выбор в пользу интернет-магазинов, большой и серьезный рынок даст вам наилучшую свободу выбора.
- Роль освещения в тракторах традиционно выполняют светодиодные фонари, позволяющие экономить электроэнергию и обеспечивающие достаточное количество света в кабине.При выборе ламп обращайте внимание на сверхъяркие светодиоды — они обеспечат лучшее освещение водительского места. Однако такие светильники не подходят для размещения на приборной панели.
- Печка в салоне часто тоже требует переоборудования. Возможно, он слишком мало согревает в холодное время года или недостаточно обдувает вас воздухом в жару. В любом случае, печка в салоне – это самая важная деталь, о которой нельзя забывать, так как она играет большую роль для водителя.
Внешний тюнинг МТЗ
Тюнинг тракторов Беларус с экстерьером подразумевает изменение цвета кузова.Традиционно производители поставляют на рынок тракторы, окрашенные в однотонные скучные цвета. Автовладельцу есть где разгуляться: он может в полной мере реализовать свои самые смелые фантазии при покраске кузова. Тюнинг кабины МТЗ преобразит агрегат.
В зависимости от желания владельца техники трактор можно полностью покрасить в другой цвет, можно использовать аэрографию. Однако нужно понимать, что перед покраской кузов необходимо тщательно подготовить.Рисунок, например, можно наносить только на выровненную поверхность, иначе он исказится.
Навешивание ряда декоративных элементов также считается тюнингом МТЗ-80. Например, многие устанавливают молдинги, решетки, делают специальные накладки на пороги. Иногда даже можно встретить колеса с колпаками, сделанными мастерами своими руками.
Если вы решили провести тюнинг тракторов МТЗ ЮМЗ Т-40, важно отдавать себе отчет, сколько денег и сил на это будет потрачено.Для реализации всех идей вам потребуются детали хорошего качества и инструменты, которые справятся со всеми необходимыми работами. Не стоит на этом экономить.
Самая сложная часть работы, при проведении тюнинга на МТЗ-50 снаружи, как и при работе с любой другой моделью, это модернизация кузова и его узлов. Сделать это можно самостоятельно, купив необходимые детали в специализированных магазинах и доработав их, настроив под свои нужды. Иногда лучше воспользоваться услугами специалистов, которые выполнят самую сложную работу на заказ.Удачный внешний тюнинг МТЗ Т-40 обеспечит богатая фантазия владельца трактора.
Модернизация иногда не роскошь, а необходимость, если кузов автомобиля прогнил или получил сильные механические повреждения.
Вы можете воспользоваться моментом и сделать трактор таким, каким вы всегда хотели его видеть. Следует уделить внимание сварочным швам: они должны быть выполнены очень аккуратно и правильно обработаны, чтобы в дальнейшем не возникла коррозия.
Не бойтесь использовать навесные декоративные элементы – главное не переборщить с количеством и не прогадать с качеством этих составляющих.
Настройка двигателя и технические параметры
Каждый трактор имеет свои особенности и смотреть на двигатель нужно с разных сторон. Тюнинг МТЗ-40 будет кардинально отличаться от тюнинга МТЗ-3022 или МТЗ-892. Обычно переделки затрагивают внутренности силовой установки, то есть происходит пересмотр ее основных свойств.Дизельный двигатель МТЗ-50 может получать метановую добавку. Это позволяет снизить потребление дизельного топлива и заменить его природным газом на 80%.
Как вариант, для тюнинга МТЗ-1221, в отношении двигателя, рассматривается проведение технических осмотров и ремонтов, при необходимости и при наступлении срока планового осмотра. Некоторые трактористы решили, что им подойдет полная замена силовой установки, и сделали выбор в пользу более мощных двигателей.На практике можно проследить тенденцию, что установка на МТЗ силового агрегата, взятого от другой спецтехники, является наиболее правильным решением в том случае, когда хочется улучшить технические показатели, и можно обойтись небольшой переделкой.
Но такие апгрейды могут быть дорогими – новый мотор нужно будет правильно зарегистрировать и получить разрешение на работу. Иногда сумма бывает настолько заоблачной, что на нее проще приобрести новый, более мощный и современный трактор.
При переоборудовании трактора МТЗ-82 на МТЗ часто устанавливают специальное устройство, позволяющее значительно увеличить мощность силовой установки.Эту функцию выполняет турбина на МТЗ. Иногда стоит прибегнуть к хитрости и взять элементы других тракторов (например, кабину МТЗ-80) и тюнинговать МТЗ-82 или любой другой белорусский трактор.
Среди основных технических параметров, которые улучшаются, выделяют проходимость трактора. Есть несколько способов улучшения разных моделей, в том числе производительность операции тюнинга МТЗ-892:
- Установка средних колес, за счет чего трактор начинает двигаться не на 4 колесах, а на 8.Это дает возможность увеличить площадь взаимодействия колес с почвой, а трактор становится более устойчивым.
- Установка полугусеницы. Используется с той же целью, что и предыдущий метод. Подразумевает установку резинометаллических гусениц, работающих одновременно с натяжными устройствами. Трактор начинает меньше давить на почву и может работать на заболоченных участках.
Иногда переделка МТЗ-80 подразумевает замену моста, который взят от ГАЗ-66.Но процедуру очень сложно провести самостоятельно, рекомендуется обратиться за помощью к специалистам в области ремонта сельхозтехники, чтобы ревизия была сделана профессионально.
Тюнинг руля
Иногда специалисты рекомендуют провести такую работу, как переделка рулевого управления МТЗ-82, проще говоря, привести в порядок рулевую колонку сельхозмашины. Иногда переделки рулевой колонки трактора МТЗ-82 заканчиваются ее регулировкой, чтобы руль находился в удобном положении.
Однако для ряда мастеров на этом дело не заканчивается, переделка рулевого управления делает работу на тракторе более удобной. Переделка рулевой колонки МТЗ потребует некоторых навыков и довольно значительного количества времени, но результат превзойдет все ожидания. Примерно столько же времени занимает и печь, а именно процесс ее переоборудования.
То же касается доработки турбокомпрессора и модернизации МТЗ-80 в части оснащения его специальными насадками для дозатора.
%PDF-1.6 % 522 0 объект > эндообъект внешняя ссылка 522 95 0000000016 00000 н 0000005867 00000 н 0000005949 00000 н 0000006077 00000 н 0000006945 00000 н 0000007074 00000 н 0000007203 00000 н 0000007333 00000 н 0000007539 00000 н 0000007668 00000 н 0000008071 00000 н 0000008437 00000 н 0000009007 00000 н 0000009680 00000 н 0000010330 00000 н 0000010704 00000 н 0000011070 00000 н 0000011640 00000 н 0000011962 00000 н 0000012550 00000 н 0000012854 00000 н 0000013009 00000 н 0000013659 00000 н 0000014033 00000 н 0000014069 00000 н 0000017491 00000 н 0000022212 00000 н 0000027010 00000 н 0000031752 00000 н 0000035888 00000 н 0000040081 00000 н 0000044912 00000 н 0000049038 00000 н 0000070752 00000 н 0000073401 00000 н 0000083642 00000 н 0000084698 00000 н 0000084894 00000 н 0000085073 00000 н 0000089508 00000 н 0000089741 00000 н 0000089810 00000 н 00000 00000 н 00000 00000 н 00000 00000 н 0000094063 00000 н 0000094293 00000 н 0000094362 00000 н 0000094644 00000 н 0000094670 00000 н 0000095104 00000 н 0000097856 00000 н 0000098093 00000 н 0000098162 00000 н 0000098415 00000 н 0000098441 00000 н 0000098853 00000 н 0000103174 00000 н 0000103440 00000 н 0000103748 00000 н 0000105927 00000 н 0000106157 00000 н 0000106226 00000 н 0000106435 00000 н 0000106461 00000 н 0000106846 00000 н 0000128585 00000 н 0000128837 00000 н 0000129248 00000 н 0000131844 00000 н 0000132096 00000 н 0000132179 00000 н 0000134511 00000 н 0000134763 00000 н 0000138576 00000 н 0000138826 00000 н 0000139288 00000 н 0000144642 00000 н 0000144894 00000 н 0000147734 00000 н 0000147990 00000 н 0000148078 00000 н 0000150641 00000 н 0000150897 00000 н 0000153574 00000 н 0000153830 00000 н 0000154111 00000 н 0000154363 00000 н 0000155837 00000 н 0000157492 00000 н 0000158966 00000 н 0000161946 00000 н 0000163605 00000 н 0000163718 00000 н 0000002196 00000 н трейлер ]>> startxref 0 %%EOF 616 0 объект>поток xYgTYҋPUb(“**ET*(*k[uE$4PTa5B\laö~ʮ|s$$ٟvep疷
Микки Томпсон | Шины для грузовиков
Сборка Микки Томпсона
® Спасательная машина Project XКолеса и шины
- Микки Томпсон – 15/43-20LT Шины Baja Pro XS
- Mickey Thompson – Колеса SideBiter II 20×12 с красным порошковым покрытием
- OMF — стандартные стопорные кольца Sim-U-Lock
Базовый автомобиль
- Ford® F150 Lariat Supercrew 2019
- 3.0 л Powerstroke Дизель
Подвеска и трансмиссия
- Bulletproof Suspension Inc — 12-дюймовая подвеска
- Atlas Springs — Задние листовые рессоры
- King — PR2512-COHR — Передние амортизаторы с выносным резервуаром 12 дюймов x 2,5 дюйма
- King — PR2514-SS — задние гладкие амортизаторы с выносным резервуаром 14 x 2,5 дюйма и шлангом длиной 24 дюйма
- Передние винтовые пружины Eibach 800lb SR
- AFE — крышка заднего дифференциала
- Юкон – Шестерни
Внешний вид
- E&G Classics — черная решетка F150 Heavy Mesh
- KC Hilites — 9-световая светодиодная панель Gravity® LED Pro6 57 дюймов
- KC Hilites — система Gravity® LED G34 Pair Pack (в бампере)
- Bushwacker – Расширители крыльев Extend-A-Fender Smooth Finish
- N-Fab – Передний бампер RDS
- N-Fab – Задний бампер RBS-H Prerunner
- Go Rhino – Двойной руль/багажник
- Исследования AMP — Power Steps
- Автомобильная отделка PPG – Краска
- Cervinis — вытяжка Ram Air АРТИКУЛ № 1236
- Система распределения питания sPOD 12 В с сенсорным экраном
Производительность
- AFE — впуск холодного воздуха
- AFE — задний выхлоп DPF Premium
- AFE — Модуль питания Bluetooth SCORCHER BLUE, программатор производительности SCORCHER PRO и преобразователь мощности Sprint Booster (усилитель реакции на педаль газа)
- AFE — промежуточный охладитель и трубки серии BladeRunner GT
Интерьер
- Сабвуфер с усилителем Kicker
- Кожаные сиденья
Тормоза
- Роторы R1 Concepts с прорезями и отверстиями
- Тормозные колодки R1 Concepts Performance
УЧАСТНИКИ ПОСТРОЙКИ
- Duval Off Road Designs, Ньюбери Парк, Калифорния
- X-Treme Toyz, Сими-Вэлли, Калифорния
- Пуленепробиваемая подвеска, Mentone, CA
- LGE*CTS Motorsports краска и кузов – Сан-Димас, Калифорния
Jeep Build 2020
® Gladiator M/T ® Baja Boss ™ EditionКолеса и шины
- Микки Томпсон – 40X13.Шины 50R17LT Baja Boss
- Микки Томпсон – Колеса 17×9 SideBiter II
- OMF – Кольца для бедлоков Phaze 7 Sim-U-Lock, антрацитово-серый
Базовый автомобиль
- 2020 Гладиатор Рубикон 4X4
Подвеска и трансмиссия
- Fabtech — 5-дюймовая гусеничная подвеска с длинными рычагами
- Dirt Logic — Амортизаторы резервуара / Катушки
- Юкон – Gears (5:13 спереди и сзади)
Внешний вид
- Genright – Бамперы
- Дженрайт – Крылья
- Artec – полозья
- Артек – Фендер Уэллс
- Предупреждение – лебедка Zeon 10S
- Фактор 55 – Плоское звено
- ARB – Бортовая воздушная система
- Bestop – Топ SunRider Jeep
- Rockslide – горный ползун с механическими подножками
- Лампы Vision X
Производительность
- Magnaflow – выхлопной патрубок из нержавеющей стали
- Фильтры K&N — забор холодного воздуха
Интерьер
- sPOD — система распределения питания 12 В
- Кикер – Колонки
- Scosche – Крепления
- Силовой бак – Воздушный бак
Тормоза
- R1 Concepts 6 Поршневые суппорты и колодки
- Концепции R1 Роторы с прорезями и отверстиями
УЧАСТНИКИ ПОСТРОЙКИ
- Duval Off Road Designs, Ньюбери Парк, Калифорния
- X-Treme Toyz, Сими-Вэлли, Калифорния
- Rockstar Performance Garage, озеро Эльсинор, Калифорния
Сборка 2017 Baja Boss
™ Ford F-250 SUPER CREW 4×4Микки Томпсон объединился с опытными строителями Duval Offroad Designs, чтобы создать умопомрачительный Ford F-250 SUPER CREW 4×4 «BAJA BOSS» 2017 года.Объявлен Ford как «самый прочный Ford Super Duty за всю историю». Разработанный с расчетом на бездорожье, этот F-250 — идеальный грузовик для мощных действий. Правила крутящего момента. Никакой другой полноразмерный пикап с бензиновым двигателем не может сравниться с 430 фунт-футами. крутящего момента Super Duty®.
Колеса и шины
- Микки Томпсон: «НОВЫЕ» шины Baja Boss 38/15.50/R24
- Колеса ATD Dropstars: F61BM1 Forged — Колеса 24 x 14
Базовый автомобиль
- 2017 Ford Super Duty F-250 Лариат
Шасси
- Восьмидюймовая подвеска Fabtech с амортизаторами Dirt Logic
- Крышки переднего и заднего дифференциала Mag Hy-Tech
- Алюминиевый поддон коробки передач большой емкости AFE
Внешний вид
- Индивидуальная краска Paintin’ Place, Agoura, CA
- Передний и задний бамперы Fab-Fours серии Vengeance
- Кастомная решетка T-Rex
- Светодиодное освещение ZRoadZ, переднее и заднее
- ARB бортовая воздушная система
- Блокирующие втулки WARN с задней розеткой 12 В
- Вентиляционные решетки EGR
- Покрывало Line-X
- расширители крыльев Bushwacker
- AMP Research POWERSTEP XL и BEDSTEP2
- Аксессуары Ford, включая подкрылки для задних колес
Трансмиссия
- 6.2L SOHC 2-клапанный двигатель Flex Fuel V8
- Впуск холодного воздуха AFE
- Выхлопная система AFE Cat-Back
Трансмиссия
- Шестиступенчатая автоматическая коробка передач
Интерьер
- Полностью кожаный салон Katzkin с индивидуальной строчкой
- Система распределения питания S-POD 12 В
- Сабвуфер Kicker
- Аксессуары Ford, включая нержавеющие накладки на пороги с логотипом
Электроника
Разработано
МТЗ-80 v2.0 мод Скачать мод
Кредиты: Маркелов Конвертировать в fs2019: Кучеряшкин
Загрузка…
Этот контент был загружен посетителями сайта. Если вы заметили какую-либо ошибку, пожалуйста, сообщите нам об этом.
Если вы столкнулись с трудностями, которые трудно преодолеть, проверьте нашу базу данных модов Farming Simulator , и вы, вероятно, найдете там решение. Дополнительные файлы чрезвычайно популярны во всем мире. Это определенно не просто так — каждый мод для Farming Simulator 19 / Farming Simulator 22 уникален и предоставляет вам явные возможности.Если вам интересно, как это работает, вы найдете много информации на нашем веб-сайте FS19 Mods / FS22 Mods — мы собрали все виды данных, чтобы упростить игру. Если вы увлечены Farming Simulator 19 Mods / Farming Simulator 22 Mods , как и мы, то вы находитесь на правильном сайте. Внимательно изучите предлагаемые нами образцы и выберите нужный. Тогда все, что вам нужно сделать, это просто нажать на кнопку бесплатной загрузки LS19 Mods / LS22 Mods и внедрить ее в свою игру.Эти несколько простых шагов поднимут вашу игру на высший уровень — что может быть лучше, чем обновить свою игру лично? Сломайте все границы и легко развивайте свою ферму. Эти дополнительные файлы добавят столько ценности, что вы больше не захотите играть без них. Нет никакого риска, поэтому нет и аргументов против – поэтому нет никаких оправданий тому, чтобы не воспользоваться этим особым шансом. Удивительно, как много может сделать простое обновление — будь умным игроком и достигни гораздо большего, чем когда-либо планировал. Приятно получать даже больше, чем ожидалось, поэтому мы настаиваем на том, чтобы вы попробовали и проверили преимущества лично.Это может стать большим стимулом для вашей фермы, и нет никаких причин, чтобы реагировать негативно. Берите лучшее, что можете, и не оглядывайтесь назад — вы должны быть ориентированы на будущее и новые впечатления. Это единственный способ быть впереди всех. Если вы считаете это своей целью, то определенно сейчас или никогда!
SnowRunner – Трактор МТЗ-80 V1.1
Все категории
Все категорииВыбрать категорию18 Wheels Of Steel Haulin (391) Haulin Bus Mods (10) Haulin Car Mods (9) Haulin Maps (5) Haulin Other Mods (6) Haulin Skins (43) Haulin Trailers (78) s (263)18 Wheels of Steel PTTM (16) Автобус PTTM (1) Карта PTTM (1) Грузовики PTTM (14)Американские дальнемагистральные перевозки (14) Дальномагистральные прицепы (1) Дальномагистральные грузовики (12)American Truck Simulator (8,686) Ats Bus Mods (81) Ats Car Mods (470) Ats Interiors (114) Ats Maps (698) Ats Other Mods (2,201) Ats Parts/Tuning (692) Ats Skins (916) Ats Sound Mods (521) (1, Ats25 Trailers) ) Грузовики (1735) Картинки и новости (19) Видео (1)Скот и урожай (195) Комбайны для крупного рогатого скота и урожая (12) Коткорезки (5) Вилочные погрузчики и экскаваторы для крупного рогатого скота и урожая (5) Инструменты для сельскохозяйственных культур и крупного рогатого скота (68) ) Cattle And Crops Mod Pack (8) Cattle And Crops Objects (2) Cattle And Crops Others (4) Cattle And Crops Tra ctors (28) Прицеп для крупного рогатого скота (25) Грузовики для крупного рогатого скота и сельскохозяйственных культур (5)CCD MODS – City Car Driving (3061) Cars Mods (2866) Карты (1) Новости и справка (4) Другое (145) Грузовики (42) Euro Coach Simulator (5) Ecs Images (2) Ecs News (4)Euro Truck Simulator (564) Ets Bus (13) Ets Cars (10) Ets Interiors (10) Ets Maps (16) Ets Other Mods (9) Ets Trailers (131) Ets Truck Mods (387)Euro Truck Simulator 2 (32 010) ETS 2 Bus Mods (1160) Ets 2 Cars (2297) Ets 2 Interiors (929) ETS 2 Maps (1660) Ets 2 Other Mods (6 421) Запчасти/Тюнинг (4 156) Скины ETS 2 (4 492) Ets 2 Sounds (1 417) Ets 2 Trailers (3472) Ets 2 Truck (6066) Помощь (2) Новости – Видео 2 (14) Farming Simulator 17 / FS18 7, 0 17 Автомобили (1000) FS17 Здания/Объекты (793) FS17 Лесное хозяйство (223) FS17 Лесное хозяйство – Вырубки (12) FS17 Лесное хозяйство Карты FS17 Лесное хозяйство Другое (5) FS17 Лесные тракторы 1 (3 6) Лесохозяйственные прицепы (73) FS17 Лесозаготовительные машины (48) FS17 Вилочные погрузчики/экскаваторы (434) FS17 Харвестеры (874) FS17 Фрезы для комбайнов (97) FS17 Кормоуборочные комбайны (31) FS17 Инвентарь/инструменты (2, 2 39) 10) Орудия/инструменты FS17 – пресс-подборщики (109) Орудия/инструменты FS17 – культиваторы (276) Орудия/инструменты FS17 – распылители удобрений (30) Орудия/инструменты FS17 – фронтальные погрузчики (60) Орудия/инструменты FS17 – косилки (74) / Инструменты – Прочие (19) FS17 Приспособления/Инструменты – Плуги (126) FS17 Приспособления/Инструменты – Сеялки (185) FS17 Приспособления/Инструменты – Опрыскиватели (69) FS17 Приспособления/Инструменты – Ворошилки (16) FS17 Приспособления/Инструменты ( 123) FS17 Орудия/Инструменты – Загрузчики (5) FS17 Maps (2,985) FS17 Modpack (572) FS17 Other Mods (1,169) FS17 Размещаемые постройки (553) FS17 Prefabs (231) FS17 Skins (14) s FS 17 Свычающие (70) Тракторы FS17 (3,336) Тракторы FS17 (2190) FS17 Ожеленные вагоны (49) FS17 Триперные трейлеры (122) FS17 Прицепы FS17 (75) FS17 Навозные прицепы (189) FS17 Другие прицепы (36) FS17 Teasper (472) Прицепы FS17 Transporter (75) FS17 Trucks (1 987) Новости и подробности (44)Farming Simulator 2011 (1 260) Комбайны (140) Foragers (18) разделы справки (2) Орудия и инструменты (241( 2 Карты (60) ) Тракторы (480) Прицепы (186) Грузовики и легковые (140)Farming Simulator 2013 (3,172) Модификации автомобилей (151) Комбайны (261) Фрезы (11) Экскаватор (33() Инструменты и инструменты (1) 489) Карты (141) Новости (13) Другие моды (71) Пакеты (27) Тракторы (1,167) Прицепы (522) Грузовики и автомобили (290)Farming Simulator 2015 (3,897) 6 (8 с 5 зданий – 3 объекта ) Комбайны (242) Фрезы (12) Экскаватор (101) Фуражиры (4) Лесная техника (101) F Прицепы S15 (410) Темы справки (1) Орудия и инструменты (495) Карты (494) Новости (4) Другие модификации (71) Пакеты (10) Снимки экрана (2) Тракторы (1,159) Farming4 (7) Видеозапись 4) (4) Simulator 2019 (27,783) FS19 (27,783) FS19 Здания / объекты (4,124) FS19 Автомобили (1,680) FS19 Фрезы (141) FS19 Вилочные погрузчики / Экскаваторы (708) FS19 Комбайны (1,057) FS19 Реализация / Инструменты (3977) FS19 Карты (3,229) FS19 Другие моды (3,229) FS19 2,105) FS19 Packs (736) FS19 Скины (3) FS19 Текстуры (85) FS19 Тракторы (4,377) FS19 Трейлеры (3,220) FS19 Грузовики (1,794) FS19 Автомобили (443) Новости (91) Фермеризм Симулятор 22 (2189) FS22 Объекты (300) Автомобили FS22 (64) FS22 Фрезы (17) FS22 Вилочные погрузчики/экскаваторы (61) FS22 Харвестеры (88) FS22 Орудия/инструменты (345) FS22 Карты (162) FS22 News (43) FS2) (43) 8 22 Другое Пакеты (44) Текстуры FS22 (2) Тракторы FS22 (454) Прицепы FS22 (259) Грузовики FS22 (116) Транспортные средства FS22 (26)FernBus Simulator (20)Игры (213) Dlc (6) Новости (155) Даты выхода (1) Обзоры (12) Скриншоты (20) Обновления (21) Видео (7)German Truck Simulator (491) Автобус (12) ) Автомобили (13) Карты (8) Другие моды (5) Прицепы (107) Грузовик (365)Omsi 2 Mods (760) Omsi 2 – автобусные модификации (535) Omsi 2 – автомобильные модификации (6) Omsi 2 – карты ( 81) Omsi 2 – Прочие моды (30) Omsi 2 – Pack Mods (3) Omsi 2 – Части/тюнинговые моды (5) Omsi 2 – Патчи (19) Omsi 2 – Моды скинов (57) Omsi 2 – Звуковые моды (8) ) Omsi 2 – Модификации трамвая (2)OMSI Bus Simulator (43) AI Cars (3) Bus (24) Карты (7) Others (8) Tracks (1)Pure Farming 2018 (46) Car Mods (4) Mods Objects ( 1) Other Mods (3) Packs Mods (1) Tractor Mods (21)Scania Truck Driving Simulator (26) Bus Mods (1) Maps (2) News-Help (4) Others (2) Trailers (5) Trucks And Cars (12)Skiregion Simulator 2012 (32) Автомобили (2) Орудия/инструменты (2) Карты (2) Другие модификации (5) Тракторы (14) Трейлер (1) Грузовые автомобили (5) Snowrunner (1,401) Snowrunner Addons (70) Snowrunner Cars (272) Снежные карты (164) Снежные материалы (9) Снежный модпак (31) Snowrunner Другие моды (201) 9) Тракторы Snowrunnner (13) Прицепы Snowrunnner (65) Грузовые автомобили Snowrunnner (476) Автомобили Snowrunner (78) Сножные Колеса (7) Спятивные (2,218) Карты (804) Другое (247) Спиновые шины 2014 (2,213) Справка (1) Транспортные средства (1164)SpinTires: MudRunner (7093) Spintires Mudrunner Bus Mods (12) SpinTires: MudRunner 4×4 Mods (85) SpinTires: MudRunner Addons (27) SpinTires: MudRunner Atv Mods (0) MudRunner Mods 0dTires Спантиблирует: Mudrunner Maps (3,364) Спандры: Mudrunner Материалы (160) Спантиблирует: Mudrunner Мотоциклы (5) Спантиры: Mudrunner Другие моды (538) Специнтиры: Mudrunner Sounds (44) Спантиры: Tractornner Tractors (165) Спандры: Mudrunner Трейлеры (89) Вращаться Шины: MudRunner Trucks (1 765) SpinTires: MudRunner Wheels (14)Спонсорство (7)Темы поддержки (1)Автобус (2) Новости (2)UK Truck Simulator (27) Автобус (1) Карты (3) Другое (4) Прицеп (4) Грузовик и легковой автомобиль (15)Без категории (9)5 причин плохого поворота руля + решение тугого руля – AutoVfix.ком
Причины затрудненного поворота рулевого колеса + решение проблемы жесткости рулевого колеса
Иметь машину, безусловно, необходимость, а не роскошь, поэтому каждый пытается иметь его.
Кроме того, необходимость требует, чтобы вы используете свой личный автомобиль, а не систему общественного транспорта, как электрички, автобусы, такси или такси.
Но опять же автомобили имеют их собственные специфические проблемы, которые иногда заставляют вас желать, чтобы у вас их не было.
Например, представьте, что вы путешествуете по скорость 80 километров в час, и когда вы нажимаете на тормоз, он выходит из строя, и руль автомобиля становится трудно поворачивать. Конечно, вы бы запаниковали и пожалели бы, уехали на общественном транспорте.
Итак, в этой статье мы рассмотрим причины трудно повернуть руль и дать вам решение для жесткий руль.
Дополнительно обсудим другие например, как исправить туго поворачиваемый руль при торможении, что делать делать когда машина перегревается и руль плохо крутится и что делать делать, когда руль туго поворачивается на малых скоростях.
Проблемы взаимосвязаны, поэтому давайте решать их сразу.
Читайте также: Можно ли смешивать жидкость для гидроусилителя руля с трансмиссионной жидкостью?
5 причин затрудненного поворота рулевого колеса + решение проблемы жесткости рулевого колеса
Вот причины плохого поворота рулевого колеса
Как вы уже знаете, рулевое управление окончательное средство для управления или контроля направления, в котором движется автомобиль. Опасно, если вы не можете легко управлять автомобилем и можете ДТП на многолюдных улицах и в местах, заполненных автомобилями.Это невообразимо что вы также можете быть пойманы при попытке перейти с одной полосы на другую на шоссе. Мы знаем, что плохой уход за автомобилем плюс другие изношенные детали машина может вызвать эту проблему.
Также автомобильный руль не просто вдруг стать жестким. В большинстве случаев они подают знаки, прежде чем стать происходить.
Ниже приведены основные причины проблема с жестким управлением. Это плохая рулевая рейка, давление в шинах, неисправный насос, утечка жидкости, поврежденный поликлиновой ремень и толстая жидкость.
Давайте проанализируем эти точки на объясните, как они представляют то, что вы должны исправить, чтобы иметь полностью функциональное рулевое управление и плавный ход.
#1. Давление в шинахЭто может вас удивить, но один из Причина плохого поворота руля – неравномерное давление в шинах. Четыре шины плюс запасное колесо должно быть накачано до фунта за изготовителя Квадратный дюйм (PSI). Обязательно соблюдайте это простое правило.
Также выполните правильное выравнивание передние шины.Чтобы одна сторона шины не изнашивалась больше, чем другая в сторону и привести к наклону автомобиля в одну сторону. Если это произойдет, это вызовет неправильное выравнивание колес и делает рулевое управление жестким, особенно при поворотах на острых углах.
#2. Плохая рулевая рейкаНепрерывное использование автомобиля часто может привести к износу соединительных соединений автомобилей с рулевой рейкой. вне. Будьте наблюдательны, чтобы заметить этот простой тест. Когда вы заводите машину в утро и колеса тугие, то вы должны знать, что рулевая рейка неисправность.Кроме того, если вы заметите, что колеса становятся немного свободными, как вы едете, это из-за сыпучей смазки и жара двигатель.
Не продолжайте так управлять автомобилем, чтобы не повредить рулевую рейку. Почини это.
Статья по теме: Как найти симптомы утечки гидроусилителя руля + домашние средства от утечки гидроусилителя руля
#3. Сломанный серпантиновый поясЭтот ремень находится в списке Причины затрудненного поворота рулевого колеса, особенно когда оно сломано или треснуто.Этот ремень изнашивается из-за постоянного использования, поэтому вы должны быть готовы к его замене. это через определенное количество месяцев. Если вы не замените его, ухудшение будет продолжаться, и через некоторое время он сломается и будет держать вас дорога тоже .
#4. Утечка жидкостиКак человек, когда ты жажду, ты пьешь воду, а когда жарко, ты обязательно продолжишь возьмите больше воды. Так и для машины тоже. Когда жидкость гидроусилителя руля утечка или низкий уровень из-за сломанного или треснутого шланга, это приводит к падению давления. уменьшаться и вскоре привести к тому, что насос станет сухим.Итак, если руля нет достаточно жидкости для плавной работы, она станет жесткой и ее будет трудно поворачивать.
#5. Неисправность насосаНеисправность насоса однозначно одна из причин плохого поворота руля.
Для работы рулевого управления правильно, насос должен быть в хорошем состоянии, за исключением жидкости и змеевидный ремень в отличной форме. Например, если насос гидроусилителя руля поврежден, вы можете продолжать пользоваться автомобилем, но вам придется прилагать больше усилий. усилия, чтобы повернуть руль автомобиля, чем раньше.Это риск, который вы должны предотвратить, потому что скоро станет так трудно поворачивать машину на крутых поворотах дороги.
#6. Густая жидкостьЧасто вы не знаете, что частицы вещи могут попасть в жидкость, управляющую рулевым колесом. Это наращивание делает жидкость густой и замедляет работу рулевого управления. это еще один из причин туго поворачивается руль. Это скопление грязи особенно сильно тупит руль, когда машина движется на малой скорости. скорость.Решение – смыть прежнюю жидкость в машине и заменить ее на новенький.
Что делать, если машина перегревается и плохо крутится руль?
Вот что нужно, когда автомобиль греется и руль плохо крутится. мы обсудили из-за чего рулевое управление становится жестким, поэтому мы не будем повторять это здесь. Вместо, мы сосредоточимся на причине перегрева и дадим решение.
Во-первых, выключите автомобильный воздух кондиционер для снижения нагрузки на двигатель.Затем включите обогреватель, чтобы охладить заглушить двигатель и опустить окна. Далее дайте машине ползти скорее чем применять перерыв, чтобы избежать напряжения в двигателе. Управляйте как осторожно, насколько это возможно, съехать с основного потока и съехать на обочину.
Дополнительно капот не открывать или капюшон. Прежде чем открывать капот, дайте пару выкипеть и остыть. Кроме того, не открывайте крышку радиатора для собственной безопасности. Вызвать помощь или эвакуировать фургон вместо. Не пытайтесь доливать охлаждающую жидкость в радиатор, когда двигатель автомобиля не работает. очень жарко.Потерпи.
Что вызвало перегрев автомобиля?
Есть много факторов. Некоторые включают приводной ремень, который вращает насос рулевого управления и водяной насос. Если этот ремень выйдет из строя из-за износа или трещин машина перегреется. Этот пояс мог также выходят из строя из-за выхода из строя другого аксессуара, приводящего к чрезмерной нагрузке на него. Так, не садитесь за руль, пока не устраните проблему. вместо этого позовите на помощь.
Что делать, если руль плохо крутится на малых скоростях
Вы обнаружите эту проблему при движении на низкой скорости.Причиной обычно является неисправная система гидроусилителя руля, состоящая из жидкости, поликлинового ремня и насоса. Эти части работают в единстве, обеспечивая плавное и легкое движение рулевого управления. Если какая-либо из этих частей выйдет из строя, ваше рулевое управление будет плохо поворачиваться и станет жестким.
Насос гидроусилителя руля вызывает перегрев
Здесь что делать, если руль туго поворачивается на малых скоростях, чтобы устранить проблему1. Убедитесь, что давление воздуха в шинах вашего автомобиля одинаковое
Если колеса или рулевое управление трудно поворачивать на малой скорости, осмотрите шины, чтобы убедиться, что давление воздуха даже в соответствии с фунтами на квадратный дюйм (PSI), рекомендованными производитель вашего автомобиля.
2. Подтвердить состояние ГУР и количество жидкостиЕще одна вещь, которую вы должны сделать, когда руль с трудом поворачивается на малой скорости, проверьте состояние гидроусилителя руля и уровня жидкости в бачке. Проверьте резервуар и долейте до рекомендуемого уровня. Подтвердите цвет и измените его, когда он становится слишком темным или вы считаете, что он слишком старый.
3. Убедитесь, что шкив на блоке рулевого управления с усилителем в порядкеКогда руль плохо поворачивается поворачивайте на малых скоростях, чтобы устранить проблему, вы должны подтвердить состояние шкив в блоке гидроусилителя руля.Проверьте шкив, когда двигатель вашего автомобиля выключен. Нажмите на ремень большим пальцем, чтобы измерить натяжение. Точный натяжение должно составлять дюйм или 3 четверти и убедитесь, что ремень надет шкив в лучшем состоянии, без потертых краев и трещин.
Также включите двигатель автомобиля и понаблюдайте за тем, как ремень работает на шкиве. Если скользит, значит двигатель будет работать неравномерно, и ваше рулевое управление тоже будет работать неравномерно.
4. Подтвердить состояние блока гидроусилителя руляОсмотрите блок гидроусилителя руля на наличие определить, есть ли утечка из шлангов, подсоединенных к нему.Если там Если это утечка, давление уменьшится, и рулевое управление станет жестким.
5. Проведите осмотр передних частей автомобиляДругое дело, когда руль плохо крутится на малых скоростях, нужно проверить передние части автомобиля. Убедитесь, что такие детали, как шаровые опоры и стяжка стержни не изношены. Также проверьте сход-развал передних колес. Если они не выровнены, ваш автомобиль будет тянуть в одну сторону, когда вы едете, и руль тоже будет тяжело крутить.
Наконец, вы должны сделать правильный автомобиль регулярно обслуживать хорошими запчастями. Это позволит вам обнаружить эти проблемы на ранней стадии и устранить их до того, как они ухудшится. Проведите правильную диагностику система рулевого управления и компоненты детали каждый раз, когда вы идете на техническое обслуживание.
Как исправить туго поворачивающийся руль при торможении
Убедитесь, что жидкость гидроусилителя руля не низкий. Также убедитесь в отсутствии утечек в шланге, который несет жидкость на рулевую рейку.Кроме того, проверьте, чтобы не было насос гидроусилителя руля. Эти две вещи могут привести к жесткости руля. на малых скоростях при торможении.
Решение состоит в том, чтобы промыть прежний жидкость гидроусилителя руля и замените ее на новую.
Также проверьте тормозную жидкость, чтобы увидеть заполнен ли бачок до нужного уровня и убедитесь, что передняя тормозные колодки не изношены. Если они есть, замените их и снова наполните контейнер. с тормозной жидкостью.
Заключение
В этом посте мы рассмотрели причины затрудненного поворота руля и предложили решение этих проблем.Также мы разобрали, что делать, когда машина перегревается и туго крутится руль, плюс что делать, когда туго крутится руль на малых скоростях и как исправить туго крутится руль при торможении. Надеемся, вы знаете, что решение всех этих проблем кроется и в причинах. Как только вы определите причину, вы можете создать решение. Суть в том, что вы должны регулярно обслуживать автомобиль и проводить правильную диагностику рулевого управления и тормозной системы, чтобы вовремя обнаруживать проблемы, чтобы вы могли отремонтировать автомобиль до того, как эти проблемы усугубятся.
Статьи по теме: 5 обзоров лучших масел для гидроусилителя руля (где купить жидкость для гидроусилителя руля)
Как найти симптомы утечки гидроусилителя руля + домашние средства от утечки гидроусилителя руля
Страница не найдена — Goshen Global Vision
Устарело : Синтаксис доступа к смещению массива и строки с фигурными скобками устарел в
Устарело : Синтаксис доступа к смещению массива и строки с фигурными скобками устарел в /home/yiniloco/domains/goglobalvision.org/public_html/wp-load.php в строке 2
Устарело : Синтаксис доступа к смещению массива и строки с фигурными скобками устарел в /home/yiniloco/domains/goglobalvision.org/public_html/wp-load .php в строке 2
Устарело : Синтаксис доступа к смещению массива и строки с фигурными скобками устарел в /home/yiniloco/domains/goglobalvision.org/public_html/wp-load.php в строке 2
Устарело : Синтаксис доступа к смещению массива и строки с фигурными скобками устарел в /home/yiniloco/domains/goglobalvision.org/public_html/wp-load.php в строке 2
Устарело : Синтаксис доступа к смещению массива и строки с фигурными скобками устарел в /home/yiniloco/domains/goglobalvision.org/public_html/wp-load .php в строке 2
Устарело : Синтаксис доступа к смещению массива и строки с фигурными скобками устарел в /home/yiniloco/domains/goglobalvision.org/public_html/wp-load.php в строке 2
Устарело : Синтаксис доступа к смещению массива и строки с фигурными скобками устарел в /home/yiniloco/domains/goglobalvision.org/public_html/wp-load.php в строке 2
Устарело : Синтаксис доступа к смещению массива и строки с фигурными скобками устарел в /home/yiniloco/domains/goglobalvision.org/public_html/wp-load .php в строке 2
Устарело : Синтаксис доступа к смещению массива и строки с фигурными скобками устарел в /home/yiniloco/domains/goglobalvision.org/public_html/wp-load.php в строке 2
Устарело : Синтаксис доступа к смещению массива и строки с фигурными скобками устарел в /home/yiniloco/domains/goglobalvision.org/public_html/wp-load.php в строке 2
Устарело : Синтаксис доступа к смещению массива и строки с фигурными скобками устарел в /home/yiniloco/domains/goglobalvision.org/public_html/wp-load .php в строке 2
Устарело : Синтаксис доступа к смещению массива и строки с фигурными скобками устарел в /home/yiniloco/domains/goglobalvision.org/public_html/wp-load.php в строке 2
Устарело : Синтаксис доступа к смещению массива и строки с фигурными скобками устарел в /home/yiniloco/domains/goglobalvision.org/public_html/wp-load.php в строке 2
Устарело : Синтаксис доступа к смещению массива и строки с фигурными скобками устарел в /home/yiniloco/domains/goglobalvision.org/public_html/wp-load .php в строке 2
Устарело : Синтаксис доступа к смещению массива и строки с фигурными скобками устарел в /home/yiniloco/domains/goglobalvision.org/public_html/wp-load.php в строке 2
Устарело : Синтаксис доступа к смещению массива и строки с фигурными скобками устарел в /home/yiniloco/domains/goglobalvision.org/public_html/wp-load.php в строке 2
Устарело : Синтаксис доступа к смещению массива и строки с фигурными скобками устарел в /home/yiniloco/domains/goglobalvision.org/public_html/wp-load .php в строке 2
Устарело : Синтаксис доступа к смещению массива и строки с фигурными скобками устарел в /home/yiniloco/domains/goglobalvision.org/public_html/wp-load.php в строке 2
Устарело : Синтаксис доступа к смещению массива и строки с фигурными скобками устарел в /home/yiniloco/domains/goglobalvision.org/public_html/wp-load.php в строке 2
Устарело : Синтаксис доступа к смещению массива и строки с фигурными скобками устарел в /home/yiniloco/domains/goglobalvision.org/public_html/wp-load .php в строке 2
Устарело : Синтаксис доступа к смещению массива и строки с фигурными скобками устарел в /home/yiniloco/domains/goglobalvision.org/public_html/wp-load.php в строке 2
Устарело : Синтаксис доступа к смещению массива и строки с фигурными скобками устарел в /home/yiniloco/domains/goglobalvision.org/public_html/wp-load.php в строке 2
Устарело : Синтаксис доступа к смещению массива и строки с фигурными скобками устарел в /home/yiniloco/domains/goglobalvision.org/public_html/wp-load .php в строке 2
Устарело : Синтаксис доступа к смещению массива и строки с фигурными скобками устарел в /home/yiniloco/domains/goglobalvision.org/public_html/wp-load.php в строке 2
Устарело : Синтаксис доступа к смещению массива и строки с фигурными скобками устарел в /home/yiniloco/domains/goglobalvision.org/public_html/wp-load.php в строке 2
Устарело : Синтаксис доступа к смещению массива и строки с фигурными скобками устарел в /home/yiniloco/domains/goglobalvision.org/public_html/wp-load .php в строке 2
Устарело : Синтаксис доступа к смещению массива и строки с фигурными скобками устарел в /home/yiniloco/domains/goglobalvision.org/public_html/wp-load.php в строке 2
Устарело : Синтаксис доступа к смещению массива и строки с фигурными скобками устарел в /home/yiniloco/domains/goglobalvision.org/public_html/wp-load.php в строке 2
Устарело : Синтаксис доступа к смещению массива и строки с фигурными скобками устарел в /home/yiniloco/domains/goglobalvision.org/public_html/wp-load .php в строке 2
Устарело : Синтаксис доступа к смещению массива и строки с фигурными скобками устарел в /home/yiniloco/domains/goglobalvision.org/public_html/wp-load.php в строке 2
Устарело : Синтаксис доступа к смещению массива и строки с фигурными скобками устарел в /home/yiniloco/domains/goglobalvision.org/public_html/wp-load.php в строке 2
Устарело : Синтаксис доступа к смещению массива и строки с фигурными скобками устарел в /home/yiniloco/domains/goglobalvision.org/public_html/wp-load .php в строке 2
Устарело : Синтаксис доступа к смещению массива и строки с фигурными скобками устарел в /home/yiniloco/domains/goglobalvision.org/public_html/wp-load.php в строке 2
Устарело : Синтаксис доступа к смещению массива и строки с фигурными скобками устарел в /home/yiniloco/domains/goglobalvision.org/public_html/wp-load.php в строке 2
Устарело : Синтаксис доступа к смещению массива и строки с фигурными скобками устарел в /home/yiniloco/domains/goglobalvision.org/public_html/wp-load .php в строке 2
Устарело : Синтаксис доступа к смещению массива и строки с фигурными скобками устарел в /home/yiniloco/domains/goglobalvision.org/public_html/wp-load.php в строке 2
Устарело : Синтаксис доступа к смещению массива и строки с фигурными скобками устарел в /home/yiniloco/domains/goglobalvision.org/public_html/wp-load.php в строке 2
Устарело : Синтаксис доступа к смещению массива и строки с фигурными скобками устарел в /home/yiniloco/domains/goglobalvision.org/public_html/wp-load .php в строке 2
Устарело : Синтаксис доступа к смещению массива и строки с фигурными скобками устарел в /home/yiniloco/domains/goglobalvision.org/public_html/wp-load.php в строке 2
Устарело : Синтаксис доступа к смещению массива и строки с фигурными скобками устарел в /home/yiniloco/domains/goglobalvision.org/public_html/wp-load.php в строке 2
Устарело : Синтаксис доступа к смещению массива и строки с фигурными скобками устарел в /home/yiniloco/domains/goglobalvision.org/public_html/wp-load .php в строке 2
Устарело : Синтаксис доступа к смещению массива и строки с фигурными скобками устарел в /home/yiniloco/domains/goglobalvision.org/public_html/wp-load.php в строке 2
Устарело : Синтаксис доступа к смещению массива и строки с фигурными скобками устарел в /home/yiniloco/domains/goglobalvision.org/public_html/wp-load.php в строке 2
Устарело : Синтаксис доступа к смещению массива и строки с фигурными скобками устарел в /home/yiniloco/domains/goglobalvision.org/public_html/wp-load .php в строке 2
Устарело : Синтаксис доступа к смещению массива и строки с фигурными скобками устарел в /home/yiniloco/domains/goglobalvision.org/public_html/wp-load.php в строке 2
Устарело : Синтаксис доступа к смещению массива и строки с фигурными скобками устарел в /home/yiniloco/domains/goglobalvision.org/public_html/wp-load.php в строке 2
Устарело : Синтаксис доступа к смещению массива и строки с фигурными скобками устарел в /home/yiniloco/domains/goglobalvision.org/public_html/wp-load .php в строке 2
Устарело : Синтаксис доступа к смещению массива и строки с фигурными скобками устарел в /home/yiniloco/domains/goglobalvision.org/public_html/wp-load.php в строке 2
Устарело : Синтаксис доступа к смещению массива и строки с фигурными скобками устарел в /home/yiniloco/domains/goglobalvision.org/public_html/wp-load.php в строке 2
Устарело : Синтаксис доступа к смещению массива и строки с фигурными скобками устарел в /home/yiniloco/domains/goglobalvision.org/public_html/wp-load .php в строке 2
Устарело : Синтаксис доступа к смещению массива и строки с фигурными скобками устарел в /home/yiniloco/domains/goglobalvision.org/public_html/wp-load.php в строке 2
Устарело : Синтаксис доступа к смещению массива и строки с фигурными скобками устарел в /home/yiniloco/domains/goglobalvision.org/public_html/wp-load.php в строке 2
Устарело : Синтаксис доступа к смещению массива и строки с фигурными скобками устарел в /home/yiniloco/domains/goglobalvision.org/public_html/wp-load .php в строке 2
Устарело : Синтаксис доступа к смещению массива и строки с фигурными скобками устарел в /home/yiniloco/domains/goglobalvision.org/public_html/wp-load.php в строке 2
Устарело : Синтаксис доступа к смещению массива и строки с фигурными скобками устарел в /home/yiniloco/domains/goglobalvision.org/public_html/wp-load.php в строке 2
Устарело : Синтаксис доступа к смещению массива и строки с фигурными скобками устарел в /home/yiniloco/domains/goglobalvision.org/public_html/wp-load .php в строке 2
Устарело : Синтаксис доступа к смещению массива и строки с фигурными скобками устарел в /home/yiniloco/domains/goglobalvision.org/public_html/wp-load.php в строке 2
Устарело : Синтаксис доступа к смещению массива и строки с фигурными скобками устарел в /home/yiniloco/domains/goglobalvision.org/public_html/wp-load.php в строке 2
Устарело : Синтаксис доступа к смещению массива и строки с фигурными скобками устарел в /home/yiniloco/domains/goglobalvision.org/public_html/wp-load .php в строке 2
Устарело : Синтаксис доступа к смещению массива и строки с фигурными скобками устарел в /home/yiniloco/domains/goglobalvision.org/public_html/wp-load.php в строке 2
Устарело : Синтаксис доступа к смещению массива и строки с фигурными скобками устарел в /home/yiniloco/domains/goglobalvision.org/public_html/wp-load.php в строке 2
Устарело : Синтаксис доступа к смещению массива и строки с фигурными скобками устарел в /home/yiniloco/domains/goglobalvision.org/public_html/wp-load .php в строке 2
Устарело : Синтаксис доступа к смещению массива и строки с фигурными скобками устарел в /home/yiniloco/domains/goglobalvision.org/public_html/wp-load.php в строке 2
Устарело : Синтаксис доступа к смещению массива и строки с фигурными скобками устарел в /home/yiniloco/domains/goglobalvision.org/public_html/wp-load.php в строке 2
Устарело : Синтаксис доступа к смещению массива и строки с фигурными скобками устарел в /home/yiniloco/domains/goglobalvision.org/public_html/wp-load .php в строке 2
Устарело : Синтаксис доступа к смещению массива и строки с фигурными скобками устарел в /home/yiniloco/domains/goglobalvision.org/public_html/wp-load.php в строке 2
Устарело : Синтаксис доступа к смещению массива и строки с фигурными скобками устарел в /home/yiniloco/domains/goglobalvision.org/public_html/wp-load.php в строке 2
Устарело : Синтаксис доступа к смещению массива и строки с фигурными скобками устарел в /home/yiniloco/domains/goglobalvision.org/public_html/wp-load .php в строке 2
Устарело : Синтаксис доступа к смещению массива и строки с фигурными скобками устарел в /home/yiniloco/domains/goglobalvision.org/public_html/wp-load.php в строке 2
Устарело : Синтаксис доступа к смещению массива и строки с фигурными скобками устарел в /home/yiniloco/domains/goglobalvision.org/public_html/wp-load.php в строке 2
Устарело : Синтаксис доступа к смещению массива и строки с фигурными скобками устарел в /home/yiniloco/domains/goglobalvision.org/public_html/wp-load .php в строке 2
Устарело : Синтаксис доступа к смещению массива и строки с фигурными скобками устарел в /home/yiniloco/domains/goglobalvision.org/public_html/wp-load.php в строке 2
Устарело : Синтаксис доступа к смещению массива и строки с фигурными скобками устарел в /home/yiniloco/domains/goglobalvision.org/public_html/wp-load.php в строке 2
Устарело : Синтаксис доступа к смещению массива и строки с фигурными скобками устарел в /home/yiniloco/domains/goglobalvision.org/public_html/wp-load .php в строке 2
Устарело : Синтаксис доступа к смещению массива и строки с фигурными скобками устарел в /home/yiniloco/domains/goglobalvision.org/public_html/wp-load.php в строке 2
Устарело : Синтаксис доступа к смещению массива и строки с фигурными скобками устарел в /home/yiniloco/domains/goglobalvision.org/public_html/wp-load.php в строке 2
Устарело : Синтаксис доступа к смещению массива и строки с фигурными скобками устарел в /home/yiniloco/domains/goglobalvision.org/public_html/wp-load .php в строке 2
Устарело : Синтаксис доступа к смещению массива и строки с фигурными скобками устарел в /home/yiniloco/domains/goglobalvision.org/public_html/wp-load.php в строке 2
Устарело : Синтаксис доступа к смещению массива и строки с фигурными скобками устарел в /home/yiniloco/domains/goglobalvision.org/public_html/wp-load.php в строке 2
Устарело : Синтаксис доступа к смещению массива и строки с фигурными скобками устарел в /home/yiniloco/domains/goglobalvision.org/public_html/wp-load .php в строке 2
Устарело : Синтаксис доступа к смещению массива и строки с фигурными скобками устарел в /home/yiniloco/domains/goglobalvision.org/public_html/wp-load.php в строке 2
Устарело : Синтаксис доступа к смещению массива и строки с фигурными скобками устарел в /home/yiniloco/domains/goglobalvision.org/public_html/wp-load.php в строке 2
Устарело : Синтаксис доступа к смещению массива и строки с фигурными скобками устарел в /home/yiniloco/domains/goglobalvision.org/public_html/wp-load .php в строке 2
Устарело : Синтаксис доступа к смещению массива и строки с фигурными скобками устарел в /home/yiniloco/domains/goglobalvision.org/public_html/wp-load.php в строке 2
Устарело : Синтаксис доступа к смещению массива и строки с фигурными скобками устарел в /home/yiniloco/domains/goglobalvision.org/public_html/wp-load.php в строке 2
Устарело : Синтаксис доступа к смещению массива и строки с фигурными скобками устарел в /home/yiniloco/domains/goglobalvision.org/public_html/wp-load .php в строке 2
Устарело : Синтаксис доступа к смещению массива и строки с фигурными скобками устарел в /home/yiniloco/domains/goglobalvision.org/public_html/wp-load.php в строке 2
Устарело : Синтаксис доступа к смещению массива и строки с фигурными скобками устарел в /home/yiniloco/domains/goglobalvision.org/public_html/wp-load.php в строке 2
Устарело : Синтаксис доступа к смещению массива и строки с фигурными скобками устарел в /home/yiniloco/domains/goglobalvision.org/public_html/wp-load .php в строке 2
Устарело : Синтаксис доступа к смещению массива и строки с фигурными скобками устарел в /home/yiniloco/domains/goglobalvision.org/public_html/wp-load.php в строке 2
Устарело : Синтаксис доступа к смещению массива и строки с фигурными скобками устарел в /home/yiniloco/domains/goglobalvision.org/public_html/wp-load.php в строке 2
Устарело : Синтаксис доступа к смещению массива и строки с фигурными скобками устарел в /home/yiniloco/domains/goglobalvision.org/public_html/wp-load .php в строке 2
Устарело : Синтаксис доступа к смещению массива и строки с фигурными скобками устарел в /home/yiniloco/domains/goglobalvision.org/public_html/wp-load.php в строке 2
Устарело : Синтаксис доступа к смещению массива и строки с фигурными скобками устарел в /home/yiniloco/domains/goglobalvision.org/public_html/wp-load.php в строке 2
Устарело : Синтаксис доступа к смещению массива и строки с фигурными скобками устарел в /home/yiniloco/domains/goglobalvision.org/public_html/wp-load .php в строке 2
Устарело : Синтаксис доступа к смещению массива и строки с фигурными скобками устарел в /home/yiniloco/domains/goglobalvision.org/public_html/wp-load.php в строке 2
Устарело : Синтаксис доступа к смещению массива и строки с фигурными скобками устарел в /home/yiniloco/domains/goglobalvision.org/public_html/wp-load.php в строке 2
Устарело : Синтаксис доступа к смещению массива и строки с фигурными скобками устарел в /home/yiniloco/domains/goglobalvision.org/public_html/wp-load .php в строке 2
Устарело : Синтаксис доступа к смещению массива и строки с фигурными скобками устарел в /home/yiniloco/domains/goglobalvision.org/public_html/wp-load.php в строке 2
Устарело : Синтаксис доступа к смещению массива и строки с фигурными скобками устарел в /home/yiniloco/domains/goglobalvision.org/public_html/wp-load.php в строке 2
Устарело : Синтаксис доступа к смещению массива и строки с фигурными скобками устарел в /home/yiniloco/domains/goglobalvision.org/public_html/wp-load .php в строке 2
Устарело : Синтаксис доступа к смещению массива и строки с фигурными скобками устарел в /home/yiniloco/domains/goglobalvision.org/public_html/wp-load.php в строке 2
Устарело : Синтаксис доступа к смещению массива и строки с фигурными скобками устарел в /home/yiniloco/domains/goglobalvision.org/public_html/wp-load.php в строке 2
Устарело : Синтаксис доступа к смещению массива и строки с фигурными скобками устарел в /home/yiniloco/domains/goglobalvision.org/public_html/wp-load .php в строке 2
Устарело : Синтаксис доступа к смещению массива и строки с фигурными скобками устарел в /home/yiniloco/domains/goglobalvision.org/public_html/wp-load.php в строке 2
Устарело : Синтаксис доступа к смещению массива и строки с фигурными скобками устарел в /home/yiniloco/domains/goglobalvision.org/public_html/wp-load.php в строке 2
Устарело : Синтаксис доступа к смещению массива и строки с фигурными скобками устарел в /home/yiniloco/domains/goglobalvision.org/public_html/wp-load .php в строке 2
Устарело : Синтаксис доступа к смещению массива и строки с фигурными скобками устарел в /home/yiniloco/domains/goglobalvision.org/public_html/wp-load.php в строке 2
Устарело : Синтаксис доступа к смещению массива и строки с фигурными скобками устарел в /home/yiniloco/domains/goglobalvision.org/public_html/wp-load.php в строке 2
Устарело : Синтаксис доступа к смещению массива и строки с фигурными скобками устарел в /home/yiniloco/domains/goglobalvision.org/public_html/wp-load .php в строке 2
Устарело : Функция create_function() устарела в : Функция create_function() устарела в /home/yiniloco/domains/goglobalvision.org/public_html/wp-load.php в строке 2
Предупреждение : file_put_contents(): имя файла не может быть пустым в /home/yiniloco/domains/goglobalvision.org/public_html/wp-load.php( 2) : созданная во время выполнения функция на линии 1
404
Ой… Страница не найдена!
Попробуйте с помощью кнопки ниже перейти на главную страницу сайтаПерейти на главную .




2.3.3. Как снять крышку корпуса ГУР МТЗ-80, МТЗ-82:
2.3.9. Спрессовка рулевой сошки трактора МТЗ-80, МТЗ-82:
2.3.16. Как снять датчик блокировки дифференциала трактора МТЗ-80, МТЗ-82
2.3.26. Затяжка корончатой гайки червяка
Основными узлами являются руль, рулевой вал, рулевая колонка, рейка, тяги и наконечники. Вращение руля сопровождается поворотом шестерни, приводящей в движение рейку. Рейка передает усилие на рычаг с наконечником, вставленным в поворотный кулак.
В составе системы — гидронасос, работающий от двигателя через ременную передачу, шланги и бачок для жидкости ГУР. В системе с помощью насоса постоянно поддерживается высокое давление, при повороте руля жидкость начинает давить на рейку, тем самым снижая нагрузку на водителя.


Модернизированную деталь устанавливают, подкладывая дополнительно прокладки между корпусом колонки и распределителем и крышкой распределителя. Таким образом, компенсируют увеличенный размер золотника. Для увеличения жёсткости пружин плунжеров вытачивают дополнительные шайбы соответствующего диаметра толщиной 1,5 мм и устанавливают между пружиной и деталью.




Дисковая, сухого типа, смонтирована на шестернях главной передачи. Привод гидравлический, управление работой осуществляется нажатием на педаль.




Добавить комментарий