Муфта сцепления дз 98 – -170, -130, 10 – -170 -130 10
Муфта сцепления ДЗ-98.10.02.000-1
Предлагаем муфту сцепления в сборе ДЗ.98.10.02.000-1 на грейдер ДЗ-98, а так же весь спектр запчастей на муфту сцепления 18-14-4 сп .Все запчасти в наличии и имеют гарантию .У нас можно приобрести весь спектр запчастей для ремонта муфты ДЗ98 .
Муфта сцепления в сборе ДЗ-98.10.02.000-1 цена 87 800
Картер муфты сцепления Д395В.10.02.001 цена 47 000
Муфта сцепления ДЗ-98 18-14-4сп цена 40 000
Муфта включения ДЗ-98.10.02.090-1 (18-14-133СП) цена 8930

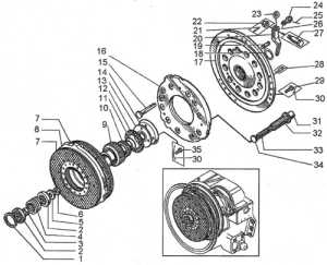
| Поз. | Обозначение | Наименование |
| 1 | 18-14-66 | Кольцо пружинное |
| 2 | 180308С9 | Подшипник |
| 3 | 18-14-62 | Втулка |
| 4 | 38462 | Пружина |
| 5 | 3170 | Шайба стопорная |
| 6 | 700-30-2032 | Гайка |
| 7 | 18-14-135 | Диск ведомый |
| 8 | 18-14-44 | Диск ведущий |
| 9 | 18-14-104 | Барабан зубчатый |
| 10 | 18-14-78 | Муфта карданного вала |
| 11 | 46812 | Кольцо уплотнительное |
| 12 | 700-40-2532 | Прокладка |
| 13 | 18-14-114 | Крышка |
| 14 | 18-14-115 | Отражатель |
| 15 | 18-14-98 | Болт |
| 16 | 18-14-45 | Диск нажимной |
| 17 | 18-14-142 | Фланец |
| 18 | 700-40-2122 | Кольцо |
| 19 | Д395Б.02.082 | Палец |
| 20 | 18-14-92 | Рычаг |
| 21 | 3,2х32 397 | Шплинт |
| 22 | 30297 | Гайка |
| 23 | 18-14-69 | Ролик |
| 24 | 18-14-116 | Гайка |
| 25 | КО.3 792 | ПроволокаL=0,15м |
| 26 | 18-14-47 | Призма |
| 27 | 18-14-49 | Палец |
| 28 | 067.24.11.063 | Штифт |
| 29 | 3М12-6gх35.58.019 7796 | Болт |
| 30 | КО1.6 792 | Проволока L=18м |
| 31 | 18-14-68 | Стакан |
| 32 | 38460 | Пружина |
| 33 | 38461 | Пружина |
| 34 | 40546 | Прокладка |
| 35 | 3М10-6gх20.58.019 7796 | Болт |
Муфту сцепления ДЗ-98.10.02.000-1 и запчасти муфты ДЗ98 отгружаем в любой регион России авто перевозчиками удобными для вашей компании или попутным грузом в города :Екатеринбург, Уфа, Сургут, Улан-Удэ, Горно-Алтайск, Сыктывкар, Йошкар-Ола, Саранск, Якутск, Казань, Кызыл, Ижевск, Чебоксары, Барнаул, Краснодар, Красноярск, Владивосток, Ставрополь, Хабаровск, Благовещенск, Архангельск, Астрахань, Белгород, Брянск, Владимир, Волгоград, Вологда, Воронеж, Воркута, Иваново, Иркутск, Калининград, Калуга, Петропавловск-Камчатский, Кемерово, Киров, Кострома, Курган, Курск, Санкт-Петербург, Салехард, Липецк, Лабытнанги, Магадан, Москва, Мурманск, Нижний Новгород, Новгород, Новосибирск, Омск, Оренбург, Орел, Пенза, Пермь, Псков, Ростов-на-Дону, Рязань, Самара, Саратов, Южно-Сахалинск, Смоленск, Тамбов, Тверь, Томск, Тула, Тюмень, Ульяновск, Чита, Ярославль, Санкт-Петербург, Нарьян-Мар, Ханты-Мансийск, Анадырь
www.trak130.ru
Механизм управления муфтой сцепления ДЗ-98В.13.01.000
Механизм управления муфтой сцепления ДЗ-98В.13.01.000 автогрейдера ДЗ-98 – это система узлов и агрегатов, отвечающая за возможность кратковременного выключения сцепления между цапфой промежуточного редуктора и карданным валом сцепления за счет перемещения муфты выключения сцепления по ползуну под действием усилия на органах управления. Также механизм обеспечивает возможность остановки ведомого вала сцепления при помощи специального тормозка, смонтированного на хвостовике карданного вала.
Состоит механизм из кронштейнов с подшипниками, рычагов, тяг, тяги с навинчивающейся головкой, вилки рычага муфты выключения и корпуса с валиком и педалью. Корпус с валиком и установленной на нем педалью монтируется на полу кабины оператора и соединяется с вилкой муфты при использовании рычагов и тяг. Первый рычаг монтируется на валике совместно с педалью посредством сегментной шпонки и винта, к нему крепится тяга с навинчивающейся головкой, с противоположной стороны к тяге крепится еще один рычаг. Для регулировки положения рычагов и тяг используются контргайки, навинчивающиеся на резьбовые хвостовики тяг с привинчивающимися головками. Их расположение определяет положения головок тяг и длину тяги. Все соединения рычагов с валиками выполнены на сегментных шпонках. Один валик вращается в корпусе сцепления, а второй в двух кронштейнах с подшипниками на концах. На втором валике происходит суммирование усилия от педали управления и сервопривода сцепления. Крепление механизма управления на боковой стенке картера муфты сцепления организовано через специальную втулку ДЗ-98.10.02.004-1, которая устанавливается в крышку механизма управления, смонтированную на боковой поверхности картера. Во втулку устанавливается цилиндрический хвостовик вилки выключения сцепления, которая соединяется с рычагом ДЗ-98.10.02.026 и обеспечивает возможность отвода муфты выключения по ползуну в сторону тормозка. В процессе такого перемещения муфта воздействует на нажимной диск и отводит его от фрикционных дисков, преодолевая усилие пружин на фланце и выключая сцепление. Если усилие на органах управления продолжает расти, муфта смещается рычагом к тормозку и останавливает его, а вместе с ним и ведущий фланец коробки передач, который прикручен к тормозку. При этом сервопривод оказывает помощь механику-водителю при выключении сцепления, генерируя дополнительное усилие посредством гидропривода. При снятии усилия происходят обратные процессы, в результате которых муфта возвращается на свою исходную позицию, отходит от тормозка, сцепление включается, а передача вращения между ведущей цапфой и ведомым валом сцепления восстанавливается. Ответственные шарнирные узлы механизма управления смазываются консистентной смазкой и имеют пресс-масленки, которые вкручиваются в боковые стенки опорных цилиндров на кронштейнах и в крышку механизма на стенке картера.
ms-74.ru
ДЗ-98В. Трансмиссия. МУФТА СЦЕПЛЕНИЯ | ДЗ-98В. Трансмиссия
| № | Артикул детали | Наименование детали |
|---|---|---|
| 1 | 18-14-66 | Кольцо пружинное |
| 2 | 180308С9 | Подшипник |
| 3 | 18-14-62 | Втулка |
| 4 | 38462 | Лружина |
| 5 | 3170 | Шайба стопорная |
| 6 | 700-30-2032 | Гайка |
| 7 | 18-14-135 | Диск ведомый |
| 8 | 18-14-44 | Диск ведущий |
| 9 | 18-14-104 | Барабан зубчатый |
| 10 | 18-14-78 | Муфта карданного вала |
| 11 | 46812 | Кольцо уплотнительное |
| 12 | 700-40-2532 | Прокладка |
| 13 | 18-14-114 | Крышка |
| 14 | 18-14-115 | Отражатель |
| 15 | 18-14-98 | Болт |
| 16 | 18-14-45 | Диск нажимной |
| 16 | 700-40-2122 | Кольцо |
| 17 | 18-14-142 | Фланец |
| 19 | Д395Б.02.082 | Палец |
| 20 | 18-14-92 | Рычаг |
| 21 | 3,2х32 397 | Шплинт |
| 22 | 30297 | Гайка |
| 23 | 18-14-69 | Ролик |
| 24 | 18-14-116 | Гайка |
| 25 | КО.3792 | Проволока I=0.15м |
| 26 | 18-14-47 | Призма |
| 27 | 18-14-49 | Палец |
| 28 | 067.24.11.063 | Штифт |
| 29 | 3М12-6gх35.58.019 7796 | Болт |
| 30 | КО1.6792 | Проволока I=18 м |
| 31 | 18-14-68 | Стакан |
| 32 | 38460 | Пружина |
| 33 | 38461 | Пружина |
| 34 | 40546 | Прокладка |
| 35 | 3М10-6gх20.58.019 7796 | Болт |
Купить запасные части по доступной цене
Запчасти для спецтехники производства Вы можете найти в этом каталоге ДЗ-98В. Трансмиссия. МУФТА СЦЕПЛЕНИЯ для ДЗ-98В ДЗ-98В. Трансмиссия. Каталог представляет собой каждый узел в отдельности, артикул и наименование детали указан в таблице. На все запасные части предоставляется гарантия производителя.
rusterex.ru
ДЗ-98В. Трансмиссия. МУФТА СЦЕПЛЕНИЯ | ДЗ-98В. Трансмиссия
| № | Артикул детали | Наименование детали |
|---|---|---|
| 1 | 18-14-140 | Тормозок |
| 2 | 1Б100 13941 | Кольцо |
| 3 | 18-14-77 | Вал карданный |
| 4 | 18-14-125 | Крышка |
| 5 | 700-40-5259 | Прокладка |
| 6 | 46812 | Кольцо уплотнительное |
| 7 | 1.3 19853 | Масленка |
| 8 | 8.65Г.069 6402 | Шайба |
| 9 | М8-6gх20.58.019 7796 | Болт |
| 10 | ДЗ-98.10.02.004-1 | Втулка |
| 11 | ДЗ-98.10.02.015 | Крышка |
| 12 | Д395В.10.02.010 | Крышка |
| 13 | Д395Б.03.029 | Штифт цилиндрический |
| 14 | М10-6gх35.58.019 7796 | Болт |
| 15 | М10-6Н.5.019 5915 | Гайка |
| 16 | 20.65Г.069 6402 | Шайба |
| 16 | Д395В.10.02.001 | Картер муфты сцепления |
| 17 | Д395Б.02.047 | Опора шаровая |
| 19 | М20-6дх45.58.019 7796 | Болт |
| 20 | Д395Б.02.107 | Крышка |
| 21 | 10.63Г.069 6402 | Шайба |
| 22 | М10-6gх25.68.019 7796 | Болт |
| 23 | 6,3х36 397 | Шплинт |
| 24 | 700-41-3442 | Рамка |
| 25 | Д395.0402.242 | Шланг |
| 26 | Д395 03.02.059 | Лента |
| 27 | 18-14-122 | Пластина |
| 28 | 12.65Г.069 6402 | Шайба |
| 29 | М12х30 2816 | Болт |
| 30 | ДЗ-98.10.02.026 | Рычаг |
| 31 | 18-14-133 | Муфта включения |
| 32 | 31364 | Пластина стопорная |
| 33 | 18-14-128 | Палец |
| 34 | Д395Б.02.190 | Штуцер |
Купить запасные части по доступной цене
Запчасти для спецтехники производства Вы можете найти в этом каталоге ДЗ-98В. Трансмиссия. МУФТА СЦЕПЛЕНИЯ для ДЗ-98В ДЗ-98В. Трансмиссия. Каталог представляет собой каждый узел в отдельности, артикул и наименование детали указан в таблице. На все запасные части предоставляется гарантия производителя.
rusterex.ru
Сцепление автогрейдера ДЗ-98 и его детали
_______________________________________________________________________________________
Сцепление автогрейдера ДЗ-98 (рис.19) служит для плавного отсоединения и соединения коленчатого вала двигателя с трансмиссией.

Рис.19. Сцепление ДЗ-98
1- картер сцепления; 2- муфта включения; 3- палец; 4- кольцо; 5- рычаг; 6- болт; 7- муфта карданного вала; 8- призма; 9- цапфа; 10- нажимной ведущий диск; 11- барабан; 12- ведомый диск; 13- ведущий диск; 14- диск цапфы; 15- пружина; 16- термоизоляционная прокладка; 17- внутренняя пружина; 18- наружная пружина; 19- стакан; 20- фланец; 21- шаровая опора; 22- отжимной болт; 23- ползун; 24- гайка; 25- карданный вал; 26- фланец коробки передач; 27- тормозок; 28- хомут муфты включения; 29- прокладка; 30- крышка; 31- гайка корончатая.
Это необходимо при переключении передач и остановке автогрейдера.
Кроме того, сцепление грейдера ДЗ-98 предохраняет детали трансмиссии от перегрузки.
Сцепление ДЗ-98 – сухое двухдисковое постоянно замкнутое. Ведущей частью сцепления служит диск 14 цапфы редуктора привода гидронасосов, а также диск 13 и диск 10, являющийся одновременно нажимным.
Диски 13 и 10 имеют каждый по три ровно расположенных паза, которыми они подвижно в осевом направлении соединены с диском редуктора привода гидронасосов через специальные сухари.
Между ведущими дисками установлены ведомые диски 12 (рис.19) сцепления автогрейдера ДЗ-98, имеющие зубчатые венцы, посредством которых они соединяются с барабаном 11, имеющим наружные зубья.
Барабан установлен на двух шарикоподшипниках, которые, в свою очередь, установлены на цапфе 9 редуктора привода гидронасосов.
Барабан имеет внутренние зубья, которыми он соединяется с муфтой 7 карданного вала, последняя – с карданным валом 25.
Карданный вал имеет зубчатый венец, которым он соединяется с фланцем 26 коробки передач ДЗ-98.
На этом же фланце установлен тормозок 27, имеющий внутренние зубья.
Пакет сжимается пружинами 17 и 18, упирающимися с одной стороны в стаканы, с другой – в гнездо диска 10 через термоизоляционные прокладки 16.
Стаканы вставлены в отверстия, имеющиеся на фланце 20, который крепится болтами к диску редуктора привода гидронасосов.
На фланце установлена муфта выключения 2.
Муфта сцепления автогрейдера ДЗ-98 состоит из ползуна 23, одного шарикоподшипника, гайки 24, крепящей подшипник на ползуне.
Наружные обоймы подшипника установлены в корпусе и закрыты крышкой.
Корпус посредством винтов соединен с хомутом 28, который одним концом упирается во втулку, закрепленную в крышке.
Таким образом, часть деталей муфты выключения сцепления ДЗ-98 не вращается, а другая часть вращается вместе с фланцем 20.
На фланце шарнирно установлены три рычага 5, нижние концы которых через закаленное кольцо упираются в ползун 23 муфты выключения.
Нажимной диск 10 имеет три отверстия, в которые вставлены болты 6, посредством которых нажимной диск отжимается от ведомого диска.
На болтах установлены призмы 8, конусная часть которых входит во впадины на рычагах 5.
Призмы упираются в корончатые гайки, навернутые на болты 6.
Действие сцепления ДЗ-98 осуществляется следующим образом:
Крутящий момент от двигателя передается на диск редуктора привода гидронасосов и от него через сухари диска на сжатый пакет дисков сцепления;
Ведомые диски сцепления автогрейдера ДЗ-98 передают крутящий момент на зубчатый барабан и через муфт у карданного вала и карданный вал к первичному валу коробки передач;
При выключении сцепления муфта выключения отодвигается в сторону тормозка.
Происходит нажатие на концы рычагов 5, которые через призмы и гайки воздействуют на болты 6 и оттягивают нажимной диск 10.
Ведомые диски получают возможность свободно проворачиваться относительно ведущих дисков. Передача крутящего момента прекращается;
В сцеплении грейдера ДЗ-98 для затормаживания ведомого вала при переключении передач имеется специальный тормозок 27, которым необходимо правильно пользоваться.
При переключении передач с низшей на высшую для выравнивания линейных скоростей шестерен на ведущем и ведомых валах необходимо затормозить ведущий вал коробки передач.
При этом следует плавно выжать педаль сцепления до тех пор, пока не почувствуется возрастание усилия на педали, выключить передачу, затем дожать педаль сцепления до конца (при этом происходит притормаживание первичного вала коробки передач) и включить высшую передачу;
При переключении передач с высшей на низшую действие тормозка сказывается отрицательно.
Для того чтобы не происходило торможения первичного вала коробки передач, необходимо при выключении сцепления ДЗ-98 педаль отжимать не до конца, а до того момента, пока не почувствуется резкое возрастание усилия на педаль.
При этом сцепление выключается, а тормозок в работу еще не вступает;
Для более четкого переключения с высшей передачи на низшую следует ведомый вал сцепления “разогнать” перегазовкой.
Для этого надо выключить сцепление и рычаг механизма переключения передач поставить в нейтральное положение, отпустить педаль сцепления, увеличить обороты двигателя, вновь выжать педаль сцепления и перевести рычаг механизма переключения передач на низшую передачу.
Особенности разборки сцепления автогрейдера ДЗ-98
Сцепление ДЗ-98 с выжимным хомутом вынимается из своего картера при снятии редуктора привода гидронасосов вместе с ним.
Перед отсоединением корпуса редуктора привода гидронасосов от картера сцепления автогрейдера ДЗ-98 необходимо снять крышку 32 (рис.19), отсоединить шланг и освободить тягу сервомеханизма от выжимного хомута.
Прежде чем отвернуть все болты крепления фланца, необходимо вместо трех болтов, крепящих фланец, завернуть три шпильки М 12×143, расположенных равномерно по окружности.
Навернув до упора на шпильки гайки, вывернуть остальные болты крепления фланца и после этого постепенно и равномерно отворачивать гайки шпилек.
В противном случае при отворачивании последних болтов под действием сжатых пружин может произойти обрыв болтов, что может привести к несчастному случаю.
Регулировка сцепления ДЗ-98 заключается в установке равномерного зазора 0…0,2 мм между рычагами 5 и муфтой 2, а также зазора 21 мм между тормозком 27 и муфтой 2.
Регулировка этих размеров производится совместно с регулировкой сервомеханизма.
Механизм управления сцеплением автогрейдера ДЗ-98
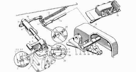
Механизм управления сцеплением ДЗ-98 (рис.20) служит для управления сцеплением через сервомеханизм, а также для привода блокирующего устройства вилок переключения передач.

Рис.20. Механизм управления сцеплением автогрейдера ДЗ-98
1- сервомеханизм сцепления; 2- шток сервомеханизма; 3- ролик; 4- ось ролика; 5- нажимной рычаг; 6,8- кронштейны; 7- вал; 9,17- рычаги; 10,13- тяги; 11- двуплечий рычаг; 12- возвратная пружина; 14- регулировочный болт; 15- педаль; 16- корпус; 18- шпонка; 19- валик; 20- сферический подшипник.
Основные детали механизма управления сцеплением автогрейдера ДЗ-98
На полике кабины установлен корпус 16 в котором на валике 19 при помощи шпонки закреплена педаль 15 сцепления.
На валике 19 закреплен рычаг 17, который шарнирно соединен с тягой 13.
Тяга же в свою очередь, соединена с двуплечим рычагом 11.
Двуплечий рычаг механизма управления сцеплением грейдера ДЗ-98 верхним концом соединен с тягой 10, которая соединена с рычагом 9, закрепленном на валу 7, поворачивающимся в двух сферических подшипниках 20, установленных в кронштейнах 6 и 8.
На другом конце вала закреплен рычаг 5 с роликом 3, сидящим на оси 4.
При нажатии на педаль 15 через системы тяг и рычагов происходит нажатие на шток сервомеханизма, который и выключает сцепление.
Когда педаль возвращается в исходное положение действием пружины 12, системы тяг и рычагов также возвращаются в исходное положение.
Шток сервомеханизма занимает исходное положение. Сцепление при этом включается.
Регулировка механизма управления сцеплением автогрейдера ДЗ-98
Установить рычаг 11 по имеющимся меткам на рычаге и кронштейне, что соответствует запертому положению фиксаторов коробки передач.
При нажатии на педаль сцепления автогрейдера ДЗ-98 фиксаторы должны быть разблокированы, т.е. валик вилки может передвигаться в осевом направлении.
В случае нарушения регулировки блокировки переключение передач затрудняется или становится невозможным;
Установить зазор между роликом и поверхностью штока сервомеханизма в пределах 0,3…0,7 мм (при отпущенной педали сцепления).
Данный зазор необходим для создания свободного хода педали и предупреждения случаев поджима штока, при которых происходит частичное выключение сцепления автогрейдера ДЗ-98.
Регулировка механизма управления сцеплением осуществляется изменением длины тяг 10 и 13 (рис.20).
После регулировки тяг проверить положение рычага 11. Это необходимо для четкой работы блокировки валиков переключения передач.
_______________________________________________________________________________________
_______________________________________________________________________________________
_______________________________________________________________________________________
_______________________________________________________________________________________
_______________________________________________________________________________________
_______________________________________________________________________________________
_______________________________________________________________________________________
_______________________________________________________________________________________
specautotex.ru
Соединительные муфты и муфты сцепления автогрейдера
Категория:
Трансмиссии автогрейдеров
Публикация:
Соединительные муфты и муфты сцепления автогрейдера
Читать далее:
Соединительные муфты и муфты сцепления автогрейдера
Соединительные муфты. Соединительные муфты служат для передачи крутящего момента от двигателя к трансмиссии. Соединительная муфта обеспечивает упругое соединение ведущего и ведомого элементов, допуская незначительные погрешности в соосности и перекосы, возможные при установке агрегатов.
Соединительная муфта автотрейдера ДЗ-98 (рис. 9) крепится к маховику двигателя. Она состоит из наружной полумуфты, двенадцати резиновых пальцев и внутренней полумуфты. Резиновые пальцы вставлены в цилиндрические расточки, образованные обеими полу муфтами в собранном виде. Фиксируются пальцы в продольном направлении с по- P7tonh мощью двух пружинных колец. Основной неисправностью соединительной муфты является срез пальцев, который происходит главным образом при работе двигателя на холостом ходу с низкой частотой вращения до 500 об/мин.
Для удаления срезанных и установки новых пальцев необходимо через люк вынуть кольцо из паза.
Рекламные предложения на основе ваших интересов:

Рис. 9. Соединительная муфта автогрейдера ДЗ-98:
1 — маховик двигателя, 2 — наружная полумуфта, 3 —резиновый палец, 4 — пружинное кольцо, 5 — люк в картере, б — внутренняя полумуфта
Муфты сцепления. Муфта сцепления предназначена для соединения и отсоединения коленчатого вала двигателя от трансмиссии при переключении передач и торможении автогрейдера. Кроме того, муфта сцепления предохраняет трансмиссию при значительных перегрузках, что обеспечивается возможным пробуксовыванием элементов муфты.
Муфта сцепления автогрейдера ДЗ-98 (рис. 10) установлена в блоке трансмиссии. Это двухдисковая муфта, которая в нормальном состоянии включена (постоянно замкнутая). При переключении передач муфту сцепления выключают, т. е. принудительно разводят диски. Эта мУфта называется сухой, так как крутящий момент передается сжатым пакетом дисков за счет сухого трения между ними.
При сжатом пакете дисков крутящий момент от двигателя через пакет и шлицевые соединения ведомых дисков и зубчатый барабан передается первичному валу коробки передач. Разжимается пакет дисков с помощью трех рычагов, шарнирно закрепленных на фланце. Нижние концы рычагов упираются в ползун муфты выключения.

Рис. 10. Муфта сцепления автогрейдера ДЗ-98:
1, 3, й, 5 —диски, 2~ зубчатый барабан, 6 — рычаг, 7— гайка, в —вилка, 9 — муфта выключения, 10 — тормозок, 11 — вал коробки передач, 12 — ползун, 13, 14 — пружины, 15 — фланец
При выключении муфты сцепления муфта перемещается в сторону тормозка, который предназначен для остановки свободно вращающихся после отжатия дисков ведомых деталей. Это необходимо для обеспечения легкого включения коробки передач.
Для снижения усилия на педали управления муфтой сцепления меняется усилитель или сервомеханизм гидравлического типа
При работе автогрейдера и включенной муфте сцепления шток сервомеханизма находится в верхнем положении. Рабочая жидкость гидросистемы от насоса поступает к порционеру, в котором поток а разделяется на два (как показано стрелками).

Рис. 11. Сервомеханизм управления муфтой сцепления автогрейдера ДЗ-98:
1 — поршень, 2 — клапан, 3 — шток, 4 — стакан, 5, 8 — рычаги, 6 — тяга, 7 — шаровая гайка»
9 — ролик, 10 — порционер; а — подвод масла, б — слив масла
Один из потоков поступает в надпоршневое пространство Г сервомеханизма, другой — к выходу на распределитель рулевого механизма (по-
Из полости Г по сверлениям в поршне масло поступает в полость Д, а оттуда в бак (поток б). Давление в полости Г незначительное, поэтому поршень неподвижен. При нажатии на педаль сцепления, связанную системой рычагов со штоком, последний и клапан опускаются, перекрывая конусом сверления в поршне и, следовательно, прекращая слив масла из полости Г в полость Д.
В полости Г давление масла начинает возрастать, и поршень под действием этого давления перемещается вниз, нажимая на ролик рычага, который через рычаг и тягу воздействует на вилку (см. рис. 10) механизма выключения муфты.
Момент размыкания дисков муфты сцепления соответствует давлению жидкости в полости Г, равному 16 кгс/см2. При повышении давления в полости Г свыше 38 кгс/см2 и дальнейшем нажатии на шток открывается клапан и масло перепускается на слив через отверстия в стакане клапана.
При снятии ноги с педали шток возвращается в исходное положение и диски под действием пружин (см. рис. 10) сжимаются.
При неисправности гидросистемы муфта сцепления может выключаться механически нажатием штока на поршень и ролик, однако усилие нажатия на педаль при этом возрастает до 70 кгс, что может допускаться только в аварийных случаях.
Механизм управления муфтой сцепления представляет собой систему рычагов и тяг, передающих усилие от нажатой педали управления в кабине машиниста штоку сервомеханизма. Возврат педали сцепления в исходное положение (для включения муфты) обеспечивается оттяжной пружиной.
Муфту сцепления автогрейдера ДЗ-98 регулируют одновременно с сервомеханизмом.
Отвернув гайки (см. рис. 10) и шаровую гайку (см. рис. 11) устанавливают между дисками тормозка проставку размером мм (см. рис. 10). После этого шаровую гайку завертывают до тех пор, пока поршень не упрется в клапан. Затем, отпустив шаровую гайку на восемь оборотов, обеспечивают между клапаном и поршнем зазор, равный 4—5 мм. Кроме этого с помощью гаек (см. рис. 10) между рычагами 6 и торцом муфты выключения устанавливают зазор £ = 0,54-0,8 мм.
В процессе эксплуатации сервомеханизм не требует никаких регулировок.
При техническом обслуживании муфты сцепления следят за состоянием накладок дисков, обращая особое внимание на их износ, замасливание, проверяют зазоры между отжимными рычагами и муфтой выключения, а также в тормозке.
В соответствии с картой смазки смазывают выжимные подшипники, шарнирные соединения осей и рычагов механизмов управления и т. д.
Рекламные предложения:
Читать далее: Коробки передач автогрейдеров
Категория: – Трансмиссии автогрейдеров
Главная → Справочник → Статьи → Форум
stroy-technics.ru
Запчасти к грейдерам ДЗ-98, ДЗ-122, ДЗ-143 и ДЗ-180
4-4. Муфта сцепления ДЗ-98.10.02.000-1
|
dz-122.ru

Добавить комментарий