Мтз 82 схема гидравлики: Схема гидравлики МТЗ 82
Устройство гидрораспределителя МТЗ 82: неисправности и ремонт
Наряду с механическим приводом машин? трактор МТЗ-82(80) оборудован механизмами позволяющими, передавать мощность трактора с помощью давления масла. Распределение, а так же управление потоками масла под давлением осуществляет специальный узел гидросистемы трактора – гидравлический распределитель.
Гидрораспределитель МТЗ 82 обеспечивает комфортное агрегатирование и распределение давления рабочей жидкости на все силовые гидравлические узлы машин (гидроцилиндры, гидромоторы) и оборудования, используемые в комплексе с трактором. Путём распределения узел обеспечивает одновременно управление тремя гидроприводными органами.
Конструкция распределителя
Гидрораспределительный узел МТЗ 82 (80) — Р75-33Р(ГОСТ 8754-71)
- Р – распределитель
- 75 – пропускная способность узла литров в минуту
- 3-тип золотника конструкция которого не дает фиксации в положении «опускание»
- 3 –количество золотников в конструкции узла
- Р— узел предназначен для работы с силовым, позиционным регулятором
Конструкция выполнена в отдельном чугунном корпусе с тремя вертикальными, сквозными посадочными каналами золотников и одним каналом для перепускного клапана.
Сверху и снизу корпус закрывается алюминиевыми, цельнолитыми крышками. Соединительные плоскости крышек и корпуса уплотнены прокладками и стянуты винтами.
Гидрораспределитель МТЗ 80(82) Р75-33Р
Распределитель имеет три рабочие магистрали потока рабочей жидкости, размещенные перпендикулярно ходу переключения положения золотников; нагнетательная магистраль «
Золотники перекрывают и открывают рабочие магистрали дросселирующими выточками.
Управление осуществляется рычагами, которые размещены в нижней крышке распределителя. Рычаги соединены с золотниками через сферическое сочленение 9 с пластиковыми вкладышами 10 и уплотнительным кольцом 8. Снаружи сочленение закрыто резиновым пыльником 6. Три золотника позволяют управлять одновременно тремя рабочими гидроприводными установками.
Принцип работы
Каждый золотник в зависимости от заданного положения работает в четырёх режимах:
- «Нейтральное» – среднее между крайним верхним «подъёма» и нижним положением «опускания». Перепускной клапан открыт и сбрасывает рабочую жидкость в слив. Золотники перекрывают все каналы, тем самым фиксируют ранее заданное положение гидроприводных органов.
- «Подъём» — первое верхнее положение после «нейтрального».
Перепускной клапан закрывает сливную полость. Золотник пропускает масло из нагнетательного канала в магистраль подъёма цилиндра. - «Принудительное опускание» — нижнее положение перед крайним «плавающим». Перепускной клапан закрывает сливную полость. Золотник пропускает масло из нагнетательного канала в магистраль обратной полости гидроцилиндра.
- «Плавающее» — крайнее нижнее положение рычага. Перепускной клапан открыт и сбрасывает поступающую от насоса рабочую жидкость в слив.В таком положении рабочая жидкость свободно перетекает в обе стороны из обеих полостей гидроцилиндра. Гидроцилиндр находится в свободном положении и реагирует на действие внешних условий и собственной тяжести машины. Таким образом, это позволяет рабочим органам агригатируемой машины копировать рельеф при обработке почвы и держать стабильность глубины обработки.
Работа фиксатора золотника
Золотники оснащены пружинно-клапанным механизмом автоматического возврата в нейтральное положение 3 и шариковыми фиксаторами, которые удерживают его в выбранном положении.
Шариковый клапан автоматического возврата срабатывает при превышении в системе давления 12,5-13,5 мПа. Превышение давления возникает при выходе гидроцилиндра в крайнее положение в соответствующем положении подъёма и принудительного опускания, а так же при возникновении перегрузки системы.
Гидрораспредельный узел оснащен устройством аварийного сброса давления 20. Предохранительный клапан отрегулирован на сброс давления превышающее значение от 14,5 до16 мПа. Регулировка производится винтом 18, изменяющим степень сжатия пружины шарикового клапана 17. Срабатывание устройства происходит при несрабатывании механизма — автомата золотника и перепускного устройства.
Распространенные неисправности распределителя МТЗ
Не поднимается навесное оборудование
Причиной может быть попадание под перепускной клапан мусора попавшего в гидросистему. В этом случае перепускной клапан не закрывается — рабочая жидкость направляется в сливную полость.
Распределитель не реагирует на переключения положения золотников. Устраняется: откручивают два болта крышки перепускного клапана, демонтируют пружину с клапаном и удаляют мусор.
В ситуации отсутствия или снижения грузоподъёмности гидравлики трактора сопровождающейся перегревом масла в системе, при возникновении свистящего звука в положении рычага «подъём», свидетельствует о падении уровня масла и подсоса воздуха в систему.
Не фиксируется навесное оборудование в поднятом положении
Причина — разгерметизация гидрорукавов высокого давления и соединительных гидромуфт, износ компрессионного уплотнения поршня или штока силового гидроцилиндра, износ золотников узла, появление раковин на перепускном клапане, препятствующих плотному закрыванию клапана.
Не опускается, поднимается не навесное оборудование
Причина — засорение рабочих магистралей распределителя блокирует проход масла. Управление потоками масла невозможно. Устраняют: разбирают и производят промывку, и чистку магистралей, а так же диагностику работы клапанов.
Навесное оборудование резко падает вниз
Это свидетельствует о внезапном падении давления в системе; при разрыве маслопроводов и падении уровня рабочей жидкости, резкого завоздушивания системы. Устраняют: замена поврежденных трубопроводов, проверяют затяжку сочленений системы, доливают масло до требуемого уровня.
Не срабатывает автоматический переход в нейтральное положение при полном поднятии или опускании гидроцилиндра
Причина-неисправность шарикового клапана «автоматического выключения фиксатора положения золотника». Устраняют; производят разборку, заменяют изношенные детали клапана и фиксатора.
Диагностика
Проверку распределителя производят после проверки производительности шестирёнчатого гидронасоса системы на номинальных оборотах двигателя, установив количество выданной рабочей жидкости литров в минуту работы.
Прибор КИ 5473 подключают к рабочим выводам узла вместо гидроцилиндра. Включают рычаг узла в положение «подъем». Если значение падает больше чем на 5 литр./мин распределитель снимают для проведения ремонта.
Прибор диагностики гидрораспределителя.
Подключение гидрораспределителя
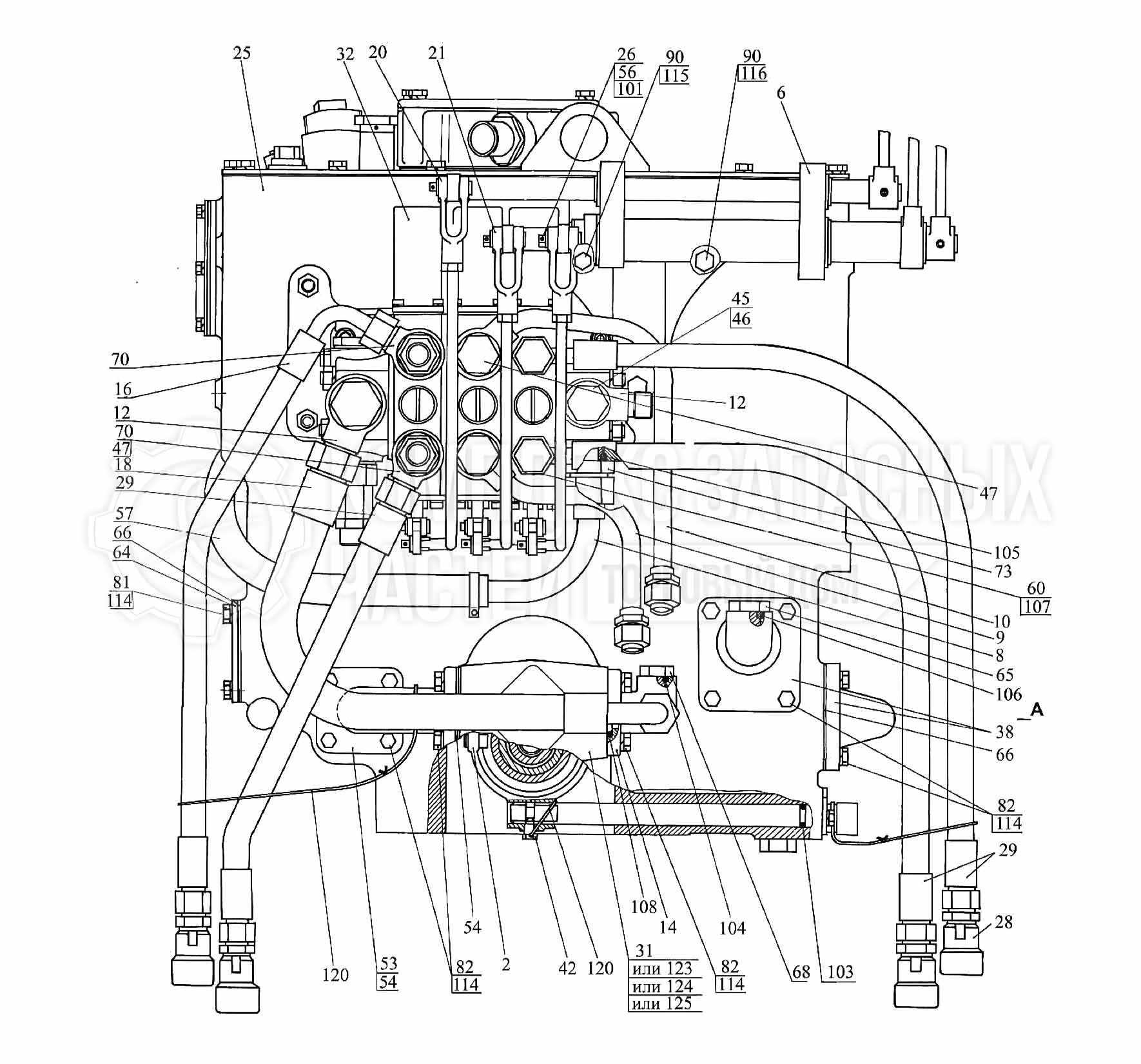
На МТЗ 82 (80) узел расположен на передней стенке внутри кабины под приборной панелью управления. Рычаги управления связанны с золотниками через ось и тяги с шарнирными соединениями выведены на правую сторону панели. Конструкция распределителя позволяет, при переносе узла в другое место или установке на другие модели тракторов, модифицировать расположение рычагов, переустанавливая крышку с выходами под рычаги на другую сторону корпуса распределителя. Для удобного подключения к гидросистеме и гидравлическому оборудованию крайние секции узла имеют фронтальные и дублирующие боковые выходы подъёма и опускания. Кроме этого, одновременное подключение к двум выходам золотника позволяет управлять одновременно двумя гидроцилиндрами.
В конструктивно удобные отверстия подключают трубопроводы, остальные закрываются заглушками.
Резьбовые отверстия помеченные буквой «П» подключают трубопроводы предназначены для полости подъёма гидроцилиндра, другие отверстия подсоединяют трубопроводы соединяющие полость опускания.
Для герметического соединения трубопроводов штуцера уплотняются медными шайбами и резиновыми кольцами — сальниками. Стандартно один золотник распределителя подсоединен к силовому гидроцилиндру задней навески трактора и два золотника используют для гидропривода выносного гидрооборудования.
При нехватке трех секций распределителя для гидропривода и управления оборудованием на трактор устанавливают дополнительный распределитель. Существует два способа подключения: последовательное подключение и параллельное.
В первом случае второй гидрораспределитель запитывают от одной из секций основного распределителя подключая выход подъема к нагнетательному каналу второго распределителя.
Выход обратного хода рабочей жидкости, используемого золотника основного узла для запитки доп. распределителя, закрывают заглушкой. Сливную полость второго распределителя, так же соединяют с гидробаком системы. Активируют распределитель, фиксируя подключенный золотник в положении «подъем». Таким образом, получают пять рабочих управляемых потоков для привода гидрооборудования. Недостатком является потеря одной рабочей секции и зависимость производительности работы второго распределителя от технического состояния первого узла.
Параллельное подключение осуществляют, устанавливая на магистраль высокого давления, идущего от насоса, гидравлический трёхходовой кран-тройник. Кран разделяет общий поток рабочей жидкости на два потока для подсоединения двух узлов и позволяет переключать поток масла. При переходе работы с одного распределителя на другой соответственно переключают краном поток масла. Патрубки для слива, идущие от распределителей, соединяют тройником. Если на тракторе используется силовой регулятор, один распределитель подключяют к регулятору.
Второй канал управления перепускным клапаном дополнительного распределителя глушат пробкой. Таким образом, система получает шесть рабочих потоков, три из которых работают с силовым регулятором. Недостатком такого подключения является, невозможность одновременной работы секциями на разных распределителях не переключая кран.
В зависимости от размещения гидровлического оборудования дополнительный распределитель размещают на задней стенке кабины или на правой передней стенке, вместо нижнего смотрового обзорного окна. Узел выносится наружу кабины, рычаги выводятся внутрь.
Так же стоить отметить, что данный тип распределителя и его модификации может быть использован в комплектации гидросистем тракторов ЮМЗ -6, ДТ-75, Т-40, Т-150 и их модификаций.
На более новых модификациях МТЗ 82 (80) установлены аналоги выше указанной марки моноблочного узла Р80-3/4-222 с силовым регулированием и Р80-3/1-222 без регулирования.
Многосекционный распределитель с джостиками.
Другие марки и конструкции распределителей подбирают при комплектации дополнительных гидросистем трактора, учитывая вид выполняемых работ, назначение и количество приводных гидроузлов навесного оборудования. Так при использовании гидроприводного оборудования с большим количеством гидроузлов используют многосекционные распределители. В конструктивном исполнении управления золотниками используют рычаги-джостики, позволяющие одновременно управлять двумя золотниками распределителя, что повышает производительность и эргономику рабочего места водителя.
Навесная гидросистема МТЗ-80, 82 – Грузовые автомобили и спецтехника
Рабочее навесное оборудование трактора МТЗ-80, 82 необходимо для использования мощности трактора при выполнении различных работ в агрегате с сельскохозяйственными машинами и орудиями.
На трактор МТЗ-80, 82 устанавливают следующее рабочее навесное оборудование:
— гидравлическую навесную систему
— вал отбора мощности (ВОМ) МТЗ
— буксирные устройства
— приводной шкив
Навесная гидросистема МТЗ-82,80 служит для присоединения к навесных, полунавесных, прицепных машин и орудий, управления ими с рабочего места оператора.
Она состоит из системы гидравлики и навесного устройства.
С помощью гидравлики поднимают и опускают машины (орудия), присоединенные к трактору. Навесное устройство обеспечивает соединение трактора с сельскохозяйственными машинами (орудиями).
Рис. 1. Схема раздельно-агрегатной гидравлики МТЗ-80/82
1 — насос; 2 — всасывающий патрубок; 3 — нагнетательный маслопровод; 4 — перепускной клапан распределителя; 5 — бак; 6 -маслопровод промежуточный; 7 — распределитель; 8 — фильтр; 9 — предохранительный клапан фильтра; 10 — масломер; 31 — сливной маслопровод; 32 — гидроувеличитель; 13 — правый маслопровод основного гидроцилиндра; 14 — боковые выводы; 15 — силовой регулятор; 16 — запорное устройство; 17 — кронштейн; 18 — рукав высокого давления; 19 — главный цилиндр; 20 — замедлительный клапан; 21 — рычаг поворотного вала; 22 — короткий рычаг; 23 — кронштейн навески; 24 и 35 — гайки; 25 — пружина; 26 — пластинчатая пружина; 27 -серьга; 28 — промежуточный валик; 29 — длинный рычаг; 30 — тяга силового регулирования; 31 — тяга позиционного регулирования; 32 — пружинный аккумулятор; 33 — муфта; 34 — рычаг позиционного регулирования; 36 — рычаг силового регулирования; 37 — переключатель; 38 — маслопровод канала управления; 39 — задний вывод
В обычной комплектации гидравлика МТЗ-80, 82 (рис, 1) состоит из корпуса гидроагрегатов с масляным баком 5, насоса 1, распределителя 7, основного (силового) 19 и выносных гидроцилиндров, гидроувеличителя сцепного веса (ГСВ) 12, маслопроводов 3, 6, 11 и 18.
По заказу потребителя гидросистема дополнительно может комплектоваться узлами автоматического регулирования глубины обработки почвы. На тракторах предусмотрено три пары независимых выводов гидросистемы (боковые 14 и задние 39) для присоединения гидрофицированных машин.
Гидросистема МТЗ-80, 82, оборудованных гидрообъемным рулевым управлением, имеет общую масляную емкость — корпус гидроагрегатов. Однако масло из бака в систему забирается раздельно.
Тракторы с коробкой передач, переключаемой без разрыва потока мощности, или синхронизованной коробкой передач можно, за заявками потребителя, оборудовать системой гидравлического отбора мощности (ГСОМ) для привода активных рабочих органов гидрофицированных машин.
Масляный бак представляет собой резервуар для питания агрегатов гидравлики и гидроусилителя рулевого управления рабочей жидкостью (маслом). Одновременно он служит остовом, к которому крепят основные агрегаты гидросистемы, поэтому его также называют корпусом гидроагрегатов.
В баке масло очищается от механических примесей, проходя через специальный фильтр 8, отстаивается от попавших в него пузырьков воздуха и охлаждается.
В нижней части корпуса гидроагрегатов трактора расположен масляный насос 1 с приводом. С правой по ходу трактора стороны внизу корпуса расположена сливная пробка. В верхней крышке бака установлены заливная горловина, масломер 10, сапун, заливной фильтр.
Масломер (щуп) выполнен в виде стержня, на котором нанесены буквы-метки О, П и С (О — нижний уровень, П — верхний, С — верхний уровень для работы с самосвальными машинами, требующими большого количества масла).
Поступающее от распределителя в бак масло проходит через сливной фильтр, очищаясь в нем от посторонних примесей.
Если фильтр загрязняется и его сопротивление достигает 0,245-0,343 МПа, открывается предохранительный клапан и часть масла сливается в бак, минуя фильтр. Фильтрующий элемент состоит из наружной латунной сетки с ячейкой между проволочками 0,08 мм и внутренней стальной сетки с большими ячейками.
Шестеренный масляный насос НШ-32 предназначен для создания в системе рабочего давления. На тракторах устанавливают насосы правого вращения.
Насос приводится в действие от промежуточной шестерни привода заднего вала отбора мощности ВОМ, которая постоянно вращается при работающем двигателе. Насос НШ-32 прикреплен к корпусу 1 гидроагрегатов с помощью центрующего стакана 7 (рис. 2) и четырех шпилек.
Шлицевой хвостовик 10 ведущей шестерни насоса сопрягается с внутренними шлицами втулки вала 20, на наружные шлицы которого посажена подвижная шестерня 3 включения насоса.
Рис. 2. Привод насоса НШ-32 трактора МТЗ-80, 82
1 — корпус гидроагрегатов : 2 и 4 — подшипники; 3 — шестерня привода; 5 — уплотнительное кольцо; 6 — стакан; 7 и 11 — стопорные кольца; 8 — насос; 9 — всасывающий патрубок; 10 — хвостовик ведущей шестерни; 12 — пластинка; 13 — промежуточная шестерня; 14 — стопорный болт; 15 — вилка; 16 — вал; 17 — фиксирующая пластина; 18 — рукоятка; 19 -фиксатор; 20 — шлицевой вал
Если в использовании гидравлического навесного оборудования МТЗ-80, 82 нет необходимости, насос нужно отключить, для чего установить рукоятку 18 (см.
рис. 6.3) в нижний паз стопорной пластины 17.
Шестерню 3 включают-выключают поворотом рукоятки 18, установленной на валу, на котором также закреплена вилка 15 управления шестерней 3. Пальцы вилки 15 заходят в кольцевую проточку шестерни 3.
Насос НШ-32 включают при небольшой частоте вращения коленчатого вала двигателя. При вращении шестерен 5 и 6 (см. рис. 6.2) порции масла, заключенные в пространстве между контуром впадины зуба и окружностью расточки корпуса 4, перемещаются к нагнетательной полости.
Поступающее масло создает в полости высокое давление. Обратный выход масла во всасывающую полость закрыт зубьями, находящимися в зацеплении, и маслу остается только один путь — в нагнетательную магистраль.
Часть масла просачивается через зазоры между зацепляющими зубьями шестерен, между корпусом и наружным диаметром шестерен, а также по их торцевым поверхностям.
Для уменьшения этих потерь боковые поверхности зубьев, расточки корпуса, наружные диаметры и торцы шестерен точно обработаны.
Объемная подача насоса 45 л/мин при частоте вращения коленчатого вала двигателя 2200 мин1.
Неисправности рабочего оборудования гидросистемы МТЗ-80, 82
Навесное орудие не поднимается или не опускается
Отсутствует масло в баке — Залить масло в бак.
Не включен насос гидросистемы — Включить насос.
Холодное масло — Дать поработать двигателю с включенным насосом гидросистемы 15-20 мин., затем, манипулируя рычагом управления гидроцилиндром навески, прогреть масло до температуры 30°С.
Масло не поступает в гидроцилиндры трактора МТЗ-80, 82 — Проверить работу перепускного клапана распределителя.
Перекрыто проходное сечение в запорном устройстве — Завернуть до отказа накидные гайки запорных устройств.
Самопроизвольное перекрытие проходного сечения клапаном гидромеханического регулирования хода поршня — Установить рукоятку распределителя в положение «Опускание» и перевести на «Подъем».
Повышенный нагрев масла при работе гидросистемы трактора МТЗ-82, 80
Недостаточное количество масла в баке — Проверить уровень масла и, при необходимости долить до верхней прямой линии экрана в смотровом окне.
Загрязнен фильтр масляного бака — Промыть фильтр.
Погнуты или смяты маслопроводы — Устранить вмятины или замените маслопровод.
Частично перекрыто проходное сечение в запорном устройстве — Подтянуть до отказа накидную гайку.
Сельскохозяйственное орудие поднимается медленно
В баке мало масла — Долить масло.
На рабочей кромке гнезда перепускного клапана находятся посторонние частицы, например, кусочки резины — Отвернуть болты, крепящие упор к корпусу, снять упор, вынуть перепускной клапан, осмотреть и очистить его коническую часть и кромку гнезда клапана.
Подсос воздуха во всасывающую магистраль системы — Проверить состояние маслопроводов от масляного бака до насоса, подтянуть соединения трубопроводов.
Изношено резиновое уплотнительное кольцо направляющей перепускного клапана — Вынуть направляющую и заменить уплотнительное кольцо.
Хвостовик (цилиндрическая часть) перепускного клапана туго ходит в направляющей или неподвижен — Промыть клапан и направляющую в дизельном топливе.
Неисправен насос гидросистемы трактора МТЗ-80, 82 (не создает необходимого давления) — Устранить неисправность, при необходимости заменить насос.
Маслопровод от распределителя к цилиндру имеет повышенное сопротивление или не пропускает поток масла — Заменить шланговую часть маслопровода.
При отсутствии запасных шлангов завернуть до отказа накидную гайку запорного устройства, если это не помогает, освободить его от шариков, пружин и крестовин и снова завернуть до отказа накидную гайку.
Отсутствует автоматический возврат рукоятки из рабочего положения
Холодное масло — Прогреть масло, дав поработать системе вхолостую 15-20 мин.
Насос не создает нужного давления — Заменить насос.
Ослабла пружина предохранительного клапана — Отрегулировать нажатие или заменить пружину.
Рукоятка распределителя трактора МТЗ-80, 82 преждевременно автоматически возвращается из рабочего положения («Подъем», «Принудительное опускание») в нейтральное положение при работающей гидросистеме
Неправильно отрегулирована автоматика золотника по давлению — Отрегулировать автоматику или заменить распределитель.
Система перегружена: большой вес орудия или повышенное сопротивление почвы при выглублении орудия (при чрезмерной глубине обработки) — Не работать с орудием, вес которого превышает номинальную грузоподъемность навесного устройства, проверить правильность регулировки заглубления орудия.
Вспенивание масла в баке и выплескивание через заливную горловину
Подсос воздуха в систему во всасывающей магистрали — Проверить состояние и, при необходимости, заменить резиновые уплотнения во всасывающем патрубке, подтянуть крепление всасывающего маслопровода.
Подсос воздуха в систему через самоподжимной сальник вала гидравлического насоса — Проверить состояние самоподжимного сальника, при необходимости заменить сальник.
Орудие не удерживается в транспортном положении
Изношено резиновое уплотнительное кольцо поршня цилиндра — Заменить кольцо.
Изношены золотники или расточки в корпусе распределителя — Заменить распределитель.
Утечка масла наружу через резиновые уплотнения штока поршня или штуцеров трубопроводов — Заменить резиновые уплотнения штока поршня, затянуть штуцера трубопроводов.
Раздельно-агрегатная навесная система гидравлики МТЗ-80, 82 с силовым и позиционным регулированием
Навесное орудие не поднимается при установке рукоятки регулятора в положение «Подъем» или поднимается медленно
Нарушена регулировка тяги управления — Укоротить тягу управления.
Неисправность гидросистемы — Установить рукоятку регулятора в положение «Регулятор выключен», а рукоятку распределителя — в положение »Подъем». Если орудие при этом не поднимается, то неисправность не связана с регулятором.
Навесное орудие не поднимается (или поднимается медленно) при управлении распределителем и поднимается при управлении регулятором (с ГСВ)
Рукоятка рычага управления регулятором не установлена на фиксатор — Установите рукоятку на фиксатор.
Нарушена регулировка сектора механизма управления регулятора — Отрегулировать положение сектора.
Навесное орудие не опускается при установке рукоятки регулятора на первые зубья сектора в начале зоны регулирования
Нарушена регулировка тяги управления — Удлинить тягу управления.
Не включается позиция Принудительное опускание при управлении распределителем
Нарушена регулировка болта-упора на секторе управления — Отрегулировать положение болта-упора, сместив его по прорези сектора по часовой стрелке.
При силовом регулирование обеспечивается малая глубина пахоты
Недостаточная чувствительность системы; центральная тяга навесного механизма установлена в средних или нижних отверстиях серьги датчика — Установить центральную тягу на верхние отверстия серьги.
Нарушена регулировка тяги силового регулирования — Отрегулировать.
При «Силовом регулировании» не обеспечивается достаточная глубина пахоты в крайнем положении рукоятки регулятора «От себя»
Затуплены лемеха плуга — Заменить или заточить лемеха плуга.
Центральная тяга установлена на верхние отверстия серьги датчика — Установить центральную тягу на средние отверстия, если глубина все же недостаточная, установить тягу на нижние отверстия.
Резкие толчки, передающиеся на трактор от орудия при силовом регулировании
Большая скорость коррекции — Повернуть ручку крана вперед по ходу трактора до исчезновения толчков.
Повышенный нагрев масла в навесной гидросистеме трактора МТЗ-80, 82
Ручка крана регулятора находится в крайнем по ходу трактора положении — Повернуть ручку крана назад по ходу трактора до упора и затем поворачивать вперед до исчезновения резких толчков.
Зависание обратного или предохранительного клапана ГСВ — Промыть детали клапанов.
Нарушена регулировка сектора механизма управления регулятором — Отрегулировать положение сектора.
Рукоятка рычага управления регулятором не установлена на фиксатор — Установить рукоятку на фиксатор.
Рычаг управления распределителем находится в положении «Подъем» — Установить рычаг в нейтральное положение.
При установке рукояток управления выносными цилиндрами в позицию «Подъем» или «Принудительное спускание» орудие поднимается
Рукоятка регулятора не установлена на фиксатор (в положение выключено) — Установить рукоятку на фиксатор.
Нарушена регулировка сектора механизма управления регулятором — Отрегулировать положение сектора.
Буксование задних колес не снижается при включении ГСВ
Заедание золотника автоматической подзарядки в корпусе ГСВ — Снять золотник и промойте детали.
Нарушена регулировка тяги рычага управления основным цилиндром — Отрегулировать длину тяги рычага, управляющего основным цилиндром.
Орудие не удерживается в транспортном положении
Утечка масла через уплотнительные кольца поршня гидроцилиндра МТЗ-80, 82 — Заменить уплотнительные кольца.
Утечка через запорный клапан ГСВ — Обеспечить плотное прилегание шарика к гнезду клапана.
Изношены золотники или расточки в корпусах распределителя или ГСВ — Заменить распределитель или ГСВ.
Рукоятка на регуляторе не находится в положении «регулятор выключен» — Установить рукоятку на фиксатор.
Нарушена регулировка положения сектора механизма управления регулятором — Отрегулировать положение сектора.
Негерметичность но обратному или запорному клапанам регулятора — Вынуть и промыть детали клапанов, при необходимости заменить детали клапана (шарик).
Неравномерный подъем навесного орудия в поперечно-вертикальной плоскости
Неправильно отрегулированы или установлены раскосы — Установить и отрегулировать раскосы согласно рекомендациям по агрегатированию машины.
Износ или поломка шлицев одного из рычагов — Заменить вал и рычаги.
Навесная машина в поднятом положении раскачивается в поперечном направлении выше нормы
Не правильно отрегулированы стяжки навесного устройства — Отрегулировать натяжение стяжек.
ВОМ не передает требуемый крутящий момент («буксует»)
Нарушена регулировка лент тормозов — Отрегулировать натяжение лент.
Упирание рычага включение ВОМ в полик кабины — Отрегулировать положение рычага.
Беларус 820 и Беларус МТЗ-82 ••• AGRIster
Сравнить тракторы: Беларус 820 и Беларус МТЗ-82
Беларус 820 и Беларус МТЗ-82 сравнить – общая информация
| Технические характеристики 90 011 | Беларусь 820 | Беларусь МТЗ-82 |
|---|---|---|
| Торговая марка | Беларусь | Беларусь |
| Модель | Беларусь 820 | Беларусь МТЗ-82 |
| Серия | н. д. | н.д. |
| Предыдущая модель | – | – |
| Следующая модель | – | – |
| Меньший | – | – |
| Больше | – | – |
| Годы | с 1977 по 1996 г. | с 1975 по 1977 г. |
| Кабина с ROPS | Нет | Нет |
| Отзывы | Беларусь 820 отзывов Новинка! | Беларусь МТЗ-82 отзывы Новинка! |
Беларус 820 против Беларус МТЗ-82 – производительность
| Характеристики | Беларусь 820 | Беларусь МТЗ-82 |
|---|---|---|
| Максимальная мощность (л.с./кВт) | 81 км (60,4 кВт) | 80 км (59,7 кВт) |
| Число оборотов двигателя | н.д. | 2200 об/мин |
| Расход топлива | н. д. | н.д. |
| Емкость топливного бака | н.д. | н.д. |
| Макс. скорость | н.д. | н.д. |
Беларус 820 против Беларус МТЗ-82 – двигатель
| Характеристики | Беларусь 820 | Беларусь МТЗ-82 |
|---|---|---|
| Тип топлива | Дизель | Дизель |
| Производитель двигателя | Беларусь | МТЗ |
| Модель двигателя | Беларусь | МТЗ Д240 |
| Тип двигателя | Дизель (дизельный двигатель) | Дизель (дизельный двигатель) |
| Объем двигателя | 4,7 л. | 4,7 л. |
| Ходы, кол-во | н.д. | н.д. |
| Цилиндры | 4 | 4 |
| Сжатие | н.д. | н. д. |
| Отверстие | 110 мм | 110 мм |
| Ход | 125 мм | 125 мм |
| Максимальный крутящий момент | н.д. | н.д. |
| Воздушный фильтр | н.д. | н.д. |
| Топливный фильтр | н.д. | н.д. |
| Камеры топливного фильтра, кол-во | н.д. | н.д. |
| Масляный фильтр | н.д. | н.д. |
| Масляный насос | н.д. | н.д. |
| Регулятор скорости (контроль) | н.д. | н.д. |
| Нагнетательный насос | н.д. | н.д. |
| Форсунки | н.д. | н.д. |
| Давление впрыска | н.д. | н.д. |
| Система охлаждения | двигатель с жидкостным охлаждением | двигатель с жидкостным охлаждением |
| Принудительное охлаждение | н. д. | н.д. |
| Охладитель | Да | Да |
| Термостат | Да | Да |
| Тип охладителя | трубчато-пластинчатый охладитель | трубчато-пластинчатый охладитель |
| Емкость системы охлаждения | н.д. | н.д. |
| Муфта | н.д. | н.д. |
Беларус 820 vs Беларус МТЗ-82 – турбокомпрессор
| Технические характеристики | Беларусь 820 | Беларусь МТЗ-82 |
|---|---|---|
| Турбокомпрессор | Нет | Нет |
| Двойной турбонагнетатель | Неприменимо | Неприменимо |
| Интеркулер | Неприменимо | Неприменимо |
| Доохладитель | Неприменимо | Неприменимо |
| Перепускной клапан | Неприменимо | Неприменимо |
| Изменяемая геометрия | Неприменимо | Неприменимо |
| Дополнительные параметры | – | – |
Беларус 820 vs Беларус МТЗ-82 – электроника
| Технические характеристики | Беларусь 820 | Беларусь МТЗ-82 |
|---|---|---|
| Напряжение питания стартера (В) | н. д. | н.д. |
| Заземление | н.д. | н.д. |
| Аккумулятор (В) | н.д. | н.д. |
| Аккумулятор, шт. | н.д. | н.д. |
| Система зарядки | Генератор | Генератор |
| Производитель системы зарядки | н.д. | н.д. |
| Зажигание | Руководство | Руководство |
| Задний стоп-сигнал | Да | Да |
| Фонарь задний сельскохозяйственный | н.д. | н.д. |
| Лампа для петушков | Нет | Нет |
Беларус 820 vs Беларус МТЗ-82 – ВОМ
| Технические характеристики | Беларусь 820 | Беларус МТЗ-82 |
|---|---|---|
| ВОМ об/мин | 540 об/мин | 540 об/мин |
| Управление отбором мощности | руководство | руководство |
Беларус 820 vs Беларус МТЗ-82 – тормоза
| Технические характеристики | Беларусь 820 | Беларусь МТЗ-82 |
|---|---|---|
| АБС | Нет | Нет |
| Тормозной усилитель | Нет | Нет |
| Тормозная система | н. д. | н.д. |
| Дифференциал | Нет | Нет |
| Тип тормоза | н.д. | дисковые тормоза |
| Диски | – | Одноместный |
Беларус 820 против Беларус МТЗ-82 – размеры
| Технические характеристики | Беларусь 820 | Беларусь МТЗ-82 |
|---|---|---|
| Вес | н.д. | от 3820 кг (в зависимости от модели) |
| Вес с ROPS | н.д. | н.д. |
| Вес с кабиной | н.д. | н.д. |
| Длина | н.д. | 3929 мм |
| Высота | н.д. | 2469 мм |
| Ширина | н.д. | 1971 мм |
| Зазор | н.д. | 465 мм |
| Задний зазор | н. д. | н.д. |
| Ширина передней колеи | н.д. | от 1199 мм до 1801 мм |
| Ширина задней колеи | н.д. | от 1351 мм до 2106 мм |
| Колесная база | 2450 мм | 2450 мм |
| Передние шины | 11.2-20 | 8.30-20 |
| Задние шины | н.д. | н.д. |
| Макс. масса прицепа без тормозов | 1500 кг | 1500 кг |
| Макс. масса прицепа с тормозами | н.д. | н.д. |
| Макс. нагрузка на ось | н.д. | н.д. |
| Макс. общий вес | н.д. | н.д. |
| Радиус поворота | н.д. | н.д. |
Беларус 820 vs Беларус МТЗ-82 – привод
| Технические характеристики | Беларусь 820 | Беларусь МТЗ-82 |
|---|---|---|
| Система привода | 4×4, MFWD, 4WD (в зависимости от модели) | 4×4, MFWD, 4WD (в зависимости от модели) |
| Дополнительный | полный привод, все четыре колеса всегда и можно использовать полный, передний ведущий мост, механический привод, передний ведущий мост | полный привод, все четыре колеса всегда и можно использовать полный, передний ведущий мост, механический привод, передний ведущий мост |
| Постоянный полный привод | Да | Да |
| Стационарные системы, постоянно приводящие в действие все колеса | Да | Да |
| Динамическое распределение мощности между осями | н. д., полный привод | н.д., полный привод |
| Независимая подвеска | Нет | Нет |
| Шарнирная подвеска | – | – |
| Гусеничный привод | Нет | Нет |
| Гидростатическое рулевое управление | Нет | Нет |
| Дифференциал | н.д. | н.д. |
| Рулевое управление | стержень | стержень |
| Передние тяги | н.д. | н.д. |
| Задние планетарные передачи | н.д. | н.д. |
| Передние планетарные передачи | н.д. | н.д. |
Беларус 820 vs Беларус МТЗ-82 – гидравлика
| Технические характеристики | Беларусь 820 | Беларусь МТЗ-82 |
|---|---|---|
| Трехточечная сцепка | н. д. | н.д. |
| Трехточечная сцепка, тип | н.д. | н.д. |
| Трёхточечная сцепка | н.д. | н.д. |
| Трехточечная сцепка давления | н.д. | н.д. |
| Датчики нагрузки | Нет | Нет |
| Закрыто | Нет | н.д. |
| Центральный | Нет | Нет |
| Постоянный расход | Нет | Нет |
| Постоянное давление | Нет | Нет |
| Система управления | н.д. | н.д. |
| Насос | н.д. | н.д. |
| Распределитель двухсекционный | н.д. | н.д. |
| Быстроразъемные соединения | н.д. | н.д. |
| Автоподъемник | н. д. | н.д. |
Беларус 820 vs Беларус МТЗ-82 – коробка передач
| Технические характеристики | Беларусь 820 | Беларусь МТЗ-82 |
|---|---|---|
| Синхронная передача | н.д. | н.д. |
| Коробка передач с механической синхронизацией | н/д | н/д |
| PowerShift | Нет | Нет |
| PowerShuttle | Нет | Нет |
| Дополнительный | – | – |
| Гидростатическая трансмиссия | н.д. | н.д. |
| Шестерни переднего хода | 9 | 18 |
| Шестерни заднего хода | 2 | 4 |
| Крипер | н.д. | н.д. |
Беларус 820 vs Беларус МТЗ-82 – комплектация
| Технические характеристики | Беларусь 820 | Беларусь МТЗ-82 |
|---|---|---|
| Вилка | Да (???) | Да (???) |
| Нижняя защелка | н. д. | н.д. |
| Кондиционер | н.д. | н.д. |
Запчасти МТЗ @ PERIKO TEHNIK OÜ
Передний мост, 8 болтов 822-2300020-04, новый тип, оригинальный
Артикул: 03822230002004 , Кол-во: нет в наличии
6015,00 € (5%)
6331,58 €
Кол-во: нет в наличии
Двигатель Д243-91
Артикул: 03D24391 , Кол-во: В наличии
5388,83 € (5%)
5672,45 €
Кол-во: В наличии
Передний мост, 5 болтов 72-2300020-A-01, старый тип, оригинал
Артикул: 0372230002001 , Кол-во: нет в наличии
4058,90 € (5%)
4272,53 €
Кол-во: нет в наличии
Передний мост, 8 болтов 72-2300020-A, старый тип, оригинальный
Артикул: 03722300020 , Кол-во: В наличии
3551,53 € (5%)
3738,46 €
Кол-во: В наличии
Кабина 80-6700010, красная, Польша
Артикул: 03806700010 , Кол-во: нет в наличии
2082,70 € (5%)
2192,32 €
Кол-во: нет в наличии
Комплект кондиционера МТЗ-1025
Konditioneeri radiaator paigaldatakse õliradiaatori asemele.
Õliradiaatori asemel tuleb paigaldada soojusvaheti õlifiltri korpusele. Самути тулеб вахетада вепумба тору. Huvi korral küsige vajaminevate toodete kohta lisaks. КОМПЛЕКТ EI SISALDA KÜLMAAINET!
Артикул: 03КОНДИЦИОНЕР1025 , Кол-во: нет в наличии
1740,65 € (5%)
1832,27 €
Кол-во: нет в наличии
Вахекаст, комплектне 70-1600010, Оригинал
Артикул: 03701600010BY , Кол-во: В наличии
1508,22 € (5%)
1587,60 €
Кол-во: В наличии
МТЗ-82, 82.1, 892 Комплект кондиционера
Konditioneeri radiaator paigaldatakse õliradiaatori asemele. Õliradiaatori asemel tuleb paigaldada soojusvaheti õlifiltri korpusele. Самути тулеб вахетада вепумба тору. Huvi korral küsige vajaminevate toodete kohta lisaks.КОМПЛЕКТ EI SISALDA KÜLMAAINET!
Артикул: 03КОНДИЦИОНЕР82 , Кол-во: В наличии
1435,45 € (5%)
1511,00 €
Кол-во: В наличии
Главная передача переднего моста (правая), 8 болтов 72-2308010-03, оригинал
Артикул: 0372230801003BY , Кол-во: нет в наличии
1398,57 € (5%)
1472,18 €
Кол-во: нет в наличии
Картер сцепления 70-1601015-03, усиленный, Оригинал
Артикул: 0370160101503BY , Кол-во: В наличии
1126,22 € (5%)
1185,49 €
Кол-во: В наличии
Головка блока цилиндров в сборе 50-1003013 (МТЗ-50), оригинал
Артикул: 03501003013 , Кол-во: нет в наличии
770,59 € (5%)
811,15 €
Кол-во: нет в наличии
Вентвылль, турбо 245-1005015-А (Д-240; Д-243; Д-245), Валгевене (ММЗ)
Собиб мототехника Д-240, Д-243 и Д-245Артикул: 032451005015 , Кол-во: В наличии
657,56 € (5%)
692,17 €
Кол-во: В наличии
Комплект гидроусилителя руля МТЗ-82 100C50 (4WD), Premium
Sisaldab valgevene dosaatorpoumpa, ukraina roolisilindrit ning valgevene dosaatorpoumba võlli.

Перепускной клапан закрывает сливную полость. Золотник пропускает масло из нагнетательного канала в магистраль подъёма цилиндра.
д.
д.
д.
д.
д.
д.
д.
д., полный привод
д.
д.
д.
Добавить комментарий