Кс 4361а: Доступ ограничен: проблема с IP
КС-4361 – АСК НЕВА-ХОЛДИНГ
Монтажный кран КС-4361А
| Общие сведения о кране КС-4361А * | |
| *сведения приведены для стрелы 10,5 м | |
| Тип привода | Механический с гидротрасформатором |
| Допустимый уклон места установки крана | 3о |
| Максимальная грузоподъемность главного подъема, м | 16 |
| Скорость поворота, об/мин | 0,4 – 2,8 |
| База, м | 4,12 |
| Колея, м | 2,4 |
| Размеры опорного контура, м | 3,8 х 4,25 |
| 23 | |
| Масса противовеса, т | 1,4 |
| Максимальная нагрузка на грунт (кН) тс | |
| Выносной опоры при работе крана: | |
| передней | (232) 23,25 |
| задней | (196) 19,61 |
| колеса при работе крана: | |
| переднего | (83) 8,35 |
| заднего | (57) 5,76 |
| колеса при транспортировке крана: | |
| переднего | (19) 1,96 |
| заднего | (39) 3,95 |
Габариты крана КС-4361А
Грузовые характеристики крана КС-4361А
| Грузоподъемность, т | Вылет от оси вращения, м | Высота подъема крюка, м | ||
| На выносных опорах | Без выносных опор | |||
| Стрела длиной 15,5 м | ||||
| 9,0 | 5,3 | 5,0 | 15,0 | |
| 4,5 | 2,9 | 8,0 | 14,0 | |
| 3,0 | 1,8 | 11,0 | 11,9 | |
| 2,0 | 1,1 | 13,5 | 9,1 | |
| Стрела длиной 20,5 м | ||||
| 5,3 | 3,1 | 6,5 | 20,0 | |
| 2,5 | 1,5 | 11,0 | 18,1 | |
| 1,65 | 1,05 | 14,0 | 16,0 | |
| 1,2 | 0,75 | 17,0 | 12,8 | |
Стрелы 15,5 метра, 20,5 (Кран без опор)
Стрелы 15,5 метра, 20,5 (Кран на опорах)
Каталог сайтов на www.
uralweb.ru, Краны КС-4361, КС-4361А, запчасти, литература, ремонт и сервисное обслуживание. Каталог сайтов на www.uralweb.ru, Краны КС-4361, КС-4361А, запчасти, литература, ремонт и сервисное обслуживание.- Uralweb
- Рейтинг
- Краны КС-4361, КС-4361А, запчасти, литература, ремонт и сервисное обслуживание.
Сетевое издание Uralweb.ru (18+), Учредитель: Акционерное общество «Цифровое Телевидение»
Зарегистрировано Федеральной службой по надзору в сфере связи, информационных технологий и массовых коммуникаций (Роскомнадзор)
Регистрационный номер и дата принятия решения о регистрации: серия Эл № ФС77-82000 от 18.10.2021 г.,
Главный редактор: Новокшонова Марина Аркадьевна, тел. редакции (343) 214-87-87,
Электронный адрес редакции: news@uralweb.
Все права защищены. Любое использование содержания сайта Uralweb.ru возможно только с предварительного письменного согласия АО «ЦТВ».
По вопросам размещения рекламы обращайтесь по тел. +7(343) 214-87-87, [email protected]
По вопросам размещения информации в разделе «Афиша» [email protected]
Политика конфиденциальности
© 2006- Uralweb.ru Екатеринбург
{“Рейтинг”:”\/rating\/”,”Краны КС-4361, КС-4361А, запчасти, литература, ремонт и сервисное обслуживание.”:””}
Мы используем cookie-файлы
АО «ЦТВ» использует cookie-файлы для улучшения работы и пользования сайта https://www.uralweb.ru/.
Более подробную информацию о Политике АО «ЦТВ» по работе с cookie-файлами можно найти здесь,
о Политике АО «ЦТВ» в отношении обработки персональных данных можно узнать здесь.
Продолжая пользоваться сайтом https://www.uralweb.ru/, Вы подтверждаете, что были проинформированы
об использовании cookie-файлов сайтом https://www.
Вы можете отключить cookie-файлы в настройках Вашего браузера.
Понятно
Дифференциальный золотник 264.27.00 на кран КС-4361А
Технические характеристики: Дифференциальный золотник (на КС-4361А) 264.27.00
Индекс: 264.27.00
Применяемость: КС-4361А
Золотники или как их еще называют золотниковые клапаны, являются неотъемлемой частью любого экскаватора и другой дорожно-строительной техники. Золотники устроены так, что способствуют изменению направления течения жидкости (или газа), проходящего через них. Происходит это благодаря изменению положения перемещающейся части, входящей в их устройство, по отношению к отверстиям, находящимися в неподвижном корпусе.
Существует три основных конструкторских разновидности золотников:
Цилиндрические;
Крановые.
Основная часть коробчатого золотника представлена в виде своеобразной коробки, которая с помощью периодического воздействия золотниковой тяги движется вправо и влево вдоль золотникового зеркала, имеющего в свою очередь отверстия прямоугольной формы.
Таким образом, при определенном его расположении отверстия контактируют либо с замкнутой областью, в которой происходит это движение и которая заполнена рабочим телом, либо со своеобразным полым окном, взаимодействующим с атмосферой.
Существенным недостатком коробчатых золотников является механическая нестабильность движущихся деталей. Рабочее тело, значительно прижимающее корпус к зеркалу, является причиной возникновения существенного трения и, как следствие скорая негодность соприкасающихся деталей и дополнительная энергия для его скольжения.
Таким образом с помощью изменения сущности трения удается значительно увеличить чувствительность всей системы.Наибольшей популярностью, особенно в советскую эпоху, цилиндрический раздвижной золотник Трофимова. Характерной особенностью, выделяющей его среди остальных устройств, является свободное скольжение поршней, находящихся на штоке. При этом поршни могут располагаться друг от друга на определенном расстоянии. Это расположение задается упорными шайбами, закрепленными на штоке. В случае закрытия ограничителя происходит перемещение обоих поршней (его составных частей) по направлению к середине. Таким образом, это является причиной смыкания через выхлопной коллектор рабочих объемов цилиндра. Цилиндрический золотник Трофимова способен функционировать как обыкновенный, при условии открытия ограничителя. Это способствует поступлению паров в полость между поршнями и последующему их движению в противоположные стороны.
Особенностью его конструкции по сравнению с первым является изогнутый вокруг оси движения корпус. Ось в данном случае перпендикулярно направлению перемещения. Такого вида золотник оказывается помещенным в цилиндрическую полость, с изготовленными в ней двумя отверстиями. Совершая качения вокруг вышеупомянутой его оси, таким образом, либо контактирует, либо не контактирует с отверстиями. Кран на пневматическом КС 4361 Технические характеристики. Кран Юргинец Самоходный Пневмоколес X4361A
Грузоподъемное оборудование – это специальные машины, к которым предъявляются особые требования с точки зрения их технических возможностей и обеспечения безопасности и эксплуатационного персонала. В данной статье пойдет речь об агрегате под названием Пневмоколес КС-4361 А. Кран Такое внимание к нему было приковано по ряду причин, ведь его многолетняя служба показала, насколько он эффективен в процессе выполнения погрузочно-разгрузочных, строительных монтажные, монтажные и некоторые другие виды работ.
общие сведения
КС-4361 А – это не просто кран, а, по сути, ряд грузоподъемных машин, созданных на пневмоколесном ходу, способных работать с массой до 16 тонн. Краны этой серии выпускались до самого последнего времени, начиная с 1970 года. При этом за весь период производства было создано более 16 000 единиц этой техники. Как показала практика, автомобиль отлично зарекомендовал себя как в условиях умеренного климата, так и в самых северных и суровых регионах, где температура окружающего воздуха иногда опускается ниже -60 градусов по Цельсию.
Существующие модификации
Кран КС-4361А, характеристики которого будут приведены ниже, на базе моделей К-161 и К-161С, выпускаемых для умеренного и полярного климатических поясов.
КС-4361С – модель для северных регионов, где температура окружающего воздуха может достигать -60°С. Металлоконструкции данной машины изготовлены из низколегированной стали, а шины и уплотнительные элементы – из резины, морозостойкой.
КС-4361А – машина, специально созданная для работы в тропическом поясе.
КС-4362 – кран дизель-электрический.
Параметры
Кран КС-4361А, технические характеристики которого актуальны и по сей день, наделен следующими показателями:
- Грузоподъемность на опорах при максимальном вылете стрелы – 3,75 тонны.
- Грузоподъемность на опорах при минимальном выносе стрелы – 16 тонн.
- Максимальный вылет крюковой подвески -10 метров.
- Минимальный вылет крюка -3.75 метров.
- Скорость подъема основного подъемника -10 м/мин.
- Скорость опускания груза от 0 до 10 м/мин.
- Частота вращения вращающейся платформы – 0,5-2,8 об/мин.
- Скорость передвижения крана самоходным – 15 км/ч.
- Минимальный радиус разворота внешнего колеса 12,2 м.
- Максимально допустимый угол преодоления подъема 15 градусов.
- Кало передние и задние колеса – 2,4 м.
- Общая масса крана – 2.
37 тонн. - Грузоподъемность машины при движении – 9 тонн.
- Длина основной стрелы крана 10 метров.
- Вместимость отапливаемого 1,5 куб. м.
- Длина крана – 14,5 метра.
- Ширина – 3,15 метра.
- Высота – 3,9 метра.
Несколько слов о схеме автомобиля
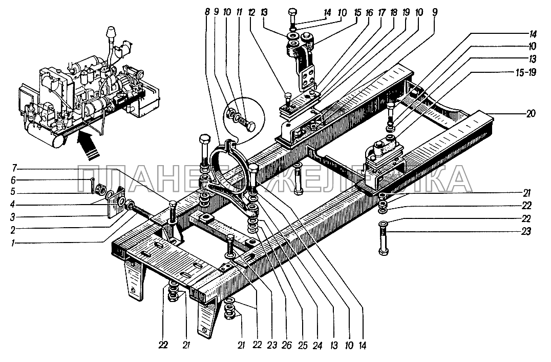
Характеристика крана КС-4361А будет, конечно, неполной, если не привести описание его устройства.Агрегат основан на сварной металлической раме с парой мостов, оба из которых являются ведущими. Передний мост установлен на балансировочной опоре, а это, в свою очередь, позволяет увеличить сцепление колес с подстилающей поверхностью. Угол установки колес регулируется гидроцилиндрами. Задний мост оснащен жесткой подвеской. В центре рамы находится двухступенчатый механический редуктор. Крутящий момент передается на мосты через карданные валы. В редукторах осей установлены как конические, так и цилиндрические шестерни.
Боковые рамы CO-4361A оснащены выносными опорами с винтовыми домкратами.
Установка и складывание этих узлов происходит за счет использования гидравлической крановой системы. В целом опоры позволяют значительно повысить устойчивость всего автомобиля и его грузоподъемность. Рама представляет собой поворотную платформу с основными рабочими узлами крана. Соединение рамы с площадкой осуществляется с помощью двухрядного шарового пульпова с зубчатым венцом.
Каждая из мостовых кранов имеет дифференциальные устройства, позволяющие правому и левому колесу вращаться с разной угловой скоростью.
Силовая установка
Кран КС-4361А оснащен дизельным четырехцилиндровым двигателем, мощность которого составляет 75 лошадиных сил. Название двигателя – СМД-14А. Коленчатый вал силовой установки сопряжен через упругую муфту с турботрансформатором, что, в свою очередь, обеспечивает возможность в определенном диапазоне рабочих скоростей всего крана. Независимо от двигателя монтируется пневматический компрессор. Передача крутящего момента происходит с помощью клинорем.
Компрессор охлаждается за счет специального вентилятора.
Детализация
Кран КС-4361А имеет зубчато-кулачковые муфты, оснащенные гидроприводом. Подъемные узлы приводятся в действие комбинированной системой, включающей пневматику и гидравлику. Лебедки начинают свою работу за счет пневмокамеры, работает и реверсивный привод. Остановка вращения барабанов и жесткая фиксация в заданном положении возможна благодаря наличию ленточных тормозов.
Характерной особенностью крана является то, что барабаны привода стрелы, грузовой крюк и груз установлены на одном валу.
Электрооборудование грузоподъемной машины предназначено для обеспечения наружного и внутреннего освещения, включения и выключения звуковой и световой сигнализации, включения концевых выключателей, запуска двигателя, отопления и вентиляции.
Поворотный механизм
Следует отметить, что поворотный механизм работает на том же двигателе, что и остальные узлы, и детали всего крана. На реверсивном валу закреплены конические шестерни, в зацепление с которыми, в свою очередь, входит зубчатое колесо реверсивно-поворотного механизма.
Сверху на вертикальном валу установлен шариковый подшипник, воспринимающий радиальную нагрузку, а снизу – упорный и сферический двухрядные шариковые подшипники.
Вращение поворотной платформы крана происходит в момент шелеста шестерни шестерни с внутренним зацеплением.
Охрана и рабочее место оператора
Крановщик находится непосредственно в кабине. Пользователь приводит в движение необходимые механизмы с помощью рычагов и ручек. Для обеспечения необходимого уровня защиты водителя в машине используется стрела, выключатель подъема груза, ограничитель груза и указатель вылета стрелы.
Тонкости эксплуатации
Абсолютно любой кран КС-4361А, где номер рамы для всех не сложен, является машиной достаточно опасной в процессе эксплуатации и транспортировки. Поэтому транспортировка агрегата по дорогам должна происходить с помощью тягача со скоростью не более 20 км/ч. В процессе буксировки на кране необходимо включить нейтральную передачу, снять карданный вал на одном из мостов и отключить гидроцилиндры реверса.
Если процесс перевозки КС-4361А планируется по железной дороге, то в этом случае кран следует разобрать на отдельные крупные узлы и детали. Для этого демонтируют пневматические ходовые колеса, обязательно снимают стрелу, разобрали ее на секции. Такая же перевозка выполняется на четырехосной платформе.
В пределах строительной площадки и на незначительные расстояния (до 50 километров) кран вполне может перемещаться и своим ходом, как со стрелкой в транспортном положении, так и с закрепленным грузом.При этом скорость движения должна быть не более 3 км/ч. Рабочая стрела всегда расположена вдоль продольной оси машины.
Конкурентные преимущества и технические характеристики Кран стреловой самоходный на пневмоприводе КС-4361А Юргинец грузоподъемностью 16 тонн.
Кран КСА4361, КС4361А – дизельный одномоторный с гидротрансформатором. В состав рабочего оборудования входят большая стрела длиной 10 м, крюк грузоподъемностью 16 т и грейфер грузоподъемностью 1.5 м3, размещенные на 10- и 15-метровых стрелах.
Сменным оборудованием являются удлиненные стрелы длиной 15, 20 и 25 м, получаемые из основной стрелы вставкой 5-метровых секций, и неуправляемые гусек длиной 6 м. Стрела оборудована ограничителем, предохраняющим ее от наезда на платформу при работе на минимальном вылете
Кран КС-4361А представляет собой модернизированную модель крана КС-4361 с измененной конструкцией кузова и кабиной машиниста. Все основные характеристики крана соответствуют базовой модели КС4361.
Габаритные размеры крана КС-4361А.
Устройство для спуска крана снабжено выносными опорами с винтовыми домкратами, имеющими на концах башмаки.
По площадке кран может передвигаться своим ходом, в том числе с грузом на крюке со скоростью до 3 км/с. . Передвижение с грузом на крюке допускается на площадке по стрелкам 10 – 15 м. направлен вдоль продольной оси крана.
При длинных перекосах метчик транспортируется буксировкой к трактору с помощью сцепки.В процессе переделки крана коробка передач устанавливается в нейтральное положение, гидроцилиндры колес отключаются, снимается карданный вал одного из мостов.
Скорость движения на буксире не должна превышать 20 км/с., а на подъемах и поворотах скорость должна быть снижена до 3 км/с..
По железной дороге кран перевозится на четырехосной платформе. Перед погрузкой крана на платформу снимают все пневмоколеса, отделяют секцию стрелы, укладывая верхнюю секцию на нижнюю.Крановая нагрузка на платформу с помощью монтажного крана грузоподъемностью 25 тн. . При наличии сменных секций стрел они размещаются на второй площадке.
Технические характеристики крана самоходного
КС-4361А.Грузоподъемность Т: | |
На опорах: | |
Без опор: | |
С самым маленьким эластичным крючком | |
С самым большим крючком | |
Отходной крюк м: | |
Минимум | |
Галлест | |
Высота подъема крюка, м: | |
С самым маленьким эластичным крючком | |
С самым большим крючком | |
Скорость: | |
Подъем главного крюка, м/мин | |
Опускание м/мин | |
Частота вращения поворотной платформы, об/мин | |
Движение крана самоходным, км/с. | |
Наименьший радиус поворота (на внешнем колесе) м. | |
Наибольший угол подъема пути град. | |
Двигатель: | |
Мощность, л.с. | |
Колесная колея м: | |
Передний | |
Масса крана т. | |
Включая противовес т. |
Грузоподъемность при движении и преодолеваемом угле подъема в пути в транспортном положении крана КС-4361А
* – Грузоподъемность указывается при расположении стрелок вдоль оси крана.
** – В знаменателе – допустимый угол наклона крана при работе на выносных опорах.
Характеристики основного и сменного стрелового оборудования крана КС-4361А
Устройство – пневмокран KS-4361A
КранКС4361А дизельный одномоторный с гидротрансформатором. В состав рабочего оборудования входят крупная стрела длиной 10 м, крюк грузоподъемностью 16 т и грейфер емкостью 1,5 м3, размещаемые на 10- и 15-метровых стрелах. Сменным оборудованием являются удлиненные стрелы длиной 15, 20 и 25 м, получаемые из основной стрелы вставкой 5-метровых секций, и неуправляемый гусек длиной 6 метров.Стрела снабжена ограничителем, предохраняющим ее от задом на платформу при работе на минимальном вылете.
КранКС4361А является модернизированной моделью крана КС-4361 с измененной конструкцией кузова и кабины машиниста. Все основные характеристики крана соответствуют базовой модели КС-4361.
На кране применена смешанная система управления – пневмогидравлическая. Валы лебедок и реверсов, а также барабаны входят в состав пневмокарманных муфт; Направление движения механизмов поворота и движения крана изменяется реверсивным механизмом и коническими передачами.
Включение реверсивного механизма также обеспечивается пневматическими камерными муфтами. Рабочие скорости крана широко регулируются турботрансформатором, питаемым от крановой гидросистемы.
Устройство для спуска крана снабжено выносными опорами с винтовыми домкратами, имеющими на концах башмаки. По площадке кран может перемещаться своим ходом, в том числе с грузом на крюке со скоростью до 3 км/ч. Передвижение с грузом на крюке допускается на площадке по стреле 10 – 15 м, направленной вдоль продольной оси крана.
При длинных перекосах метчик транспортируется буксировкой к трактору с помощью сцепки. В процессе переделки крана коробка передач устанавливается в нейтральное положение, гидроцилиндры колес отключаются, снимается карданный вал одного из мостов. Скорость движения на буксировщике не должна превышать 20 км/ч, а на подъемах и поворотах скорость должна быть снижена до 3 км/ч.
По железной дороге кран перевозится на четырехосной платформе. Перед погрузкой крана на платформу снимают все пневмоколеса, отделяют секцию стрелы, укладывая верхнюю секцию на нижнюю.
Погрузка крана на платформу осуществляется с помощью монтажного крана грузоподъемностью 25 тонн. При наличии сменных секций стрел они размещаются на второй площадке.
Все исполнительные органы механизмов на кране КС-4361 приводятся через турботрансформатор 35. Посадочные барабаны стрелочного, грузового и вспомогательного (грейферного) механизмов – на общий вал; Таким образом, использовалась одна трехбарабанная лебедка.
Отбор мощности от двигателя к компрессору 32 осуществляется с помощью клиноременной передачи 43 – 44 и карданного вала 33.Вращение от двигателя 34 на турботрансформатор передается через муфту 20, выходной вал турботрансформатора соединен цепной передачей 15 на 36 с валом 9 реверсивного механизма. Вал магистральной лебедки 10 соединен с валом 9 конического реверса зубчатой передачи 16 – 22 и цепной передачи 18 – 23, причем шестерня 16 и звездочка 23 имеют жесткую посадку на валах, а звездочка 18 и зубчатое колесо 22 свободно вращаются. Они включаются с помощью пневмокамерных муфт 19 и 14, размещенных на валах.
В зависимости от того, какая передача включена (цепная или зубчатая), валу 10 сообщается прямое или обратное вращение.
Как видно из схемы, барабан стрелы 13, грузовой барабан 12 основного подъемника и грузовой барабан 11 вспомогательного подъемника имеют свободную посадку на вал и удерживаются ленточными тормозами. Барабаны включаются с помощью пневматических камерных муфт; При этом барабаны разбросаны. На валу 9 установлены конические шестерни 8, находящиеся в постоянном зацеплении с зубчатым колесом 7 вертикального вала 28, находящиеся в постоянном зацеплении с зубчатым колесом 7.Поочередно включают пневмокамеру-концентратор 8, вал 28 реверсируют (вращение по или против часовой стрелки).
Шестерни 6, зубчатые колеса 24 и 26 находятся в постоянном зацеплении, при этом зубчатое колесо 26 свободно посажено на вал. Он включается с помощью кулачковой муфты 27, при этом вал 29 начинает вращаться. Вместе с валом вращается шестерня 25, обкатывая зубчатый венец 5; Происходит вращение вертлюга крана.
Зубчатое колесо 24, находясь в постоянном зацеплении с зубчатым колесом 26, при его вращении также вращается, а поскольку зубчатое колесо 24 имеет шпоночное соединение с валом 30, вращается вместе с ним и валом.Далее вращение передается с помощью вала уравнительной муфты 31, конической передачи 45 – 46 и вала 55 редуктора коробки передач. Шестерни 4 и 48 свободно вращаются на валу 55. Их попеременное включение производится с помощью кулачковой муфты 49. В зависимости от того, какая передача включена муфтой, изменяется частота вращения вала 53, а следовательно, и скорость вращения движение крана.
Шестерня 51 промежуточного вала находится в постоянном зацеплении с шестерней 50 вторичного вала 54, которая с помощью карданных валов 41 и 52 приводит в движение передний и задний мосты.
В состав мостов передней и задней оси входят дифференциальные устройства, обеспечивающие возможность поворота правым и левым колесами с разной скоростью, что очень важно при перемещении крана по криволинейным участкам пути.
Ведущая шестерня 40 главной передачи находится в постоянном зацеплении с зубчатым колесом 42, сидящим на пазах промежуточного вала. От промежуточного вала главной передачи вращение передается через шестерни 38 и 39 на корпус дифференциала и через сателлиты (шестерни) 3 и солнечную шестерню 2 – на полуоси колес крана.На кране КС-4361 с одномоторным приводом при рассмотрении кинематической схемы его механизмов понятие лебедки основного и вспомогательного подъема в полной мере не применимо, так как компоновка механизмов при одномоторном приводе не позволяют четко выделить ту или иную лебедку; Многие элементы кинематической цепи механизмов являются передачами для ряда исполнительных органов. Поэтому к этому крану добавляется только конструкция механизмов, непосредственно связанных с исполнительными органами – барабанами.
Лебедка многоручьевая – КС-4361А.
На общем валу 6 смонтированы три барабана: грузовой 3, вспомогательный (графитовый) 18 и стреловой 5.
Все три барабана имеют шарикоподшипниковую посадку и свободно вращаются на валу. Барабаны включаются с помощью пневматических камерных муфт 1, 7 и 14, жестко соединенных с валом, и удерживаются от свободного вращения или от вращения под действием грузов (нагруженных канатов) ленточными тормозами.
Вал вращается в двухрядных сферических подшипниках опор 2 и 10 и приводится от звездочки 9 или зубчатого колеса 11 с шарикоподшипниковой опорой.Подача колеса осуществляется с помощью пневматической муфты 12. Нарезка вала осуществляется включением цепной передачи с помощью камерной пневматической муфты 19, установленной на реверсивном валу, или включением шестерни 11.
Принцип работы пневматического камерного сцепления основан на трении шины о поверхность шкива барабана под действием сжатого воздуха. Тип муфты по характеру связи фрикционная; По характеру работы и основному назначению – к классу управляемых и муфтовых муфт, позволяющих размыкать и замыкать соединительные соединения.
Муфта состоит из шкива 17, пневмокамеры 16 и шины 15. Воздух в пневмокамеру подается через вращающиеся шарнирные соединения с концов вала 6 (по каналам в нем) и от вала к камерам (по гибким шлангам). При подаче сжатого воздуха в шланге 5 в камеру последняя расширяется и прижимает фрикционную ленту шины 15 к внутренней поверхности шкива барабана 3.
Ленточный тормоз грузовых и грейферных барабанов – КС-4361А
Тормозная лента прилегает к внешней поверхности шкива.Лента 3 состоит из двух частей, соединенных максимально тугим болтом 1. Один конец ленты сильно укреплен пальцем на оболочке, второй конец соединен с проушиной 12. Проушина с рычажной системой соединена с гидроцилиндром тяга 6. Гидравлическое управление тормозом. При нажатии ногой на педаль гидроцилиндра поршень перемещается влево и через шток 7 и пробку 9 поворачивает рычаг 11. Рым 12 перемещается вверх и тормоз оттягивается (нагнетается барабан). Если снять ногу с педалью, поршень гидроцилиндра под действием пружины 8 вернется в исходное положение (барабан очистится).
Для равномерного отхода тормозную ленту от шкива обслуживают пружиной 2.
Тормоз аналогичной конструкции устанавливается на грейферный (вспомогательный) барабан.
На барабане стрелы установлены два ленточных тормоза: постоянно замкнутый и регулируемый. Ушко 19 постоянно замкнутого тормоза укреплено на кронштейне 18; Горящий конец тормозной ленты подтянут пружиной 4. Барабан имеет храповое колесо 16; С помощью собачки 15 барабан удерживает от вращения. При необходимости опустить стрелу собачка выводится из зацепления с храповым колесом с помощью тяги 1, рычага 2 и пневмокамер 3.Штоковый поток пневмокамеры ограничивается регулируемым (винтовым) упором 17.
Тормозная лента управляемая, как и тормозная лента грузовой лебедки, состоит из двух частей, соединенных стяжным болтом. Равномерный отход ленты регулируется пружинной натяжкой 6. Кожура тормоза укреплена на кронштейне 10 с помощью ролика, на котором также установлен рычаг 12, соединенный одним концом с петлевой лентой 14, другим – со штоком пневмокамеры 9.
Натяжение тормозной ленты (торможение барабана стрелы) осуществляется пружиной 8 через тягу 13, развал ленты пневмокамерой.Главные и вспомогательные плети арроварных кранов снабжены специальными приспособлениями – стержнями-таркербортами. Они обеспечивают правильную укладку каната в поток барабана и препятствуют его сходу с барабана.
Механизм поворота включается от общего двигателя всех крановых механизмов. Коническая шестерня 27 реверсивного механизма поворота и движения крана входит в постоянное зацепление с коническими шестернями, сидящими на реверсивном валу. Нагрузку на вертикальный вал 14 воспринимают вверху радиальный шарикоподшипник, а внизу – упорный шариковый подшипник и двухрядный сферический роликоподшипник.На нижнем конце вертикального вала жестко посажена шестерня 15, находящаяся в зацеплении с зубчатым колесом 8, свободно сидящим на вертикальном валу 12. На валу 12, кроме зубчатого колеса 8, установлен тормозной шкив 13 размещена 13, зубчатая муфта 10 и шестерня 23; Все они жестко связаны с валом.
При вращении вала 14 и при выключенной муфте 10 зубчатое колесо свободно вращается на валу 12 и передает вращение зубчатому колесу 7, жестко сидящему на валу 5.Вместе с зубчатым колесом 7 вращается вертикальный вал, и таким образом мощность передается на механизм перемещения.
При включении муфты 10 приходит во вращение вал 12 и шестерня 23 начинает вращать зубчатый венец 22; Поворотная площадка начинает вращаться относительно центрального вала 5. Зубчатый венец имеет внутреннее зацепление.
Как видно из схемы редуктор поворота платформы одновременно выполняет роль механизма движения крана.Наружные кольца 17, 19 связаны с рамой ходовой тележки, но с поворотной платформой; Внутреннее кольцо 22 соединено с неповоротной рамой ходовой тележки. Таким образом, внутреннее кольцо фиксируется, оно играет роль основания опорного устройства.
Передний мост крана КС-4361 управляемый, ведущий; Его подвеска к раме балансировочная, что улучшает сцепление колес с основанием на неровностях дороги.
Передача мощности от карданного вала полуосями 12 на передний мост также производится цилиндрической главной передачей, как и на задний.Внутренние колеса укреплены на ступице 6, которая посажена с помощью конических подшипников на штифт, укрепленный в корпусе 17. С помощью фланца 5 ступица 6 соединена с полуосью 4. Наружные колеса укреплены на ступица 2, на которую посажены подшипники скольжения 6; Таким образом, внешние колеса не являются ведущими, так как имеют свободную посадку.
Когда снижение проходимости начинает сказываться на эксплуатационных качествах крана, наружные колеса блокируют внутренними специальными поводками 18, установленными на фланцах 5 так, чтобы поводок попал между упорами обода колеса.Поводок фиксируется болтом 19. Нижние рычаги корпусов 17 соединены между собой поперечной ярусной 14 рулевой трапецией. Верхние рычаги ограждений соединены со штоками гидроцилиндров реверса, которые установлены на кронштейне корпуса моста.
Вращение ведущих колес от полуоси 12 к полуоси 4 передается через шарнирные соединения 15 и 16.
Задний мост КС-4361 мостовой мостовой ведущий. Мост – автомобильного типа, подвеска его к раме жесткая.В нем используются сборочные единицы автомобиля КрАЗ, в том числе главная передача с дифференциалом, полуось и тормоза. Крепление маховых колес – бесшумное; Осуществляется фиксаторами и кольцами.
Главная передача заднего моста цилиндрическая. Коническая передача служит для соединения пересекающихся валов и управления движением. Механизм передвижения крана КС-4361 не имеет отдельного двигателя механизма передвижения; Отбор мощности в редукторе осуществляется с помощью вертикального вала 6 с натянутым ленточным колесом 7.В зацеплении с ним находится коническая шестерня 4, жестко сидящая на первичном валу 5 коробки передач.
Крановый тормоз КС-4361 устанавливается на кронштейн, закрепленный на корпусе задней оси крана.
На кране КС-4361 между двигателем и трансмиссией вместо главного фрикциона фрикционного типа установлено специальное гидроустройство – гидротрансформатор ТРК-325.
Гидротрансформатор обеспечивает бесступенчатое регулирование скорости подъема и опускания груза, изменение направления движения, подъем мелких грузов с повышенной скоростью, изменение скорости движения в зависимости от сопротивления движению.
Гидротрансформатор ТРК-325 включает в себя корпус, в который одеваются насос 1, турбина 2 и направляющая 3 (реактор) колеса. Реактор жестко соединен с корпусом. Ведущее колесо получает движение от вала 4-х двигателей, а турбина (ведомая) связана с ведомым валом.
Радиатор 5 служит для охлаждения рабочей жидкости, пропущенной через него с помощью шестеренчатого насоса 6. В трансформаторе предусмотрены перепускной клапан, фильтр и гидробак 7, а также обгонная муфта.При одинаковой частоте вращения турбинного и насосного колес включается муфта, соединяющая валы 4 и 8.
Отключите гидротрансформатор, удалив жидкость из системы. На валу 8 может быть тормоз, управляемый машинистом. Для направления движения жидкости в системе служат пневматическая крестовина, золотник, эжектор и диффузор.
В состав системы управления воздухом стрелы КС-4361 входят следующие элементы: компрессор, холодильник и маслоотделитель, ресивер, пульт управления с пневмораспределителем, трубопроводы и пневмокамеры, смонтированные на исполнительных механизмах крана.
Воздух предварительно сжимается в I ступени компрессора 13, проходит холодильник и маслоотделитель и сжимается во II ступени до 0,6 – 0,7 МПа, откуда поступает в ресивер 16 и далее по трубопроводу 17 в панель управления 3.
В маслоотделителе воздух очищается от влаги и масла, после чего попадает во 2-ю ступень компрессора. Из пульта управления воздухом по трубопроводам и специальным вращающимся соединениям 10 поступает в пневмокамеру муфты 7 крановых механизмов.
При выключении каждого механизма воздух от пневмокамерных муфт выходит в атмосферу. Для оперативного отражения механизмов крана в турботрансформаторных системах, пневматических и тормозных муфтах барабана стрелы и механизма крана установлены специальные клапаны 8.
Для плавного поворота платформы в системах механизма реверса и тормоза поворота, а также механизма движения применяются регуляторы потока 18. Управляйте механизмами крана с пульта специальными устройствами – золотниками (клапанами).Золотники бывают двух типов: дифференциальные и прямого действия. Дифференциальные золотники применяются для тех механизмов кранов, которые требуют при их включении регулирования внешнего усилия. К таким механизмам относятся механизмы с фрикционами, применяемые в кранах с одномоторным приводом — двигателем внутреннего сгорания. Для механизмов, не требующих изменения давления в системе, применяют непосредственно золотники.
Электрооборудование крана КС-4361 служит для питания внутреннего и наружного освещения, световой и звуковой сигнализации, ограничителя грузоподъемности; Обеспечивает запуск стартового двигателя, обогрев и вентиляцию кабины управления, подогрев дизеля.Источником постоянного тока является генератор Г-66, который также предназначен для зарядки аккумуляторной батареи 6Т-42.
Генератор приводится в движение дизельным двигателем через зубчатую передачу.
Для регулирования напряжения и защиты генератора предусмотрен релейный регулятор, состоящий из реле напряжения, ограничителя тока и реле обратного тока (предотвращает разряд аккумуляторной батареи на генератор при неработающем дизеле). Для защиты от короткого замыкания служит предохранитель.
Электросеть крана в период остановок дизелей питается от аккумуляторной батареи, которая также используется для запуска пускового двигателя электростартером.Величину зарядного и разрядного тока аккумуляторной батареи определяют с помощью амперметра.
Отвод электрооборудования отвода включает в себя комплект преобразователей, устанавливаемых на двигатель, маслобак турботрансформатора и компрессор. Эти преобразователи позволяют с помощью соответствующих приборов контролировать температуру воды и дизельного масла, температуру масла в турботрансформаторе, давление масла в дизельной и компрессорной системах.
Положения концевых стрелок фиксируются концевым выключателем, влияющим на цепь электромагнита.Последний управляет золотником, который при аварийном достижении аварийного положения и срабатывании выключателя отключает турботрансформатор и включает тормоз лебедки. Магнит питается от работающего дизеля через реле.
В электрошкафе предусмотрена кнопка управления, позволяющая поворачивать концевой выключатель и возвращать стрелку в рабочее положение, а также включать ограничитель нагрузки при его срабатывании.
На панели управления установлена кнопка для включения звукового сигнала.Лампа ремонтного освещения активируется через штекер.
Для ограничения грузоподъемности крана и автоматического отключения грузовой лебедки применен электрический ограничитель грузоподъемности ОГП-1. При работе крана на минимальных вылетах стрелы во избежание ее навинчивания на поворотную платформу применяются гибкие элементы.
Тросовая штанга 2 проходит через отклоняющие ролики 1 по стрелкам 4 и фиксируется на платформе.
Пружины 3 поддерживают веревку и предотвращают ее провисание.При достижении предельного угла наклона (в сторону поворотной платформы) трос натягивается и удерживает стрелу от дальнейшего движения
Кран КС-4361 – дизельный одномоторный с турботрансформатором ( гидротрансформатор ). В комплект рабочего оборудования входит главная стрела длиной 10 м. , крюк грузоподъемностью 16 тн. и объемом захвата 1,5 м3. ставится на 10 и 15-метровые стрелы. Сменным снаряжением являются удлиненные стрелы длиной 15, 20 и 25 м. выведена из основной стрелы путем вставки 5-метровых секций и неуправляемых гусек длиной 6 м. . Бустер оборудован ограничителем, предохраняющим его от забрасывания на платформу при работе на минимальном вылете.
На кране применена смешанная система управления – пневмогидравлическая. Валы лебедок и реверсов, а также барабаны входят в состав пневмокарманных муфт; Направление движения механизмов поворота и движения крана изменяется реверсивным механизмом и коническими передачами.
Включение реверсивного механизма также обеспечивается пневматическими камерными муфтами.
Рабочие скорости крана широко регулируются турботрансформатором, питаемым от крановой гидросистемы.
Габаритные размеры крана пневмоколесного КС-4361
Устройство для спуска крана снабжено выносными опорами с винтовыми домкратами, имеющими на концах башмаки.
По площадке кран может передвигаться своим ходом, в том числе с грузом на крюке со скоростью до 3 км/с. . Передвижение с грузом на крюке допускается на площадке по стрелкам 10 – 15 м. направлен вдоль продольной оси крана.
При длинных перекосах метчик транспортируется буксировкой к трактору с помощью сцепки. В процессе переделки крана коробка передач устанавливается в нейтральное положение, гидроцилиндры колес отключаются, снимается карданный вал одного из мостов. Скорость движения на буксире не должна превышать 20 км/с. , а на уклонах и поворотах скорость должна быть снижена до 3 км/с.
.
По железной дороге кран перевозится на четырехосной платформе. Перед погрузкой крана на платформу снимают все пневмоколеса, отделяют секцию стрелы, укладывая верхнюю секцию на нижнюю. Крановая нагрузка на платформу с помощью монтажного крана грузоподъемностью 25 тн. . При наличии сменных секций стрел они размещаются на второй площадке.
Технические характеристики крана КС-4361
| Грузоподъемность Т: | |
| .На опорах: | |
| .. | 16 |
| .. | 3,75 |
| . Без опор: | |
| .. с наименьшим мягким крючком | 9 |
| .. с самым большим крючком | 2,5 |
| Отходной крюк м: | |
. . Самый маленький | 3,75 |
| .. Майор | 10 |
| Высота подъема крюка, м: | |
| .. с наименьшим мягким крючком | 8,8 |
| .. с самым большим крючком | 4 |
| Скорость: | |
| .. подъем главного крюка, м/мин | 10 |
| .. опускание м/мин | 0 – 10 |
| .. частота вращения поворотной платформы, об/мин | 0,5 – 2,8 |
| .. движение крана самоходным, км/с. | 3; 15 |
| 213 | |
| 150 | |
Наименьший радиус поворота (на внешнем колесе) м. | 12,2 |
| Наибольший угол подъема пути град. | 15 |
| Двигатель: | |
| .. Марка | СМД-14А. |
| .. мощность, л.с. | 75 |
| Колея м: | |
| .. Передний | 2,4 |
| .. Задний | 2,4 |
| Масса крана т. | 23,7 |
| Включая противовес т. | — |
Грузоподъемность при движении и преодолении угла подъема в пути в транспортном положении
* – Грузоподъемность указана стрелками, расположенными вдоль оси крана.
** – В знаменателе – допустимый угол наклона крана при работе на выносных опорах.
Характеристики основного и сменного стрелового оборудования КС-4361
| Длина основной стрелы, м. | 10 |
| Наибольшая длина удлиненной стрелы, м. | 25 |
| Длина неуправляемой Гуськи, м. | — |
| Буксировочное оборудование: | |
| .. наибольшая длина дополнительной стрелы м. | — |
| .. наибольшая длина башни, м. | — |
| Вместимость грейфера м3. | 1,5 |
Все исполнительные органы механизмов на кране КС-4361 с приводом от турботрансформатора 35 .
Посадка барабанного, грузового и вспомогательного (грарифера) механизмов – на общий вал; Таким образом, использовалась одна трехбарабанная лебедка.
Выбор мощности от двигателя к компрессору 32 осуществляется с помощью клинорем 43 – 44 и Кардан Вала 33 .
Вращение от двигателя 34 Турботрансформатор 35 Передается через муфту 20 , выходной вал турботрансформатора связан с цепной передачей 15 – 36 С валом 9 Механизм реверса.
Вал 10 Лебедка трехбарабанная соединяется с валом 9 коническая шестерня заднего хода 16 – 22 и цепная передача 18 – 23 , с шестерней 16 И звездочка 23 имеют жесткую посадку на валах, а звездочка 18 и шестерня 22 Свободно вращается. Включаются с помощью пневмокамерных муфт 19 и 14 размещены на валах. В зависимости от того, какая передача включена (цепная или шестеренчатая), вал 10 Сообщается о прямом или обратном вращении.
Как видно из схемы барабан стрелы 13 , грузовой барабан 12 Базовый подъемник и грузовой барабан 11 Вспомогательные подъемники имеют свободную посадку на вал и удерживаются ленточными тормозами.
Барабаны включаются с помощью пневматических камерных муфт; При этом барабаны разбросаны.
На валу 9 Конические шестерни свободно вращаются 8 в постоянном зацеплении с зубчатым колесом 7 Вертикальный вал 28 .Поочередное включение пневматической камеры улья 8 Обеспечивает реверс Vala 28 (по часовой стрелке или против часовой стрелки).
Шестерни 6 , шестерни 24 и 26 находятся в постоянном зацеплении, а шестерня 26 Свободно насаживается на вал. Включается с кулачковой муфтой 27 , а вал 29 Начинает вращаться. Вместе с валом вращается шестерня 25 обкатывание шестерни 5 ; Происходит вращение вертлюга крана.
Шестерня 24 Нахождение в постоянном зацеплении с зубчатым колесом 26 , при вращении тоже вращается, а так как шестерня 24 Имеет шпоночный соединитель с валом 30 , Вместе с ним вращается и вал. Далее вращение передается с помощью вала уравнительной муфты 31 , коническая передача 45 – 46 и вал 55 Коробки передач ходового механизма.
Шестерни 4 и 48 свободно вращаться на валу 55 .Их попеременное включение производится кулачковой муфтой 49. . В зависимости от того, какая передача включена муфтой, изменяется случайная частота вращения 53 А значит и скорость движения крана.
Шестерня 51 Промежуточный вал находится в постоянном зацеплении с шестерней 50 Дерево вывода 54 с карданными валами 41 и 52 Перемещает передний и задний мосты.
Мосты переднего и заднего мостов включают дифференциальные устройства, обеспечивающие возможность поворота правым и левым колесами с разной скоростью, что очень важно при перемещении крана по криволинейным участкам пути.
Входной механизм 40 Главная передача находится в постоянном зацеплении с шестерней 42 Сидеть на шлицах промежуточного вала. От промежуточного вала главной передачи вращение передается через шестерни 38 и 39 На корпусе дифференциала и сквозных сателлитах (шестернях) 3 и солнечная шестерня 2 – на полуоси крановых колес.
На кране КС-4361 с одномоторным приводом при рассмотрении кинематической схемы его механизмов понятие лебедки основного и вспомогательного подъема в полной мере не применимо, так как компоновка механизмов при одномоторном приводе не не позволяют четко выделить ту или иную лебедку; Многие элементы кинематической цепи механизмов являются передачами для ряда исполнительных органов.Поэтому к этому крану добавляется только конструкция механизмов, непосредственно связанных с исполнительными органами – барабанами.
| Лебедка Multibian | Тормозная лента грузового и грейферного барабанов | Регулируемый стрелочный барабанный тормоз |
На общем валу 6 Установлены три барабана: грузовой 3 , вспомогательный (захват) 18 и стрела 5 .
Все три барабана имеют шарикоподшипниковую посадку и свободно вращаются на валу.Барабаны входят в комплект пневмокамерных муфт 1 , 7 и 14 , жестко связанные с валом и удерживаемые на свободном вращении или от вращения под действием грузов (нагруженных канатов) ленточными тормозами.
Вал вращается в двухрядных сферических опорах 2 и 10 и работает от звездочки 9 или шестерня 11 С опорой на шарикоподшипнике. Колесо подается с помощью пневмомуфты 12 .Реверс вала осуществляется за счет включения цепной передачи с помощью пневматической камерной муфты. 19 , установленный на реверсивном валу или вращающийся на зубчатом колесе 11 .
Принцип работы пневматического камерного сцепления основан на трении шины о поверхность шкива барабана под действием сжатого воздуха. Тип муфты по характеру связи фрикционная; По характеру работы и основному назначению – к классу управляемых и муфтовых муфт, позволяющих размыкать и замыкать соединительные соединения.
Муфта состоит из шкива 17 пневмокамера 16 и шины 15 . Воздух в пневмокамеру подается через вращающиеся шарнирные соединения с концов вала 6 (через каналы в нем) и от вала – к камерам (через гибкие шланги). При подаче сжатого воздуха на шланг 5 В камере последний расширяется и прижимает шину кликовой ленты 15 К внутренней поверхности шкива барабана 3 .
Тормозная лента прилегает к внешней поверхности шкива. Лента 3 состоит из двух частей, соединенных стяжным болтом 1 . Один конец ленты сильно укреплен пальцем на ракушке, второй конец соединен с ушком 12 . Щетка с системой рычагов, соединенная со стержнем 7 Гидравлический цилиндр 6 . Гидравлическое управление тормозом. При нажатии ногой на педаль гидроцилиндра поршень перемещается влево и через шток 7 и заглушка 9 Поворачивает рычаг 11 .При этом глаз 12 Движется вверх и тормоз задерживается (барабанная интенсивность).
Если снять ногу с педали, поршень гидроцилиндра под действием пружины 8 Возврат в исходное положение (барабан будет очищен). Для равномерного сброса тормозной ленты с барабана шкива служит пружина 2 .
Тормоз аналогичной конструкции устанавливается на грейферный (вспомогательный) барабан.
На барабане стрелы установлены два ленточных тормоза: постоянно замкнутый и регулируемый.
Глазок 19 Постоянно замкнутые тормоза, усиленные на кронштейне 18 ; Восстановление конца тормозной ленты растяжки пружины 4 . Барабан имеет храповое колесо 16 ; С помощью собаки 15 Барабан удерживается от вращения. При необходимости опустить стрелу собачка выводится из зацепления с храповым колесом с помощью тяги 1 , рычаг 2 и пневмокамера 3 . Ограничители хода штока пневмокамеры регулируемые (винт) 17 .
Тормозная лента управляемая, как и тормозная лента грузовой лебедки, состоит из двух частей, соединенных стяжным болтом.
Равномерный отход ленты от барабана с регулируемой пружинной задержкой 6 . Тормозная проушина усиленная на кронштейне 10 С помощью ролика, на котором также установлен рычаг 12 соединен одним концом с проушиной тормозной ленты 14 прочее – со штоком пневмокамеры 9 .
Натяжение тормозной ленты (торможение барабана стрелы) осуществляется пружиной 8 через тягу 13, развал ленты пневмокамерой.
Главные и вспомогательные плети стреловых кранов снабжены специальными приспособлениями – стержнями-таркербортами. Они обеспечивают правильную укладку каната в поток барабана и препятствуют его сходу с барабана.
| Поворотный механизм и опорное устройство | Передний мост | Трансмиссия |
Ходовой механизм Активируется от общего двигателя всех механизмов крана.
Коническая шестерня 27 Реверсивный механизм поворота и движения крана входит в постоянное зацепление с коническими шестернями, сидящими на реверсивном валу. Нагрузка на вертикальный вал 14 Вверху воспринят радиальный шарикоподшипник, а внизу – упорный шариковый подшипник и двухрядный сферический роликоподшипник. На нижний конец вертикального вала жестко посажена шестерня 15 Шестерня с зубчатым колесом в комплекте 8 свободное сидение на вертикальном валу 12 .На валу 12 В дополнение к шестерне 8 Установленный тормозной шкив 13 , зубчатая муфта 10 А шестерня 23 ; Все они жестко связаны с валом. При вращении вала 14 и при выключенном сцеплении 10 шестерня свободно вращается на валу 12 и передает вращение на зубчатое колесо 7 жестко сидит на валу 5 . Вместе с шестерней 7 Вертикальный вал вращается и, таким образом, мощность передается на механизм перемещения.
При включении муфты 10 идет на вращение вала 12 А шестерня 23 Начинает привод зубчатого венца 22 ; Поворотная платформа начинает вращаться относительно центрального вала 5 . Зубчатый венец имеет внутреннее зацепление.
Как видно из схемы, редуктор поворота платформы одновременно выполняет роль механизма движения крана.
Наружные кольца 17 , 19 не связанный с рамой ходовой тележки, а с поворотной платформой; Внутреннее кольцо 22 Соединяется с неповоротной рамой ходовой тележки.Таким образом, внутреннее кольцо фиксируется, оно играет роль основания опорного устройства.
Ось передняя Кран КС-4361 – управляемый, ведущий; Его подвеска к раме балансировочная, что улучшает сцепление колес с основанием на неровностях дороги. Передача мощности от карданного вала полуосями 12 На переднем мосту также выполнялась цилиндрическая главная передача, как и на заднем. Внутренние колеса усилены на ступице 6 который посажен с коническими подшипниками на ассистент усиленный копрусом 17 .
С фланцем 5 ступица 6 соединен с полуосью 4 . Внешние колеса усилены на ступице 2 который посажен на ступицу с помощью подшипников скольжения 6 ; Таким образом, внешние колеса не являются ведущими, так как имеют свободную посадку.
Когда снижение проходимости начинает влиять на эксплуатационные качества крана, наружные колеса блокируются внутренними специальными поводками 18 устанавливается на фланцы 5 Так, чтобы поводок поводка попал между тягами обода колеса.Поводок фиксируется болтом 19 .
Нижние рычаги 17 Взаимосвязанные 14 Рулевая трапеция. Верхние рычаги ограждений соединены со штоками гидроцилиндров реверса, которые установлены на кронштейне корпуса моста.
Вращение ведущих колес от полуприцепа 12 К полуоси 4 Передается через шарнирные соединения 15 и 16 .
Задний мост Кран КС-4361 – ведущий.Мост – автомобильного типа, подвеска его к раме жесткая.
В нем используются сборочные единицы автомобиля КрАЗ, в том числе главная передача с дифференциалом, полуось и тормоза. Крепление маховых колес – бесшумное; Осуществляется фиксаторами и кольцами.
Главная передача заднего моста цилиндрическая. Коническая передача служит для соединения пересекающихся валов и управления движением.
На кране КС-4361 между двигателем и трансмиссией вместо главного сцепления фрикционного типа установлено специальное гидравлическое устройство – гидротрансформатор ТРК-325.
Гидротрансформатор обеспечивает бесступенчатое регулирование скорости подъема и опускания груза, изменение направления движения, подъем мелких грузов с повышенной скоростью, изменение скорости движения в зависимости от сопротивления движению.
Схема гидротрансформатора ТРК-325
Гидротрансформатор ТРК-325 включает в себя корпус, в котором соосно расположена подкачка. 1 , турбина 2 и направляющая 3 (реактор) колеса.Реактор жестко соединен с корпусом.
Ведущее колесо приходит в движение от вала 4 Двигатель и турбина (ведомая) связаны с ведомым валом.
Радиатор 5 служит для охлаждения проходящей через него рабочей жидкости с помощью шестеренчатого насоса 6 . Трансформатор снабжен перепускным клапаном, фильтром и гидравликой 7 , а также муфта обгона. При одинаковой частоте вращения турбины и насосных колес муфта соединения валов 4 и 8 .
Отключите гидротрансформатор, удалив жидкость из системы. На валу 8 Возможна установка тормоза, управляемого водителем. Для направления движения жидкости в системе служат пневматическая крестовина, золотник, эжектор и диффузор.
В Система пневмоуправления В состав крана стрелового КС-4361 входят следующие элементы: компрессор, холодильник и маслоотделитель, ресивер, пульт управления с пневмораспределителем, трубопроводы и пневмокамера, установленные на исполнительных механизмах крана.
Принципиальная схема пневмоуправления КС-4361
Воздух предварительно сжат на I ступени компрессора 13 , проходит через холодильник и маслоотделитель и сжимается во II ступени до 0,6 – 0,7 МПа откуда поступает в ресивер 16 А потом по трубопроводу 17 к панели управления 3 .
В маслоотделителе воздух очищается от влаги и масла, после чего попадает во 2-ю ступень компрессора.
От пульта управления воздухом на трубопроводах и специальных поворотных соединениях 10 Входит в пневматическую камеру сцепления 7 Крановые механизмы.
При выключении каждого механизма воздух от пневмокамерных муфт выходит в атмосферу. Для оперативного отражения механизмов крана в системах турботрансформатора, пневмокамеры и тормозных муфт барабана стрелы и механизма движения крана устанавливаются специальные клапаны 8 .
Для плавного поворота платформы в системах механизма реверса и тормоза поворота, а также механизма перемещения применяются регуляторы потока 18 .
Управление механизмами крана с пульта специальными устройствами – золотниками (клапанами). Золотники бывают двух типов: дифференциальные и прямого действия. Дифференциальные золотники применяются для тех механизмов кранов, которые требуют при их включении регулирования внешнего усилия.
К таким механизмам относятся механизмы с фрикционами, применяемые в кранах с одномоторным приводом — двигателем внутреннего сгорания.Для механизмов, не требующих изменения давления в системе, применяют непосредственно золотники.
CAAN CAANT CAANT с одномоторным приводом KS-4361
Электрооборудование Кран КС-4361 служит для питания внутреннего и наружного освещения, световой и звуковой сигнализации, ограничения нагрузки; Обеспечивает запуск стартового двигателя, обогрев и вентиляцию кабины управления, подогрев дизеля.
Источником постоянного тока является генератор Г-66, который также предназначен для зарядки аккумуляторной батареи 6Т-42.Генератор приводится в движение дизельным двигателем через зубчатую передачу.
Для регулирования напряжения и защиты генератора предусмотрен релейный регулятор, состоящий из реле напряжения, ограничителя тока и реле обратного тока (предотвращает разряд аккумулятора на генератор при неработающем дизеле). Для защиты от короткого замыкания служит предохранитель.
Электросеть крана в период остановок дизелей питается от аккумуляторной батареи, которая также используется для запуска пускового двигателя электростартером.Величину зарядного и разрядного тока аккумуляторной батареи определяют с помощью амперметра.
Отвод электрооборудования отвода включает в себя комплект преобразователей, устанавливаемых на двигатель, маслобак турботрансформатора и компрессор. Эти преобразователи позволяют с помощью соответствующих приборов контролировать температуру воды и дизельного масла, температуру масла в турботрансформаторе, давление масла в дизельной и компрессорной системах.
Положения концевых стрелок фиксируются концевым выключателем, влияющим на цепь электромагнита.Последний управляет золотником, который при аварийном достижении аварийного положения и срабатывании выключателя отключает турботрансформатор и включает тормоз лебедки. Магнит питается от работающего дизеля через реле.
В электрошкафе предусмотрена кнопка управления, позволяющая поворачивать концевой выключатель и возвращать стрелку в рабочее положение, а также включать ограничитель нагрузки при его срабатывании.
На панели управления установлена кнопка для включения звукового сигнала. Лампа ремонтного освещения активируется через штекер.
Для ограничения грузоподъемности Кран и автоматическое отключение грузовой лебедки применен электрический ограничитель грузоподъемности ОГП-1.
При работе крана на минимальных вылетах стрелы во избежание навинчивания ее на поворотную платформу применяются гибкие элементы.
Тросовая тяга 2 проходит через направляющие ролики 1 на стрелах 4 и исправления на платформе. Пружины 3 Поддержите веревку и предотвратите ее провисание.При достижении стрелой предельного угла наклона (в сторону поворотной платформы) трос натягивается и удерживает стрелу от дальнейшего движения.
Кран подъемный самоходный полноповоротный одномоторный дизельный КС-4361 Максимальная грузоподъемность 16 тонн предназначена для строительных и погрузочных работ штучными и сыпучими грузами на строительных площадках, складах.
В состав рабочего оборудования входят основная золоченая навесно-складная Стрела длиной 10 м, крюк грузоподъемностью 16 т и грейфер грузоподъемностью 1.5 м 3 , размещенных на 10- и 15-метровых стрелах. Сменным оборудованием являются удлиненные стрелы длиной 15, 20 и 25 м, получаемые из основной стрелы вставкой 5-метровых секций, и неуправляемый гусек длиной 6 метров. Стрела снабжена ограничителем, предохраняющим ее от задом на платформу при работе на минимальном вылете.
На кране применена смешанная система управления – пневмогидравлическая . Валы лебедок и реверсов, а также барабаны входят в состав пневмокарманных муфт; Направление движения механизмов поворота и движения крана изменяется реверсивным механизмом и коническими передачами.Включение реверсивного механизма также обеспечивается пневматическими камерными муфтами. Рабочие скорости крана регулируются в широких пределах с помощью гидротрансформатора, приводимого в действие отводной гидравлической системой.
Устройство для спуска крана снабжено выносными опорами с винтовыми домкратами, имеющими на концах башмаки.
По площадке кран может перемещаться своим ходом, в том числе с грузом на крюке со скоростью до 3 км/ч. Передвижение с грузом на крюке допускается на площадке по стреле 10 – 15 м, направленной вдоль продольной оси крана.
При длинных перекосах метчик транспортируется на буксировке к трактору с помощью сцепки. В процессе переделки крана коробка передач устанавливается в нейтральное положение, гидроцилиндры колес отключаются, снимается карданный вал одного из мостов. Скорость движения на буксировщике не должна превышать 20 км/ч, а на подъемах и поворотах скорость должна быть снижена до 3 км/ч.
По железной дороге кран перевозится на четырехосной платформе. Перед погрузкой крана на платформу снимают все пневмоколеса, отделяют секцию стрелы, укладывая верхнюю секцию на нижнюю.Погрузка крана на платформу осуществляется с помощью монтажного крана грузоподъемностью 25 тонн.
При наличии сменных секций стрел они размещаются на второй площадке.
Артикул:
Кран КС-4361 имеет усовершенствованную модификацию – модель КС-4361А с измененной конструкцией кузова и кабиной машиниста.
В настоящее время кран не производится.
| Технические характеристики крана Эхо $ Наименование; ? >. | |
| Максимальная грузоподъемность, т | |
| на опорах | 16 |
| без опор на колесах и в движении * | 9 |
| Двигатель | СМД-14А. |
| Мощность двигателя, л.с. | 75 |
| Высота подъема крюка, м | |
| с главной стрелкой | 10 |
| с полной экипировкой | 25 |
| с дополнительным оборудованием (удлинитель + гусь) | 30 |
| Скорость подъема (регулировка бесступенчатая) груза, м/мин | |
| длиной 10,5 м | 0…20 |
длиной 15. 5 м | 0…35 |
| со стрелами длиной 20,5 и 25,5м | 0…50 |
| Скорость вращения, об/мин | 0,4…2,8 |
| Наибольшая скорость движения, км/ч | |
| с грузом на крюке | 3 |
| самоходный без груза | 18 |
| Наименьший радиус поворота, м | 12,1 |
| Преодолели угол подъема пути (без груза) | 12° |
| Допустимое скоростное ветровое давление, кгс/м 2 | 15 |
| Масса строительного крана, т | 23 |
| при работе с краном | 8 350 |
| при перемещении крана со стрелкой 10.5 м | 3 950 |
| передний | 22 340 |
| задний | 19 040 |
| Габаритные размеры, мм: | |
| длина | 14 500 |
| ширина | 3 150 |
| высота | 3 900 |
*Грузоподъемность в движении указана стрелками, расположенными вдоль оси крана.
В функциональном крановом оборудовании используется смешанная система управления – пневматического и гидравлического типа.Барабаны и валовые устройства приводятся в активное движение пневмокамерными муфтами, а принудительное перемещение крана на другую сторону возможно с помощью реверсивного механизма. Скорость отвода легко регулируется турботрансформатором. Этот функциональный элемент потребляет энергию от гидравлики крана.
Шасси получает опоры с винтовыми домкратами. По участку тяжелая машина легко передвигается с грузом со скоростью до трех километров в час. По железной дороге оборудование можно перевозить на платформу.Перед загрузкой волшебникам следует снять все колеса и разделить стрелы на секции. Укладывать их нужно сверху на нижнюю. Для погрузки используется кран, грузоподъемность которого составляет двадцать пять тонн.
При необходимости перевезти КС-4361 или КС-4361А На приличное расстояние потребуется использовать тягач и прицепное устройство, то есть тащить на буксире.
Для этого коробка передач устанавливается в нейтральное положение, приводной вал очищается, а цилиндры поворота колес отсоединяются.Движение часто развивается со скоростью до двадцати километров в час. А вот на поворотах лучше уменьшать примерно в шесть-семь раз.
ТОП-8 крупнейших покупателей автокранов в 🇧🇩 Бангладеш
Показать все Трейдинг Производство
Товар Автокран кс опт
Торгово-скупочная компания
Вы хотите найти новых клиентов, которые покупают автокран кс оптом
Ориент Энерджи Системс
1×20`2 поддона правое окно автокрана ttcr055k кабина оператора фонарь задний автокрана ttcr055kтовары c
Крессман трубчатый
- 5-тонный грузовик с 3-тонным стреловым краном Частичная поставка № 03 API lut №01/lut/17 18
- Автокран Автокран грузоподъемностью 25 тонн. Лут №01/лют/17 18 API
ООО “Национальные инженеры по развитию”
Совершенно новая модель автокрана Sany: spc250 грузоподъемность: 25 тонн номер машины sr: 15tc30255031 номер двигателя: 51h84244653 (api)
Судостроительный завод Хулна, ООО
Br.
new модель автокрана Sany: spc300.m. старший номер: 18tc30355108. номер шасси: mb1dtchd4 jrfw8293. номер двигателя: jhfz 410260 (api)Пак Трейдинг Корп.
1×40`hc8 пакеты ~ телескопические автокраны ss2725lb_верхнее сиденье 2 шт. ~(fcl/fcl)
ООО “Рупали Банк”
5-тонный грузовик с 3-тонной грузоподъемностью кран-манипулятор j1b с шарнирно-сочлененной стрелой модель ab 163 lut no 01 lut 17 18
Макс Инфраструктура ООО
Кран-манипулятор, модель № CR-123, грузоподъемностью 3030 кг при радиусе действия 4,1 м (a.p.i.)
Судостроительный завод Аман, ООО
Автокран модели til pixef 215 в комплекте со всеми принадлежностями
менеджер по логистике в ЕС, Азию
логистика, сертификат
электронная почта: [email protected]
Крупнейшие производители автокранов и экспортеры
| Компания (размер) | Продукт | Страна |
1. 🇩🇴 Servicios Sesju (4) | Железные углы. Железные углы и железные трубы Крановая стрела с лампами. часть крана стрелы крана и деревянная коробка. Цепи, стержни и компрессор. Грузовик Mack Color Red Iron Tubes & Iron Boxes. Буи железные An | Доминиканская Республика |
| 2. 🇹🇿 Hitachi Transport System Ltd. (3) | Обращайтесь в Японию. Hb B L No Htsjngotn Ry Этот блок будет исправлен производителем и повторно использован под тележкой для модели автокрана Stx Отгрузочная дверь Доставка | Танзания |
| 3.🇨🇳 Sany Automobile Hoisting Machinery Co., Ltd. (3) | ЗАПЧАСТИ ДЛЯ АВТОКРАНА | Китай |
| 4. 🇨🇳 Evangel International Machinery Ltd. (3) | Автокран Xcmg Brand Mod | Китай |
| 5. 🇨🇳 Автомобильные подъемные механизмы Sany (3) | УПАКОВКА ЕДИНИЦА SANY АВТОКРАН STC S СЕРИЙНЫЙ НОМЕР. TC BJ № ДВИГАТЕЛЯ ЧА ССИС №. LFCNPG P J БЛОК SANY АВТОКРАН STC H СЕРИЙНЫЙ НОМЕР. TC BJ № ДВИГАТЕЛЯ ШАССИ № LFCNLC PXJ | Китай |
АВТОКРАН KS оптовая цена в Бангладеш
| Product | Truck Truck Crane KS Цена за кг, MT | вес | |
|---|---|---|---|
| $ 892 / кг | 10-100 кг | ||
| Гидравлические системы | $ 352 за Kg | 100 – 1.000 кг | |
| Запчасти для тракторов T170 | $ 5.7 / кг | 1,000 – 10.000 кг | |
| Уверенные клапаны для регулирования давления | $ 1813 / кг | 10-100 кг | 10-100 кг |
| Увеличение клапанов для давления Регулирование | $ 32.8 за кг | $ 32.8 за кг | 100 – 1.000 кг |
| Уверенные клапаны для регулирования давления | $ 14,8 / кг | 1,000 – 10.000 кг | |
| Комплексной грузовой грузовик – кран | $ 0. 8 / кг | 1.000 – 10.000 кг | – 10.000 кг|
| $ 368 на MT | $ 368 на MT | $ 36MT | |
| $ 518 / кг | $ 518 / кг | 10-100 кг | |
| Приборы измерения температуры | $ 209 за Kg | 100 – 1.000 кг | |
| Дизайн-наборы и дизайн игрушки | $ 11,3 / кг | 10-100 кг | |
| Игрушки для детей | $ 9.4 в кг | 100 – 1000 кг | |
| Дизайнерские игрушки-наборы Для детского творчества | 7 $/кг | 1000 – 10000 кг |
Автокран кс Склад
- Склад в Дакке
- Автокран ks в Читтагонге
- Склад Кхулна
- Раджшахи Бангладеш
- Склад Комилла Бангладеш
Просмотрите эту статью:
© Copyright 2016 – 2022 “Экспорт из России”.Все права защищены.
Сайт не является публичной офертой. Вся информация на сайте носит ознакомительный характер. Все тексты, изображения и товарные знаки на этом веб-сайте являются интеллектуальной собственностью их соответствующих владельцев. Мы не являемся дистрибьютором бренда или компаний, представленных на сайте, Политика конфиденциальности
проверено | Вупси – Технические трудности
Чтобы получить доступ, пройдите проверку безопасности.
::CAPTCHA_BOX::
Почему я должен проходить CAPTCHA?
Прохождение теста CAPTCHA подтверждает, что вы человек, и дает вам временный доступ к веб-ресурсу.
Что я могу сделать, чтобы предотвратить это в будущем?
Если вы используете личное соединение, например дома, вы можете запустить антивирусную проверку на своем устройстве, чтобы убедиться, что оно не заражено вредоносным ПО.
Если вы находитесь в офисе или в общей сети, вы можете попросить сетевого администратора запустить сканирование сети в поисках неправильно настроенных или зараженных устройств.
:: CLOUDFLARE_ERROR_500S_BOX ::
Что случилось?
Время ожидания исходного соединения между сетью CloudFlare и исходным веб-сервером истекло.В результате веб-страница не может быть отображена.
Что я могу сделать?
Пожалуйста, повторите попытку через несколько минут.Если вы являетесь владельцем этого веб-сайта:
Свяжитесь с вашим хостинг-провайдером и сообщите ему, что ваш веб-сервер не выполняет запросы. Ошибка 522 означает, что запрос смог подключиться к вашему веб-серверу, но запрос не был завершен. Наиболее вероятная причина в том, что что-то на вашем сервере потребляет ресурсы. Дополнительная информация по устранению неполадок здесь.
Этот веб-сайт использует службу безопасности для защиты от онлайн-атак.
- Идентификатор луча: 6d81c688383a915f
- Отметка времени: 2022-02-04 06:17:21 UTC
- Ваш IP-адрес: 176.59.122.166
- Запрошенный URL-адрес: www.beenverified.
com/people/james-korinek/ - Номер ссылки на ошибку: 1020
- ИД сервера: FL_472F107
- User-Agent: Mozilla/5.0 (X11; Linux x86_64; rv:33.0) Gecko/20100101 Firefox/33.0
::ALWAYS_ONLINE_NO_COPY_BOX::
Не стесняйтесь обращаться в службу поддержки, и мы сделаем все возможное, чтобы помочь вам.
При обращении в службу поддержки имейте под рукой следующую информацию:
Страница, которую вы запросили:
رافعة على مواصفات COP 4361 الهوائية. رافعة Юргинец مروحية ذاتية الدفع X4361A
معدات رفع الحمل هي آلات خاصة يتم تقديم متطلبات خاصة من حيث قدراتها التقنية وضمان موظفي السلامة والتشغيلية. ستعمل هذه المقالة مع المجموع المسمى Pneumocole КС-4361 А. رافعة رافعة انتباه هذا بالسلاسل لعدة أسباب, لأن خدمته الطويلة الأجل أظهرت مدى فعالية أنها فعالة في عملية إجراء التحميل والتفريغ, والبناء والتجميع وبعض أنواع العمل الأخرى.
معلومات عامة
KS-4361 ليس مجرد رافعة, ولكن في الواقع, هناك عدد من آلات الرفع التي تم إنشاؤها على خطوة مرجانية قادرة على العمل مع وزنها حتى 16 طنا.
تم إنتاج رافعات هذه السلسلة حتى في الآونة الأخيرة, بدءا من عام 1970. في الوقت نفسه, تم إنشاء أأثر من 16000 وحدة من هذه التقنية لفترة الإنتاج بأأملها. كما أظهرت الممارسة, فإن السيارة أثبتت تماما نفسها في شروط المناخ المعتدل وفي أقصى درجات الشمالية والقاسية, حيث تقع درجة الحرارة المحيطة في بعض الأحيان أقل من -60 درجة مئوية.
التعديلات الحالية
Кран KS-4361A, سيتم تحديد خصائصها أدناه, بناء على النموذذ K-161 و K-161C, المنتجة للأأزمة المناخية المعتدلة والططبية.
KS-4361C هو نموذج للمناطق الشمالية, حيث يمكن أن تصل درجة الحرارة المحيطة -60 درجة مئوية مصنوعة من الهياكل المعدنية لهذا الجهاز من الصلب المنخفض سبائك, والإطارات وعناصر الختم من المطاط, ومقاومة المجمدة.
KS-4361A – آلة تم إنشاؤها خصيصا للتشغيل في حزام استوائي.
KS-4362 – رافعة ديزل الكهربائية.
المعلمات وهب الرافعة КС-4361A, والخصائص التقنية ذات الصلة بهذا اليوم, المؤشرات التالية:
- قم بتحميل السعة على الدعم مع مغادرة السهام القصوى – 3.75 руб.
- القدرة على الدعم مع إزالة السهام الضئيلة – 16 طن.

- أقصى رحيل تعليق الخطاف -10 متر.
- الحد الأدنى خطاف المغادرة -3.75 متر.
- سرعة رفع المصعد الرئيسي -10 م / دقيقة.
- سرعة خفض البضائع هي من 0 إلى 10 م / دقيقة.
- تكرار الدورية من منصة الدورية – 0,5-2,8 دورة في الدقيقة.
- سرعة تحريك الرافعة عن طريق الدفع الذاتي – 15 كم / ساعة.
- الحد الأدنى من دائرة نصف قطرها الانعكاس من قبل العجلة الخا رجية 1.2 м.
- أعلى الزاوية المسموح بها من الرفع التغلب على 15 درجة.
- Kalo العجلات الأمامية والخلفية – 2,4 м.
- إجمالي وزن الرافعة – 2.37 طن.
- حمولة سعة الماكينة أثناء القيادة – 9 номеров.
- طول رافعة بوم الرئيسية هو 10 أمتار.
- قدرة ساخنة هي 1.5 اتصال مكعب. م.
- طول رافعة – 14,5 цент.
- Цена – 3,15 руб.
- الارتفاع – 3.9 متر.
بضع كلمات حول مخطط السيارة
إن خصائص رافعة KS-4361A, بالطبع, غير مكتملة, إذا كنت لا تعطي وصف جهازه.يعتمد المجموع على إطار معدني ملحوم مع زوج من الجسور، وكلاهما مدفوع.
يتم تثبيت المحور الأمامي على دعم الموازنة, وهذا بدوره يسمح لك بزيادة قبضة العجلات مع السطط الأساسي. تنوع زاوية تثبيت العجلات من قبل الاسطوانات الهيدروليكية. تم تجهيز المحور الخلفي مع تعليق جامد. في وسط الإطار هو علبة التروس الميكانيكية من مرحلتين. يلوح في الأفق عزم الدوران من خلال مهاوي كاردان. في صناديق التروس من المحاور، يتم تثبيت كل من التروس المخروطية والأسية والأسية والأسية والأسية
تم تجهيز إطارات جانبية CO-4361A بدعم عن بعد مع الرافعات اممسممسملمس.يؤدي تثبيت هذه العقد وقابلة للطي بسبب استخدام نظام الرافعة الهيدروكككيوييييييييييييييييييييييييييييييييييييييييييييرويدرويرويي بششل عام, يدعم التدقيق مما يتيح لزيادة استدامة السيارة بأأملها بششل كبير وقدرتها الدفترية. الإطار هو منصة دوارة مع عقدة العمل الرئيسية للرافعة. يتم تنفيذ مركب الإطار مع النظام الأساسي باستخدام لب الكرة ددان صٹ٪ ان مع
تتمتع كل من تسور الرافعات بالأأهزة التفاضلية التي تسمح للعجلة اليمنى واليسارية بالتناوب في السرعات الزاوية المختلفة.
عرض تقديمي
تم تجهيز Crane KS-4361A بمحرك ديزل من أربعة أسطوانات, وهي قوة 75 صصصانا.
Стрела – СМД-14А. العمود المرفقي لمحطة الطاقة يترافق من خلال اقتران مرن مع Turbotransformer, والذي, بدوره, يجعل من الممكن في مجموعة معينة من سرعات التشغيل الخاصة بالركلة بأكملها. بغض النظر عن المحرك، يتم تركيب ضاغط الهواء المضغوط. يحدث نقل عزم الدوران بمساعدة CLEADEM. يتم تبريد الضاغط بسبب المعجبين الخاص.
تفصيل
رافعة KS-4361A لديها وصلات معدات وكام مجهزة بالسيارة الهيدروليكية. مدفوعة عقد الرفع بنظام مجتمعة، بما في ذلك الهيئات الهوائية والهيدركييركييكيما في ذلك تبدأ الروافع عملها على حساب الغرفة الهوائية، فإن محرك العكس يعمضايايا.توقف عن دوران الطبول والتثبيت الصلب في وضع معين ممكن بسبب وجود رامي طر امي الصلب في وضع معين ممكن بسبب وجود رامي
ميزة مميزة للرافعة هي أن براميل محرك الطفرة, هوك البضائع وجموعة مثبتة على نفس العمود.
يتم استخدام المعدات الكهربائية لآلة الرفع لتوفير الإضاءة الخارجية والداخلية, وإيقاف تشغيل وإيقاف التنبيه الصوتي والضوء, وتفعيل مفاتيح الحد, بداية المحرك, التدفئة والتهوية.
آلية دوارة
دوارة
تجدر الإشارة إلى أن الآلية الدوارة تعمل على نفس المحرك باعتبارها بقية العقد, وأأزاء من الرافعة بأأملها.
يتم إصلاح التروس المخروطية على عمود عكس, والانخراط عكس, والانخراط مع أي, بدوره, يتضمن عجلة معدات لآلية تدويرية عكسية.
من الأعلى, يتم تثبيت العمود تثبيت العمود العمودي علعمود العمودي علعمود العمودي علعمود العمودي علعم تحمل الكرة, وإدراك الحمل الشعاعي, وتحت محامل كروية ذات صفين مقاومة ومقاومة وكروية.
يحدث دوران منصة دوارة الرافعة في الوقت الحالي عندما يكون العتاد أأراص تروس مع تستعد داخلي.
مكان العمل الأمني العمل الأمني والمشغل
9000B والمشغليقع مشغل Crane مباشرة في قمرة القيادة. يدفع المستخدم الآليات اللازمة مع العتلات والمقابض.لضمان مستوى حماية السائئ المطلوب, يتم استخدام الطفرة في الجهام الطفرة في الجهاز, ومحول Лифт нагрузки, وهو محدد التحميل ومؤشر المغادرة.
الدقيقة من التشغيقة من التشغيل
على الإطلاق أي رافعة KS-4361A, حيث ليس عدد للإطار أمرا صعبا للجميع, هو سيارة خطيرة في عملية الاستخدام والنقل. لذلك, ينبغي أن تحدث نقل الإإمالي على الطرق بمساعدة جرار الططر بسرعة لا تزيد عن 20 كم / ساعة. في عملية سحب الرافعة, من الضروري إدراج ناقل حركة محايد, تتم حالة رمح الكاردان على أأد الجسور وإيقاف تشغيل أسطوانات الانعكاس.
إذا كان من المقرر أن تكون عملية النقل KS-4361A للسكك الحديدية, في هذه الحالة يجب تفكيك الرافعات في العقد والأأزاء الكبيرة منفصلة.بالنسبة لهذا تفكيك عجلات تفيل تعمل بالهواء المضغوط, فإنها تؤدي بالتأأيد إلى إزالة السهم, تفكيكها في الأأسام. يتم تنفيذ نفس النقل على منصة أربعة محور.
داخل حدود موقع البناء والمسافات الطفيفة (ما يصل إلى 50 كيلومترا), قد يتحرك الصنبور جيدا ونقله الخاص, سواء مع سهم في وضع النقل ومع البضائع الثابتة. في الوقت نفسه، يجب ألا يزيد سرعة القيادة عن 3 كم / ساعة. الطفرة العاملة موجودة دائما على طول المحور الطولي للجهاز.
“Верх”
كاليفورنيا إلى l u h en and e
№ 000
الفحص الصناعي
السلامة في منشأة إنتاج خطرة
رافعة arrow ذاتية الدفع
بدوره كامل على الرئاسة
руб. – 4361 руб.№ 000 рег. №
تنتمي
رقم التسجيل № _____________________________
مدير “تويز”
“____” ________________ 2009
Номер
السلامة الصناعية
وفقا لنتائج التقنية
تشخيص رافعة مرجلة
COP – 4361 руб.
000р.
الفصص الخاتمة للسلامة الصناعية من حيث تشخيص هياكل رفع التشخيص التي التقنية التي عملت حياة التي عملت حياة الخدمة التنظيمية من أأل تحديد إمكانية عملها الإضافي هي وثيقة تحديد:
الشرط الفني للرافعة في وقت الفحص؛
أداء رافعة وفقا لمعاييرها الفنية؛
إمكانية وشروط لمزيد من تشغيل الرافعة قبل الفحص التالي.
هذا الاستنتاج هو جزء لا يتجزأ من جواز السفر الرافعة .
الجزء التمهيدي.أسباب الفحص هي:
اتفاق للفحص من رقم 07-09 المؤرخ 27 يناير 2009;
طلب على “Tuwis” № ___ مؤرخة 19.02.09 “في فحص السلامة الصناعية لرفع الرافعات 9 ف003.
رقم رقم ____ مؤرخة 19.02.09 “بناء على إجراء مسح خبير لآلات الرفع”.
متطلبات PB “قواعد الجهاز والتشغيل الآمن لرافعات رفع التحميل” المادة1 الماد.1
متطلبات PB “قواعد لفحص السلامة الصناعية”.
RD “لوائح حول الإجراء لتوسيع فترة التشغيل الآمن
الأجهزة الفنية للمعدات والهياكل المتعلقة بالإنتاج الخطير
الكائنات “، المعتمدة GGTT روسيا رقم 43 من 01.
01.2001.
I.1. معلومات حول مؤسسة الخبراء.
العنوان: “Тувис”.
العنوان القانوني: ХМАО, Сургут, منطقة تيومين.
مخرج :.
هاتف/، .
I.2. معلومات عن ترخيص الحق في إجراء فحص السلامة الصناعية:
“Tuwis” لديها ترخيص -002560 (ك) الصادر عن جامعة الدولة الروسية للحق في تنفيذ أنشطة لإجراء فحص السلامة الصناعية [إجراء فحص الأجهزة الفنية المستخدمة في منشأة إنتاج خطرة; المباني والهياكل في منشأة إنتاج خطيرة].
Дата регистрации: 04.09.2004. في 09.хорошо.
I.4. معلومات عن الخبراء:
طلب رقم 6. / ص من 01.01.2001, كان من المقرر أن تقوم اللجنة ب “Tuwis” في التركيب التالي:
– المستوى المتخصص III في مجال الخبرة الصناعية (المشار إليها فيما يلي باسم أخصائي في مجال EPB PS) سلامة هياكل الرفع, UD. رقم PS. TD.0383, بروتوكول مؤرخة 01.01.2001, المستوى الثاني فيك, المملكة المتحدة, بولي كلوريد الفينيل ud. № مؤرخة 01.01.2001, Дата регистрации: 21.01.2012
أعضاء اللجنة:
– المستوى المتخصص III في مجال EPB PS, UD.
رقم PS. ТП/ПД.0756.19.09.08, от 19.09.08, от 19.09.11, от 19.09.11, от 19.09.11, от UD. 01.01.2001. 21 мая 2012 г.
– المستوى المتخصص الثاني في EPB PS, UD. رقم PS. TD.0625.27.08, от 01.01.2001, от 27.06.2011, متخصص في VIC, UK II المستوى، UD. От 01.01.2001 От 19.05.2009
– أخصائي المستوى الأول في مجال EPB PS, UD.رقم PS. TD.0757.19.09.08, بروتوكول 19.09.08, صالح حتى 19.09.2011, متخصص في VIC, UK II المستوى، UD. Дата рождения: 01.01.2001. 21 мая 2012 г.
I.5. Номер телефона:
Номер: .
Адрес: Langepas North Promzone 77.
Номер телефона: (346
الغرض من الفحص. تقييم امتثال الحالة الفنية للطفرة الرئوية KS-4361 Crant من الوثائئ التنظيمية وائئ التنظيمية والتقنية وإمكانية تشغيلها الإضافي في الموعد النهائي
خدمات.
فصص طفرة السلامة الصناعية الرئوية CS-4361 تم تنفيذ رافعة وفقا لمتطلبات الوثائئ التطلبات الوثائئ التنظيمية والتقنية (قائمة المراجع, انظر الملحق 16).
3. وصف موجز لكائن الفحص (مقتطف من جواز السفر الرافعة).
نوع الرافعة ……………………………….. | الرئوية |
الغرض من الرافعة ……………………. | |
مصنع المصنع ………………….. | مصنع بناء آلة Юргинский |
سنة الصنع…………………………… | |
رقم المصنع ……………………. | |
رقم التسجيل……………… | |
سنة التكليف …………… | |
وضع الرافعة (جواز السفر) … | |
درجة حرارة التشغيل (ºС) … | |
سرعة الرفع، م / مين …………………….. | |
سرعة خفض، م / دقيقة …………. | |
سرعة الهبوط، م / دقيقة ……………………. | |
Номер телефона: المروحة الذاتية مع حمولة 10 أطنان عند وضع الطفرة على طول المحور الطولي من الهيكل ذاتية الدفع دون البضائع | |
سعة الحمل (ر) …………………………… | |
رفع الارتفاع (م) …………………. المغادرة، م ……………………………………….. … …. …. | |
سرعة الدوران، ОБ/МИН ……………………………….. | |
البيانات عن مواد العناصر الرئيسية هياكل معدنية رافعة: | |
الزوايا الرئيسية للسهام ……………………………….. | 15ХСД-12 ГОСТ |
انخفاض الإطار …. ………………………… | 15ХСД-12 ГОСТ |
أعلى الإطار ………………………………………… | ЭСТА3ГПС – 5 ГОСТ 380-71 |
بوابة الوقوف الأمامية …………………….. | 09Г2С-12 ГОСТ |
4. نتائج الفحص
تم تنفيذ رأس KS-4361 تم تنفيذ رأس. لا.
22205,ريج لا.
7646-ЛХ. Номер телефона:4.1 – تتوافق الوثائئ التكنولوثية بمتطلبات pb “قواعد الجهاز والتشغيل الآمن لرافعات الرفع”.
4.2. الموظفين معتمدون ومعتمدين وفقا للمتطلبات
PB, القسم. 9.4.
4.3. الرافعة في حالة عمل. № 19.02.2009. اقصاء.
4.4. اختبارات الرافعة. نتائج الاختبار مرضية.
5. الجزء الأخير.
لجنة “تويز”
24.02.2009. КОНТРОЛЬНЫЙ КРАН COP COP – 4361 والرأس. لا. 22205 ريج لا. 7646-ЛХ. Номер телефона: يتوافق الرافعة مع متطلبات السلامة الصناعية ويمكن السماعية ويمكن السماح لها بالعمل وفقا لمخططات جواز السفر لمدة تصل إلى 24.
02.2011.
6.1. يتم تشغيل الرافعة وفقا لمتطلبات pb, وتعليمات تشغيل وتعليمات تشغيل الشركة المصنعة والقسم رقم 7 من القانون – الدراسات الاستصصائية.
6.2. بعد فترة التشغيل المسموح بها، تكون الرافعة موجودة لإعادة الفحص ءر ر مي مي مون الرافعة
Номер
رئيس الهيئة: _________________
أعضاء اللجنة: __________________
__________________
__________________
طلب
Номер: أنا أجادل:
المدير التنفيذي
_____________ ______________
“__” ___________________ 2009 “___” _______________ 2009
برنامج فحص الخبراء
رافعة مرسومة كرين KS-4361 رأس.№000, номер.
1. التحقق من وجود “العميل” الضروري لمسح المستندات.
2. تحليل ظروف التشغيل الفعلية وصيانة الرافعة
2.2. وضع الرافعة.
2.3. الأربعاء رافعة العمل.
2.4. وخدمة وإصلاح الرافعة،
أداء الوصفات الصادرة سابقا.
3.
تحقق من الشرط الفني للرافعة:
3.1. تحقق من حالة المعدات الهيدروليكية الكهربائية تثبيت الرافعة.
3.2. التحكم في القياس البصري للهياكل المعدنية الصنبور، تعليق هوك
3.3. مراقبة القياس البصري لجودة عناصر الصنبور
(ملحومة، انسحب، مفصلية، إلخ).
3.4. تحقق من الحالة الفنية للآليات ونظام كابل كتلة وغيرها
عقد تركيب الرافعة.
3.5. سمك بالموجات فوق الصوتية من الهياكل المعدنية الصنبور.
3.6 التحقق من حالة وأداء أجهزة السلامة، الطرفية
المفاتيح والقيد.
3.7. انخفاض الضغط بعيدا.
5. التنسيق مع “العميل” لتوقيت القضاء على العيوب المكتشفة.
6.امتحان إضافي بعد القضاء على العيوب المحددة.
7. اختبار رافعة الامتثال لمتطلبات PB وجواز السفر
صفات.
8. تقييم الموارد المتبقية (بالنقاط).
9. تسجيل الوثائق الفنية حول نتائج المسح والإصدار
وضعت البرنامج
طلب
التمرير
الوثائق التي تمت مناقشتها في عملية فحص الخبراء للرافعة
руб.
– 4361 руб. №000, номер.
عنوان الوثيقة | وجود مالكه | |
بوليصة التأمين للكائنات الخطر المرتفعة ضمن القر المرتفعة ضمن القانون الاتحادي “على السلامة الصناعية لمرافق الإنتاع الخطرة” مؤرخة 01.01.2001 مع التغييرات والإضافات. | ||
وجود “قواعد الجهاز والتشغيل الآمن لرفع الرافعات” مع التغييرات والإضافات. | ||
وجود رسائل إعلامية وتوجيهات Госгортнадзор من روسيا. | ||
وصفة مفتش الدولة في Госгортхнадзор | ||
بروتوكولات التحقق من معرفة PB وتعليمات في IER وموظفي الخدمة. | ||
ترتيب القبول في عمل كرانرز. | ||
التعليمات الرسمية والمبادئ التوجيهية للتوجيهية للتوجيل الآمن لآلات الرفع للأشخاص المسؤولين. | ||
تعليمات الإنتاج لموظفي الخدمة. | ||
التفتيش وإصلاح آلة الرفع. | ||
جدول PPR. | ||
شاهدت مجلة. | ||
مساعدة على طابع عمل الرافعة. | ||
بروتوكول لقياس مقاومة التأريض. | غير مطلوب | |
بروتوكول قياس مقاومة العزل. | غير مطلوب | |
الخرائط التكنولوجية. | ||
مخططات خطوط البضائع (نموذجي). | ||
جواز السفر لرافعة الرفع مع الوثائئ الموردة مع جوائ السفر من الرافعة المشار إليها في القائمة. | ||
دليل التعليمات للركلة المقدمة من قبل الشركة المصنعة. |
التحقق من الوثائق:
متخصص III اور. Номер EPB PS
طلب
Номер телефона
“Верх”
رقم البروتوكول 000-1.
السيطرة البصرية والقياس
1. وفقا للعقد № 07-09 من 01/27/09 من عند, السيطرة البصرية والقياس المتاحة لفحص اللحامات والهياكل المعدنية والآليات رافعة مرسومة كرين KS-4361 رأس لا. 22205 ريج لا. 7646 – Лев. يتم التحكم في السيطرة وفقا لمتطلبات РД “تعليمات” مرسوم البصرية والقياس «المعتمدة من مرسوم Gosgortkhnadzor رقم 92, المسجل في وزارة العدل في الاتحاد الروسي, 06/20/2003 رقم № 000, مع تقييم للمعايير:
РД 24.090.97-98 “رفع المعدات والنقل. شرط تصنيع وإصلاح وإعادة بناء قواعد الرافعات ” ПБ” قواعد الجهاز والتشغيل الآمن لرافعات الرافعات المحمولة ” РД” تعليمات منهجية لاستقصاء آلات الرفع مع حياة خدمة منتهية الصلاحية. الأحكام العامة” و РД ” تعليمات منهجية حول مسح آلات الرفع مع حياة خدمة منتهية الصلاحية.الجزء الثاني. الرافعات بوم الغرض العام الذي دفعت ذاتي.
”
2. مع مراقبة البصرية والقياس للهياكل المعدنية وآليات الرافعة
المنشآت ما يلي:
2.1. لا يعمل OGP. انتهاك لمتطلبات القسم 2.12.7. пб.
2.2. .
انتهاك لمتطلبات القسم 2.12.21. пб.
2.3. لا يعمل مفتاح الحد على آلية رفع الخطاف تعليق.
انتهاك لمتطلبات القسم 2.12.2. (لكن). пб.
3. الاستنتاجات القائمة على القائ السيطرة نتائئ السيطرة المرئية والقياس: الهياكل المعدنية, اللحامات والآليات الامتثال لمتطلبات NTD. 2.1.-2.2. يتم القضاء على هذا البروتوكول داخل المواعيد النهائية المحددة في عيو.
السيطرة أداء: ___________________________
متخصص في مستوى VIC II
رئيس العمل البصري
وقياس السيطرة ___________________________
طلب
Номер телефона
اختبار غير مدمر والتشخيص
“Верх”
البروتوكول رقم 000-2.
وفقا لنتائج الاختبار غير المدمر
тел.: 19.02.09.
المؤسسة – العملاء: .
Номер телефона: Номер телефона KS – 4361 Номер телефона. №000, номер. номер
مقياس سميك: “أوتر” رئيس. التحقق من صحة 12.12.2009.
Номер: P / 2-A-003, الرأس. №000, معطوب حتى 22 ديسمبر 2009 .
تم التحكم في السيطرة وفقا ل RDEK-006-97تصاميم معدنية. متر السلطة الموجات فوق الصوتية متر. الأأكام الأساسية “. في كل نططة مراقبة القياس, تم تنفيذ 3 (ثلاث مرات) على الأأل, تم نقل أدنى مؤشرات للسمك النهائي.
جدول نتائج المراقبة
كائنات القياس | عنصر سماكة جواز السفر (مم) | مادة تصميم المعادن المعدنية | موقف نقاط القياس على العنصر (انظر الملحق رقم 13) | نتيجة قياس السماكة (مم) | Corro-Zyonic Wornê | ملابس جائزة٪ | رقابة جودة |
الجانب الأيسر (على طول الرافعة) | |||||||
رما نيجنيا | |||||||
Номер | |||||||
الجانب الأيمن (على طول الرافعة) | |||||||
رما نيجنيا | |||||||
Номер |
تذكر النقاط انظر الملحق رقم 13.
نتائئ التحكم: تآآل التآآل من الهياكل المعدنية للإطار والازدهار لا يتجاوز
2,5٪ (أقصى قواعد مسموح بها 10 ٪ ص. 5.4 التذييل 9, RD).
Номер:
متخصص. الثاني اور. المملكة المتحدة
طلب
Дата выпуска 19.02.09
نوع آلة الرفع | ||||
صنع في عام 1992.Адрес: Юргинский | ||||
ينتمي. Адрес: Langepas North Promzone 77 | ||||
اسم العقدة، العنصر | وصف العيب | الحد الأقصى المسموح به معايير عيب | خاتمة الحاجة والموعد النهائي للعيب | |
منظمة التوثيق والإشراف | تتوافق مع NTD. | |||
تصميمات | تتوافق مع NTD. | |||
Номер | يتوافق مع NTD. | |||
آليات | يتوافق مع NTD. | |||
انسحب ووصلات الاصبع | يتوافق مع NTD. | |||
المعدات الهيدروليكية | يتوافق مع NTD. | |||
الأجهزة الأمنية | OGP لا يعمل. | انتهاك المتطلبات | إصلاح أو استبدال أجهزة السلامة от 24.02.2009. | |
انتهاك المتطلبات | Номер от 24.02.2009. | |||
انتهاك المتطلبات р. 2.12.2. لكن). | Номер от 24.02.2009. | |||
رئيس الهيئة _________________
مسؤولة عن
ظرف العمل
ز / ن الرافعات.
_____________________________________
طلب
أنشطة ثابتة لنهاية عملية الفحص
السلامة الصناعية
على رافعة الظهر
Номер телефона – 4361 Номер телефона.№ 000 рег.
___________________________ 19.02.09. г. лангепас. ____________________
(تاريخ المكان)
يؤؤد ممثل العميل توقيعه العميل توقيعه الذي سيتم الوفاء به الأأداث المتفق عليها, وأرسلت مؤسسة الخبراء رسالة مكتوبة حول العمل المنززز.
طلب
حساب الانحراف
تاريخ: 19.02.2009.
المؤسسة – العملاء: .
Номер телефона: Номер телефона KS-4361 Номер телефона.№000, номер. номер
تم تنفيذ الحساب : وفقا لمتطلبات RD “. تعليمات منهجية حول مسح آلات الرفع مع حياة خدمة منتهية الصلاحية الجزء 2. الرافعات بوم الغرض العام المدفوع ذاتي”
د – قطر التجزئة؛
ℓ – المسافة من وجبات الإفطار إلى محور أرجل المؤشر؛
ℓ – المسافة بين أرجل المؤشرات؛
a و B – الحركات الخطية (على نطاق المؤشر)؛
0 – ارتفاع تركيب المؤشر.
يتم تعريف النزوحات بأنها قيمة الوسائط المتوسطة (AC و BS) وفقا لقراءات المؤشرات مع خفض ثلاثة مرات من خفض البضائع.
Номер телефона:
ℓ = D + 2 ℓℓ = 1400 + 2 × 100 = 1600 مم،
حيث: D – القطر الخارجي للاتصالات؛ د = 1400 مم؛
ℓ – المسافة من القرارات إلى محور أرجل المؤشر، ℓℓ = 100 مم؛
Номер телефона:
0 “Стиль =” الهامش – اليسار:-. 75pt; طي الحدود: انهيار “>
Номер
علامة
حول القضاء
إصلاح OGP.
إجراء
إجراء
إصلاح التبديل المحطة على آلية رفع تعليق الخطاف.
إجراء
Номер телефона:
مسؤول
الإشراف على ГПК ____________________________________________
طلب
بروتوكول رقم 000-3.
على إجراء الاختبارات الثابتة والديناميكية
Дата публикации: 24.
02.2009
مفوضية مؤلفة: ممثل “Tuwis”, خاصة المستوى الثالث في مجال ЕРВ П.С., ممثل, مسؤولة عن إشراف رافعات G / N _____________________________, بعد القضاء على الانتهاكات المحددة في بيان العيوب المؤرخة 19.02.09, أجريت اختبارات ثابتة وديناميكية للنقر КС-4361. №000, номер. номер
تم إجراء الاختبارات على إقليم القاعدة على المنصة الأفقية في غياب الرياح وفقا لمتطلبات ПБ “قواعد الجهاز والتشغيل الآمن لرافعات الرافعات”, РД «تعليمات منهجية حول الاستبيان للرفع آلات مع خدمة خدمة منتهية الصلاحية.الجزء الثاني. رافعات الرافعات ذاتية الدفع، والأغراض العامة ورافتين دليل تعليمات اممات والأغراض ”
تم إإراء الاختبار الإإصائي مع الطإفرة الرئيسية ف ا رحيل تحميل 4 م كلغ , رفعت إلى ارتفاع 150 ملم وعقدت في هذا المنصب لمدة 10 دقائئ. لم يلاحظ التشوه المتبقي وخفض البضائع.
تم إجراء اختبارات ديناميكية من قبل البضائع 17 600 كجم، جميع الآليات وأجهزة السلامة تعمل مرضية. مع الاختبارات الديناميكية, تم إنتاجه ثلاثة أضعاف ارتفاع وخفض البضائع, وذذلك البضائع, وذذلك التحقق من عمل جميع آليات الرافعات الأخرى عند دمج حركات العمل.
نتائج الإختبار.
عند إجراء فرامل الرافعة بعد الاختبار, تم فصص الرافعة, إضعاف مفاصل الهياكل المعدنية المثبطة والإصبع, لم يتم اكتشاف آليات وحدة الرافعة.
الاستنتاجات.
بوير هوائي كرين KS – 4361 رئيس. №000, номер. التي أدلى بها مططة yurgi لآلات البناء (Юрга), والاختبارات الثابتة والديناميكية وفقا لمتطلبات “القواعد” ل pb والموقف القياسي الدولي ISO 4310.
ملاظظة: أطأطم البضائع السيطرة المقدمة وردا على مراسلاتها من متطلبات الكتلة الفعلية (الوزن) من “القواعد” لمالك الرافعة.
Номер
رقم رقم ___________
г. лангепас 19.02.09.
من أأل تمديد إمكانية استخدام مزيد من الاستخدام في الرافعات في الفترة من 19.02.09 إلى 24.02.09, هناك مسح لآلات الرفع لشركتنا. Номер телефона الامتحان المحدد أطلب:
1.
2. إلى تكليف ___________________________________ مسؤوليات إعداد الوثائق الفنية والشهادات اللازمة لعمل اللجنة, ضمان الشروط اللازمة لإجراء دراسة استقصائية, وتوفير الرافعات لموظفي الخدمة, والاختبار, لمساعدة اللجنة في عملها, تخصيص الغرفة للجنة وضمان حماية ممتلكات اللجنة.
3. لفرض المسؤولية والإشراف على الامتثال لوائئ الامتثال لوائئ السلامة عند إإراء دراسة استصصائية المسؤول عن الإشراف على آليات g / n ________________________ و متخصص. أنا. المستوى الثاني في مجال EPB PS “Tuwis”
4. عمل فحص، بعد موافقته، يقدم لي للنظر فيه.
المدير التنفيذي
Номер
المرجعي
على طبيعة العمل المنجز
رافعة رافعة كرين – 4361 أ، رئيس.№000, номер.
الحد الأقصى كتلة من رافعة الشحن 16 ر .
إجمالي وقت الرافعة من بداية التشغيل (سنوات) 17 سنة كاملة .
عدد الأيام في السنة عندما الرافعة ن 250 дН.
عدد دورات الرافعات في اليوم 20 .
كمية البضائع المارة في اليوم 112 руб.
ظروف درجة الحرارة لرافعة مينغ. -40 ºСС.
руб. +40 ºСС.
خصائص البيئة التي الرافعة
رطوبة.
موقف المناسب: يتمركز.
ساعد بلغت: _____________________________
Номер
وضع وضع الرافعة
يتم تحديد مجموعة التشغيل الرافعة اعتمادا على فئة استخدام وفئة التحميل وفقا لمتطلبات ISO 4301/1 الملحق رقم 4 من pb.
تتميز فئة الاستخدام بعدد إجمالي دورات تشغيل الرافعة أثناء تششغي.
Ст = СС · Н · ТК = 20×250×17 = 8,5×10 = У3
حيث SS هو متوسط عدد دورات الرافعات اليومية؛
ح – عدد أيام العمل في السنة؛
т.к.
إجمالي عدد دورات التشغيل الرافعة.
الفن = 8,5 · 104 يتوافق مع فئة استخدام U3
الجدول 1 ISO 4301/1
Номер телефона:
https://pandia.ru/Text/78/041/IMAGES/IMAGE007_48.GIF”العرض=”12″الارتفاع=”23 SRC=”>
RMAX هي قدرة الحمل المقدرة للرافعة، ر؛
CI – عدد دورات الرافعة عند التحميل بشكل موحد أثناء التغيير أثنافغر 90تر يتر 90ت0
ST – متوسط عدد دورات الرافعات اليومية.ст = σ مع і
معامل تحميل KR = Q1 يتوافق مع فئة التحميل على الجدول 1 ISO 4301/1
ضمن استخدام الفئة – U3 ووضع التحميل – Q 1
مجموعة وضع الرافعة لكن 2 (سهل)
الخلاصة: مجموعة وضع صالح يتوافق مع جواز السفر.
(يتوافق مع / لا تتطابق)
حساب المنتج
Номер
0 “стиль =” الهامش اليسار:-. أسهم الميل اسمى، صورى شكلى، بالاسم فقط Номер درجة تحميل OGP. النتائج اختبار استمارة استمارة استمارة ملاحظات. في الرسم البياني “طول الطفرة, المغادرة, زاوية الميل, تحميل” الفهرس «0 يشير إلى القيم المقاسة, والفهرس 1 هو البيانات الموجودة على جهاز УГП. 3. في العمود “درجة التحميل” C0 \ u003d qh0 / qh2; c1 – إشارة الجهاز
25pt; حدود الحدود: انهيار “>
في الرسم البياني “سعة الحمل الاسمية” من قبل الفهرس 0, تتم الإشارة إلى سعة تحمل مقابلة للمغادرة المقاسة, وفهرس 1 – تحميل سعة للجهاز.
أعضاء اللجنة (التوقيع)
(التوقيع)
الجدول 2
Номер KS-4361A, номер телефона.
نتائج اختبار تحركات العمل.
رئيس اللجنة (التوقيع)
أعضاء اللجنة (التوقيع)
(التوقيع)
الجدول 3.
إلى اختبار اختبار الأدوات وأجهزة السلامة
Номер телефона KS-4361A. ، ريج. 7646-ЛХ.
نتائج اختبار الإنذارات.
رئيس اللجنة (التوقيع)
أعضاء اللجنة (التوقيع)
(التوقيع)
الجدول 6.
إلى اختبار اختبار الأدوات وأجهزة السلامة
Номер телефона KS-4361A, Номер Номер телефона. 7646-ЛХ.
نتائج اختبار المؤشر.
رئيس اللجنة (التوقيع)
أعضاء اللجنة (التوقيع)
(التوقيع)
الملحق رقم 15.
تقييم الموارد المتبقية ل COP Crane – 4361 رأس. № 000 рег. Номер телефона
تم تقييم موارد الرافعة المتبقية وفقا ل RD7 и RD.1. الجزء التمهيدي.
موارد يتم تعريف أي رافعة على أنها إجمالي التشغيل المقدر لآلة الرفع من بداية عملها أو لاستئناف تشغيلها بعد الإصلاح قبل الانتقال إلى حالة الحد.
الموارد المتبقية – القيمة المحسوبة لتشغيل آلة لظظلحمل (من لظظة الفصص) لتحقيق الحالة الحد الأأصى لأأزاءها الأساسية (هياكل المعادن الناقل) في معايير التعب.
Номер телефона:
سهم، عناصر مرفقها
الدعم عن بعد
دعم راما
إطار دوارة
سيتم إإراء تقييم إإراء تقييم المورد المتبقي من قبل حالة الهياكل المعدنية الناهل المذذورة أعلاه من الرافعة.
الأحكام الأساسية.
يقدر المورد المتبقي اعتمادا على نوع الأضرار التي لحقت المعاير3: 900ير3: 900ير3:
إعياء
Номер
يتم التحقق من التعب المحدود من تشغيل تحميل الأأمال الحكومية عن طريق الحساب:
سهم وعناصر مرفقها
الدعم عن بعد
راما غير مرجعي
إطار دوارة
وفقا ل rd7, يسمح للرافعات ذات لقدرة الدفترية تصل إلى 50 طن لتحديد إمكانية تشغيلها الإضافي في نظام القاعة.
في الوقت نفسه تتعلق العيوب ثلاث مجموعات
1.عيوب الإنتاج والتركيب
العيوب الناشئة عن انتهاك تقريبي للعملية العادية.
.
يتوافق كل عيب مع عدد معين من النقاط المحددة من قبل جدول خاص.
مع عدد النقاط 5 موارد رافعة متبقية, يكفي للمسح التالي (بعد الإصلاح, يمكن تمديد عمر الخدمة لمدة عمين).
مع عدد النقاط من 5 إلى 10, يتم استبدال أو إصلاح هياكل تحمل معيبة.
.
بيانات المصدر لتقدير الموارد المتبقية هي:
نتائج مسح آلة الرفع وفقا ل RD7
عدد ونتائج استطلاعات الرافعة السابقة
البيانات التي تميز باستخدام آلة رفع الحمل لفترة عملها بالكامل (عدد الدورات, توزيع البضائع المنقولة على الجماهير, درجة عدوانية المتوسطة, وما إلى ذلك).
البيانات المتعلقة بهندسة العناصر المحسوبة للبناء المعدني، مرا معراع مراا
لهذه الرافعة، إجمالي عدد النقاط، وفقا للجدول أدناه، هو ___ 0,2 ______.هذا يشير إلى أن مورد الرافعة يكفي حتى الفحص التالي من خلال _________ 2 _____ السنة، مع مراعاة القضاء على العيوب المحددة أثناء الفحص.
عرض الخلل | خصائص العيوب | |||
عيوب الإنتاج أو التثبيت | العيوب بسبب الانتهاك الجسيم للتشغيل الطبيعي | العيوب التي نشأت تحت الاستغلال العادي | عيوب تم تحديدها أثناء الفحص | |
عدد النقاط | ||||
1.انتهاك الطلاء | ||||
2. تآكل العناصر المسؤولة ما يصل إلى 5٪ من سمك بما في ذلك. ما يصل إلى 10 ٪ من سمك المدفوع. أكثر من 10٪ من سمك العنصر | ||||
3. فواصل في طبقات أو في المنطقة القريبة | ||||
5.ضعف المركبات الترباس التي تعمل فيها البراغي على التمدد (وذذلك ارتداء مؤشر ترابط دعم المسمار) | ||||
3 | ||||
7. 7.2. عناصر شعرية | ||||
8.تشوه عناصر هياكل الورقة تتجاوز قيم الحد | ||||
9. حزمة معدنية | ||||
3 | ||||
11. أي عيوب تنشأ في مكان الإصلاحات السابقة | ||||
إجمالي عدد النقاط | ||||
طلب
قائمة الأدب المستعمل
القانون الاتحادي “على السلامة الصناعية للإنتام الخطير
الكائنات” مؤرخة 01.01.2001 مع التغييرات والإضافات.
2. Дата регистрации: 01.01.2001, 01.01.2001.
3. PB “قواعد لإإراء فصص السلامة الصناعية”, (بصيغتها المعدلة رقم 1 (PBI 03-490- (246) -02)), المعتمدة من قرار ggttr روسيا مؤرخة 01.01.2001 رقم 48.
4. RD “توفير” لفصص السلامة الصناعية هياكل الرفع “, الذي اعتمده قرار ggttr روسيا رقم 4 من 01.01.2001.
5. Rd “توفير فصص السلامة الصناعية مرافق الرفع”, المعتمدة من قرار ggttr روسيا رقم 5 من 01.01.2001, المسجلة في وزارة العدل 28.03.03, رقم 000.
6. PB “قواعد الجهاز والتشغيل الآمن للرافعات الرفع”, المعتمدة ggtt روسيا رقم 98 مؤرخة 01.01.2001.
7. «تعليمات Rd» للسيطرة المرئية والقياس “المعتمدة بقرار Госгортхнадзор من 01.01.2001. №92, مسجلة في وزارة العدل الاتحاد الروسي 20.06.2003G. № 000.
8. Rd “تعليمات منهجية للمسح منهجية للمسح لآلات الرفع مع حياة الصدمة منتهية الصدمة منتهية الصلاحية. الزءزء 1. الأأكام العامة,” المعتمدة من قرار ggtt روسيا رقم 12 من 01.01.2001.
9. РДالجزء الثاني. الرافعات المزدهرة ذات الأغراض العامة ذاتها الذاتية ذاتها الذاتية “, متفق عليها مع ggtt روسيا 13.11.1997.
10. Rd “التعليمات النموذذية للنموذذية للعاملين في الهندسة والعمال التقنيين المسؤولين عن الحفاظ على آلات الرفع في حالة جيدة”, مع التغييرات في Redi 10-395 (30) -00.
11. Rd “التعليمات النموذذية للنموذذية للنمسؤولين عن لإنتاج الآمن للأعمال من قبل الرافعات”, مع التغييرات في redi 10-406 (34) -01.
12. RD “التعليمات النمال الهندسة والتقنية للإشراف علىنية للإشراف على التشغيل الآمن لآلات الرفع”, بصيغتها المعدلة
Реди 10-388(40)-00.
13. لوائح RD بشأن الإجراءات المتعلقة بتوسيع فترة التشغيل الآمن للأجهزة التقنية للمعدات والهياكل بشأن مرافق الإنتاج الخطرة «, والتي وافقت عليها GGTT روسيا رقم 43 من 01.01.2001.
14. РД “رفع الرافعات. البرامج النموذجية وطرق الاختبار” ، موسكو، Pio Obs, 9003.
15. Rd Rosek-006-97 “ماكينات رفع. تصاميم معدنية. متر السلطة الموجات فوق الصوتية متر. الأأكام الأساسية”.
16. РД “معدات محملة”. المتطلبات الفنية العامة.
17. ISO 4310/1 “الرافعات والقواعد وأساليب الاختبار”.
18. ISO 4301/1 “رافعات الرافعات. تصنيف”.
19. ГОСТ الشروط الفنية.
Номерقائمة الأجهزة والمعدات،
تستخدم عند إجراء مسح رافعة
1.
رأس سمك الموجات فوق الصوتية “Взлет UT” الرأس. № 000.
مع محول. 22 апреля 2009 г.
2. مجموعة من المفاتيح والأدوات الأخرى.
3. كيت للتحكم المرئي VI-1. وبعد تسليمها حتى 22.12.2009:
3 3.1. لحام لحام يونيفرسال – 3 – ب/ن.
3.2. قياس المكبر سواء – 2-8 * (Lee *) – № 000
3.3. Штанзиркуль СС – I -, 1 № 000 مع كعب عمق.
3.4. حساب 90º – ب/ن.
3.5. خط معدني L — مم) — ب/ن.
3.6. مجموعة من قوالب دائرة نصف قطرها رقم 1 ورقم 3 – ب / ن.
3.7. طباعة مجموعة رقم 4 – Б/Н.
3.8. الروليت 3 م – ب / ن.
3.9. مصباح يدوي الضوء المحلي.
3.10. علامة معدنية.
4. قالب لحام العالمي (УЧ).22 апреля 2009 г.
сптк “тувис”
العلاقات العامة وكا
من أأل تحديد إمكانية استخدام نمط الحياة لرافعات الرفع التي لرافعات الرفع التي أمضت حياة التي أمضت حياة الخدمة من الرقم 07-09 من 01.01.2001;
PR و KA Z S V Номер:
2. تعيين لجنة مسح الرافعة في التركيب التالي:
رئيس الهيئة:
مرت الشهادة كمتخصص في هذا المجال
الثاني على القانون الجنائي
(ПВХ).
أعضاء اللجنة :
مرت الشهادة كمتخصص في هذا المجال
فحص السلامة الصناعية لمرافق الرفع
III مستوى التأهيل، المتخصص الثاني vo الخامس)
– مرت الشهادة كما
أخصائي في المنطقة فحص السلامة الصناعية
مرافق الرفع متخصص مستوى التأهيل الثاني الثاني على القانون الجنائي
– مرت الشهادة كمتخصص في هذا المجال فحص السلامة الصناعية لمرافق الرفع أنا مستوى التأهيل, المتخصص الثاني في المملكة المتحدة, فيك.
3. لجان لإجراء مسح للرافعات التالية في
في الفترة من “19” فبراير 2009, في 19 أبريل 2009
.
تعتمد رافعة KS-4361 على هيكل عجلة عجلة خاصة مجهزة بسرجان هوائي توأم. في جورجينيت في السبعينيات. تم تصميم الجهاز لإإراء تصاعد وتحميل العمل على المناطط المفتوحة, وذذلك في المستودعات. تم الإنتاج في المصانع في Юрга و Камышин.
يسمح بعمل المعدات ذات قدرة تصارع تصل إلى 1.5 متر مكعب. يتم تثبيت هيئة العمل على سهم طويل من 10,5 أو 15,5 дюймов. أقصى وزن الحمل في مغرفة هو 3700 كجم. من الممكن تثبيت معدات الطفرة البرجية مع هيكل 15 أو 20 مترا. 10.5 متر على الجهاز. لا يتم تضمين المعدات المدرجة في الحزمة القياسية.
خصائص التقنية والرفع
Номер телефона CS-4361A Номер телефона:
- Номер – 14500 Номер
- العرض (مع دعم يدعم) – 3150 مم؛
- الارتفاع (مع سهم خفضت إلى موقف النقل) – 3030 مم؛
- كتلة التركيب – 23700 كجم؛
- دائرة نصف قطرها الدوران – لا تقل عن 12 م؛
- تحميل السعة عند تثبيت الدعم – 16 ر؛
- القدرة على التحميل دون دعم إضافي – 9 ر؛
- ارتفاع رفع الخطاف – 4.0-8,8 м (يعتمد على المغادرة)؛
- سرعة رفع وخفض البضائع – ما يصل إلى 10 م / دقيقة؛
- سرعة النظام الأساسي – 0,5-2,8 دورة في الدقيقة.
Номер
يعتمد القاسية على إطار ملحوم، مجهز ب 2 جسور. يتم تثبيت الجسر الأمامي التحكم في دعم الموازم ي دعم الموازنة, مما يحسن قبضة العجلات على الطريق غير المستوي.
Бесплатно المحور الخلفي لديه تعليق جامد. يتم تركيب علبة التروس اليدوية 2 سريرا في وسط الإطار. لنقل عزم الدوران إلى الجسور، يتم استخدام مهاوي القيادة.تشمل مخفضات المحور التروس الأسطوانية والمخروطية.
. يتم تركيب وتنظيف العقد من الهيدروليكية الصنبور. Бесплатно على السطط العلوي للإطار, يتم تثبيت منصة دوارة, والتي يتم تثبيتها على جميع وحدات العمل. لتوصيل النظام الأساسي والإطار، رمح الكتف الكرة من الصف 2 مع تاج التالع.
يرى “الخصائص الفنية لرافعة الفيارات لرافعة السيارات لرافعة السيارات KS-2561
تم تجهيز Crane Crane Crane COP 4361A بوحدة طاقة ديزل, والتي تتتضمن وحدة من 75 أسطوانة مدتها 75 أسطوانات قوية من SMD-14A.ملتزم لعمود المرفقي للعمود المرفقي للعمود من قبل اقتران مع turbotransformer, مما يتيح لك ضبط سرعات التشغيل بسلاسة الجهاز. بشكل منفصل عن المحرك تثبيت ضاغط لنظام هوائي. يرسل عزم الدوران باستخدام leadorem. تستخدم مروحة لتبرد الضاغط.
يتضمن ناقل الحركة وصلات CAM و GEER مجهزة بالسيارة الهيدروليكية. وتشمل العقد آليات الدوران والحركة على التوالي.
يتم تطبيق نظام مجتمعة مع محرك أقراص هوائي وهيدروليكي للتحكم في عقد اٹ يتم إدراج الروافع من قبل براثن الرئوية؛ يتم تثبيت محرك أقراص مشابه على محرك أقراص عكس.إيقاف وإصلاح الطبول يتم تنفيذها بواسطة فرامل الشريط.
سهم رافعة شعرية قياسية طوله 10,5 мм من الممكن تثبيت حبال تمديد إضافية بحجم 5 م (ما يصل إلى 3 قطع.). بالإضافة إلى ذلك، يتم تثبيت GOSK الثابت، بعد طول 6 أمتار. عند استخدام Guska، يقتصر طول الطفرة على 20 مترا. عند قاعدة الطفرة، هناك جمعية مفصولة؛ تم تثبيت التركيز الواقي، ومنع البقشيش على النظام الأساسي.
يحتوي الجهاز على محول عزم الدوران، مصمم لقيادة آليات عمل الرافعة.
ميزة التصميم مي التثبيت على رمح واحد من براميل محرك الأأراص الأسطوانة, خطاف الششن والاستيلاء على المعدات.
يتم وضع المشغل في مقصورة معدنية مغلقة. يتم إجراء إدارة الآليات باستخدام العتلات والدواسات.
للحصول على طلب منفصل، هناك سيارات ذات مقصورة محمولة مزودة بسخان ٳسخان تم تجهيز النظام الهوائي بفواصل بخار الماء. تسمح لك الإصدار الشمالي من الرافعة بأداء الرافعة بأداء العمل في درجة حرارة الهواء من-60 درجة مئوية.
وسائل النقل
داخل موقع البناء، تتحرك التقنية بشكل مستقل، وتطوير سرعات تصل تصل إلك 1. يتم السماح بالحركة مع الحمولة المثبتة على سهام الرافعة.في هذه الحالة، توجد العقدة موازية للمحور الطولي للآلة؛ السرعة المسموح بها لا تتجاوز 3 كم / ساعة.
لتسليم المعدات إلى مكان تنفيذ العمل، يتم تطبيق طريقة القطر عقام ام تستخدم الشاحنات كجرارة؛ سرعة الحركة قطار الطريق – 20 كم / ساعة. عند إعادة تكمل علبة التروس إلى وضع محايد, يتم إيقاف تشغيل الأسطوانات الهيدروليكية المثبتة على الجسر الخاضع للسيطرة. لمحرك المحور الأمامي.
يرى “أعلى 3 نماذذ من الرافعات المنزلية المتصاعدة بناء علمتصاعدة بناء على جرارات MKT
يتم تسليم إلى مسافة كبيرة من قبل السكك الحديدية.قبل التحميل من الجهاز، تتم إزالة العجلات، تفكيك السهم. يتم وضع الجزء العلوي من العقدة في الأسفل. يتم تحميل التحميل عن طريق إعداد رافعة متزايدة وجود سعة حمولة لا تقل 5 عل2. إذا كانت الآلة تتضمن عناصر إضافية من الطفرة، يتم نقلها على منصة د كة دكة دكة
في معدات الرافعات الوظيفية هناك نظام تحكم مختلط – نوع هوائيوهليدويركيروواام يتم توفير براميل وأأهزة براميل وأأهزة الإإمالي في حركة نشطة من براثن الدائرة الهوائن الدائرة الهوائية, ومن الممكن إإبار الرافعة على الانتقال إلى الجانب الآخر مع آلية عكسية.
يتم ضبط سرعة الصنبور بسهولة من قبل Турботрансформатор.هذا العنصر الوظيفي يستهلك الطاقة من الصنبور الهيدروليكية.
يحصل الهيكل يدعم مع الرافعات المسمار. على الموقع, تتحرك الجهاز الثثيل بسهولة مع حمولة بسرعة تصل إلى ثلاثة كيلومترات في الساعة. على معدات السكك الحديدية يمكن نقلها إلى المنصة. قبل التحميل، يجب أن تقوم المعالج بإزالة جميع العجلات وقسم أقسام المأأ. يجب أن يتم وضعها من العلوي في أقل. تبلغ خمسة وعشرين طن.
إذا لزم الأمر للنقل KS-4361 أو KS-4361A للصصول على مسافة لائئة, ستحتاج إلى استخدام جرار وجهاز مططورة, وهذا هو, لسحبه في شد.لهذا, يتم تثبيت علبة التروس في وضع محايد, يتم تنظيف عمود محرك الأراص, ويتم ططع اتصال الاسطوانات بالعجلات. غالبا ما تطور الحركة بسرعة تصل إلى عشرين كيلومترا في الساعة. ولكن على المنعطفات، من الأفضل تقليل حوالي ستة إلى سبع مرات.
КС-4361 Крани – турботрансформаторы бита двигателя дизель ( момент преобразователи ). КС-4361 пневматик гильдиракли краннинг умумий о’лчамлари Краннинг ишлайдиган мосламаси учларида кичик ойок кийимлари бо’лган винтли тиргаклар билан жихозланган. KS-4361 Кранининг Техник Тавсифлари
Хайдаш пайтида юк котариш кобилияти ва транспорт холатида йолда токка чикиш бурчаги * – Юк ko’tarish quvvati kranning o’qi bo’ylab joylashgan bom bilan ko’rsatilgan. КС-4361 кранининг асосий ва алмаштириладиган бом ускунасининг хусусиятлари КС-4361 кранидаги механизмланинг барча иджро этивчи органлари турботрансформатор оркали харакатга келтирилади. Двигатель компрессора кувват олиш 32 В-камар узатмаси йордамида амальга осирилади 43 – 44 ва кардан мили 33 . Ягона двигателя КС-4361 кранида, унифицированный механизмларинг кинематик диаграммамассини ко’риб чикишда, асосий ва йордамчи юк ко’тарувчи винч тушунчаси то’лик кo’лланилмайди, чунки битта двигателли хайдовчига эга мексанигадижмларнинг джойкон аманиджмлашуви у ёйо; mexanizmlarning кинематика zanjirining ko’plab elementlari bir qator ijro etuvchi organlar uchun vitesdir. Shu sababli, ushbu kranda faqat ijro etuvchi organlar bilan bevosita bog’liq bo’lgan mexanizmlarning dizayni – barabanlar ko’rib chiqiladi. Умумий шахада 6 учет барабан о’рнатильди: юк 3 , ёрдамчи (ушлаш) 18 вазу 5 . Учта барабан хам рулманли рулманга эга ва мил устида эркин айланади. Барабанлар пневмокамерали муфталар ёрдамида йокилади 1 , 7 ва 14 , милга каттик богланган ва тармокли тормозлар йордамида юкларнинг (юкланган арконлар) та’сири остида эркин айланишдан йоки айланишдан сакланади.
Burilish mexanizmi dan harakatga keltirildi umumiy двигатель барча кран mexanizmlari.конусли тишли 27 краннинг айланиш ва харакатининг тескари мексанизми тескари милга о’тирган конусли тишли узатмалар билан доимий алокадэ бо’лади. Вертикаль мил юклари 14 yuqori qismida chuqur yivli rulman va pastki qismida rulman va ikki qatorli sferik rulman bilan quvvatlanadi. Вертикальные фрезерные пастки учида тишли махкам о’рнатилган 15 , витес билан богланган 8 , вертикальная милга эркин о’рнатилган 12 . мил устида 12 жихозлардан ташкари 8 тормоз каснаги о’рнатилган 13 , тишли дебрияй 10 ва тишли 23 ; уларнинг барчаси милга каттик богланган. Старый акс кран КС-4361 – бошкариладиган, этакчи; uning ramkaga osilishi muvozanatli bo’lib, bu g’ildiraklarning qo’pol yo’llarda poydevorga yopishishini yaxshilaydi. Двигатель ва трансмиссия о’ртасидаги КС-4361 кранида ишкаланиш типидаги асосий дебрий о’рнига максус гидравлик мослама – момент конвертори о’рнатилган. ТРК-325. ТРК-325 момент конвертори насос станцииси коаксиал равишда джойлашган корпусни оз ичига олади. V PNEVMATIK BOSHQARUV TIZIMI KS-4361 Jib Krani Quyidagi Elementlarni O’z Ichiga Oladi: Компрессор, Муздатгич В. Kompressorning birinchi bosqichida havo oldindan siqiladi 13 , совутгич ва йог’ва намлик айратгичдан о’тади ва II боскичда 0,6 – 0,7 гача сикилади. МПа кабул килувчига кирадиган джойдан 16 ва ундан кейин кувур линияси оркали 17 boshqaruv панельига 3 . электр жихозлари кран КС-4361 ички ва ташки йёритишни, ёруглик ва овозли сигналларни, юк чехловчисини кувватлантириш учун ишлатилади; бошлангич двигательни ишга туширишни, бошкарув кабинасини иситиш ва вентиляция килишни, дизель двигательни иситишни таминлайди. Учун юк чегаралари кран ва юк ко’таргичининг автоматик о’чирилиши, ОГП-1 электр юк чехловчиси ишлатильган. Аркон черепаховый 2 бурилиш роликлари оркали о’тади 1 бомж устида 4 va platformaga o’rnatiladi. | КС-4361 Крани – турботрансформаторы бита двигателя дизель ( момент преобразователи ). Ищи ускуналар то’пламига асосий бом 10 киради м , илгак сиг’ими 16 Т ва сиг’ими 1,5 болган туткич м3 , 10 ва 15 метрли о’кларга осилган. Узгартирилиши мумкин бо’лган ускуналар 15, 20 ва 25 узунликдаги бом узунлиги м , асосий бомдан 5 метрли кисмларни ва 6 метрли бошкарилмайдиган джибни кыритиш оркали олинган м .Bom cheklovchi bilan jihozlangan bo’lib, u минимальный masofada ishlaganda platformaga egilishiga to’sqinlik qiladi. КС-4361 пневматик гильдиракли краннинг умумий о’лчамлари Краннинг ишлайдиган мосламаси учларида кичик ойок кийимлари бо’лган винтли тиргаклар билан жихозланган. KS-4361 Кранининг Техник Тавсифлари
Хайдаш пайтида юк котариш кобилияти ва транспорт холатида йолда токка чикиш бурчаги * – Юк ko’tarish quvvati kranning o’qi bo’ylab joylashgan bom bilan ko’rsatilgan. КС-4361 кранининг асосий ва алмаштириладиган бом ускунасининг хусусиятлари
KS-4361 Кранидаги механизмланинг барча иджро этивчи органлари турботрансформатор оркали харакатга келтирилади. 35 . Двигатель компрессора кувват олиш 32 В-камар узатмаси йордамида амальга осирилади 43 – 44 ва кардан мили 33 . Ягона двигателя КС-4361 кранида, унифицированный механизмларинг кинематик диаграммамассини ко’риб чикишда, асосий ва йордамчи юк ко’тарувчи винч тушунчаси то’лик кo’лланилмайди, чунки битта двигателли хайдовчига эга мексанигадижмларнинг джойкон аманиджмлашуви у ёйо; mexanizmlarning кинематика zanjirining ko’plab elementlari bir qator ijro etuvchi organlar uchun vitesdir. Shu sababli, ushbu kranda faqat ijro etuvchi organlar bilan bevosita bog’liq bo’lgan mexanizmlarning dizayni – barabanlar ko’rib chiqiladi.
Умумий шахада 6 учет барабан о’рнатильди: юк 3 , ёрдамчи (ушлаш) 18 вазу 5 . Учта барабан хам рулманли рулманга эга ва мил устида эркин айланади. Барабанлар пневмокамерали муфталар ёрдамида йокилади 1 , 7 ва 14 , милга каттик богланган ва тармокли тормозлар йордамида юкларнинг (юкланган арконлар) та’сири остида эркин айланишдан йоки айланишдан сакланади.
Бурилиш мексанизмы у краннинг барча мексанизмларинг умумий двигательидан ишга туширилади.конусли тишли 27 краннинг айланиш ва харакатининг тескари мексанизми тескари милга о’тирган конусли тишли узатмалар билан доимий алокадэ бо’лади. Вертикаль мил юклари 14 yuqori qismida chuqur yivli rulman va pastki qismida rulman va ikki qatorli sferik rulman bilan quvvatlanadi. Вертикальные фрезерные пастки учида тишли махкам о’рнатилган 15 , витес билан богланган 8 , вертикальная милга эркин о’рнатилган 12 . Старый акс кран КС-4361 – бошкариладиган, этакчи; uning ramkaga osilishi muvozanatli bo’lib, bu g’ildiraklarning qo’pol yo’llarda poydevorga yopishishini yaxshilaydi.Кардан шатидан ярим оклар билан кувватни узатиш 12 oldingi o’qda u silindrsimon asosiy tishli, shuningdek, orqa aksda ham amalga oshiriladi. Ички гильдираклар маркизга о’рнатилади 6 , корпус мустахкамланган цапф устидаги конусли подшипниклар йордамида о’рнатилади. 17 . Фланж билан 5 маркиз 6 аксга уланган 4 . Ташки гильдираклар маркизга о’рнатилади 2 , рулманлар йордамида маркизга о’рнатилади 6 ; shunday qilib, tashqi g’ildiraklar harakatlanmaydi, Chunki ular bo’sh joylashadi. Двигатель ва трансмиссия о’ртасидаги КС-4361 кранида ишкаланиш типидаги асосий дебрий о’рнига максус гидравлик мослама – момент конвертори о’рнатилган. ТРК-325 момент конвертори насос станцииси коаксиал равишда джойлашган корпусни оз ичига олади. 1 , турбина 2 ва хидоят 3 (реактор) гильдираклари. Reaktor korpusga qattiq ulangan. Хайдаш насосининг гильдираги харакатни милдан олади 4 двигатель, турбина (харакатланувчи) еса бошкариладиган милга уланади. V PNEVMATIK BOSHQARUV TIZIMI KS-4361 Jib Krani Quyidagi Elementlarni O’z Ichiga Oladi: Компрессор, Муздатгич В.А. Йог В.А. Namlikni Ajratuvchi, Кабул Qilgich, Pnevmatik Distriatorli Boshqaruv Panni, Kran Aktuatorlariga O’rnatilgan Quvurlar Va pnevmatik Kameralar. Kompressorning birinchi bosqichida havo oldindan siqiladi 13 , совутгич ва йог’ва намлик айратгичдан о’тади ва II боскичда 0,6 – 0,7 гача сикилади. МПа кабул килувчига кирадиган джойдан 16 ва ундан кейин кувур линияси оркали 17 boshqaruv панельига 3 . электр жихозлари кран КС-4361 ички ва ташки йёритишни, ёруглик ва овозли сигналларни, юк чехловчисини кувватлантириш учун ишлатилади; бошлангич двигательни ишга туширишни, бошкарув кабинасини иситиш ва вентиляция килишни, дизель двигательни иситишни таминлайди. Учун юк чегаралари кран ва юк ко’таргичининг автоматик о’чирилиши, ОГП-1 электр юк чехловчиси ишлатильган. Аркон черепаховый 2 бурилиш роликлари оркали о’тади 1 бомж устида 4 va platformaga o’rnatiladi.Булоклар 3 arqonni qo’llab-quvvatlang va uning cho’kib ketishiga yo’l qo’ymang. Бум эгилишнинг чегара бурчагига (айланувчи патнис томон) йетганда, аркон чозилади ва бомбни кейинги харакатдан саклайди. |
юк ко’тариш кобилияти, T: | |
Кууллаб-кувватловчилар хакида: | |
3,75 | |
Кууллаб-кувватламасдан: | |
Kancaning eng kichik qo’li bilan | |
Kancaning eng uzun qismi bilan | |
Канча Парвози, м: | |
Англ Кам | 3,75 |
eng катта | |
Канча Котариш Баландлиги, м: | |
Kancaning eng kichik qo’li bilan | |
Kancaning eng uzun qismi bilan | |
Тезликлари: | |
асосий канчани ко’тариш, м/мин | |
туширыш, м/мин | 0 – 10 |
Айланадиган столнинг айланиш частотыси, об/мин | 0,5 – 2,8 |
О’зиюрар кранлар харакати, км/соат | 3; 15 |
англ кичик бурилиш радиуси (ташки гилдирак бойлаб), м | 12,2 |
Yo’lning eng katta balandligi burchagi, do’l | |
Двигатель: | |
марка | СМД-14А |
Кувват, л. | |
гильдирак изи, м: | |
старый | |
орка | |
кран ог’ирлиги, Т | 23,7 |
карши ог’ирлик, шу джумладан, Т |
Хайдаш пайтида юк котариш кобилияти ва транспорт холатида йолда токка чикиш бурчаги
* – Юк ко’тариш куввати краннинг о’ки бойлаб джойлашган бом билан корсатилган.
** – знаменатель – устунларда ишлаганда краннинг руксат этилган мойиллик бурчаги.
Кран КС-4361 – месин дизель тунггал денган трансформатор турбо ( преобразователь торсы ). Набор лампиранских стрел utama dengan panjang 10 M , kait dengan kapasitas angkat 16 T и захват dengan kapasitas 1,5 м3 dipasang пада стрелы 10 дан 15 метров.Peralatan yang dapat diganti adalah 15, 20 dan 25 стрела panjang M diperoleh дари стрела utama dengan memasukkan bagian 5 метров, dan jib terarah 6 panjang M … Boom dilengkapi dengan pembatas yang sateroperasi агар tidak Джангкауан минимум. Dimensi keseluruhan Дерек Берода Пневматик KS-4361 Рода гиги дерек диленгкапи денган кадик денган джек секруп денган сепату кесил ди уджунгня. Технические характеристики Дерек KS-4361
Daya dukung saat mengemudi dan mengatasi sudut naik di jalan dalam posisi transportasi * – Kapasitas angkat ditunjukkan dengan posisi boom di sepanjang sumbu derek. Характеристики перлатановой стрелы крана utama dan pengganti KS-4361 Semua badan eksekutif mekanisme pada derek KS-4361 digerakkan melalui трансформатор турбо 35 . Daya lepas landas дари месин ке компресор 32 dilakukan melalui приводной клиновой ремень 43 – 44 дан порос кардан 33 . Pada derek KS-4361 dengan penggerak motor tunggal saat mempertimbangkan диаграмма кинематики mekanismenya, konsep лебедка подъемник utama dan tambahan tidak sepenuhnya berlaku, karena pengaturan mekanisme dengan penggerak mesin tunggal tidak memungkinjegan satu atau dilain bedlasan untuk; banyak elemen дари rantai mekanisme кинематик adalah transmisi untuk sejumlah badan eksekutif. Олег Карена Иту, Пада Дерек Ини, Ханья Desain mekanisme ян terkait langsung dengan badan eksekutif – барабан ян dipertimbangkan. Пада порос умум 6 дипасанг тига барабан: карго 3 , банту (амбил) 18 стрела дан 5 … Ketiga барабан adalah bantalan bola дан berputar bebas пада poros. Барабан dinyalakan menggunakan kopling ruang pneumatik 1 , 7 дан 14 terhubung dengan kuat ke poros, tetapi dijaga дари rotasi bebas atau дари rotasi ди bawah aksi beban (tali yang dimuat) menggunakan rem pita.
Mekanisme ayunan dipersembakan oleh mesin umum semua mekanisme derek. Рода Гиги Майринг 27 mekanisme pembalik rotasi dan pergerakan derek berada dalam ikatan konstan dengan roda gigi bevel yang duduk di poros pembalik.Beban Poros вертикальный 14 Mereka diambil di bagian atas oleh bantalan bola Dalam alur, dan di bagian bawah oleh bantalan bola dorong dan bantalan rol bola baris ganda. Sebuah roda gigi dipasang dengan kaku di ujung bawah poros vertikal 15 рода бергиджи 8 дудук bebas di poros вертикальный 12 … Дипоро 12 Селен Рода Гиги 8 катрол рем бертемпат 13 , коплинг джиги 10 Дэн Перленгкапан 23 ; mereka semua kaku terhubung ke poros.Селама ротаси поро 14 Дэн Денган Коплинг 10 Рода Гиги Берпутар Бебас Пада Порос 12 dan mentransfer ротаси ке рода гиги 7 каку дудук ди порос 5 … Берсама денган рода гиги 7 poros vertikal berputar dan dengan demikian daya ditransfer ke mekanisme perjalanan. Ас рода депан дерек КС-4361 – дикендаликан, мемимпин; suspensinya ke rangka seimbang, ян meningkatkan traksi roda ke tanah di jalan yang tidak rata.Transmisi daya dari poros baling-baling oleh semi-poros 12 ди как Рода Depan ITU Juga dilakukan oleh gigi utama silinder, serta di belkang. Roda bagian dalam dipasang di hub 6 , ян диленгкапи денган банталан тирус пада цапфа ян дипасанг пада рангка 17 … Денган фленса 5 пушат 6 terhubung ke semi-poros 4 … Roda luar dipasang di hub 2 , ян дудук ди хаб денган банталан биаса 6 ; Денган Демикиан, Рода Луар Тидак Бергерак, Карена Лонггар. Pada derek KS-4361 antara mesin dan transmisi, alih-alih kopling type gesekan utama, perangkat hidrolik khusus dipasang – конвертер торси TRK-325. Преобразователь торси TRK-325 mencakup rumahan di mana pompa pemompaan terletak secara koaksial. 1 , турбина 2 дан пандуан 3 рода (реактор). Reaktor terhubung secara kaku ke bejana. Рабочее колесо penggerak menerima gerakan dari poros 4 mesin, dan turbin (didorong) terhubung ke poros ян digerakkan. DI DALAM система управления пневматикой стреловой кран KS-4361 mencakup elemen-elemen berikut: kompresor, lemari es dan pemisah minyak-kelembaban, penerima, панель управления dengan распределителем пневматики, saluran pipa dan ruang pneumatik yang dipasang pada aktuator. Удара дикомпресси пада тахап пертама компресор 13 , мелевати лемари эс дан пемисах миньяк-келембабан дан дикомпресси пада тахап II хингга 0,6 – 0,7 МПа дари мана иа мемасуки пенерима 16 Дэн Лебих Джаух Мелалуи Пипа 17 ке панель управления 3 . Peralatan listrik кран KS-4361 digunakan untuk memasok pencahayaan внутренний и внешний, сигнализация cahaya dan suara, pembatas beban; menyediakan peluncuran стартер двигателя, pemanasan dan ventilasi kabin kontrol, pemanas дизель. Untuk batas daya dukung derek dan shutdown otomatis лебедка kargo, pembatas listrik dari kapasitas angkat OGP-1 digunakan. Тракси Тали 2 мелевати ролл дефлекси 1 седан бум 4 дан dipasang пада платформы. мата воздух 3 menopang tali дан mencegahnya kendur. Saat бум mencapai sudut kemiringan maximum (ке Арах Meja Putar), тали ditarik дан menahan бум агар tidak bergerak lebih jauh.
|

37 тонн.
. Самый маленький
new модель автокрана Sany: spc300.m. старший номер: 18tc30355108. номер шасси: mb1dtchd4 jrfw8293. номер двигателя: jhfz 410260 (api)
8 / кг
com/people/james-korinek/
………
…….
Номер телефона:
Ищи ускуналар то’пламига асосий бом 10 киради м , илгак сиг’ими 16 Т ва сиг’ими 1,5 болган туткич м3 , 10 ва 15 метрли о’кларга осилган.Узгартирилиши мумкин бо’лган ускуналар 15, 20 ва 25 узунликдаги бом узунлиги м , асосий бомдан 5 метрли кисмларни ва 6 метрли бошкарилмайдиган джибни кыритиш оркали олинган м . Bom cheklovchi bilan jihozlangan bo’lib, u минимальный masofada ishlaganda platformaga egilishiga to’sqinlik qiladi.

. английский катта
. марка
Кайси витес (занджир йоки тишли) уланганлыгига караб, мил 10 олдинга йоки тескари айланиш хакида хабар берилади.
Тишли мил билан бирга айланади 25 , тишли джант устида думалаб 5 ; краннинг бурилиш кисми айланмокда. 
Уланиш хусусиятига ко’ра дебриядж тури – ишкаланиш; ишнинг табиати ва асосий максади бойича – цизмнинг уланишларини очиш ва йопиш имконини берувчи бошкариладиган ва бирлаштирувчи каврамалар синфига.
Гидравлик тормоз бошкаруви. Шланги цилиндрнинг педилига ойокни босганингизда, поршень чапга ва новда бойлаб харакатланади. 7 ва вилкалар 9 дастагини айлантиради 11 . Шу билан бирга, коз 12 yuqoriga siljiydi va tormoz qo’llaniladi (барабан тормозланади). Agar siz oyog’ingiznipedaldan tushirsangiz, prujinaning ta’siri остида гидравлик цилиндрический поршень. 8 asl holatiga qaytadi (baraban o’chiriladi). Тормоз тасмаси барабан каснагидан бир текис чикиб кэтиши учун камон ишлатилади. 2 .
1 , Тутчич 2 ва пневмокамера 3 .Пневматик камера новдасининг зарбаси созланиши (винтли) тохташ билан чекланган 17 .
Милнинг айланиши пайтида 14 ва дебриядж о’чирилган холда 10 тишли гилдирак милга эркин айланади 12 ва айланишни витесга отказади 7 , Милга Каттик О’Тириш 5 . Ускуналар билан бирга 7 вертикальный мил aylanadi ва шу билан куч harakat mexanizmiga o’tkaziladi.
Кардан шатидан ярим оклар билан кувватни узатиш 12 ustida oldingi aks orqada bo’lgani kabi silindrsimon yakuniy haydovchi tomonidan ham amalga oshiriladi. Ички гильдираклар маркизга о’рнатилади 6 , корпус мустахкамланган цапф устидаги конусли подшипниклар йордамида о’рнатилади. 17 . Фланж билан 5 маркиз 6 аксга уланган 4 . Ташки гильдираклар маркизга о’рнатилади 2 , рулманлар йордамида маркизга о’рнатилади 6 ; shunday qilib, tashqi g’ildiraklar harakatlanmaydi, Chunki ular bo’sh joylashadi.
Корпусларинг устки туткичлари о’к корпусининг тормозтига о’рнатиладиган бурилиш гидравлик цилиндридрларининг новдаларига уланади.
1 , турбина 2 ва хидоят 3 (реактор) гильдираклари. Reaktor korpusga qattiq ulangan. Хайдаш насосининг гильдираги харакатни милдан олади 4 двигатель, турбина (харакатланувчи) еса бошкариладиган милга уланади.
8 .
Булоклар 3 arqonni qo’llab-quvvatlang va uning cho’kib ketishiga yo’l qo’ymang. Бум эгилишнинг чегара бурчагига (айланувчи патнис томон) йетганда, аркон чозилади ва бомбни кейинги харакатдан саклайди.
Amaliyot shuni ko’rsatadiki, mashina mo”tadil iqlim sharoitida ham, eng shimoliy va qattiq haroratli hududlarda ham o’zini yaxshi ko’rsatdi. мухит базан -60 дараджадан пастга тушади.
Рамканинг тепасида краннинг асосий ищи бирликлари бо’лган айланувчи патнис мавджуд. Ramkaning platforma bilan bog’lanishi halqali tishli ikki qatorli sharli elkama-kamar yordamida amalga oshiriladi.
Винчлер пневмокамера дебриаджлари туфайли о’з ишини бошлайди, тескари хайдовчи худди шундай ишлайди. Barabanlarning aylanishini to’xtatish va ma’lum bir holatda qattiq mahkamlash tarmoqli tormozlarning mavjudligi tufayli mumkin.
Бунинг учун пневматик ишлайдиган гильдираклар демонтай килинади, бом альбатта олеб ташланади, уни кисмларга болинади.Tashishning o’zi to’rt o’qli platformada amalga oshiriladi.
м
Kranni o’rnatish o’z kuchi ostida 3 км / soat tezlikda, shu jumladan kanca bilan birga sayt bo’ylab harakatlanadi. E’tibor bering, uzoq masofalarga sayohat qilganda, o’ziyurar transport vositasi traktorga ulangan tirgak yoki tirgakda harakatlanadi. Buning sababi shundaki, katta o’lchamlar tufayli umumiy foydalanishdagi yo’llarga texnika ruxsat etilmaydi. Ташиш вактида бург’улаш тезлиги 20 км/соат дан ошмайди, бурилишда эса 3 км/соатгача камаяди.Темир йо’л оркали ташишда кран темир йо’л платформесига джойлаштирилади. Kranni platformaga yuklash 25 тонн юк ko’tarishga qodir bo’lgan boshqa (yuk) kran yordamida amalga oshiriladi.
Ушбу турдаги уланиш сызга кисмнинг уланишларини очиш ва йопыш имконини беради. Muftaga kasnak, shina va pnevmatik kamera kiradi.
Boshqaruv tizimi kompressor, sovutgich uskunalari, yog ‘va namlik ajratgich, qabul qiluvchi, boshqaruv paneli, pnevmatik kameralar va quvurlarni o’z ichiga oladi. 
. англ кичик
. марка
.
qo’shimcha bomning maximal uzunligi, м
Улар пневматик камерали дебрияджлар йордамида фаоллаштирилади. 19 ва 14 валаларга экилган. Кайси витес (занджир йоки тишли) уланганлыгига караб, мил 10 олдинга йоки тескари айланиш хакида хабар берилади.
У дебриядж билан фаоллаштирилган 27 , мил ЭСА 29 айлана бошлайди. Тишли мил билан бирга айланади 25 , тишли джант устида думалаб 5 ; краннинг бурилиш кисми айланмокда.

Милни тескари айлантириш пневмокамерли дебриядж йордамида занжир узатишни йокиш оркали амальга осирилади. 19 тескари милга о’рнатилган, йоки тишли г’илдиракни айлантириш оркали 11 .
мил устида 12 жихозлардан ташкари 8 тормоз каснаги о’рнатилган 13 , тишли дебрияй 10 ва тишли 23 ; уларнинг барчаси милга каттик богланган.Милнинг айланиши пайтида 14 ва дебриядж о’чирилган холда 10 тишли гилдирак милга эркин айланади 12 ва айланишни витесга отказади 7 , Милга Каттик О’Тириш 5 . Ускуналар билан бирга 7 вертикальный мил aylanadi ва шу билан куч harakat mexanizmiga o’tkaziladi.
Шундай килиб, ички халка о’рнатилади, у айланувчи патниснинг асоси ролини о’йнайди.
Ип мурват билан о’рнатилади 19 .
ТРК-325.
4 ва 8 .
Тизимдаги босимнинг о’згаришини талаб килмайдиган мексанизмлар учун то’г’ридан-то’г’ри та’сир килувчи споллар ко’лланилади.
Батареянинг зарядлаш ва тушириш окимининг киймати амперметр йордамида аникланади. 
Минимальный ag’darilish xavfi bo’lgan bumda yuk bilan harakat qilish qobiliyati tufayli u hali ham turli omborlarda va yog’ochni transport vositalariga yuklashda faol foydalaniladi.
Иш тезлигини созлаш краннинг гидравлик тизимидан озикланадиган турботрансформатор йордамида амальга осирилади.
Platformaga KS-4361A yuk ko’tarish quvvati kamida 25 tonna bo’lgan montaj krani yordamida o’rnatiladi.Uskunadan yuklashdan oldin pnevmatik g’ildiraklarni olib tashlash va bo’laklarni ajratish va yuqori qismini pastki qismga yotqizish kerak. Узгарувчан бом кенгайтмалари алохида платформеда ташилади.
Бир двигателли хайдовчига эга кранлар – ички йониш двигатели – ишкаланиш дебрияджлари бо’лган мексанизмларга о’рнатилган дифференциал г’алтаклар билан жихозланган.
с.
Artikel ini akan berbicara tenang unit yang disebut derek beroda pneumatik KS-4361 A. Perhatian tersebut tertuju padanya karena beberapa alasan, karena layanan jangka panjangnya telah menunjukkan seberapa efektifnya dalam proses bongkar muat, konstruksi, instalasi dan beberapa je je

Gandar belkang dilengkapi dengan suspensi kaku. Di tengah bingkai ada dua tahap коробка передач ручная… Torsi ditransfer ke as melalui poros baling-baling. Kedua Roda Gigi Bevel dan Roda Gigi silinder dipasang di gandar коробки передач.
Kompresor sistem pneumatik dipasang secara independen dari motor. Transmisi torsi terjadi melalui transmisi клиновой ремень. Kompresor didinginkan oleh kipas khusus.
Roda gigi miring dipasang pada poros pembalik, yang, pada gilirannya, menggerakkan roda gigi дари mekanisme putar balik.
Kecepatan Дерек dapat dengan mudah disesuaikan dengan menggunakan конвертер турбо. Elemen fungsional ini mengkonsumsi energi dari hidrolika derek.
Дерек dimuat ке платформы menggunakan Дерек rakitan dengan kapasitas angkat 25 T … Jika ada bagian бум янь dapat diganti, mereka ditempatkan ди платформы kedua.
. мерек
Bergantung пада рода гиги мана ян дигунакан (рантай атау рода гиги), порос 10 rotasi maju atau mundur dilaporkan.
Bersama dengan poros, gigi berputar 25 бергулинг ди гиги 5 ; Bagian berputar дари Дерек berputar.

Добавить комментарий