Кран рдк – Rdk 250 — Википедия
Гусеничный кран РДК-250 технические характеристики, электросхема и чертеж, грузоподъемность
Совместно разработанный советско-германский кран РДК успешно работал на больших стройках 70-х годов прошлого века.
РДК повсеместно применялся и используется до сих пор в стандартной комплектации и с доп.оборудованием для:
- прокладки трубопроводов;
- лесозаготовок;
- монтажа сборных ЖБИ, стальных конструкций;
- технологического оснащения пром.объектов;
- промышленного и жилого строительство с нулевого цикла до окончания работ;
- дорожного строительства, монтажа дорожных покрытий, сооружений;
- монтажа сваевдавливающего оборудования СВУ-В-6 и копровых мачт (КОГ-12) — как базовая машина;
- бурильные работы, сваебой;
- разработки горных пород;
- перегруз сыпучих грузов установленным грейфером.
Установка грейфера возможна только в стреловом варианте.
Технические характеристики
Кран РДК-250 имеет стандартную стрелу длиной 12.5 метра. Для обеспечения безопасности работ устанавливается специализированная система, предотвращающая перегруз и риск опрокидывания крана, а также контролирующая опасное приближение к опорам ЛЭП.

Основные технические характеристики гусеничного крана РДК-25 (рдк-250) рассмотрим в таблице:
| Характеристики | Показатели |
| Длина основной стрелы, м | 12,5 |
| Длина стрелы максимальная, м | 35,2 |
| Длина жесткого гуська, м | 5 |
| Вылет минимальный, м | 1,75 |
| Вылет максимальный (с основной стрелой), м | 13,6 |
| Длина мачты (башенно-стреловое исполнение), м | 12,5 — 27,5 |
| Длина управляемого гуська, м | 10; 15; 20 |
| Грузоподъемность на минимальном вылете, т | 25 |
| Грузоподъемность на максимальном вылете, т | 3,6 |
| Грузоподъемность вспомогательного подъема, т | 5 |
| Грузовой момент максимальный, т*м | 100 |
| Высота подъема при минимальном вылете (главный крюк), м | 12,4 |
| Высота подъема при максимальном вылете (главный крюк), м | 7 |
| Высота подъема при минимальном вылете (вспомогательный крюк), м | 15,7 |
| Высота подъема при максимальном вылете (вспомогательный крюк), м | 6 |
| Вес с основной стрелой, т | 45,2 |
| Среднее давление на грунт, МПа | 0,085 |
| Мощность электродвигателей, кВт | 75 |
| Габаритные размеры (без стрелы), мм | 3225х6300х4300 |
Силовая установка
По мере модернизации на кран устанавливали разные модели дизельных двигателей водяного охлаждения, основные характеристики этих моторов приведены в таблице.
| Двигатель | А01-МЕ | Д-108 | Д-440 |
| Модификации крана | РДК 250, РДК — 250-1 | РДК 250-1, РДК 250-2 | РДК 250-3, РДК 250-4 |
| Кол-во цилиндров | 6 | 4 | 4 |
| Рабочий объем, л | 11,5 | — | — |
| Мощность, л.с. | 130 | 108 | 98 |
| Способ смессеобразования | непосредственный впрыск | ||
| Номинальная частато вращения, об/мин | 1500 | 1140 | 1750 |
| Макс. крутящий момент, Н.м | 683 | 750 | 533 |
| Удельный расход топлива, г/л.с. *ч | 167 | 175 | 168 |
Скорость рабочего движения
Вращение полноповоротной платформы крана с грузом возможно с максимальной скоростью 0.27 об/мин.
Максимальная скорость вращения без груза – 1.13 об/мин при условии использования стрелы длиной не более 27.5 м.
Скоростные характеристики по подъему и спуску крюка отражены в таблицах:
- В стреловом исполнении:
| Главный подъем | Вспомогательный подъем | |
| Подъем при установленных стрелах 12.5; 15.3; 17.5; 20.3; 22.5; 25.3, м/мин | 0,37; 7,37 | 15,7 |
| Подъем при установленных стрелах 27.5; 30.3; 32.5; 35.3, м/мин | 0,74; 14,74 | 15,7 |
| Опускание при установленных стрелах 12.5; 15.3; 17.5; 20.3; 22.5; 25.3, м/мин | 0,4; 2,6; 7,8 | 4,5; 16 |
| Опускание при установленных стрелах 27.5; 30.3; 32.5; 35.3, м/мин | 0,8; 5,2; 15,6 | 4,5; 16 |
- В башенно-стреловом исполнении:
| Главный подъем | |
| Подъем с управляемым гуськом 10 м, м//мин | 0,37; 7,37 |
| Подъем с управляемым гуськом 15, 20 м, м/мин | 0,74; 14,74 |
| Опускание с управляемым гуськом 10 м, м/мин | 0,4; 2,6; 7,8 |
| Опускание с управляемым гуськом 15, 20 м, м/мин | 0,8; 5,2; 15,6 |
Максимальная рабочая скорость передвижения крана – 16.6 м/мин, транспортная – 19.5 м/мин.
Электрооборудование
Для питания механизмов крана установлен 3-х фазный генератор мощностью 75 кВт, 380 В. Два электродвигателя приводят в действия гусеницы шасси.
Характеристики электродвигателей указаны в таблице.
| Главный подъем | Вспомогат. подъем | Передвижение | Изменение вылета | Поворот | ||
| Маркировка | SMH 225 M8 | KMR 112 Mx8 | SMH 160 M4 | SMH 200 M8 | KMR 132 M6 | KMR 160 M16-4 |
| Ток номинальный, А | 70 | 7,9 | 32 | 50 | 16,5 | 9,8/16 |
| Скорость вращения, об/мин | 750 | 750 | 1500 | 750 | 1000 | 375/1500 |
| Вес, кг | 440 | 54 | 150 | 100 | 40 | 40/13 |

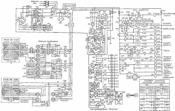
Электросхема крана РДК 25
Устройство
Кран базируется на гусеничном шасси, ширина используемых гусениц составляет 625 мм. Установленная кабина имеет вибро- и звукозащиту. Для комфорта работы установлен отопитель.

Рабочее оборудование может быть двух видов:
- Стреловое. Стандартная стрела имеет длину 12.5 метра. Наращивание ее осуществляется при помощи дополнительных решетчатых вставок длиной 5 или 10 м. Соединение секций стрелы осуществляется при помощи безрезьбовых пальцев, что повышает скорость монтажа. Опционально может быть установлен жесткий гусек длиной 5 м.
- Башенно-стреловое. Решетчатая мачта закреплена неподвижно при помощи тросов-оттяжек. К мачте крепится управляемый (маневровый) гусек длиной 10, 15 или 20 м, при перемещении которого изменяется вылет.
Для обеспечения грузоподъемности в 25 т главный подъем использует 3-х блочную крюковую обойму. Во вспомогательном подъеме используется один блок.Устройство и габаритные размеры гусеничного крана РДК 25

Кран имеет дизель-электрический привод. Для автономной работы может использоваться установленный дизельный двигатель, подключенный к электрическому генератору. Для запуска основного двигателя смонтирован небольшой бензиновый мотор. Все механизмы крана оснащены индивидуальными электроприводами.
В качестве альтернативы возможно подключение крана к электросети напряжением 380 В, 50 Гц. Потребляемый ток – 125 А.
Грузовысотные диаграммы крана РДК-250 (РДК-25)
| cтрела 12,5м cтрела 17,5м cтрела 22,5м cтрела 27,5м cтрела 32,5м | cтрела 12,5м + жесткий гусек cтрела 17,5м + жесткий гусек cтрела 22,5м + жесткий гусек cтрела 27,5м + жесткий гусек cтрела 32,5м + жесткий гусек | башня 12,5м + маневровый гусек башня 17,5м + маневровый гусек башня 22,5м + маневровый гусек башня 27,5м + маневровый гусек |
![]() | ||
Модификации
Кран РДК-25 начал производиться в 1967 году. Впоследствии были проведены несколько модернизаций этого ставшего очень востребованным крана:
- В 1972 году на смену РДК-25 пришла модификация РДК 250-1. Первый кран новой модификации имел заводской № 1390. Краны с номерами с 3742 по 6009 были оснащены новым двигателем Д-108.
- В 1980 году начался выпуск РДК 250-2, в котором появилась новая кабина оператора. Прежняя выступала за габариты крана, что не укладывалось в допустимые размеры (в первую очередь по высоте), принятые при железнодорожных перевозках в СССР. Прежнюю кабину приходилось демонтировать, с новой такая необходимость отпала. Заводские номера этой модификации – с 6010 по 12049.
- Модификация РДК 250-3 имела новый двигатель, а также устройство защиты от приближения к линиям ЛЭП, начало производства – 1988 год. Заводские номера этой модификации – с 12050 по 13448.
- Модификация РДК 250-4 была предназначена для функционирования при экстремально низких температурах, до -60?C, и выпускалась с 1990 года. Было установлено дополнительное утепление кабины, а также предпусковой обогреватель двигателя. Всего выпущено 6 таких кранов.
Продуманность конструкции, удобное управление, функциональность, надежность и высокие характеристики этого крана остаются востребованными и поныне.На видео возможности гусеничного крана РДК-25:
Особенности эксплуатации
Кран РДК-25 предназначен для использования при самых разных температурах в диапазоне от -40?C до +40?C. Для работы при низких значениях температур предназначена «полярная» модификация РДК-250-4.
Максимальная скорость ветра при работе должна быть менее 15 м/сек. В случае, если скорость ветра превышает значение в 20 м/сек, рабочее оборудование, в соответствии с существующей инструкцией, должно быть опущено. Согласно карте районирования территории по ветровым нагрузкам, отраженной в ГОСТ 1451-77, эксплуатация крана РДК-250 допускается в районах до 3-го пояса ветровых нагрузок.
Учитывая низкую скорость передвижения крана, достаточную только для перемещения в пределах рабочей площадки, а также невозможность движения по общим дорогам по причине высокого износа гусеничной ленты и разрушения дорожного покрытия, транспортировка крана осуществляется следующими способами:
- Автотранспортом. Для перевозки шасси с поворотной платформой необходимо использовать прицеп грузоподъемностью 40 т, стреловое оборудование допускается перевозить при помощи бортовых транспортных средств.
- Ж/Д транспортом. Частично разобранный кран перевозится на двух платформах грузоподъемностью по 60 т.
- Водным транспортом.
spectekhnika.info
Характеристики и механизмы крана РДК-250
_____________________________________________________________________________________________
_______________________________________________________________________________________________
Характеристики и механизмы крана РДК-250
Гусеничный кран РДК-250 (РДК-25) предназначен для строительно-монтажных и погрузочно-разгрузочных работ, а также для перегрузки сыпучих грузов грейфером.
Кран оснащен основной стрелой 27 м, которую можно удлинить решетчатыми вставками длиной 2,5 м, 5 м (2 шт) и 8,75 м до 32,75 м с помощью пальцевых безрезьбовых соединений, обеспечивающих быструю сборку, гусек 5 м, гусеничный кран имеет возможность установки неподвижного гуська длиной 5 м и 10 м имеет возможность установки башенно-стрелового оборудования с длиной гуська до 30 м.
Гусеничный кран РДК-250 (РДК-25) может работать как от собственного генератора, который приводится в действие дизелем Д-108 или А01 мощностью 75 Квт, так и от внешнего источника питания 380В.
С помощью этой модели удобно собирать
железобетонные и металлические конструкции, заниматься
погрузкой/разгрузкой и перемещением железобетонных блоков и других
тяжелых грузов.
Преимуществом крана является его мобильность и простота перемещения по строительной площадке или складскому комплексу, а так же надежность и простота в эксплуатации.
Кран состоит из ходовой и поворотной частей, грузовых и стреловой лебёдок, опорно-поворотного механизма, дизель-электрической станции, стойки, кабины управления, рабочей стрелы, гуська, крюковых обойм.
Кабина управления выполнена раздельно с остальной частью корпуса крана, для удобства её снятия в случае транспортировки по автомобильным и железным дорогам.
Функциональные особенности гусеничного крана РДК-25:
– Основная стрела крана 12,5м, удлиняется до 32,5м решетчатыми вставками 5м и 10м с помощью безрезьбовых пальцевых соединений, что обеспечивает быстрый монтаж стрелы.
– Возможен монтаж неподвижного (жесткого) пятиметрового гуська с крюком для вспомогательного подъема г/п 5 тн.
– Кран RDK-250 может перемещаться с грузом до 25тн со скоростью 1 км/ч по неподготовленной площадке.
– Не требуется заранее подготовленной площадки для работы. Гусеничный ход обеспечивает уверенную проходимость в самых разнообразных условиях, обеспечивает хорошую устойчивость при передвижении и работе с грузами.
– Конструкция гусеничного хода и привод крана РДК-250 позволяют выполнять разворот на кривых любого радиуса и на месте.
– Теплозащищенная и шумоизолированная кабина, с хорошей видимостью рабочего пространства и области расположения грузовых лебедок.
– Имеет широкое применение для строительных, монтажных и погрузочно-разгрузочных работ.
– Питание возможно как от внутренней дизель-генераторной установки мощностью 70кВт, так и от внешнего источника электропитания 50Гц 380В.
– Дизель-генераторная установка стрелового гусеничного крана РДК-25-1-2 может применяться для обширного спектра нужд — как дополнительный источник электроэнергии.
– Питание от внешней электросети обеспечивает экологичность и относительную бесшумность при работе в городе, что также существенно экономит топливо.
– Адаптирован для различных климатических поясов: от арктического до экваториального.
– Быстрый монтаж и ввод в эксплуатацию при минимальных трудозатратах.
– Стандартное управление крановыми операциями.

Техническая характеристика стрелового крана РДК-250 (РДК-25)
Габариты крана РДК-250 без рабочего оборудования (мм):
– Ширина ходовой части – 3225
– Ширина гусеничной ленты – 625
– Длина ходовой части – 4710
– Расстояние между ведущими натяжными колёсами (min/max) – 3770/3930
– Расстояние от оси вращения крана до шарнира стрелы – 1450
– Расстояние от противовеса до уровня стоянки крана – 718
– Высота в транспортном положении – 4300
– Высота в башенно-стреловом исполнении – 59032
– Высота в рабочем положении в стреловом исполнении – 6180
– Дорожный просвет (клиренс) – 450
– Радиус хвостовой части в транспортном положении – 4715
– Высота по капоту от уровня стоянки – 3350
– Ширина поворотной платформы – 3150
– Радиус хвостовой части в рабочем положении – 3900
Рабочие параметры крана РДК-25
Подъём крюка:
– главного подъёма – 0.37;7.37 м/мин/0.74;14.74 м/мин
– вспомогательного подъёма – 15.7 м/мин
Опускание крюка крана RDK-250:
– главного подъёма – 0.4;2.6/0.8;5.2
– вспомогательного подъёма – 4.5;16 м/мин
Максимально допустимый уклон рабочей площадки:
– в стреловом исполнении – 3 градуса с нагрузкой – во все стороны/15
градусов без нагрузки – вдоль оси ходовой части с нагрузкой во все
стороны.
Вес крана РДК-25-1-2 без рабочего оборудования – 41.3т.
Удельное давление на грунт – 0.0837 мПа
Силовая установка:
6-ти цилиндровый 4-тактный дизельный двигатель с водяным охлаждением N=74Кв
и n1500об/мин.
Дизель оборудован мощным пусковым двигателем мощностью 7.4Кв.
Электрооборудование:
– генератор 3-х фазного тока со стабилизирующем устройством 3 SBF 255-4
– свинцовая аккумуляторная батарея 12в, 150 Ач
– 4 фары по 34 Вт
– 4 плафона по 2х15 Вт
– 2 звуковых сигнала по 50 Вт
– 3 нагревателя общ. мощностью 3000 Вт
Ходовая часть РДК-250
Ходовая часть соединяется с поворотной платформой посредством опорно- поворотного устройства, а также токосъёмника, который соединяет электрические цепи поворотной и не поворотной частей крана. Для подсоединения к внешней цепи на ходовой части крана имеется выводной кабель со штекерной втулкой.
Привод каждой гусеничной ленты осуществляется отдельным двигателем посредством карданного вала и бортового редуктора насажанным на него выходном валу, ведущем колесом.
Электродвигатели механизма передвижения расположены на специальной в виде поддона огражденной площадки в передней части центральной рамы. В передней и задней частях центральной рамы имеются по две проушины, предназначенные для буксировки крана.
Поворотная платформа РДК-250
Поворотная платформа в сборе соединена с ходовой частью посредством опорно- поворотного устройства и кольцевого токосъемника. Несущей частью поворотной платформы является её сварная рама, на которой установлены узлы и механизмы.
В передней части рамы поворотной платформы крана RDK-250 расположен шарнир крепления стрелы, снизу к раме платформы крепится опорно-поворотное устройство, контр груз и ящики сопротивлений.
К раме поворотной платформы в хвостовой части крепиться откидная площадка. Кабина управления изолирована от машинного отделения. В ход под капот осуществляется через дверь в задней стенке кабины.
В нижней части рамы поворотной платформы имеются порушены для крепления растяжек, с помощью которых поворотная платформа фиксируется по отношению к ходовой части при транспортировке крана.
Кабина крановщика
Кабина управления представляет собой сварную конструкцию из листовой
стали, которая крепиться болтами на площадке и на раме поворотной
платформы.
Первая боковая стена имеет на верху скос для того, чтобы можно было транспортировать кран по железной дороге без снятия кабины.
Кабина РДК-25 сконструирована таким образом, чтобы у крановщика была хорошая видимость по всей рабочей зоны. Это достигается с помощью больших боковых и лобового стекла.
В крыше кабины имеется люк, которую можно при необходимости прикрывать отражателем солнечного света. Такие же два отражателя солнечного света и имеются для лобового стекла. Для защиты от падающих частей люк в крыше имеет защитную решетку.
Для вентиляции кабины при закрытой двери может служить и люк в крыше. Дверь кабины, которая закрывается снаружи на ключ, защищает помещение кабины от неблагоприятных погодных факторов.
Лобовое стекло оборудовано двумя стеклоочистителями. Но их не разрешается включать при обледенелых стеклах. С помощью обогрева стёкол производиться освобождение ото льда. В кабине управления предусмотрено сидение для помощника крановщика.
Стреловое оборудование крана РДК-25
Кран может работать в стреловом и башенно-стреловом исполнении. В стреловом исполнении кран оснащается стрелой с вынесенным вперёд жёстким оголовником.
Кроме того, кран RDK-250 может быть оснащён также жёстким гуськом длиной 5м. при любой длине стрелы. Изменение вылета на кране в стреловом исполнении происходит при изменении угла наклона стрелы.
В башенно-стреловом исполнении кран оснащается башней с маневровым гуськом, а так же др. элементами, предназначенными для удержания маневрового гуська в заданном положении.
Изменение вылетов на кране в башенно-стреловом направлении происходит при изменении угла наклона маневрового гуська. Башня отличается от стрелы той же длины только головкой.
Полиспасты
При работе в стреловом исполнении кран РДК-250 оборудуется полиспастом стрелы и др. полиспастами главного и вспомогательного подъемника.
При работе в башенно-стреловом исполнении кран оборудуется полиспастами башни и маневрового гуськами грузовым полиспастом главного подъёма.
Схема запасовки канатов в полиспастах стрелы и башни является одинаковой. Отличие имеется в длинах и числе стяжек полиспастов, а так же в том, что между оттяжками полиспаста башни не ставится распорка.
С учётом сказанного с учётом описания полиспастов даётся в следующем порядке:
– Грузовой полиспаст главного подъёма в стреловом исполнении.
– Грузовой полиспаст вспомогательного подъёма.
– Полиспаст стрелы (башни).
– Полиспаст маневрового гуська.
– Грузовой полиспаст главного подъёма в башенно-стреловом исполнении.
Крюковые обоймы гусеничного крана РДК-250
Кран РДК-25 оснащён крюковыми обоймами главного(25т.) и вспомогательного(5т.) подъёмов. Крюковая обойма главного подъёма имеет 3 блока, а крюковая обойма вспомогательного подъёма – 1блок.
При работе в стреловом исполнении кран оснащается одновременно обеими крюковыми обоймами. При этом кратность запасовки крюкового полиспаста главного подъёма при стрелах 12.5м., 15.3м., 17.5м., 20.3м., 22.5м., 25.3м. равна 4, а при стрелах длиной 27.5м., 30.3м., 32.5м., 35.3м.- равна 2.
Канаты грузового полиспаста запасовываются на блоках оголовка стрелы. Кратность запасовки грузового полиспаста вспомогательного подъёма во всех случаях равно 2.
При работе крана в стреловом исполнении без жесткого гуська канат обоймы вспомогательного объёма запасовывается на блоках обоймы стрелы. При работе крана в стреловом исполнении с жестким гуськом канат обоймы запасовывается на блок головки гуська.
В целях обеспечения безопасной работы грузовые крюки оснащены устройствам, предотвращающими самопроизвольное выпадение строповочных канатов из зева крюков. Кроме того, на обоймах имеется специальное ограждение, предохраняющие грузовые канаты от выпадания из ручьёв блока обоймы.
Приборы устройства безопасности крана РДК-250 (РДК-25)
На кране РДК-250 (РДК-25) установлены следующие приборы безопасности:
– ограничитель грузового момента.
– ограничитель предельного груза главного подъёма.
– ограничитель предельного груза вспомогательного подъёма.
– ограничитель высоты главного подъёма.
– ограничитель высоты вспомогательного подъёма.
– ограничитель углов наклона стрелы (башни).
– ограничитель углов наклона маневрового гуська.
– креномер.
– указатель вылета стрелы.
– указатель вылета маневрового гуська.
– маятниковый указатель угла наклона крана.
– анемометр.
Кроме указанных выше приборов безопасности кран РДК-250 оснащён устройством безопасности:
– Упором, предотвращающим запрокидывание стрелы
– Страховочной оттяжкой, предотвращающий запрокидывание маневрового
гуська.
– Страховочными растяжками, ограничивающие наибольший вылет маневрового
гуська.
Механизмы крана РДК-25-1-2 оборудованы индивидуальными приводами.
Управление механизма крана независимое, с помощью командоконтролёра.
Электроприводы лебёдок главного и вспомогательного подъёмов обеспечивают возможность получения дополнительных скоростей опускания груза за счёт подтормаживающего действия гидротолкателями, подключенными для питания от цепей роторов электродвигателей лебёдок.
Все рабочие движения крана, за исключением передвижения, могут совмещаться в произвольных сочетаниях. Кран не может передвигаться, если работает любой другой механизм.
Механизм передвижения не может быть запущен, если работают лебёдки главного подъёма, вспомогательного подъёма, лебёдка подъёма стрелы или механизм поворота.
При работающем механизме передвижения не могут быть запущены лебёдка главного подъёма (большой и малый электродвигатели), лебёдка вспомогательного подъёма, лебёдка подъёма стрелы или механизм поворота. При обрыве любой из трёх фаз отключаются привода всех механизмов через главный выключатель крана.
Работа цепи постоянного тока напряжением 12 в. может начинаться лишь после включения главного выключателя батареи аккумуляторов, расположенного непосредственно рядом с батареей, и переключателя на пульте управления с правой стороны.
Все электрические цепи защищены автомобильными предохранителями, находящимися в двух ящиках, расположенных в пульте управления с правой стороны.
Ограничитель грузового момента крана РДК-250
Ограничитель грузового момента работает на постоянном токе напряжением 12 вольт по принципу постоянства усилий в канате полиспаста стрелы. Он представляет собой односигнальный механический ограничитель.
Ограничитель крепится на передней стойке установке укосины. Канат полиспаста стрелы крепится на поперечине задней стойки и передаёт усилия на ОГМ. В зависимости от исполнения крана необходимо изменять положение укосины.
При срабатывании ограничителя грузового момента блокируется подъём груза лебёдками главного и вспомогательного подъёма, опускание стрелы, опускание маневрового гуська, работа механизмом поворота и механизмом передвижения РДК-25.
При этом гаснет расположенное на пульте управления с правой стороны
белая сигнальная лампа, показывающая эксплутационную готовность ОГМ, и
зажигается расположенная рядом сигнальная лампа. Состояние перезагрузки
может быть устранено путём спуска груза, подъёма стрелы или маневрового
гуська.
После этого возможно выполнение всех рабочих движений крана. При срабатывании конечного выключателя размыкается электрическая цепь реле, за счёт этого замыкается контактор и производится выключение выше указанных приводов.
После опускания груза все процессы возвращаются в исходе положение. Если указанный переключатель находится в положении 0, то эксплуатация крана строго запрещена.
_____________________________________________________________________________________________
_____________________________________________________________________________________________
_____________________________________________________________________________________________
_____________________________________________________________________________________________
specdm.ru
Кран РДК-25-2
1. Введение.
1.1. Назначение крана РДК-25-2.
1.2. Указания по эксплуатации.
2. Техническая характеристика крана.
2.1. Габаритные размеры крана без рабочего оборудования.
2.2. Техническая характеристика крана.
2.3. Кран РДК-25-2 в стреловом исполнении без жесткого гуська (исполнение А).
2.4. Кран РДК-25-2 в стреловом исполнении с жестким гуськом 5м.(исполнение В).
2.5. Кран РДК-25-2 в башенно-стреловом исполнении (исполнение С).
3. Описание крана.
3.1. Ходовая часть.
3.2. Поворотная платформа.
3.2.1. Кабина управления.
3.3. Сменное стреловое оборудование.
3.4. Полиспасты.
3.5. Крюковые обоймы.
3.6. Приборы устройства безопасности.
4. Электрооборудование от цепи переменного тока – 380 вольт.
4.1. Отопление и вентиляция.
4.2. Блокировка работы электроприводов.
5. Электрооборудование цепи постоянного тока – 12 вольт.
5.1. Зарядка батарее аккумуляторов.
5.2. Предохранители.
5.3. Измерение температуры охлаждающей воды.
5.4. Измерение скорости ветра.
5.5. Ограничитель грузового момента (ОГМ).
6. Сдача крана в эксплуатацию.
6.1. Необходимые работы и контроль перед первым пуском в работу.
6.2. Контроль перед пуском работы.
6.3. Передвижение крана.
7. Прекращение работы на кране /остановка крана/.
7.1. Кратковременный выход из кабины под капот.
7.2. Кратковременный уход с крана.
7.3. Остановка крана на время рабочего перерыва.
7.4. Остановка крана после окончания рабочего дня.
8. Графики грузоподъёмности.
Монтажный полноповоротный кран грузоподъёмностью 25т. на гусеничном ходу РДК-25-2 с дизель-электрическим приводом предназначен для монтажа сборных железобетонных и стальных конструкций, технологического оборудования промышленных объёктов, для монтажа дорожных сооружений, а так же для погрузо-разгрузочных работ. Кран РДК-25-2 изготовлен в ГДР.
1.2. Указания по эксплуатации крана
При эксплуатации необходимо выполнять следующие требования:
1. Работу крана в каждом случае можно начинать лишь при наличии исправности всех приборов и устройств безопасности, а так же тормозов и др. электрооборудования лебёдок и механизм.
2. Перед началом эксплуатации крана необходимо очистить тормозные диски от масла и антикоррозийных веществ.
3. Кран должен быть установлен на площадке с твердым или утрамбованным покрытием. Уклон рабочей площадке при работе с грузом не должен превышать:
– в стреловом исполнении 3 градуса,
– в башенно-стреловом исполнении:
с башнями высотой 12.5-22.5м – 2 градуса
с башнями высотой 25.3-27.5м – 1 градус.
4. применять тока пригодные, испытанные и допущенные надзором грузозахватные средства.
5. Кран предназначен для работы в районах до 3 пояса ветровых нагрузок. При работе крана выше 3 пояса по окончанию рабочего дня, а также в случае возможного ветра со скоростью 20м/c необходимо опускать рабочее оборудование.
6. Прицепленные к крюку грузы поднимать и опускать только после сигнала помощника. Контролировать допускаемый наклон крана по креномеру.
7. Перед началом работы контролировать тормоза.
8. При передвижении с максимально допустимыми грузами на крюке поднимать груз не более чем 0.5м.
9. При передвижении без грузаприцепить крюк в проушину для буксирной тяги.
10. При работах со стреловом оборудованием А и Б в областях минимальных вылетов обратить внимание на то, чтобы стрела при посадке груза и передвижении крана не колебалась опрокидывалась к упору.
Запрещается :
– работать краном при скорости ветра свыше 15м/с.
– работать с грузами превышающую допустимую грузоподъёмность для данного вылета.
– Поднимать узлы детали, не имеющие маркировки и др. указаний о весе изделия.
– Отрывать груз, засыпанный землёй, примёрзший к земле или заложенный др. грузами.
– Работать с сильно раскачивающимся или вращающимся грузом, груз необходимо успокоить и только затем продолжить работу.
– Включать рабочие движение, не дав предупредительного сигнала.
– При подъёме рабочего оборудования из монтажного положение в рабочие / при опускании из рабочего в монтажное / отрывать от земли крюковые обоймы.
– Поворачивать поворотную платформу крана без рабочего оборудования (поворотная платформа должна быть установлена вдоль продольной оси ходовой части).
2. Т
mirznanii.com
Кран РДК-25-2 – часть 3
Подача звукового сигнала происходит при нажатии на ножной выключатель /А6в59/. При уходе с крана по окончанию работы, следует обязательно выключить /А6а51/.
5.1.Зарядка батарее аккамуляторов.
Батарея аккумуляторов находится под тормозом механизма. Монтаж и демонтаж осуществляется непосредственно внутри капота.
Подзарядка батареи аккумуляторов происходит автоматически через имеющиеся на кране кремниевые выпрямители при условии, что включен главный выключатель /А6а51/ батареи аккумуляторов и сеть.
С помощью расположенного на пульте управления с правой стороны амперметра можно установить, происходит ли зарядка батарее аккумуляторов.
5.2 Предохранители.
Все электрические цепи защищены автомобильными предохранителями, находящимися в двух ящиках, расположенных в пульте управления с правой стороны.
5.3 Измерение температуры охлаждающей воды.
Температура воды измеряется с помощью электрического термометра. Величину температуры воды можно определить после включения указателя температуры, имеющего три цветных части шкалы соответствующие:
– синяя – температура воды 40-60 градусов
– зелёная – температура воды 60-95 градусов
– красная – температура воды 100-120 градусов
Диапономинальной температуры находится в пределах 80 – 95 градусов и расположено второй половинозелёной части шкалы.
5.4. Измерение скорости ветра.
Скорость ветра измеряется с помощью анемометра, установленного на головке стрелы или, но головке маневрового гуська в башенно-стреловом исполнении. Анемометр представляет собой генератор, меняющий напряжение в зависимости от скорости ветра. Скорость измеряется непосредственно по шкале указателя, в который подаётся ток, вырабатываемый генератором. Указатель расположен на задней стойке в кабине управления. Проводка цепи анемометра осуществляется посредством семижильного кабеля. При скорости ветра свыше 15м/сек. работа крана должна быть прекращена.
5.5. Огранечитель грузового момента (ОГМ).
При срабатывании ОГМ блокируется подъём груза лебёдками главного и вспомогательного подъёма, опускание стрелы, опускание маневрового гуська, работа механизмом поворота и механизмом передвижения. При этом гаснет расположенное на пульте управления с правой стороны белая сигнальная лампа, показывающая эксплутационную готовность ОГМ, и зажигается расположенная рядом сигнальная лампа. Состояние перезагрузки может быть устранено путём спуска груза, подъёма стрелы или маневрового гуська. После этого возможно выполнение всех рабочих движений крана. При срабатывании конечного выключателя размыкается электрическая цепь реле, за счёт этого замыкается контактор и производится выключение выше указанных приводов. После опускания груза все процессы возвращаются в исходе положение. Если указаный переключатель находится в положении 0, то эксплуатация крана строго запрещена.
6. Сдача крана в эксплуатацию.
Эксплуатация крана должна производиться в строгом соответствии с требовании правил устройства и безопасной эксплуатации грузоподъёмных кранов Гостехнадзора РФ.
6.1. Необнодимые работы и контроль перед первым пуском в работу.
1. Проверка комплектности поставки по спецификации. Контроль поставленных быстроизнашивающихся деталей, инструментов и принадлежностей.
2. Подробно изучить поставляемую документацию.
3. Познакомить персонал с указаниями по эксплуатации и уходу.
4. Смонтировать кран в соответствии с указаниями по монтажу крана.
5. Произвести заправку смазочными материалами и топливом. При этом обратить внимание на имеющуюся в данное время температуру окружающего воздуха.
6. Зарядить батарею аккумуляторов.
7. Смонтировать рабочее оборудование, включая приборы и устройства безопасности, запасовать канат.
8. Проверить правильность по установки креномера, в кабине крановщика, если требуется, то произвести корректировку следующим образом:
Установить кран на горизонтальной площадке. С помощью ватерпаса проверить поворотную платформу крана на горизонтальность в продольном и поперечном направлении. Если потребуется, провести корректировку.
После этого определить положение воздушного пузырька, воздушный пузырёк должен быть расположен концентрично во внутренней окружности. Если необходимо установку креномера подрегулировать
6.2 Контроль перед пуском работы.
1. Контроль вех уровней масла
2. Проверить уровень электролита батареи аккумулятора и в случае необходимости дополнить дистиллированной водой в соответствии со специальной инструкции по эксплуатации батареи.
3. Проверить заполнением топливом баков дизеля и пускового двигателя и если есть необходимость, то долить дополнительно топливо в баке.
4. Проверить состояние и натяжения установленного клинового ремня и при необходимости потянуть его.
5. Все рукоятки команды контролёров должны находиться в нулевом положении.
6. Проверить натяжение гусеничных лент и, если надо, потянуть её с помощью натяжного устройства.
7. Проверить уровень охлаждающей воды и, если требуется, долить в радиатор охлаждающей жидкости.
8. Все приборы и устройства безопасности на кране должны находиться на своих местах и должны быть в исправном состоянии.
9. При работе крана от внешней сети необходимо проверить надежность зануления элементов штекерного соединения на ходовой части, генератора и главного выключателякрана. Кроме того, необходимо проверить исправность нулевого контактного кольца кольцевого токосъёмника. Необходимо оборудовать соединительный кабель штеккером, соответствующий нормам стран.
Внимание! Работа крана с повреждённым занулением ЗАПРЕЩЕНА!
10. Следует проверить, соответствует ли расположенная на стреле шкала вылетов грузоподъёмностей установленному на кране рабочему на кране рабочему оборудованию и при необходимости установить нужную шкалу.
11. Проверить крепление канатов на барабанах лебёдок.
12. Проверить степень износа канатов в соответствии с приложением 8 к Правилам Гостехнадзора СССР и в случае наличия недопустимого износа канаты заменить новыми.
13. Витки каната на барабанах должны быть наложены аккуратно, виток к витку.
14. Работа крана при более 15м/с запрещается.
15. Снять крепление поворотной платформы к ходовой части.
16. Проверить работу расположенного в кабине крановщика маятникового указателя угла наклона крана.
17. Проверить работу креномера.
18. Пребывание в рабочей зоне лиц запрещается.
19. Кран допускается в районах, где температура не ниже 40 градусов
20. Допустимый при работе крана уклон местности:
– В стреловом исполнении 3 градуса
– В башенно-стреловом исполнении:
От 12.5 до 22.5м. 2 градуса
От 23.5 до 27.5м. 1 градус
21. Необходимо поставить переключатель А7о3 расположенный в ящике ограничителя грузового момента, в положение 1.
22. Эксплутационная способность ограничителя грузового момента проверяется по белой сигнальной лампочке на пульте управления.
6.3. Передвижение крана.
При передвижении крана следует выполнять следующие указания:
1. Взгляд крановщика должен быть направлен в направлении движения крана
2. Во время передвижения с грузом и при передвижении на большие расстояния и при больших наклонах ведущие колёса должны находиться сзади.
3. Допустимый продольный уклон горизонту при передвижении крана в стреловом исполнении составляет с грузом 3 градуса по креномеру и без груза 15 градусов по маятниковому указателю угла наклона крана, установленного в кабине.
4. Для работы крана в башенно-стреловом исполнении должна иметься подготовленная площадка с максимальным допустимым уклоном не свыше 2 градусов при башнях 12.5 – 3м. и 1 градус при башнях 25.3 и 27.3 м. по креномеру.
– При передвижении без груза максимально-допустимый уклон площадки горизонту составляет 5 градусов по маятниковому указателю угла наклона кр
mirznanii.com
Кран РДК-25-2 – часть 2
3.2.1. Кабина управления.
Кабина управления представляет собой сварную конструкцию из листовой стали, которая крепиться болтами на площадке и на раме поворотной платформы. Первая боковая стена имеет на верху скос для того, чтобы можно было транспортировать кран по железной дороге без снятия кабины. Кабина сконструирована таким образом, чтобы у крановщика была хорошая видимость по всей рабочей зоны. Это достигается с помощью больших боковых и лобового стекла. В крыше кабины имеется люк, которую можно при необходимости прикрывать отражателем солнечного света. Такие же два отражателя солнечного света и имеются для лобового стекла. Для защиты от падающих частей люк в крыше имеет защитную решетку. Для вентиляции кабины при закрытой двери может служить и люк в крыше. Дверь кабины, которая закрывается снаружи на ключ, защищает помещение кабины от неблагоприятных погодных факторов. Лобовое стекло оборудовано двумя стеклоочистителями. Но их не разрешается включать при обледенелых стеклах. С помощью обогрева стёкол производиться освобождение ото льда. В кабине управления предусмотрено сидение для помощника крановщика.
3.3. Сменное стреловое обродувание.
Кран может работать в стреловом и башенно-стреловом исполнении. В стреловом исполнении кран оснащается стрелой с вынесенным вперёд жёстким оголовником. Кроме того, кран может быть оснащён также жёстким гуськом длиной 5м. при любой длине стрелы. Изменение вылета на кране в стреловом исполнении происходит при изменении угла наклона стрелы.
В башенно-стреловом исполнении кран оснащается башней с маневровым гуськом, а так же др. элементами, предназначенными для удержания маневрового гуська в заданном положении. Изменение вылетов на кране в башенно-стреловом направлении происходит при изменении угла наклона маневрового гуська. Башня отличается от стрелы той же длины только головкой.
3.4. Полиспасты.
При работе в стреловом исполнении кран оборудуется полиспастом стрелы и др. полиспастами главного и вспомогательного подъемника.
При работе в башенно-стреловом исполнении кран оборудуется полиспастами башни и маневрового гуськами грузовым полиспастом главного подъёма.
Схема запасовки канатов в полиспастах стрелы и башни является одинаковой. Отличие имеется в длинах и числе стяжек полиспастов, а так же в том, что между оттяжками полиспаста башни не ставится распорка.
С учётом сказанного с учётом описания полиспастов даётся в следующем порядке:
1. Грузовой полиспаст главного подъёма в стреловом исполнении.
2. Грузовой полиспаст вспомогательного подъёма.
3. Полиспаст стрелы (башни).
4. Полиспаст маневрового гуська.
5. Грузовой полиспаст главного подъёма в башенно-стреловом исполнении.
3.5. Крюковые обоймы.
Кран РДК-25-2 оснащён крюковыми обоймами главного(25т.) и вспомогательного(5т.) подъёмов. Крюковая обойма главного подъёма имеет 3 блока, а крюковая обойма вспомогательного подъёма – 1блок.
При работе в стреловом исполнении кран оснащается одновременно обеими крюковыми обоймами. При этом кратность запасовки крюкового полиспаста главного подъёма при стрелах 12.5м., 15.3м., 17.5м., 20.3м., 22.5м., 25.3м. равна 4, а при стрелах длиной 27.5м., 30.3м., 32.5м., 35.3м.- равна 2. Канаты грузового полиспаста запасовываются на блоках оголовка стрелы.
Кратность запасовки грузового полиспаста вспомогательного подъёма во всех случаях равно 2. При работе крана в стреловом исполнении без жесткого гуська канат обоймы вспомогательного объёма запасовывается на блоках обоймы стрелы. При работе крана в стреловом исполнении с жестким гуськом канат обоймы запасовывается на блок головки гуська.
В целях обеспечения безопасной работы грузовые крюки оснащены устройствам, предотвращающими самопроизвольное выпадение строповочных канатов из зева крюков. Кроме того, на обоймах имеется специальное ограждение, предохраняющие грузовые канаты от выпадания из ручьёв блока обоймы.
3.6. Приборы устройства безопасности.
На кране установлены следующие приборы безопасности:
1. ограничитель грузового момента.
2. ограничитель предельного груза главного подъёма.
3. ограничитель предельного груза вспомогательного подъёма.
4. ограничитель высоты главного подъёма.
5. ограничитель высоты вспомогательного подъёма.
6. ограничитель углов наклона стрелы (башни).
7. ограничитель углов наклона маневрового гуська.
8. креномер.
9. указатель вылета стрелы.
10. указатель вылета маневрового гуська.
11. маятниковый указатель угла наклона крана
12. анемометр
Кроме указанных выше приборов безопасности кран РДК-25-2 оснащён устройством безопасности:
1. упором, предотвращающим запрокидывание стрелы
2. страховочной оттяжкой, предотвращающий запрокидывание маневрового гуська.
3. Страховочными растяжками, ограничивающие наибольший вылет маневрового гуська и др. приборами и устройствами, повышающие степень безопасности крана.
4. Электрооборудование от цепи переменного тока – 380 вольт.
Механизмы крана оборудованы индивидуальными приводами. Управление механизма крана независимое, с помощью командоконтролёра. Электроприводы лебёдок главного и вспомогательного подъёмов обеспечивают возможность получения дополнительных скоростей опускания груза за счёт подтормаживающего действия гидротолкателями, подключенными для питания от цепей роторов электродвигателей лебёдок.
При полной исправности электрооборудования перед его включением необходимо следить, чтобы были:
1. все рукоятки /рычаги/ командоконтроллёров в кабине управления в нулевом управлении.
2. Включены все защитные выключатели в распределительном шкафу.
3. Включены все реле максимальной защиты.
4. Ввинчены все предохранители в распределительном шкафу и главном выключателе крана.
Принципиальная электросхема крана, перечень элементов электрооборудования, чертежи, схемы составных частей электрооборудования крана РДК-25-2 находятся в прилагаемой отдельной папке “Электрооборудование крана РДК-25-2” /АМК-30/.
4.1.Отпление и вентиляция.
Кабина имеет электрическую и отопительную систему. Общая установленная система составляет 3500вт,которая подразделяется следующим образом:
– I шт. отопитель, 2х 750 вт, для обогрева как лобового, так и правого бокового, стекл в комбинации с вентилятором мощностью 2.0 – 2.7м/мин.
Вентилятор всасывает воздух из кабины и продавливает его через радиатор, после чего через специальный трубопровод, нагретый воздух передаётся к выше названным стёклам. Этот отопитель имеет штуцер, из которого может быть направлена часть от общего потока тёплого воздуха к ногам крановщика.
– I шт. отопитель, 2х750 вт, для прямого обогрева кабины управления, скомбинирована с вентилятором 2.0 – 2.7 м/мин.
Принцип работы такой же, как у первого отопителя. Он полностью отдаёт свой тёплый воздух через штуцер в кабину. Его место установления находится вне кабины у левой боковой стенки.
– I шт. отопитель, 500 вт, для обогрева левого бокового стекла.
При помощи обоих выключателей в кабине можно получить в 4х комбинациях включения отопительную мощность на 1500вт, 500вт, 2000вт, 3500вт.
При включении больших отопителей одновременно включается воздуходувка. Если воздуходувка следствии неисправности не работает, тогда надо обязательно выключать радиатор на 1500вт.
Вентиляция.
Для вентиляции служат 2 вентилятора. Оба вентилятора можно отдельно и независимо от их отопителей включить за счёт включения 2 выключателей:
– выключатель А6в52: вентилятор кабинного отопления
– выключатель А6в58: вентилятор переднего отопителя
Оба вентилятора могут в течение 1 мин. обновлять весь объём воздуха кабины. Наличие люка в крышке кабины обеспечивает хорошую вентиляцию кабины.
4.2. Блокировка работы электроприводов.
Все рабочие движения крана, за исключением передвижения, могут совмещаться в произвольных сочетаниях.
Кран не может передвигаться, если работает любой другой механизм. Механизм передвижения не может быть запущен, если работают лебёдки главного подъёма, вспомогательного подъёма, лебёдка подъёма стрелы или механизм поворота. При работающем механизме передвижения не могут быть запущены лебёдка главного подъёма /большой и малый электродвигатели/, лебёдка вспомогательного подъёма, лебёдка подъёма стрелы или механизм поворота.
При обрыве любой из трёх фаз отключаются привода всех механизмов через главный выключатель крана.
4.3. Правый пульт управления (объяснение условных обозначений).
4.4. Левый пульт управления (объяснение условных обозначений).
4.5. Распределительный шкаш (объяснение условных обозначений).
5.Электрооборудование цепи постоянного тока – 12 вольт.
mirznanii.com
История создания крана РДК-250 (RDK-250)
Кран гусеничный РДК-250 (RDK-250) | История создания крана
В 1966г. начали проектировать кран РДК-25.
Данный кран предназначен для эксплуатации в диапазоне температур от – 40°C до + 40°C, с соблюдением норм взаимозаменяемости узлов с советским гусеничным краном МКГ-25, данная задача была поставлена Внешнеэкономическим Объединением «Машиноимпорт» СССР.
В 1967г. уже была поведена опытная сборка и испытание гусеничного крана РДК-25 (RDK-25).
На специально созданной испытательной площадке завода Zemag прошло первое испытание РДК-25 и уже через год первые краны были представлен на выставке в Лейпциге.
В начале 1970г. количество выпущенных кранов марки РДК-25 уже достигло 500 единиц и через два года был снят с производства.

В 1972г. завод запустил выпуск усовершенствованной модели РДК-250-1 (2), серия кранов с номера 1390.
Гусеничные краны РДК-250-1 отличались от РДК-25 новой силовой установкой, а на кране РДК-250-2 была изменена кабина машиниста под стандарты ж/д перевозок СССР. Что касается крана гусеничного РДК-250-3, то эта модель крана уже имела новый дизельный двигатель и устройство защиты. Для работы в более низком температурном режиме (полярное исполнение крана -50°C) был разработан гусеничный кран РДК-250-4. РДК-250-4 разработан в полярном исполнении для проведения работ при температуре минус 50 °C и хранении при -60°C.
В 1983г. году был разработан кран РДК-400 (RDK-400) с грузоподъемностью 40 тонн.
В 1990г. разработали кран РДК-630 с грузоподъемностью 63 тонн.
В 1991г. кран РДК-250 (RDK-250) сняли с производства.
В нашу страну было импортировано порядка 15 тысяч кранов, и надо отметить, что в настоящее время краны РДК-250 (РДК-250-1, РДК-250-2, РДК-250-3) являются самыми популярными и востребованными кранами на различных площадках, несмотря на возраст этих кранов, это обусловлено следующими факторами: высокая маневренность, большая грузоподъемность, надёжность и простота в эксплуатации крана РДК-250. Именно эти качества крана РДК-250 и предопределяют высокой конкурентной способностью по отношению к другим гусеничным кранам или к специальным башенным кранам, которым необходимы подкрановые пути. РДК-250 могут быть оснащены сменным башенно-стреловым оборудованием.
Гусеничные краны РДК-250 самоходные, монтажные и дизель-электрические, что дает возможность существенной экономии дизельного топлива, а при перебоях электричества оперативно переключаться на работу дизель-генератора крана.
kranrdk250.ru



Добавить комментарий