Кпп 1221: устройство, схема переключения, гидросистема КП
Коробка передач МТЗ-1221
_____________________________________________________________________________
_____________________________________________________________________________
____________________________________________________________________________________________
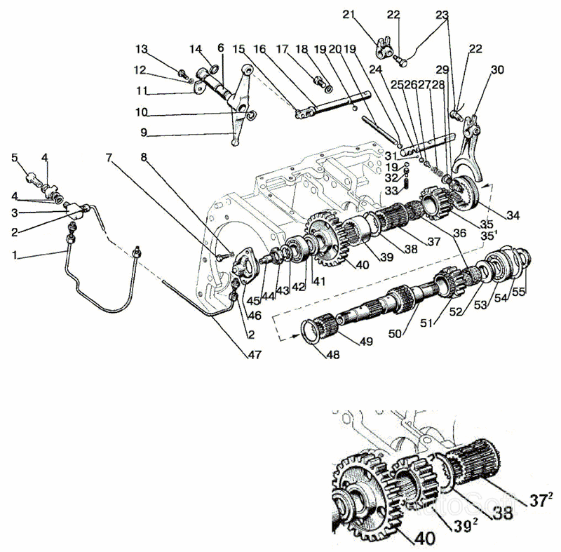
Коробка передач МТЗ-1221 Беларус (см. рис. 4) – механическая, ступенчатая, диапазонная – состоит из узла передач, вала пониженных передач и заднего хода, блока шестерен, вторичного вала установленных в корпус, а также механизма управления и узлов гидравлической системы.
Рис.4. Продольный разрез КПП МТЗ-1221 Беларус
1 – корпус; 2, 4, 5, 6, 10, 17, 19, 20, 31, 32,34, 39, 40, 41, 43, 44,
45 – шестерни; 3, 9, 26, 42 – синхронизаторы; 7 – корпус вилок; 8, 18,
37 – вилки; 11, 23, 25, 27,
28, 30, 35, 38, 46, 49 – подшипники; 12, 15, 47, 50–гайки; 13 –
шариковый фиксатор; 14 – механизм управления; 16, 21 – прокладки
регулировочные; 22 –
гнездо подшипника; 29 – вал привода независимого ВОМ; 33 – вал блока
шестерен; 36 – муфта зубчатая; 48 – вал промежуточный; 51 – вал
первичный; 52
– стакан подвода смазки; 54 – крышка; 53 – маслопровод.
Узел передач смонтирован на крышке (54) и состоит из вала первичного (51), на котором на игольчатых подшипниках установлены ведущие шестерни (2, 4, 6,10), обеспечивающие включение 5-й, 6-й, 3-й и 4-й передачи соответственно.
Ведущая шестерня 1-й передачи выполнена заодно с валом (51), а ведущая шестерня 2-й передачи жестко соединена с валом. Игольчатые подшипники смазываются под давлением по маслопроводу (53) и отверстиям в валу.
На шлицах вала размещены два инерционных синхронизатора (4) и (9), которые осуществляют переключение 5-й и 6-й, 3-й и 4-й передач. Опорами вала первичного в крышке (54) и корпусе (1) являются шариковые подшипники.
На валу промежуточном (48) с натягом посажены ведомые шестерни (54,40 и 39) 5-й, 6-й, 3-й и 4-й передач соответственно. Ведомые шестерни (43) и (41) соответственно 2-й и 1-й передач установлены на игольчатых подшипниках.
На шлицах вала расположен инерционный синхронизатор (42), с помощью
которого происходит включение 1-й или 2-й передачи.
Вал пониженных
передач
и заднего хода 3 (см. рис. 5) установлен в корпусе (4) на подшипниках
(1) и (12).
На валу установлены ведомая шестерня (10), соединяемая с валом втулками (9), ведущая шестерня переднего хода (8) и шестерня заднего хода (5), установленные на игольчатых подшипниках.
С валом эти шестерни соединяются с помощью муфты зубчатой (6). Втулка (16), соединенная с валом шлицами, стопорится на валу стопорным кольцом (7).
Рис. 5. Вал пониженных передач и заднего хода КПП МТЗ-1221 Беларус
1,12 – подшипники; 2,13 – гайки; 3 – вал; 4 – корпус; 5,8,10 – шестерни; 6 – муфта зубчатая; 7 – кольцо стопорное; 9 – втулка; 11 – крышка; 14 – стакан подвода смазки; 15 – маслопровод; 16 – втулка.
Вал блока шестерен 33 (см. рис. 4) установлен в корпусе (1) на подшипниках (27) и (35). Шестерни (32) (34) соединяются с валом с помощью шлицев и стопорятся стопорным кольцом.
Ведомая шестерня синхронного ВОМ (31) смонтирована на валу на роликовых
подшипниках (28) и (30).
Вал вторичный 24 (см.рис. 4) установлен в
корпусе
(1) на конических роликоподшипниках (23) и (25), регулировка которых
производится прокладками регулировочными (16), а положение конической
шестерни вала относительно торца корпуса (размер 15-0,15) регулируется
подбором регулировочных прокладок (21).
На валу неподвижно установлены ведущая шестерня (20) привода синхронного ВОМ и ПВМ и ступица синхронизатора (26). Ведомые шестерни (17) и (19) установлены на игольчатых подшипниках, смазка которых осуществляется под давлением по отверстиям в валу.
Переключение между шестернями производится с помощью синхронизатора (26) вилкой (18), закрепленной на поводке. Поводок установлен в расточки корпуса (1) и фиксируется шариковым фиксатором.
Комплекты деталей на валах первичном, промежуточном, вторичном и валу пониженных передач и заднего хода затянуты гайками (12,15,47 и 50).
Механизм управления КПП МТЗ-1221.2 Беларус
Механизм управления состоит из механизма переключения передач и
механизма переключения диапазонов с электрогидравлической системой
переключения высшей «Н» и нижней «L» ступеней редуктора КПП.
Механизм переключения передач смонтирован в узле передач, корпусе вилок (7) и в крышке механизма управления (14) (см. рис. 4). В крышке (54) (см. рис. 4) установлены поводки с закрепленными на них вилками переключения 1-ой, 2-ой и 5-ой, 6-ой передач.
Поводки зафиксированы в крышке шариковыми фиксаторами. Положение вилок на поводках регулируется с помощью конусных винтов.
Рис. 6. Механизм переключения передач
1 – вилка; 2 – чехол; 3 – сфера; 4 – пружина; 5, 7 – пальцы; 6 – корпус; 8 – крышка; 9 – вал; 11 – болт; 12 – втулка; 13 – крышка; 14 – шпонка; 15, 20 – рычаги; 16 – датчик; 17 – винт; 18 – шайба; 19 – кольцо стопорное.
В корпусе вилок (7) установлены три поводка, вилка (8), шариковый фиксатор (13) и детали механизма блокировки одновременного включения двух передач. Корпус вилок закреплен на корпусе (1) коробки передач МТЗ-1221.2 Беларус.
В опорах крышки (13) и корпуса (6) (см. рис. 6) установлен вал (9), на
котором закреплены рычаг (15) и втулка (12), между стопорными кольцами
(19)
установлены две втулки (18) и пружина (10).
Данное устройство служит для установки рычага передач в нейтральное положение. Вал (9) посредством пальцев (5) и (7), рычага (20) соединяется с вилкой (1), на которой закреплен рычаг переключения передач.
Вилка (1) установлена в корпусе (6) в сфере (3) и подрессорена пружиной
(4). Механизм переключения диапазонов (рис. 7) смонтирован в корпусе (1)
коробки передач и крышке механизма переключения (14) (см. рис 4).
В корпусе (1) на поводках установлены вилка (37) переключения муфты зубчатой (36), вилка переключения муфты зубчатой (6) (см. рис 5) и вилка (18) переключения синхронизатора (26) (см. рис. 4). Поводки зафиксированы в корпусе шариковыми фиксаторами.
В механизме управления (см. рис. 7) в опорах крышки (12) и корпуса (18) установлен вал (9), на котором на шпонках закреплены рычаги (10).
Вал (9) фиксируется шариковыми фиксаторами (14) и посредством пальцев
(5) и (7), рычага (6) соединяется с вилкой (1), на которой закреплен
рычаг
переключения диапазонов.
Вилка (1) установлена в корпусе (18) в сфере
(3) и подрессорена пружиной (4).
Рис. 7. Механизм переключения диапазонов коробки передач МТЗ-1221 Беларус
1 – вилка; 2 – чехол; 3 – сфера; 4 – пружина; 5, 7 – пальцы; 6, 10 – рычаги; 8, 12 – крышки; 9 – вал; 11– кулиса; 13, 17 – шпонки; 14 – шариковый фиксатор; 15 – гайка; 16 – болт; 18 – корпус.
Механизм переключения высшей и низшей ступеней редуктора коробки передач (рис. 8) смонтирован на крышке механизма переключения и состоит из цилиндра (11), закрепленного на оси (12), шпильки (7), рычага (5), закрепленного на валике (4). Вилка (16) соединяется с рычагом (5) с помощью пальца (6).
Рычаг валика (4) входит в зацепление с поводком вилки (18) (см. рис. 4) и при повороте валика перемещает муфту синхронизатора (26). Положение рычага (5) регулируется изменением длины шпильки (7) с последующим контрением гайкой (8).
Подключение цилиндра (11) к гидравлической системе производится клапаном
электрогидравлическим (14).
Датчик (15) подключает клапан (14) к
электрической сети только при нейтральном положении рычага переключения
передач.
Втянутое положение штока цилиндра (11) соответствует низшей «L» ступени редуктора КПП. Датчики (10) служат для индексации включения ступеней редуктора.
Рис. 8. Механизм переключения высшей и низшей ступеней редуктора
1 — вилка переключения передач; 2 — вилка переключения диапазонов; 3 — болт; 4 — валик; 5 — рычаг; 6 — палец; 7 — толкатель; 8 — контргайка; 9, 13 — маслопроводы; 10 — датчик давления; 11 — цилиндр гидравлический; 12 — ось; 14 — клапан электрогидравлический, 15 — датчик, 16 — вилка, 17 — кронштейн, 18 — винт регулировочный. – ось; 13 – клапан электрогидравлический; 15 – датчик.
Система управления редуктором КПП МТЗ-1221 Беларус
Электрогидравлическая система (рис. 9) состоит из панели управления (1),
расположенной в кабине трактора справа от водителя, рычага (3)
переключения передач и ступеней редуктора, датчика (5) нейтрали КП,
датчиков (7) и (8), установленных на гидроцилиндре переключения
редуктора (11),
(см.
рис. 8), электрогидрораспределителя (6), расположенного сверху на
крышке, соединительных кабелей (4) с колодками (9).
Система запитана от бортовой электросети через блок предохранителей (2). Электрическое питание подается в систему после пуска двигателя. На рукоятке рычага (3) расположены кнопки (10, 11) и сигнализаторы (светодиоды) (13, 12) включения низшей и высшей ступеней редуктора, соответственно.
На панели (1) расположены сигнализаторы (15, 14) включения низшей и высшей ступеней редуктора и реле управления редуктором. Система разрешает переключение ступеней редуктора только в нейтральном положении рычага (3) (контакты датчика (5) нейтрали КПП замкнуты).
Сигналы на сигнализаторы (13, 12) и (15, 14) подаются от соответствующих датчиков давления (8, 7). После запуска двигателя в исходном состоянии включена низшая ступень редуктора. При этом должны гореть сигнализаторы (13, 15).
Переключение на высшую ступень редуктора должно происходить при нажатии
на кнопку (11).
При этом сигнализаторы (13, 15) должны погаснуть, а
сигнализаторы (12, 14) – загореться.
Переключение с высшей ступени на низшую осуществляется при нажатии на кнопку (10).
1 – панель управления; 2 – блок предохранителей; 3 – рычаг переключения передач и ступеней редуктора; 4 – соединительные кабели; 5 – датчик нейтрали КПП; 6 – электрораспределитель редуктора; 7 – датчик давления высшей ступени; 8 – датчик давления низшей ступени; 9 – колодки соединительные; 10 – кнопка включения низшей ступени; 11 – кнопка включения высшей ступени; 12 – светодиод сигнализации высшей ступени; 13 – светодиод сигнализации низшей ступени; 14, 15 – контрольные лампы.
Регулировка предохранительного клапана центрифуги коробки передач МТЗ-1221-2 Беларус
– Клапан поддерживает давление масла в системе в пределах 0,9-1,0 МПа (9-10 кгс/см2).
– Если давление упало ниже указанного предела, подрегулируйте клапан
путем установки дополнительных шайб между пружиной и пробкой.
– Если давление упало ниже 0,7 МПа (7,0 кгс/см2), остановите трактор и обратитесь к механику.
– Клапан поддерживает давление масла перед ротором центрифуги. Оно должно быть 0,75 МПа (7,5 кгс/см2).
– Клапан смазки установлен на давление 0,2 ± 0,05 МПа (2,0 ± 0,5 кгс/см2) и поддерживает давление масла в системе смазки КП.
– Отрегулируйте клапаны шайбами.
Уровень масла в трансмиссии
– Проверьте уровень масла по масломерному стеклу с правой стороны корпуса коробки передач.
– Уровень масла должен быть между метками «0» и «П».
– Если необходимо, долейте масло, сняв крышку маслозаливной горловины.
Промывка сетчатого масляного фильтра КПП МТЗ-1221-2 Беларус
– Отвинтите и снимите крышку фильтра. Захватив за кнопку, выньте фильтр в сборе из корпуса.
– Отвинтите кнопку, контргайку и гайку-барашек со стержня.
– Снимите шайбу, пружину, поршень, уплотнительное кольцо и сетчатые
элементы.
– Промойте сетчатые элементы в чистом дизельном топливе.
– Соберите фильтр в обратной последовательности.
– Убедитесь в том, что уплотнительные кольца установлены с обеих сторон пакета сетчатых элементов.
– Ввинчивайте гайку-барашек до утопания шайбы заподлицо с торцом поршня.
Содержание инструкции по эксплуатации и
обслуживанию МТЗ-1221
_____________________________________________________________________________
__________________________________________________________________________
Сервис и регулировки МТЗ-82
- Органы управления и приборы
- Работа с сельхозмашинами
- Техническое обслуживание дизеля Д-243
- Регулировки сцепления
- Рулевое управление
- Тормоза трактора Беларус
- Вал отбора мощности ВОМ
- Передний мост
- Ремонт переднего ведущего моста
- Гидравлическая система и задняя навеска
- Электрооборудование
- Техническое обслуживание
__________________________________________________________________________
__________________________________________________________________________
Эксплуатация и сервис МТЗ-82.
1, 80.1, 80.2, 82.2
- Органы управления и приборы
- Управление коробкой передач и ВОМ
- Управление задней навеской
- Элементы кабины
- Элементы электрооборудования
- Сцепление
- Коробка передач
- Управление КПП и ходоуменьшителем
- Реверс-редуктор
- Задний мост трактора Беларус
- Блокировка дифференциала заднего моста
- Задний вал отбора мощности
- Тормоза трактора Беларус
- Пневмосистема
- ПВМ с коническими колесными редукторами
- ПВМ с планетарно-цилиндрическими колесными редукторами
- Привод ПВМ
- Ходовая система
- Гидрообъемное рулевое управление
- Гидроусилитель рулевого управления
- Гидравлическая навесная система
- Регулировки задней навески
- Кабина Беларус
- Техническое обслуживание
- Обслуживание двигателя
- Техобслуживание трансмиссии
- Сервисное обслуживание ПВМ
- Обслуживание гидросистемы и рулевого управления
- Обслуживание переднего моста
- Обслуживание пневмосистемы и тормозов
Ремонт МТЗ-80
- Ремонт головки блока цилиндров
- Ремонт поршневой группы Д-240
- Ремонт топливной аппаратуры
- Ремонт пускового двигателя
- Ремонт рулевого управления
- Ремонт переднего моста
- Ремонт сцепления и понижающего редуктора
- Ремонт КПП
- Ремонт заднего моста
- Ремонт ВОМ
- Ремонт гидросистемы задней навески
- Ремонт электрооборудования
Обслуживание и эксплуатация МТЗ-1221
- Управление и приборы
- Коробка передач
- Сцепление
- Обслуживание двигателя Д-260
- Задний мост
- Рабочие тормоза
- Пневмооборудование
- Вал отбора мощности
- Передний ведущий мост
- Навесная гидросистема
- Электронное управление задней навеской
- Заднее навесное устройство
- Рулевое управление
Техобслуживание и эксплуатация МТЗ-320
- Органы управления и приборы
- Дизельный двигатель
- Сцепление и КПП
- Задний мост
- Тормоза
- Задний вал отбора мощности
- Передний ведущий мост
- Рулевое управление
- Навесное и сцепное устройство
- Гидросистема
- Электрооборудование
- Агрегатирование
Эксплуатация и сервис тракторов
- Блок-картер и кривошипно-шатунный механизм
- Механизм газораспределения
- Система питания дизельных двигателей
- Система регулирования тракторных двигателей
- Система охлаждения тракторных двигателей
- Система пуска дизелей
- Силовые передачи тракторов
- Трансмиссия трактора Т-150, Т-150К
- Ведущие мосты колесных и гусеничных тракторов
- Ходовая часть и управление трактора
- Ходовая и рулевое управление колесных тракторов
КПП МТЗ-1221: схема переключения передач opex.
ruМеню
- Новости
- Статьи
- Видеоматериалы
- Фотоматериалы
- Публикация в СМИ
- 3D-тур
Будь в курсе
Новости, обзоры и акции
22.11.2022
Колесный трактор Минского тракторного завода МТЗ-1221, который все знают под названием «Беларус», выпускается с 1998 года до настоящего времени и предназначается для пахотных и других сельхозработ. В 2017 году МТЗ-1221 стал победителем во Всероссийском конкурсе на звание «Лучший трактор». Свое звание эта «рабочая лошадка» получила за маневренность, неутомимость, экономичность топлива и другие показатели.
Несмотря на четвертьвековой срок производства, у этого трактора одна из лучших коробок переключения передач, которая не успела устареть до сих пор. Это механическая, четырехступенчатая, диапазонная КПП 16F+8R. Правда, если трактора изготавливаются по специальным заказам, то ставится усиленная коробка передач 24F+12R.
Ниже мы подробно рассмотрим схему переключения передач МТЗ-1221.
Список товаров:
Коробка переключения передач (КПП) МТЗ-1221,1025,1005 в сборе
Механизм переключения КПП в сборе, МТЗ 1221
Крышка КПП боковая МТЗ
Главные особенности коробок передач для МТЗ-1221
Формула 16F+8R означает, что в этой коробке 16 передних (forward) и 8 задних (rear) передач. Конструкция этих коробок отличается тем, что шестерни редуктора зацеплены между собой, а КПП оснащена отдельной гидросистемой.
В коробку передач встроен мультипликатор, который удваивает диапазоны скоростей.
Сама коробка 4-х скоростная, трехдиапазонная (два диапазона передних и один задний). Таким образом, получается, что КПП дает 4 диапазона передних скоростей и два – задних. Задние передачи включаются при выборе диапазона задних скоростей.
Так выглядит схема переключения скоростей на тракторе МТЗ-1221.
Что представляет собой коробка передач МТЗ-1221?
Устройство механической коробки передач тесно связано с ее предназначением, которое заключается в передаче мощности от двигателя внутреннего сгорания к ведущим колесам, при этом расширяется диапазон частоты вращения и крутящего момента ДВС. КПП отвечает за эффективную работу мотора, влияет на динамику движения и расход топлива. И по сути коробка передач облегчает работу двигателю. Она преимущественно состоит из взаимодействующих между собой шестеренок. Но не только. Это довольно сложный узел не только в автомобиле, но и в тракторе, которому особенно важны динамичность и мобильность.
Механическая коробка переключения передач трактора МТЗ-1221 состоит из следующих элементов:
- Узла передач, который смонтирован на крышке корпуса. Основу этого узла составляет первичный вал.
- Вала пониженных передач и заднего хода.
- Блока шестерен.
- Вторичного вала.
Эти элементы встроены в корпус. КПП также принадлежат механизм управления (верхняя его часть находится в салоне) и узлы гидравлики.
Список товаров:
Вал вторичный КПП МТЗ-1221 (под подш.ф50., резьба М45)
Шестерня z=34 КПП вала промежуточного
Шестерня z=31 КПП вала промежуточного
Шестерня КПП z=33 /z=20; фвнутр=60 h=54 МТЗ-1221
Шестерня 1-ой пер.задн.хода ведомая КПП z=14 шлиц=22 МТЗ-1221
Шайба С/И опорная шестерни КПП МТЗ-1221
Так КПП МТЗ-1221 выглядит в разрезе:
Редуктор
Редуктор – основной компонент коробки передач, обеспечивающий переключение скоростей на МТЗ-1221.
Он состоит:
- из первичного вала и надетых на него шестерней, которые в свою очередь установлены на игольчатых роликовых подшипниках;
- двух синхронизаторов, которые размещаются на шлицах с помощью втулок.
- 4-х ведомых шестерней, которые посажены на этом же первичном вале.
Первичный вал
На первичном валу смонтированы 4 ведущие шестерни на игольчатых роликовых подшипниках. Они обеспечивают включения 3-й, 4-й, 5-й и 6-й передач на МТЗ-1221. На шлицах этого же механизма помещены два синхронизатора, осуществляющих включение названных передач. Вал держится на шариковых подшипниках, которые, в свою очередь, находятся в крышке и в самом корпусе.
Так выглядит первичный вал в разобранном виде.
Промежуточный вал и блок шестерней
Промежуточный вал называют также валом блока шестерней. Он смонтирован в корпусе КПП на опорных поверхностях и удерживает 3 ведомые шестерни, ответственные за переключение 3,4,5,и 6 передач.
И еще 2 ведомых зубчатых колеса, участвующих в переключении 1-й и 2-й передач, посажены на роликовые подшипники с игольчатыми роликами. Одна из них – шестерня синхронного вала отбора мощности. Они соединяются с валом шлицами и фиксируются стопорным кольцом.
На шлицы промежуточного вала посажен инерционный синхронизатор, посредством которого включаются 1-я и 2-я передачи.
Вторичный вал
Вторичный вал имеет сечение шестерни и размещается на конусообразных подшипниках в корпусе коробки передач. Эти роликоподшипники регулируются специальными регулировочными прокладками. Для регулировки угла конической шестерни относительно корпуса тоже подбираются прокладки с буртиками.
На валу статично закреплена ведущая шестерня, относящаяся к приводу переднего ведущего моста. На ступице этой шестерни установлена ведомая шестерня на роликовом подшипнике. Через втулку на этом же валу установлена еще одна ведомая шестерня. Между ними надета полумуфта с зубчатым краем.
Все детали зажаты на валу гайкой. Смазка к шестерням подается под давлением через отверстие в валу.
Вал пониженных передач и заднего хода
Вал пониженных передач и заднего хода установлен в корпусе КПП на подшипниках. На него установлены 3 шестерни:
- Ведомая соединенная с валом бронзовыми втулками.
- Ведущая переднего хода.
- Ведущая заднего хода.
Две последние на игольчатых подшипниках. Все эти шестерни стыкуются с валом зубчатой муфтой. Соединенная с валом посредством пазов втулка, застопорена на нем специальным кольцом. Одна из шестерней приводит в движение вал отбора мощности, соединяется с передним ведущим мостом и ступицей синхронизатора.
Механизм управления КПП МТЗ-1221.2
Управление коробкой передач осуществляется из кабины через механизм управления, который состоит из двух следующих элементов:
- Механизма переключающего передачи.
- Механизма, переключающего диапазоны скоростей.

Последняя дополнена электрогидравлической системой переключения с наличием ступеней редуктора: H (higher) и L (lower).
Устройство переключения передач смонтировано в корпусе вилок узла передач и в крышке, где установлены поводки с вилками переключения первой, второй, пятой и шестой скоростей. Поводки закреплены шариковыми фиксаторами. Вилки на поводках настраиваются регулировочными конусными винтами.
Список товаров:
Корпус вилок КПП МТЗ-1221,1523,2022 в сборе
Корпус вилок управления КПП МТЗ-1221 в сборе
Фильтр ф70 L=260 КПП с корпусом в сборе МТЗ-1221
Механизм, отвечающий за выбор диапазонов, состоит из рукоятки переключения, рычага и элементов, размещенных в корпусе коробки передач, где зубчатые муфты перемещаются с помощью вилок. Эти вилки изготавливаются из очень прочного металла и крепятся в коробке поводками.
Вилка представляет собой плоскую деталь, состоящую из пары зубцов и оси, которой она крепится к рычагу посредством пружины, кольца и металлического шарика. Рычаг с рукояткой крепится посредством втулок.
Гидросистема коробки передач
Чтобы шестерни не перегревались в результате интенсивной работы КПП, в схеме передач МТЗ-1221 предусмотрена гидравлическая система, состоящая из следующих элементов:
- гидронасоса, вмонтированного в корпусе КПП и работающего от привода двигателя;
- фильтрующей центрифуги, присоединенной снаружи корпуса;
- сетчатого фильтра, размещенного внутри корпуса КПП.
Гидравлическая система смазывает все ответственные зоны вращения под давлением, которое обеспечивается гидронасосом.
Другие статьи
Смотреть
ещё
Схема тормозной системы КАМАЗ-65115
16.12.2022
Обзор двигателя ЯМЗ-238
16.
12.2022
Обзор двигателя ГАЗ-51
16.12.2022
Система отопления кабины грузового автомобиля
02.12.2022
Регулировка сцепления ГАЗ-53
28.11.2022 21:00:00
Схема подключения зажигания УАЗ-469
28.11.2022 21:00:00
Схема тормозной системы УРАЛ-4320
27.11.2022 21:00:00
Обзор КАМАЗ-5320
27.11.2022 21:00:00
Схемы мостов на ЗИЛ-131
23.11.2022 21:00:00
Обзор УРАЛ-375
22.11.2022 21:00:00
Подготовьте свой автомобиль к зиме!
22.11.2022
Грузовая техника в играх
14.11.2022
Развитие китайского автопрома на примере компании FAW
08.11.2022
Обзор ГАЗ-66
02.
11.2022
Регулировка заднего моста УАЗ-469
02.11.2022
Обзор MAN TGA
02.11.2022
ГАЗ-3308 «Садко». История появления и характеристики
30.10.2022
Схема блокировки MAN TGA
27.10.2022
Расход топлива МАЗ-5551
27.10.2022
История развития завода НЕФАЗ
26.10.2022
Смотреть
ещё
Возврат к списку
Ингибирование Chk1 изогранулатимидом, ингибитором контрольной точки повреждения ДНК G2
. 2004 г., октябрь; 3 (10): 1221-7.
Сюсянь Цзян 1 , Баогуан Чжао, Роберт Бриттон, Линетт И Лим, Дэн Леонг, Джасбиндер С. Сангера, Бин-Бин С. Чжоу, Эдвард Пирс, Раймонд Дж. Андерсен, Мишель Роберж
Принадлежности
принадлежность
- 1 Факультет биохимии и молекулярной биологии, Университет Британской Колумбии, Ванкувер, Канада.

- PMID: 15486189
Сюсянь Цзян и соавт. Мол Рак Тер. 2004 Октябрь
. 2004 г., октябрь; 3 (10): 1221-7.
Авторы
Сюсянь Цзян 1 , Баогуан Чжао, Роберт Бриттон, Линетт И Лим, Дэн Леонг, Джасбиндер С Сангера, Бин-Бинг С Чжоу, Эдвард Пирс, Раймонд Дж. Андерсен, Мишель Роберг
принадлежность
- 1 Факультет биохимии и молекулярной биологии, Университет Британской Колумбии, Ванкувер, Канада.
- PMID: 15486189
Абстрактный
Ингибиторы контрольной точки повреждения ДНК G(2) могут избирательно повышать чувствительность раковых клеток с мутировавшим p53 к уничтожению агентами, повреждающими ДНК.
Изогранулатимид представляет собой ингибитор контрольной точки G(2), содержащий уникальный скелет индола/малеимида/имидазола, идентифицированный в ходе фенотипического клеточного скрининга; однако механизм действия изогранулятимида неизвестен. Используя природные и синтетические аналоги изогранулатимида, мы показываем, что имидный азот и основной азот в положении 14 или 15 в имидазольном кольце важны для ингибирования контрольной точки. Изогранулатимид имеет структурное сходство с агликоном UCN-01, мощным бисиндоламалеимидным ингибитором протеинкиназы C бета (IC50, 0,001 мкмоль/л) и контрольной точки киназы Chk1 (IC50, 0,007 мкмоль/л). Анализ киназы in vitro показывает, что изогранулатимид ингибирует Chk1 (IC50, 0,1 мкмоль/л), но не ингибирует протеинкиназу С бета. Из 13 дополнительных протестированных протеинкиназ изогранулатимид значительно ингибирует только киназу гликогенсинтазы-3бета (IC(50), 0,5 мкмоль/л). Мы определили кристаллическую структуру каталитического домена Chk1 в комплексе с изогранулатимидом.
Подобно UCN-01, изогранулатимид связывается в АТФ-связывающем кармане Chk1 и образует водородные связи с карбонильным кислородом основной цепи Glu(85) и амидным азотом Cys(87). В отличие от UCN-01, основной N15 изогранулатимида взаимодействует с Glu(17), вызывая изменение конформации в богатой киназой глициновой петле, что может вносить важный вклад в ингибирование. Механизм, с помощью которого изогранулатимид ингибирует Chk1, и его благоприятный профиль селективности в отношении киназ делают его многообещающим кандидатом для модулирования ответов контрольных точек в опухолях для терапевтического эффекта.
Похожие статьи
Аналоги бисимидного гранулятимида в качестве мощных ингибиторов киназы контрольной точки 1.
Энон Х., Мессауди С., Анизон Ф., Абоаб Б., Кухарчик Н., Леонс С., Гольстейн Р.М., Пфайффер Б., Прюдом М. Энон Х. и др. Евр Дж Фармакол.
2007 12 января; 554 (2-3): 106-12. doi: 10.1016/j.ejphar.2006.10.022. Epub 2006 19 октября.
Евр Дж Фармакол. 2007.
PMID: 17134696Дизайн аналогов гранултимида и изогранулатимида в качестве потенциальных ингибиторов Chk1: исследование аминоплатформ для их синтеза.
Лаврард Х., Родригес Ф., Дельфурн Э. Лаврард Х. и соавт. Биоорг Мед Хим. 1 сентября 2014 г .; 22 (17): 4961-7. doi: 10.1016/j.bmc.2014.06.028. Epub 2014 30 июня. Биоорг Мед Хим. 2014. PMID: 25047935
Протеинкиназа Chk1 и регуляторные пути Cdc25C являются мишенями противоракового агента UCN-01.
Грейвз П.Р., Ю.Л., Шварц Дж.К., Гейлз Дж., Сосвилл Э.А., О’Коннор П.М., Пивница-Вормс Х. Грейвс П.Р. и др. Дж. Биол. Хим. 2000 г., 25 февраля; 275(8):5600-5.
doi: 10.1074/jbc.275.8.5600.
Дж. Биол. Хим. 2000.
PMID: 10681541Морские пирролокарбазолы и аналоги: синтез и ингибирование киназы.
Deslandes S, Chassaing S, Delfourne E. Десландес С. и соавт. Мар Наркотики. 2009 г., 1 декабря; 7(4):754-86. дои: 10.3390/md7040754. Мар Наркотики. 2009. PMID: 20098609 Бесплатная статья ЧВК. Обзор.
Ингибиторы Chk1 для нового лечения рака.
Тао ЗФ, Лин НХ. Тао ЗФ и др. Противораковые агенты Med Chem. 2006 г., июль; 6 (4): 377–88. дои: 10.2174/187152006777698132. Противораковые агенты Med Chem. 2006. PMID: 16842237 Обзор.
Посмотреть все похожие статьи
Цитируется
Изъятая статья: Синтез и биологическая активность производных и аналогов морских алкалоидов.

Чжоу С., Хуан Г. Чжоу С. и др. RSC Adv. 2020 28 августа; 10 (53): 31909-31935. doi: 10.1039/d0ra05856d. Электронная коллекция 2020 26 августа. RSC Adv. 2020. PMID: 35518151 Бесплатная статья ЧВК. Отодвинут.
Биологически активные морские природные продукты и их молекулярные мишени, обнаруженные с помощью химико-генетического подхода.
Williams DE, Andersen RJ. Уильямс Д.Э. и соавт. Nat Prod Rep. 2020 May 1;37(5):617-633. дои: 10.1039/c9np00054b. Epub 2019 21 ноября. Представитель Nat Prod 2020. PMID: 31750842 Бесплатная статья ЧВК. Обзор.
Асцидиевые токсины с потенциалом для разработки лекарств.
Уоттерс Диджей. Уотерс диджей. Мар Наркотики. 2018 13 мая; 16(5):162.
дои: 10.3390/md16050162.
Мар Наркотики. 2018.
PMID: 29757250
Бесплатная статья ЧВК.
Обзор.Разнообразие натуральных продуктов морских асцидий (Tunicates; Ascidiacea) и успешные препараты в клинической разработке.
Паланисами СК, Раджендран Н.М., Марино А. Паланисами С.К. и соавт. Нат Прод БиоПроспект. 2017 Февраль;7(1):1-111. doi: 10.1007/s13659-016-0115-5. Epub 2017 17 января. Нат Прод БиоПроспект. 2017. PMID: 28097641 Бесплатная статья ЧВК. Обзор.
Обзор морских природных соединений и их производных с противораковой активностью, опубликованный в 2012 г.
Sawadogo WR, Boly R, Cerella C, Teiten MH, Dicato M, Diederich M. Савадого В.Р. и соавт. Молекулы. 2015 20 апреля; 20 (4): 7097-142.
doi: 10.3390/молекулы20047097.
Молекулы. 2015.
PMID: 25903364
Бесплатная статья ЧВК.
Обзор.
Просмотреть все статьи “Цитируется по”
Типы публикаций
термины MeSH
вещества
Водитель задержан на КПП по подозрению в нетрезвом виде
Главная » Преступления » Водитель задержан на КПП по подозрению в вождении в нетрезвом виде
Опубликовано в Криминалот Дебби Л. Склар
Контрольно-пропускной пункт DUI в округе Сан-Диего.
С разрешения департамента шерифаВодитель был арестован по подозрению в вождении под воздействием наркотиков на контрольно-пропускном пункте DUI в Чула-Виста, сообщила полиция в субботу.
Контрольно-пропускной пункт в 300-м квартале ул. до полуночи пятницы.
Каждое утро в 8 утра мы будем присылать вам главные местные новости
Нажимая «Подписаться», вы соглашаетесь поделиться своим адресом электронной почты с Times of San Diego, чтобы получать наш бесплатный информационный бюллетень и оповещения о последних новостях. Мы не будем использовать вашу электронную почту для каких-либо других целей, и вы можете отказаться в любое время, перейдя по ссылке для отказа от подписки.
Успех! Вы в списке.
Упс! Произошла ошибка, и мы не смогли обработать вашу подписку. Пожалуйста, обновите страницу и попробуйте еще раз.
Обработка…
Из 1221 автомобиля, проехавшего через КПВВ, досмотру подверглись 403 автомобиля, сообщил сержант.
Энтони Молина из полицейского управления Чула-Виста.
Три водителя прошли полевые тесты на трезвость, сказал сержант. Были задержаны три автомобиля. Полиция выписала 13 штрафов водителям, у которых якобы не было прав или их действие было приостановлено.
Следующая контрольная точка была запланирована на декабрь.
ФинансированиеCheckpoint было предоставлено Калифорнийским управлением безопасности дорожного движения.
— Служба городских новостей e
Поддержка Times of San Diego
Благодаря щедрой поддержке таких читателей, как вы, Times of San Diego публикует своевременные и точные новости для более информированного сообщества. Помогите нам расти с ежемесячным взносом.
Стать сторонником
Tagged: арест, контрольно-пропускной пункт, полиция Чула-Виста, вождение в нетрезвом виде, река, подозрениеНаш бесплатный информационный бюллетень доставляется ежедневно в 8 утра.
Введите адрес:
Отправка.



Добавить комментарий