ΠΠΎΠΌΠΎΠ½ ΡΠ΅ΠΉΠ» ΡΠΈΡΡΠ΅ΠΌΠ°: Π²ΡΡ ΠΏΡΡΠ΅ΠΌ β ΠΆΡΡΠ½Π°Π» ΠΠ° ΡΡΠ»Π΅ΠΌ
Π§ΡΠΎ ΡΠ°ΠΊΠΎΠ΅ ΡΠΎΠΏΠ»ΠΈΠ²Π½Π°Ρ ΡΠΈΡΡΠ΅ΠΌΠ° Common Rail?
ΠΠΎΠ½ΡΡΡΡΠΊΡΠΈΠ²Π½ΡΠ΅ ΠΎΡΠΎΠ±Π΅Π½Π½ΠΎΡΡΠΈ ΡΠΈΡΡΠ΅ΠΌΡ
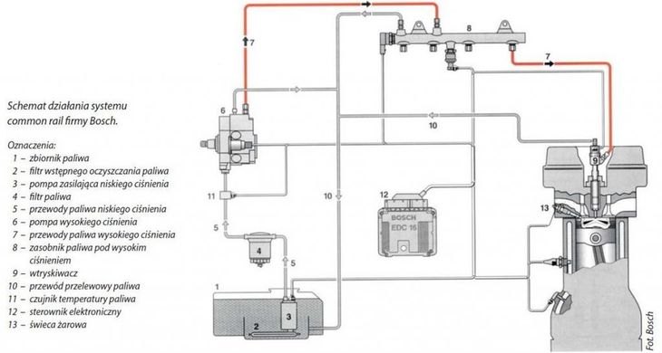
Π₯Π°ΡΠ°ΠΊΡΠ΅ΡΠ½Π°Ρ ΠΎΡΠΎΠ±Π΅Π½Π½ΠΎΡΡΡ ΠΊΠΎΠ½ΡΡΡΡΠΊΡΠΈΠΈ ΡΠΎΠΏΠ»ΠΈΠ²Π½ΠΎΠΉ ΡΠΈΡΡΠ΅ΠΌΡ Common Rail β Π½Π°Π»ΠΈΡΠΈΠ΅ Π΄Π²ΡΡ ΠΊΠΎΠ½ΡΡΡΠΎΠ² Π΄Π°Π²Π»Π΅Π½ΠΈΡ, Π²ΡΡΠΎΠΊΠΎΠ³ΠΎ ΠΈ Π½ΠΈΠ·ΠΊΠΎΠ³ΠΎ. Π Π΅Π΅ ΡΠΎΡΡΠ°Π² Π²Ρ ΠΎΠ΄ΡΡ:
- Π’ΠΎΠΏΠ»ΠΈΠ²Π½ΡΠΉ Π½Π°ΡΠΎΡ Π½ΠΈΠ·ΠΊΠΎΠ³ΠΎ Π΄Π°Π²Π»Π΅Π½ΠΈΡ (ΠΈΠ»ΠΈ ΠΏΠΎΠ΄ΠΊΠ°ΡΠΈΠ²Π°ΡΡΠΈΠΉ Π½Π°ΡΠΎΡ) Π΄Π»Ρ ΠΏΠΎΠ΄Π°ΡΠΈ Π΄ΠΈΠ·ΡΠΎΠΏΠ»ΠΈΠ²Π° ΠΈΠ· Π±Π°ΠΊΠ° Π² Π½Π°ΠΏΠΎΡΠ½ΡΡ ΠΌΠ°Π³ΠΈΡΡΡΠ°Π»Ρ.
- Π’ΠΎΠΏΠ»ΠΈΠ²Π½ΡΠΉ ΡΠΈΠ»ΡΡΡ, Π² ΠΊΠΎΡΠΎΡΠΎΠΌ Π΅ΡΡΡ ΠΊΠ»Π°ΠΏΠ°Π½ Π΄Π»Ρ ΠΏΡΠ΅Π΄Π²Π°ΡΠΈΡΠ΅Π»ΡΠ½ΠΎΠ³ΠΎ ΠΏΡΠΎΠ³ΡΠ΅Π²Π° Π΄ΠΈΠ·ΡΠΎΠΏΠ»ΠΈΠ²Π°.
- ΠΠΎΠΏΠΎΠ»Π½ΠΈΡΠ΅Π»ΡΠ½ΡΠΉ ΡΠΎΠΏΠ»ΠΈΠ²Π½ΡΠΉ Π½Π°ΡΠΎΡ Π΄Π»Ρ ΠΏΠΎΠ΄Π°ΡΠΈ Π΄ΠΈΠ·ΡΠΎΠΏΠ»ΠΈΠ²Π° ΠΎΡ Π½Π°Π³Π½Π΅ΡΠ°ΡΠ΅Π»ΡΠ½ΠΎΠΉ ΠΌΠ°Π³ΠΈΡΡΡΠ°Π»ΠΈ.
- Π’ΠΎΠΏΠ»ΠΈΠ²Π½ΡΠΉ ΡΠΈΠ»ΡΡΡ Π³ΡΡΠ±ΠΎΠΉ ΠΎΡΠΈΡΡΠΊΠΈ.
- ΠΠ°ΡΡΠΈΠΊ ΡΠ΅ΠΌΠΏΠ΅ΡΠ°ΡΡΡΡ Π΄Π»Ρ ΠΎΠΏΡΠ΅Π΄Π΅Π»Π΅Π½ΠΈΡ ΡΡΠΎΠ²Π½Ρ ΠΏΡΠΎΠ³ΡΠ΅Π²Π° Π΄ΠΈΠ·ΡΠΎΠΏΠ»ΠΈΠ²Π°.
- Π’ΠΎΠΏΠ»ΠΈΠ²Π½ΡΠΉ Π½Π°ΡΠΎΡ Π²ΡΡΠΎΠΊΠΎΠ³ΠΎ Π΄Π°Π²Π»Π΅Π½ΠΈΡ (Π’ΠΠΠ). ΠΠ±Π΅ΡΠΏΠ΅ΡΠΈΠ²Π°Π΅Ρ ΠΏΠΎΠ΄Π°ΡΡ Π΄ΠΈΠ·ΡΠΎΠΏΠ»ΠΈΠ²Π° Π² ΡΠΈΠ»ΠΈΠ½Π΄ΡΡ. ΠΠ²ΡΠΎΠΏΡΠΎΠΈΠ·Π²ΠΎΠ΄ΠΈΡΠ΅Π»ΠΈ ΠΎΡΠ΄Π°ΡΡ ΠΏΡΠ΅Π΄ΠΏΠΎΡΡΠ΅Π½ΠΈΠ΅ ΡΡΡΡΠΎΠΉΡΡΠ²Π°ΠΌ ΡΠ°ΡΠΏΡΠ΅Π΄Π΅Π»ΠΈΡΠ΅Π»ΡΠ½ΠΎΠ³ΠΎ ΡΠΈΠΏΠ°.
- ΠΠ΅ΡΠ΅ΠΏΡΡΠΊΠ½ΠΎΠΉ ΠΊΠ»Π°ΠΏΠ°Π½ Π’ΠΠΠ Π΄Π»Ρ ΡΠ΅Π³ΡΠ»ΠΈΡΠΎΠ²Π°Π½ΠΈΡ ΠΊΠΎΠ»ΠΈΡΠ΅ΡΡΠ²Π° Π΄ΠΈΠ·ΡΠΎΠΏΠ»ΠΈΠ²Π°, ΠΏΠΎΡΡΡΠΏΠ°ΡΡΠ΅Π³ΠΎ Π² ΡΠΎΠΏΠ»ΠΈΠ²Π½ΡΡ ΡΠ°ΠΌΠΏΡ.
- Π Π΅Π³ΡΠ»ΡΡΠΎΡ Π΄Π°Π²Π»Π΅Π½ΠΈΡ ΡΠΎΠΏΠ»ΠΈΠ²Π°, ΠΎΠ±Π΅ΡΠΏΠ΅ΡΠΈΠ²Π°ΡΡΠΈΠΉ ΠΏΠΎΠ΄Π΄Π΅ΡΠΆΠ°Π½ΠΈΠ΅ ΡΡΠ΅Π±ΡΠ΅ΠΌΠΎΠ³ΠΎ Π΄Π°Π²Π»Π΅Π½ΠΈΡ Π² ΠΌΠ°Π³ΠΈΡΡΡΠ°Π»ΠΈ Π²ΡΡΠΎΠΊΠΎΠ³ΠΎ Π΄Π°Π²Π»Π΅Π½ΠΈΡ.

- Π’ΠΎΠΏΠ»ΠΈΠ²Π½Π°Ρ ΡΠ΅ΠΉΠΊΠ°, ΠΊΠΎΡΠΎΡΡΡ ΡΠ°ΠΊΠΆΠ΅ Π½Π°Π·ΡΠ²Π°ΡΡ Π°ΠΊΠΊΡΠΌΡΠ»ΡΡΠΎΡΠΎΠΌ ΠΈΠ»ΠΈ ΡΠ°ΠΌΠΏΠΎΠΉ, ΠΏΡΠ΅Π΄ΡΡΠ°Π²Π»ΡΠ΅Ρ ΡΠΎΠ±ΠΎΠΉ ΡΠΏΠ΅ΡΠΈΠ°Π»ΡΠ½ΡΡ ΡΡΡΠ±ΠΊΡ ΠΈΠ· ΠΊΠΎΡΡΠΎΠ·ΠΈΠΎΠ½Π½ΠΎΡΡΠΎΠΉΠΊΠΎΠΉ ΡΡΠ°Π»ΠΈ ΡΠΎ ΡΡΡΡΠ΅ΡΠ°ΠΌΠΈ Π΄Π»Ρ ΠΏΠΎΠ΄ΠΊΠ»ΡΡΠ΅Π½ΠΈΡ ΠΌΠ°Π½ΠΎΠΌΠ΅ΡΡΠ° ΠΈ ΠΊΡΠ΅ΠΏΠ»Π΅Π½ΠΈΡ ΡΠΎΡΡΡΠ½ΠΎΠΊ.
- ΠΠ°ΡΡΠΈΠΊ Π΄Π°Π²Π»Π΅Π½ΠΈΡ Π΄Π»Ρ ΡΠΈΠΊΡΠ°ΡΠΈΠΈ ΠΈ ΠΏΠ΅ΡΠ΅Π΄Π°ΡΠΈ Π΄Π°Π½Π½ΡΡ Π½Π° ΡΠ»Π΅ΠΊΡΡΠΎΠ½Π½ΡΠΉ Π±Π»ΠΎΠΊ ΡΠΏΡΠ°Π²Π»Π΅Π½ΠΈΡ.
- Π Π΅Π³ΡΠ»ΡΡΠΎΡ Π΄Π°Π²Π»Π΅Π½ΠΈΡ ΡΠΎΠΏΠ»ΠΈΠ²Π° Π΄Π»Ρ ΠΏΠΎΠ΄Π΄Π΅ΡΠΆΠ°Π½ΠΈΡ Π΄Π°Π²Π»Π΅Π½ΠΈΡ Π² ΠΎΠ±ΡΠ°ΡΠ½ΠΎΠΉ ΠΌΠ°Π³ΠΈΡΡΡΠ°Π»ΠΈ. ΠΡΠΎΡ ΠΊΠ»Π°ΠΏΠ°Π½ Π΄Π»Ρ ΠΎΠ±Π΅ΡΠΏΠ΅ΡΠ΅Π½ΠΈΡ ΡΠ°Π±ΠΎΡΡ ΡΠΎΡΡΡΠ½ΠΎΠΊ ΠΏΠΎΠ΄Π΄Π΅ΡΠΆΠΈΠ²Π°Π΅Ρ Π΄Π°Π²Π»Π΅Π½ΠΈΠ΅ 1 ΠΠΠ°.
- ΠΡΠ΅Π·ΠΎΡΠ»Π΅ΠΊΡΡΠΈΡΠ΅ΡΠΊΠΈΠ΅ ΠΈ ΡΠ»Π΅ΠΊΡΡΠΎΠ³ΠΈΠ΄ΡΠ°Π²Π»ΠΈΡΠ΅ΡΠΊΠΈΠ΅ ΡΠΎΠΏΠ»ΠΈΠ²Π½ΡΠ΅ ΡΠΎΡΡΡΠ½ΠΊΠΈ. Π ΠΊΠΎΠ½ΡΡΡΡΠΊΡΠΈΠΈ ΠΏΠ΅ΡΠ²ΡΡ ΠΈΡΠΏΠΎΠ»ΡΠ·ΡΡΡΡΡ ΠΏΡΠ΅Π·ΠΎΠΊΡΠΈΡΡΠ°Π»Π»Ρ, ΡΡΠΎ Π΄Π°Π΅Ρ Π·Π½Π°ΡΠΈΡΠ΅Π»ΡΠ½ΠΎΠ΅ ΠΏΠΎΠ²ΡΡΠ΅Π½ΠΈΠ΅ ΡΠΊΠΎΡΠΎΡΡΠΈ ΡΠ°Π±ΠΎΡΡ. ΠΠ»Ρ ΡΠΏΡΠ°Π²Π»Π΅Π½ΠΈΡ Π²ΡΠΎΡΡΡ ΠΏΡΠΈΠΌΠ΅Π½ΡΡΡ ΡΠ»Π΅ΠΊΡΡΠΎΠΌΠ°Π³Π½ΠΈΡΠ½ΡΠΉ ΠΊΠ»Π°ΠΏΠ°Π½.
Π‘ΠΎΠ³Π»Π°ΡΠ½ΠΎ ΡΡΠ°ΡΠΈΡΡΠΈΠΊΠ΅, ΡΠΎΠΏΠ»ΠΈΠ²Π½ΡΠ΅ ΡΠΈΡΡΠ΅ΠΌΡ Common Rail ΡΠ΅Π³ΠΎΠ΄Π½Ρ ΡΡΡΠ°Π½ΠΎΠ²Π»Π΅Π½Ρ Π½Π° 70% Π²ΡΠΏΡΡΠΊΠ°Π΅ΠΌΡΡ Π΄ΠΈΠ·Π΅Π»ΡΠ½ΡΡ Π΄Π²ΠΈΠ³Π°ΡΠ΅Π»ΡΡ .
ΠΡΠΈΠ½ΡΠΈΠΏΡ ΠΈ ΠΎΡΠΎΠ±Π΅Π½Π½ΠΎΡΡΠΈ ΡΠ°Π±ΠΎΡΡ
Π ΡΠΎΠΏΠ»ΠΈΠ²Π½ΠΎΠΉ ΡΠΈΡΡΠ΅ΠΌΠ΅ Common Rail ΠΈΡΠΏΠΎΠ»ΡΠ·ΡΠ΅ΡΡΡ ΠΏΡΠΈΠ½ΡΠΈΠΏ ΡΠ°Π·Π΄Π΅Π»Π΅Π½ΠΈΡ ΠΏΡΠΎΡΠ΅ΡΡΠ° ΡΠΎΠ·Π΄Π°Π½ΠΈΡ Π²ΡΡΠΎΠΊΠΎΠ³ΠΎ Π΄Π°Π²Π»Π΅Π½ΠΈΡ ΠΈ ΡΠ°ΠΌΠΎΠ³ΠΎ Π²ΠΏΡΡΡΠΊΠ°.
ΠΠ»Π΅ΠΊΡΡΠΎΠ½Π½ΡΠΉ Π±Π»ΠΎΠΊ ΡΠΏΡΠ°Π²Π»Π΅Π½ΠΈΡ ΠΠΠ‘ Π½Π° ΠΎΡΠ½ΠΎΠ²Π°Π½ΠΈΠΈ ΠΏΠΎΠ»ΡΡΠ΅Π½Π½ΡΡ ΠΎΡ Π΄Π°ΡΡΠΈΠΊΠΎΠ² Π΄Π°Π½Π½ΡΡ ΠΎΠΏΡΠ΅Π΄Π΅Π»ΡΠ΅Ρ Π½Π΅ΠΎΠ±Ρ ΠΎΠ΄ΠΈΠΌΠΎΠ΅ ΠΊΠΎΠ»ΠΈΡΠ΅ΡΡΠ²ΠΎ Π΄ΠΈΠ·ΡΠΎΠΏΠ»ΠΈΠ²Π°, ΠΊΠΎΡΠΎΡΠΎΠ΅ Π’ΠΠΠ Π΄ΠΎΠ»ΠΆΠ΅Π½ ΠΏΠΎΠ΄Π°ΡΡ Π½Π° ΡΠΎΠΏΠ»ΠΈΠ²Π½ΡΡ ΡΠ°ΠΌΠΏΡ. ΠΠ°ΡΠ΅ΠΌ ΠΏΡΠΎΠΈΡΡ ΠΎΠ΄ΠΈΡ ΠΎΡΠΊΡΡΡΠΈΠ΅ ΠΊΠ»Π°ΠΏΠ°Π½Π° Π΄ΠΎΠ·ΠΈΡΠΎΠ²Π°Π½ΠΈΡ Π΄ΠΈΠ·ΡΠΎΠΏΠ»ΠΈΠ²Π° Π΄Π»Ρ ΠΏΠΎΠ΄Π°ΡΠΈ Π² Π°ΠΊΠΊΡΠΌΡΠ»ΡΡΠΎΡ. Π Π΅Π³ΡΠ»ΡΡΠΎΡ ΠΎΠ±Π΅ΡΠΏΠ΅ΡΠΈΠ²Π°Π΅Ρ ΡΡΠ΅Π±ΡΠ΅ΠΌΡΠΉ ΡΡΠΎΠ²Π΅Π½Ρ Π΄Π°Π²Π»Π΅Π½ΠΈΡ Π΄ΠΈΠ·ΡΠΎΠΏΠ»ΠΈΠ²Π°.
ΠΠ΅ΡΠ΅Π΄Π°ΡΠ° ΠΊΠΎΠΌΠ°Π½Π΄Ρ ΠΠΠ£ Π½Π° ΠΎΡΠΊΡΡΡΠΈΠ΅ ΡΠΎΡΡΡΠ½ΠΎΠΊ ΠΏΡΠΎΠΈΡΡ ΠΎΠ΄ΠΈΡ ΠΏΠΎΡΠ»Π΅ ΠΏΠΎΡΡΡΠΏΠ»Π΅Π½ΠΈΡ ΡΡΠ΅Π±ΡΠ΅ΠΌΠΎΠ³ΠΎ ΠΊΠΎΠ»ΠΈΡΠ΅ΡΡΠ²Π° Π΄ΠΈΠ·ΡΠΎΠΏΠ»ΠΈΠ²Π° Π² ΡΠ°ΠΌΠΏΡ. ΠΡΠΊΡΡΠ²Π°ΡΡΡΡ ΡΠΎΡΡΡΠ½ΠΊΠΈ, ΡΠΎΠΎΡΠ²Π΅ΡΡΡΠ²ΡΡΡΠΈΠ΅ ΡΠΈΠΊΠ»Ρ ΡΠ°Π±ΠΎΡΡ Π΄Π²ΠΈΠ³Π°ΡΠ΅Π»Ρ. ΠΠ΄ΠΈΠ½ ΡΠΈΠΊΠ» Π²ΠΊΠ»ΡΡΠ°Π΅Ρ ΡΠΎΡΡΠΎΡΡΠΈΠΉ ΠΈΠ· ΡΡΠ΅Ρ ΡΡΠ°ΠΏΠΎΠ² ΠΌΠ½ΠΎΠ³ΠΎΠΊΡΠ°ΡΠ½ΡΠΉ Π²ΠΏΡΡΡΠΊ:
- ΠΠ° ΠΏΡΠ΅Π΄Π²Π°ΡΠΈΡΠ΅Π»ΡΠ½ΠΎΠΌ ΡΡΠ°ΠΏΠ΅ ΠΏΡΠΎΠΈΡΡ
ΠΎΠ΄ΠΈΡ ΠΏΠΎΠ²ΡΡΠ΅Π½ΠΈΠ΅ ΡΠ΅ΠΌΠΏΠ΅ΡΠ°ΡΡΡΡ ΠΈ ΡΠ²Π΅Π»ΠΈΡΠ΅Π½ΠΈΡ ΡΠΆΠ°ΡΠΈΡ Π² ΠΊΠ°ΠΌΠ΅ΡΠ΅ ΡΠ³ΠΎΡΠ°Π½ΠΈΡ.
ΠΡΠΎ ΠΎΠ±Π΅ΡΠΏΠ΅ΡΠΈΠ²Π°Π΅Ρ ΡΡΠΊΠΎΡΠ΅Π½ΠΈΠ΅ ΠΏΡΠΎΡΠ΅ΡΡΠ° ΡΠ°ΠΌΠΎΠ²ΠΎΡΠΏΠ»Π°ΠΌΠ΅Π½Π΅Π½ΠΈΡ. ΠΠ»Ρ ΡΠ°Π±ΠΎΡΠ°ΡΡΠ΅Π³ΠΎ Π½Π° ΠΏΠΎΠ»Π½ΠΎΠΉ ΠΌΠΎΡΠ½ΠΎΡΡΠΈ ΠΌΠΎΡΠΎΡΠ° ΠΏΡΠ΅Π΄Π²Π°ΡΠΈΡΠ΅Π»ΡΠ½ΡΠΉ Π²ΠΏΡΡΡΠΊ Π½Π΅ Π²ΡΠΏΠΎΠ»Π½ΡΠ΅ΡΡΡ. ΠΠ° Ρ
ΠΎΠ»ΠΎΡΡΡΡ
ΠΎΠ±ΠΎΡΠΎΡΠ°Ρ
Π½Π΅ΠΎΠ±Ρ
ΠΎΠ΄ΠΈΠΌΡ Π΄Π²Π° ΠΏΡΠ΅Π΄Π²Π°ΡΠΈΡΠ΅Π»ΡΠ½ΡΡ
Π²ΠΏΡΡΡΠΊΠ°, ΠΎΠ΄ΠΈΠ½ Π²ΠΏΡΡΡΠΊ Π½ΡΠΆΠ΅Π½ ΠΏΡΠΈ ΡΠ²Π΅Π»ΠΈΡΠ΅Π½ΠΈΠΈ ΠΎΠ±ΠΎΡΠΎΡΠΎΠ². - Π Π°Π±ΠΎΡΠ° Π΄Π²ΠΈΠ³Π°ΡΠ΅Π»Ρ ΠΎΠ±Π΅ΡΠΏΠ΅ΡΠΈΠ²Π°Π΅ΡΡΡ Π½Π° ΠΎΡΠ½ΠΎΠ²Π½ΠΎΠΌ ΡΡΠ°ΠΏΠ΅.
- ΠΠ° Π΄ΠΎΠΏΠΎΠ»Π½ΠΈΡΠ΅Π»ΡΠ½ΠΎΠΌ ΡΡΠ°ΠΏΠ΅ ΡΠ²Π΅Π»ΠΈΡΠΈΠ²Π°Π΅ΡΡΡ ΡΠ΅ΠΌΠΏΠ΅ΡΠ°ΡΡΡΠ° Π½Π°Π³ΡΠ΅Π²Π° ΠΠ. ΠΡΠΎ Π½Π΅ΠΎΠ±Ρ ΠΎΠ΄ΠΈΠΌΠΎ Π΄Π»Ρ ΠΎΠ±Π΅ΡΠΏΠ΅ΡΠ΅Π½ΠΈΡ ΡΠ³ΠΎΡΠ°Π½ΠΈΡ ΡΠ°ΠΆΠΈ, ΡΡΠΎ ΡΠΌΠ΅Π½ΡΡΠ°Π΅Ρ Π²ΡΠ΅Π΄Π½ΡΠ΅ Π²ΡΠ±ΡΠΎΡΡ Π² Π°ΡΠΌΠΎΡΡΠ΅ΡΡ.
ΠΠΎΠ»ΠΈΡΠ΅ΡΡΠ²ΠΎ ΡΠ°Π· Π²ΠΏΡΡΡΠΊΠ° Π² ΡΠΎΠ²ΡΠ΅ΠΌΠ΅Π½Π½ΡΡ ΠΌΠΎΡΠΎΡΠ°Ρ ΠΊΠΎΠ»Π΅Π±Π»Π΅ΡΡΡ ΠΎΡ 7 Π΄ΠΎ 9.
ΠΠ»ΡΡΡ Common Rail
- ΠΠ°Π²Π»Π΅Π½ΠΈΠ΅ Π² ΡΠΎΠΏΠ»ΠΈΠ²Π½ΠΎΠΉ ΡΠ°ΠΌΠΏΠ΅ ΡΠΈΡΡΠ΅ΠΌ ΠΏΠ΅ΡΠ²ΠΎΠ³ΠΎ ΠΏΠΎΠΊΠΎΠ»Π΅Π½ΠΈΡ Π½Π΅ ΠΏΡΠ΅Π²ΡΡΠ°Π»ΠΎ 140 ΠΠΠ°. Π£Π²Π΅Π»ΠΈΡΠ΅Π½ΠΈΠ΅ Π΄Π°Π²Π»Π΅Π½ΠΈΡ Π² ΠΏΠΎΡΠ»Π΅Π΄ΡΡΡΠΈΡ ΠΏΠΎΠΊΠΎΠ»Π΅Π½ΠΈΡΡ ΠΏΠΎΠ·Π²ΠΎΠ»ΠΈΠ»ΠΎ Π΄ΠΎΡΡΠΈΠ³Π½ΡΡΡ ΡΠΆΠ΅ 220 ΠΠΠ°. Π’Π°ΠΊΠΎΠ΅ ΡΠ»ΡΡΡΠ΅Π½ΠΈΠ΅ ΠΏΠΎΠΊΠ°Π·Π°ΡΠ΅Π»Ρ Π΄Π°Π²Π»Π΅Π½ΠΈΡ Π΄Π°Π»ΠΎ Π²ΠΎΠ·ΠΌΠΎΠΆΠ½ΠΎΡΡΡ ΡΠ²Π΅Π»ΠΈΡΠΈΡΡ ΠΎΠ±ΡΠ΅ΠΌ Π΄ΠΈΠ·ΡΠΎΠΏΠ»ΠΈΠ²Π°, ΠΏΠΎΡΡΡΠΏΠ°ΡΡΠ΅Π³ΠΎ Π² ΡΠΈΠ»ΠΈΠ½Π΄ΡΡ Π΄Π²ΠΈΠ³Π°ΡΠ΅Π»Ρ Π·Π° ΠΎΠ΄ΠΈΠ½ ΡΠΈΠΊΠ», ΡΡΠΎ ΠΏΠΎΠ²ΡΡΠ°Π΅Ρ ΠΌΠΎΡΠ½ΠΎΡΡΡ Π΄ΠΈΠ·Π΅Π»ΡΠ½ΡΡ Π°Π²ΡΠΎΠΌΠΎΠ±ΠΈΠ»Π΅ΠΉ.
- ΠΡΠΏΠΎΠ»ΡΠ·ΠΎΠ²Π°Π½ΠΈΠ΅ Π² ΡΠΈΡΡΠ΅ΠΌΠ΅ ΠΊΠΎΠΌΠΏΠ»Π΅ΠΊΡΠ° Π΄Π°ΡΡΠΈΠΊΠΎΠ² Π΄Π°Π΅Ρ Π²ΠΎΠ·ΠΌΠΎΠΆΠ½ΠΎΡΡΡ ΡΡΠΈΡΡΠ²Π°ΡΡ ΠΌΠ½ΠΎΠΆΠ΅ΡΡΠ²ΠΎ ΠΏΠ°ΡΠ°ΠΌΠ΅ΡΡΠΎΠ², Π²ΠΊΠ»ΡΡΠ°Ρ ΡΠΊΠΎΡΠΎΡΡΡ Π²ΡΠ°ΡΠ΅Π½ΠΈΡ ΠΊΠΎΠ»Π΅Π½Π²Π°Π»Π°, Π΄Π°Π²Π»Π΅Π½ΠΈΠ΅ Π² ΠΌΠ°Π³ΠΈΡΡΡΠ°Π»ΡΠ½ΠΎΠΌ ΡΡΡΠ±ΠΎΠΏΡΠΎΠ²ΠΎΠ΄Π΅, ΡΠ΅ΠΌΠΏΠ΅ΡΠ°ΡΡΡΡ Π΄ΠΈΠ·ΡΠΎΠΏΠ»ΠΈΠ²Π°, ΡΠ°ΡΡ
ΠΎΠ΄ Π²ΠΎΠ·Π΄ΡΡ
Π°, Π΄Π°Π½Π½ΡΠ΅ Π»ΡΠΌΠ±Π΄Π°-Π·ΠΎΠ½Π΄Π°.

- ΠΠ½Π°Π»ΠΈΠ· ΠΏΠΎΡΡΡΠΏΠ°ΡΡΠΈΡ Π΄Π°Π½Π½ΡΡ ΠΏΠΎΠ·Π²ΠΎΠ»ΡΠ΅Ρ ΡΠ»Π΅ΠΊΡΡΠΎΠ½Π½ΠΎΠΌΡ Π±Π»ΠΎΠΊΡ ΡΠΏΡΠ°Π²Π»Π΅Π½ΠΈΡ ΠΎΠΏΡΠΈΠΌΠΈΠ·ΠΈΡΠΎΠ²Π°ΡΡ ΡΠ°Π±ΠΎΡΡ ΠΌΠΎΡΠΎΡΠ°. ΠΡΠΈ ΡΡΠΎΠΌ ΡΠ΅ΠΌΠΎΠ½ΡΠΎΠΏΡΠΈΠ³ΠΎΠ΄Π½ΠΎΡΡΡ ΡΠΈΡΡΠ΅ΠΌΡ Common Rail ΠΈΠ·-Π·Π° Π±ΠΎΠ»Π΅Π΅ ΠΏΡΠΎΡΡΠΎΠ³ΠΎ ΡΡΡΡΠΎΠΉΡΡΠ²Π° Π²ΡΡΠ΅, ΡΠ΅ΠΌ Ρ Π’ΠΠΠ Ρ Π½Π°ΡΠΎΡ-ΡΠΎΡΡΡΠ½ΠΊΠ°ΠΌΠΈ.
ΠΠΈΠ½ΡΡΡ Common Rail
- ΠΠ΅ΠΎΠ±Ρ ΠΎΠ΄ΠΈΠΌΠΎΡΡΡ ΠΏΡΠΈΠΌΠ΅Π½Π΅Π½ΠΈΡ Π±ΠΎΠ»Π΅Π΅ ΠΊΠ°ΡΠ΅ΡΡΠ²Π΅Π½Π½ΠΎΠ³ΠΎ Π΄ΠΈΠ·ΡΠΎΠΏΠ»ΠΈΠ²Π°. ΠΠ΅Π½ΡΡΠ΅ ΡΠ΅ΡΡΡΡ ΡΠΎΡΡΡΠ½ΠΎΠΊ ΠΈΠ·-Π·Π° ΠΈΡ ΡΠ»ΠΎΠΆΠ½ΠΎΠΉ ΠΊΠΎΠ½ΡΡΡΡΠΊΡΠΈΠΈ.
- Π’ΡΠ΅Π±ΡΠ΅ΡΡΡ ΠΎΠ±Π΅ΡΠΏΠ΅ΡΠΈΡΡ Π³Π΅ΡΠΌΠ΅ΡΠΈΡΠ½ΠΎΡΡΡ ΡΠΈΡΡΠ΅ΠΌΡ, ΠΏΠΎΡΠΎΠΌΡ ΡΡΠΎ Π½Π°Ρ ΠΎΠ΄ΡΡΠΈΠΉΡΡ Π² ΠΎΡΠΊΡΡΡΠΎΠΌ ΠΏΠΎΠ»ΠΎΠΆΠ΅Π½ΠΈΠΈ ΠΊΠ»Π°ΠΏΠ°Π½ ΠΏΠΎΡΠ»Π΅ ΠΏΠΎΠ»ΠΎΠΌΠΊΠΈ ΡΠΎΡΡΡΠ½ΠΊΠΈ ΠΏΡΠΈΠ²Π΅Π΄Π΅Ρ ΠΊ ΠΎΡΡΠ°Π½ΠΎΠ²ΠΊΠ΅ ΡΠΎΠΏΠ»ΠΈΠ²Π½ΠΎΠΉ ΡΠΈΡΡΠ΅ΠΌΡ.
Π‘ΠΈΡΡΠ΅ΠΌΠ° Π²ΠΏΡΡΡΠΊΠ° Common Rail β Π½Π°Π·Π½Π°ΡΠ΅Π½ΠΈΠ΅, ΡΡΡΡΠΎΠΉΡΡΠ²ΠΎ, ΠΏΡΠΈΠ½ΡΠΈΠΏ Π΄Π΅ΠΉΡΡΠ²ΠΈΡ
Π‘ΠΈΡΡΠ΅ΠΌΠ° Π²ΠΏΡΡΡΠΊΠ° Common Rail ΡΠ²Π»ΡΠ΅ΡΡΡ ΡΠΎΠ²ΡΠ΅ΠΌΠ΅Π½Π½ΠΎΠΉ ΡΠΈΡΡΠ΅ΠΌΠΎΠΉ Π²ΠΏΡΡΡΠΊΠ° ΡΠΎΠΏΠ»ΠΈΠ²Π° Π΄ΠΈΠ·Π΅Π»ΡΠ½ΡΡ Π΄Π²ΠΈΠ³Π°ΡΠ΅Π»Π΅ΠΉ. Π Π°Π±ΠΎΡΠ° ΡΠΈΡΡΠ΅ΠΌΡ Common Rail ΠΎΡΠ½ΠΎΠ²Π°Π½Π° Π½Π° ΠΏΠΎΠ΄Π°ΡΠ΅ ΡΠΎΠΏΠ»ΠΈΠ²Π° ΠΊ ΡΠΎΡΡΡΠ½ΠΊΠ°ΠΌ ΠΎΡ ΠΎΠ±ΡΠ΅Π³ΠΎ Π°ΠΊΠΊΡΠΌΡΠ»ΡΡΠΎΡΠ° Π²ΡΡΠΎΠΊΠΎΠ³ΠΎ Π΄Π°Π²Π»Π΅Π½ΠΈΡ β ΡΠΎΠΏΠ»ΠΈΠ²Π½ΠΎΠΉ ΡΠ°ΠΌΠΏΡ (Common Rail Π² ΠΏΠ΅ΡΠ΅Π²ΠΎΠ΄Π΅ ΠΎΠ±ΡΠ°Ρ ΡΠ°ΠΌΠΏΠ°). Π‘ΠΈΡΡΠ΅ΠΌΠ° Π²ΠΏΡΡΡΠΊΠ° ΡΠ°Π·ΡΠ°Π±ΠΎΡΠ°Π½Π° ΡΠΏΠ΅ΡΠΈΠ°Π»ΠΈΡΡΠ°ΠΌΠΈ ΡΠΈΡΠΌΡ Bosch.
ΠΡΠΈΠΌΠ΅Π½Π΅Π½ΠΈΠ΅ Π΄Π°Π½Π½ΠΎΠΉ ΡΠΈΡΡΠ΅ΠΌΡ ΠΏΠΎΠ·Π²ΠΎΠ»ΡΠ΅Ρ Π΄ΠΎΡΡΠΈΠ³Π½ΡΡΡ ΡΠ½ΠΈΠΆΠ΅Π½ΠΈΡ ΡΠ°ΡΡ
ΠΎΠ΄Π° ΡΠΎΠΏΠ»ΠΈΠ²Π°, ΡΠΎΠΊΡΠΈΡΠ½ΠΎΡΡΠΈ ΠΎΡΡΠ°Π±ΠΎΡΠ°Π²ΡΠΈΡ
Π³Π°Π·ΠΎΠ², ΡΡΠΎΠ²Π½Ρ ΡΡΠΌΠ° Π΄ΠΈΠ·Π΅Π»Ρ.
ΠΠ»Π°Π²Π½ΡΠΌ ΠΏΡΠ΅ΠΈΠΌΡΡΠ΅ΡΡΠ²ΠΎΠΌ ΡΠΈΡΡΠ΅ΠΌΡ Common Rail ΡΠ²Π»ΡΠ΅ΡΡΡ ΡΠΈΡΠΎΠΊΠΈΠΉ Π΄ΠΈΠ°ΠΏΠ°Π·ΠΎΠ½ ΡΠ΅Π³ΡΠ»ΠΈΡΠΎΠ²Π°Π½ΠΈΡ Π΄Π°Π²Π»Π΅Π½ΠΈΡ ΡΠΎΠΏΠ»ΠΈΠ²Π° ΠΈ ΠΌΠΎΠΌΠ΅Π½ΡΠ° Π½Π°ΡΠ°Π»Π° Π²ΠΏΡΡΡΠΊΠ°, ΠΊΠΎΡΠΎΡΡΠ΅ Π΄ΠΎΡΡΠΈΠ³Π½ΡΡΡ Π·Π° ΡΡΠ΅Ρ ΡΠ°Π·Π΄Π΅Π»Π΅Π½ΠΈΡ ΠΏΡΠΎΡΠ΅ΡΡΠΎΠ² ΡΠΎΠ·Π΄Π°Π½ΠΈΡ Π΄Π°Π²Π»Π΅Π½ΠΈΡ ΠΈ Π²ΠΏΡΡΡΠΊΠ°.
ΠΠΎΠ½ΡΡΡΡΠΊΡΠΈΠ²Π½ΠΎ ΡΠΈΡΡΠ΅ΠΌΠ° Π²ΠΏΡΡΡΠΊΠ° Common Rail ΡΠΎΡΡΠ°Π²Π»ΡΠ΅Ρ ΠΊΠΎΠ½ΡΡΡ Π²ΡΡΠΎΠΊΠΎΠ³ΠΎ Π΄Π°Π²Π»Π΅Π½ΠΈΡ ΡΠΎΠΏΠ»ΠΈΠ²Π½ΠΎΠΉ ΡΠΈΡΡΠ΅ΠΌΡ Π΄ΠΈΠ·Π΅Π»ΡΠ½ΠΎΠ³ΠΎ Π΄Π²ΠΈΠ³Π°ΡΠ΅Π»Ρ. Π ΡΠΈΡΡΠ΅ΠΌΠ΅ ΠΈΡΠΏΠΎΠ»ΡΠ·ΡΠ΅ΡΡΡ Π½Π΅ΠΏΠΎΡΡΠ΅Π΄ΡΡΠ²Π΅Π½Π½ΡΠΉ Π²ΠΏΡΡΡΠΊ ΡΠΎΠΏΠ»ΠΈΠ²Π°, Ρ.Π΅. Π΄ΠΈΠ·Π΅Π»ΡΠ½ΠΎΠ΅ ΡΠΎΠΏΠ»ΠΈΠ²ΠΎ Π²ΠΏΡΡΡΠΊΠΈΠ²Π°Π΅ΡΡΡ Π½Π΅ΠΏΠΎΡΡΠ΅Π΄ΡΡΠ²Π΅Π½Π½ΠΎ Π² ΠΊΠ°ΠΌΠ΅ΡΡ ΡΠ³ΠΎΡΠ°Π½ΠΈΡ. Π‘ΠΈΡΡΠ΅ΠΌΠ° Common Rail Π²ΠΊΠ»ΡΡΠ°Π΅Ρ ΡΠΎΠΏΠ»ΠΈΠ²Π½ΡΠΉ Π½Π°ΡΠΎΡ Π²ΡΡΠΎΠΊΠΎΠ³ΠΎ Π΄Π°Π²Π»Π΅Π½ΠΈΡ, ΠΊΠ»Π°ΠΏΠ°Π½ Π΄ΠΎΠ·ΠΈΡΠΎΠ²Π°Π½ΠΈΡ ΡΠΎΠΏΠ»ΠΈΠ²Π°, ΡΠ΅Π³ΡΠ»ΡΡΠΎΡ Π΄Π°Π²Π»Π΅Π½ΠΈΡ ΡΠΎΠΏΠ»ΠΈΠ²Π° (ΠΊΠΎΠ½ΡΡΠΎΠ»ΡΠ½ΡΠΉ ΠΊΠ»Π°ΠΏΠ°Π½), ΡΠΎΠΏΠ»ΠΈΠ²Π½ΡΡ ΡΠ°ΠΌΠΏΡ ΠΈ ΡΠΎΡΡΡΠ½ΠΊΠΈ. ΠΡΠ΅ ΡΠ»Π΅ΠΌΠ΅Π½ΡΡ ΠΎΠ±ΡΠ΅Π΄ΠΈΠ½ΡΡΡ ΡΠΎΠΏΠ»ΠΈΠ²ΠΎΠΏΡΠΎΠ²ΠΎΠ΄Ρ.
Π’ΠΎΠΏΠ»ΠΈΠ²Π½ΡΠΉ Π½Π°ΡΠΎΡ Π²ΡΡΠΎΠΊΠΎΠ³ΠΎ Π΄Π°Π²Π»Π΅Π½ΠΈΡ (Π’ΠΠΠ) ΡΠ»ΡΠΆΠΈΡ Π΄Π»Ρ ΡΠΎΠ·Π΄Π°Π½ΠΈΡ Π²ΡΡΠΎΠΊΠΎΠ³ΠΎ Π΄Π°Π²Π»Π΅Π½ΠΈΡ ΡΠΎΠΏΠ»ΠΈΠ²Π° ΠΈ Π΅Π³ΠΎ Π½Π°ΠΊΠΎΠΏΠ»Π΅Π½ΠΈΡ Π² ΡΠΎΠΏΠ»ΠΈΠ²Π½ΠΎΠΉ ΡΠ°ΠΌΠΏΠ΅. Π‘ΠΎΠ²ΡΠ΅ΠΌΠ΅Π½Π½ΡΠ΅ ΡΠΎΠΏΠ»ΠΈΠ²Π½ΡΠ΅ Π½Π°ΡΠΎΡΡ Π²ΡΡΠΎΠΊΠΎΠ³ΠΎ Π΄Π°Π²Π»Π΅Π½ΠΈΡ ΠΏΠ»ΡΠ½ΠΆΠ΅ΡΠ½ΠΎΠ³ΠΎ ΡΠΈΠΏΠ°.
ΠΠ»Π°ΠΏΠ°Π½ Π΄ΠΎΠ·ΠΈΡΠΎΠ²Π°Π½ΠΈΡ ΡΠΎΠΏΠ»ΠΈΠ²Π° ΡΠ΅Π³ΡΠ»ΠΈΡΡΠ΅Ρ ΠΊΠΎΠ»ΠΈΡΠ΅ΡΡΠ²ΠΎ ΡΠΎΠΏΠ»ΠΈΠ²Π°, ΠΏΠΎΠ΄Π°Π²Π°Π΅ΠΌΠΎΠ³ΠΎ ΠΊ ΡΠΎΠΏΠ»ΠΈΠ²Π½ΠΎΠΌΡ Π½Π°ΡΠΎΡΡ Π²ΡΡΠΎΠΊΠΎΠ³ΠΎ Π΄Π°Π²Π»Π΅Π½ΠΈΡ Π² Π·Π°Π²ΠΈΡΠΈΠΌΠΎΡΡΠΈ ΠΎΡ ΠΏΠΎΡΡΠ΅Π±Π½ΠΎΡΡΠΈ Π΄Π²ΠΈΠ³Π°ΡΠ΅Π»Ρ.
Π Π΅Π³ΡΠ»ΡΡΠΎΡ Π΄Π°Π²Π»Π΅Π½ΠΈΡ ΡΠΎΠΏΠ»ΠΈΠ²Π° ΠΏΡΠ΅Π΄Π½Π°Π·Π½Π°ΡΠ΅Π½ Π΄Π»Ρ ΡΠΏΡΠ°Π²Π»Π΅Π½ΠΈΡ Π΄Π°Π²Π»Π΅Π½ΠΈΠ΅ΠΌ ΡΠΎΠΏΠ»ΠΈΠ²Π° Π² ΡΠΈΡΡΠ΅ΠΌΠ΅, Π² Π·Π°Π²ΠΈΡΠΈΠΌΠΎΡΡΠΈ ΠΎΡ Π½Π°Π³ΡΡΠ·ΠΊΠΈ Π½Π° Π΄Π²ΠΈΠ³Π°ΡΠ΅Π»Ρ. ΠΠ½ ΡΡΡΠ°Π½Π°Π²Π»ΠΈΠ²Π°Π΅ΡΡΡ Π² ΡΠΎΠΏΠ»ΠΈΠ²Π½ΠΎΠΉ ΡΠ°ΠΌΠΏΠ΅.
Π’ΠΎΠΏΠ»ΠΈΠ²Π½Π°Ρ ΡΠ°ΠΌΠΏΠ° ΠΏΡΠ΅Π΄Π½Π°Π·Π½Π°ΡΠ΅Π½Π° Π΄Π»Ρ Π²ΡΠΏΠΎΠ»Π½Π΅Π½ΠΈΡ Π½Π΅ΡΠΊΠΎΠ»ΡΠΊΠΈΡ ΡΡΠ½ΠΊΡΠΈΠΉ: Π½Π°ΠΊΠΎΠΏΠ»Π΅Π½ΠΈΡ ΡΠΎΠΏΠ»ΠΈΠ²Π° ΠΈ ΡΠΎΠ΄Π΅ΡΠΆΠ°Π½ΠΈΠ΅ Π΅Π³ΠΎ ΠΏΠΎΠ΄ Π²ΡΡΠΎΠΊΠΈΠΌ Π΄Π°Π²Π»Π΅Π½ΠΈΠ΅ΠΌ, ΡΠΌΡΠ³ΡΠ΅Π½ΠΈΡ ΠΊΠΎΠ»Π΅Π±Π°Π½ΠΈΠΉ Π΄Π°Π²Π»Π΅Π½ΠΈΡ, Π²ΠΎΠ·Π½ΠΈΠΊΠ°ΡΡΠΈΡ Π²ΡΠ»Π΅Π΄ΡΡΠ²ΠΈΠ΅ ΠΏΡΠ»ΡΡΠ°ΡΠΈΠΈ ΠΏΠΎΠ΄Π°ΡΠΈ ΠΎΡ Π’ΠΠΠ, ΡΠ°ΡΠΏΡΠ΅Π΄Π΅Π»Π΅Π½ΠΈΡ ΡΠΎΠΏΠ»ΠΈΠ²Π° ΠΏΠΎ ΡΠΎΡΡΡΠ½ΠΊΠ°ΠΌ.
Π€ΠΎΡΡΡΠ½ΠΊΠ° Π²Π°ΠΆΠ½Π΅ΠΉΡΠΈΠΉ ΡΠ»Π΅ΠΌΠ΅Π½Ρ ΡΠΈΡΡΠ΅ΠΌΡ, Π½Π΅ΠΏΠΎΡΡΠ΅Π΄ΡΡΠ²Π΅Π½Π½ΠΎ ΠΎΡΡΡΠ΅ΡΡΠ²Π»ΡΡΡΠΈΠΉ Π²ΠΏΡΡΡΠΊ ΡΠΎΠΏΠ»ΠΈΠ²Π° Π² ΠΊΠ°ΠΌΠ΅ΡΡ ΡΠ³ΠΎΡΠ°Π½ΠΈΡ Π΄Π²ΠΈΠ³Π°ΡΠ΅Π»Ρ. Π€ΠΎΡΡΡΠ½ΠΊΠΈ ΡΠ²ΡΠ·Π°Π½Ρ Ρ ΡΠΎΠΏΠ»ΠΈΠ²Π½ΠΎΠΉ ΡΠ°ΠΌΠΏΠΎΠΉ ΡΠΎΠΏΠ»ΠΈΠ²ΠΎΠΏΡΠΎΠ²ΠΎΠ΄Π°ΠΌΠΈ Π²ΡΡΠΎΠΊΠΎΠ³ΠΎ Π΄Π°Π²Π»Π΅Π½ΠΈΡ. Π ΡΠΈΡΡΠ΅ΠΌΠ΅ ΠΈΡΠΏΠΎΠ»ΡΠ·ΡΡΡΡΡ ΡΠ»Π΅ΠΊΡΡΠΎΠ³ΠΈΠ΄ΡΠ°Π²Π»ΠΈΡΠ΅ΡΠΊΠΈΠ΅ ΡΠΎΡΡΡΠ½ΠΊΠΈ ΠΈΠ»ΠΈ ΠΏΡΠ΅Π·ΠΎΡΠΎΡΡΡΠ½ΠΊΠΈ.
ΠΠΏΡΡΡΠΊ ΡΠΎΠΏΠ»ΠΈΠ²Π° ΡΠ»Π΅ΠΊΡΡΠΎΠ³ΠΈΠ΄ΡΠ°Π²Π»ΠΈΡΠ΅ΡΠΊΠΎΠΉ ΡΠΎΡΡΡΠ½ΠΊΠΎΠΉ ΠΎΡΡΡΠ΅ΡΡΠ²Π»ΡΠ΅ΡΡΡ Π·Π° ΡΡΠ΅Ρ ΡΠΏΡΠ°Π²Π»Π΅Π½ΠΈΡ ΡΠ»Π΅ΠΊΡΡΠΎΠΌΠ°Π³Π½ΠΈΡΠ½ΡΠΌ ΠΊΠ»Π°ΠΏΠ°Π½ΠΎΠΌ. ΠΠΊΡΠΈΠ²Π½ΡΠΌ ΡΠ»Π΅ΠΌΠ΅Π½ΡΠΎΠΌ ΠΏΡΠ΅Π·ΠΎΡΠΎΡΡΡΠ½ΠΊΠΈ ΡΠ²Π»ΡΡΡΡΡ ΠΏΡΠ΅Π·ΠΎΠΊΡΠΈΡΡΠ°Π»Π»Ρ, Π·Π½Π°ΡΠΈΡΠ΅Π»ΡΠ½ΠΎ ΠΏΠΎΠ²ΡΡΠ°ΡΡΠΈΠ΅ ΡΠΊΠΎΡΠΎΡΡΡ ΡΠ°Π±ΠΎΡΡ ΡΠΎΡΡΡΠ½ΠΊΠΈ.
Π£ΠΏΡΠ°Π²Π»Π΅Π½ΠΈΠ΅ ΡΠ°Π±ΠΎΡΠΎΠΉ ΡΠΈΡΡΠ΅ΠΌΠΎΠΉ Π²ΠΏΡΡΡΠΊΠ° Common Rail ΠΎΠ±Π΅ΡΠΏΠ΅ΡΠΈΠ²Π°Π΅Ρ ΡΠΈΡΡΠ΅ΠΌΠ° ΡΠΏΡΠ°Π²Π»Π΅Π½ΠΈΡ Π΄ΠΈΠ·Π΅Π»Π΅ΠΌ, ΠΊΠΎΡΠΎΡΠ°Ρ ΠΎΠ±ΡΠ΅Π΄ΠΈΠ½ΡΠ΅Ρ Π΄Π°ΡΡΠΈΠΊΠΈ, Π±Π»ΠΎΠΊ ΡΠΏΡΠ°Π²Π»Π΅Π½ΠΈΡ Π΄Π²ΠΈΠ³Π°ΡΠ΅Π»Π΅ΠΌ ΠΈ ΠΈΡΠΏΠΎΠ»Π½ΠΈΡΠ΅Π»ΡΠ½ΡΠ΅ ΠΌΠ΅Ρ
Π°Π½ΠΈΠ·ΠΌΡ ΡΠΈΡΡΠ΅ΠΌ Π΄Π²ΠΈΠ³Π°ΡΠ΅Π»Ρ.
Π‘ΠΈΡΡΠ΅ΠΌΠ° ΡΠΏΡΠ°Π²Π»Π΅Π½ΠΈΡ Π΄ΠΈΠ·Π΅Π»Π΅ΠΌ Π²ΠΊΠ»ΡΡΠ°Π΅Ρ Π΄Π°ΡΡΠΈΠΊΠΈ ΠΎΠ±ΠΎΡΠΎΡΠΎΠ² Π΄Π²ΠΈΠ³Π°ΡΠ΅Π»Ρ, Π₯ΠΎΠ»Π»Π°, ΠΏΠΎΠ»ΠΎΠΆΠ΅Π½ΠΈΡ ΠΏΠ΅Π΄Π°Π»ΠΈ Π°ΠΊΡΠ΅Π»Π΅ΡΠ°ΡΠΎΡΠ°, ΡΠ°ΡΡ ΠΎΠ΄ΠΎΠΌΠ΅Ρ Π²ΠΎΠ·Π΄ΡΡ Π°, ΡΠ΅ΠΌΠΏΠ΅ΡΠ°ΡΡΡΡ ΠΎΡ Π»Π°ΠΆΠ΄Π°ΡΡΠ΅ΠΉ ΠΆΠΈΠ΄ΠΊΠΎΡΡΠΈ, Π΄Π°Π²Π»Π΅Π½ΠΈΡ Π²ΠΎΠ·Π΄ΡΡ Π°, ΡΠ΅ΠΌΠΏΠ΅ΡΠ°ΡΡΡΡ Π²ΠΎΠ·Π΄ΡΡ Π°, Π΄Π°Π²Π»Π΅Π½ΠΈΡ ΡΠΎΠΏΠ»ΠΈΠ²Π°, ΠΊΠΈΡΠ»ΠΎΡΠΎΠ΄Π½ΡΠΉ Π΄Π°ΡΡΠΈΠΊ (Π»ΡΠΌΠ±Π΄Π°-Π·ΠΎΠ½Π΄) ΠΈ Π΄ΡΡΠ³ΠΈΠ΅.
ΠΡΠ½ΠΎΠ²Π½ΡΠΌΠΈ ΠΈΡΠΏΠΎΠ»Π½ΠΈΡΠ΅Π»ΡΠ½ΡΠΌΠΈ ΠΌΠ΅Ρ Π°Π½ΠΈΠ·ΠΌΠ°ΠΌΠΈ ΡΠΈΡΡΠ΅ΠΌΡ Π²ΠΏΡΡΡΠΊΠ° Common Rail ΡΠ²Π»ΡΡΡΡΡ ΡΠΎΡΡΡΠ½ΠΊΠΈ, ΠΊΠ»Π°ΠΏΠ°Π½ Π΄ΠΎΠ·ΠΈΡΠΎΠ²Π°Π½ΠΈΡ ΡΠΎΠΏΠ»ΠΈΠ²Π°, Π° ΡΠ°ΠΊΠΆΠ΅ ΡΠ΅Π³ΡΠ»ΡΡΠΎΡ Π΄Π°Π²Π»Π΅Π½ΠΈΡ ΡΠΎΠΏΠ»ΠΈΠ²Π°.
ΠΡΠΈΠ½ΡΠΈΠΏ Π΄Π΅ΠΉΡΡΠ²ΠΈΡ ΡΠΈΡΡΠ΅ΠΌΡ Π²ΠΏΡΡΡΠΊΠ° Common Rail
ΠΠ° ΠΎΡΠ½ΠΎΠ²Π°Π½ΠΈΠΈ ΡΠΈΠ³Π½Π°Π»ΠΎΠ², ΠΏΠΎΡΡΡΠΏΠ°ΡΡΠΈΡ ΠΎΡ Π΄Π°ΡΡΠΈΠΊΠΎΠ², Π±Π»ΠΎΠΊ ΡΠΏΡΠ°Π²Π»Π΅Π½ΠΈΡ Π΄Π²ΠΈΠ³Π°ΡΠ΅Π»Π΅ΠΌ ΠΎΠΏΡΠ΅Π΄Π΅Π»ΡΠ΅Ρ Π½Π΅ΠΎΠ±Ρ ΠΎΠ΄ΠΈΠΌΠΎΠ΅ ΠΊΠΎΠ»ΠΈΡΠ΅ΡΡΠ²ΠΎ ΡΠΎΠΏΠ»ΠΈΠ²Π°, ΠΊΠΎΡΠΎΡΠΎΠ΅ ΡΠΎΠΏΠ»ΠΈΠ²Π½ΡΠΉ Π½Π°ΡΠΎΡ Π²ΡΡΠΎΠΊΠΎΠ³ΠΎ Π΄Π°Π²Π»Π΅Π½ΠΈΡ ΠΏΠΎΠ΄Π°Π΅Ρ ΡΠ΅ΡΠ΅Π· ΠΊΠ»Π°ΠΏΠ°Π½ Π΄ΠΎΠ·ΠΈΡΠΎΠ²Π°Π½ΠΈΡ ΡΠΎΠΏΠ»ΠΈΠ²Π°. ΠΠ°ΡΠΎΡ Π½Π°ΠΊΠ°ΡΠΈΠ²Π°Π΅Ρ ΡΠΎΠΏΠ»ΠΈΠ²ΠΎ Π² ΡΠΎΠΏΠ»ΠΈΠ²Π½ΡΡ ΡΠ°ΠΌΠΏΡ. Π’Π°ΠΌ ΠΎΠ½ΠΎ Π½Π°Ρ ΠΎΠ΄ΠΈΡΡΡ ΠΏΠΎΠ΄ ΠΎΠΏΡΠ΅Π΄Π΅Π»Π΅Π½Π½ΡΠΌ Π΄Π°Π²Π»Π΅Π½ΠΈΠ΅ΠΌ, ΠΎΠ±Π΅ΡΠΏΠ΅ΡΠΈΠ²Π°Π΅ΠΌΡΠΌ ΡΠ΅Π³ΡΠ»ΡΡΠΎΡΠΎΠΌ Π΄Π°Π²Π»Π΅Π½ΠΈΡ ΡΠΎΠΏΠ»ΠΈΠ²Π°.
Π Π½ΡΠΆΠ½ΡΠΉ ΠΌΠΎΠΌΠ΅Π½Ρ Π±Π»ΠΎΠΊ ΡΠΏΡΠ°Π²Π»Π΅Π½ΠΈΡ Π΄Π²ΠΈΠ³Π°ΡΠ΅Π»Π΅ΠΌ Π΄Π°Π΅Ρ ΠΊΠΎΠΌΠ°Π½Π΄Ρ ΡΠΎΠΎΡΠ²Π΅ΡΡΡΠ²ΡΡΡΠΈΠΌ ΡΠΎΡΡΡΠ½ΠΊΠ°ΠΌ Π½Π° Π½Π°ΡΠ°Π»ΠΎ Π²ΠΏΡΡΡΠΊΠ° ΠΈ ΠΎΠ±Π΅ΡΠΏΠ΅ΡΠΈΠ²Π°Π΅Ρ ΠΎΠΏΡΠ΅Π΄Π΅Π»Π΅Π½Π½ΡΡ ΠΏΡΠΎΠ΄ΠΎΠ»ΠΆΠΈΡΠ΅Π»ΡΠ½ΠΎΡΡΡ ΠΎΡΠΊΡΡΡΠΈΡ ΠΊΠ»Π°ΠΏΠ°Π½Π° ΡΠΎΡΡΡΠ½ΠΊΠΈ.
Π Π·Π°Π²ΠΈΡΠΈΠΌΠΎΡΡΠΈ ΠΎΡ ΡΠ΅ΠΆΠΈΠΌΠΎΠ² ΡΠ°Π±ΠΎΡΡ Π΄Π²ΠΈΠ³Π°ΡΠ΅Π»Ρ Π±Π»ΠΎΠΊ ΡΠΏΡΠ°Π²Π»Π΅Π½ΠΈΡ Π΄Π²ΠΈΠ³Π°ΡΠ΅Π»Π΅ΠΌ ΠΊΠΎΡΡΠ΅ΠΊΡΠΈΡΡΠ΅Ρ ΠΏΠ°ΡΠ°ΠΌΠ΅ΡΡΡ ΡΠ°Π±ΠΎΡΡ ΡΠΈΡΡΠ΅ΠΌΡ Π²ΠΏΡΡΡΠΊΠ°.
Π‘ ΡΠ΅Π»ΡΡ ΠΏΠΎΠ²ΡΡΠ΅Π½ΠΈΡ ΡΡΡΠ΅ΠΊΡΠΈΠ²Π½ΠΎΠΉ ΡΠ°Π±ΠΎΡΡ Π΄Π²ΠΈΠ³Π°ΡΠ΅Π»Ρ Π² ΡΠΈΡΡΠ΅ΠΌΠ΅ Common Rail ΡΠ΅Π°Π»ΠΈΠ·ΡΠ΅ΡΡΡ ΠΌΠ½ΠΎΠ³ΠΎΠΊΡΠ°ΡΠ½ΡΠΉ Π²ΠΏΡΡΡΠΊ ΡΠΎΠΏΠ»ΠΈΠ²Π° Π² ΡΠ΅ΡΠ΅Π½ΠΈΠ΅ ΠΎΠ΄Π½ΠΎΠ³ΠΎ ΡΠΈΠΊΠ»Π° ΡΠ°Π±ΠΎΡΡ Π΄Π²ΠΈΠ³Π°ΡΠ΅Π»Ρ. ΠΡΠΈ ΡΡΠΎΠΌ ΡΠ°Π·Π»ΠΈΡΠ°ΡΡ: ΠΏΡΠ΅Π΄Π²Π°ΡΠΈΡΠ΅Π»ΡΠ½ΡΠΉ Π²ΠΏΡΡΡΠΊ, ΠΎΡΠ½ΠΎΠ²Π½ΠΎΠΉ Π²ΠΏΡΡΡΠΊ ΠΈ Π΄ΠΎΠΏΠΎΠ»Π½ΠΈΡΠ΅Π»ΡΠ½ΡΠΉ Π²ΠΏΡΡΡΠΊ.
ΠΡΠ΅Π΄Π²Π°ΡΠΈΡΠ΅Π»ΡΠ½ΡΠΉ Π²ΠΏΡΡΡΠΊ Π½Π΅Π±ΠΎΠ»ΡΡΠΎΠ³ΠΎ ΠΊΠΎΠ»ΠΈΡΠ΅ΡΡΠ²Π° ΡΠΎΠΏΠ»ΠΈΠ²Π° ΠΏΡΠΎΠΈΠ·Π²ΠΎΠ΄ΠΈΡΡΡ ΠΏΠ΅ΡΠ΅Π΄ ΠΎΡΠ½ΠΎΠ²Π½ΡΠΌ Π²ΠΏΡΡΡΠΊΠΎΠΌ Π΄Π»Ρ ΠΏΠΎΠ²ΡΡΠ΅Π½ΠΈΡ ΡΠ΅ΠΌΠΏΠ΅ΡΠ°ΡΡΡΡ ΠΈ Π΄Π°Π²Π»Π΅Π½ΠΈΡ Π² ΠΊΠ°ΠΌΠ΅ΡΠ΅ ΡΠ³ΠΎΡΠ°Π½ΠΈΡ, ΡΠ΅ΠΌ Π΄ΠΎΡΡΠΈΠ³Π°Π΅ΡΡΡ ΡΡΠΊΠΎΡΠ΅Π½ΠΈΠ΅ ΡΠ°ΠΌΠΎΠ²ΠΎΡΠΏΠ»Π°ΠΌΠ΅Π½Π΅Π½ΠΈΡ ΠΎΡΠ½ΠΎΠ²Π½ΠΎΠ³ΠΎ Π·Π°ΡΡΠ΄Π°, ΡΠ½ΠΈΠΆΠ΅Π½ΠΈΠ΅ ΡΡΠΌΠ° ΠΈ ΡΠΎΠΊΡΠΈΡΠ½ΠΎΡΡΠΈ ΠΎΡΡΠ°Π±ΠΎΡΠ°Π²ΡΠΈΡ Π³Π°Π·ΠΎΠ². Π Π·Π°Π²ΠΈΡΠΈΠΌΠΎΡΡΠΈ ΠΎΡ ΡΠ΅ΠΆΠΈΠΌΠ° ΡΠ°Π±ΠΎΡΡ Π΄Π²ΠΈΠ³Π°ΡΠ΅Π»Ρ ΠΏΡΠΎΠΈΠ·Π²ΠΎΠ΄ΠΈΡΡΡ:
- Π΄Π²Π° ΠΏΡΠ΅Π΄Π²Π°ΡΠΈΡΠ΅Π»ΡΠ½ΡΡ Π²ΠΏΡΡΡΠΊΠ° – Π½Π° Ρ ΠΎΠ»ΠΎΡΡΠΎΠΌ Ρ ΠΎΠ΄Ρ;
- ΠΎΠ΄ΠΈΠ½ ΠΏΡΠ΅Π΄Π²Π°ΡΠΈΡΠ΅Π»ΡΠ½ΡΠΉ Π²ΠΏΡΡΡΠΊ – ΠΏΡΠΈ ΠΏΠΎΠ²ΡΡΠ΅Π½ΠΈΠΈ Π½Π°Π³ΡΡΠ·ΠΊΠΈ;
- ΠΏΡΠ΅Π΄Π²Π°ΡΠΈΡΠ΅Π»ΡΠ½ΡΠΉ Π²ΠΏΡΡΡΠΊ Π½Π΅ ΠΏΡΠΎΠΈΠ·Π²ΠΎΠ΄ΠΈΡΡΡ – ΠΏΡΠΈ ΠΏΠΎΠ»Π½ΠΎΠΉ Π½Π°Π³ΡΡΠ·ΠΊΠ΅.
ΠΡΠ½ΠΎΠ²Π½ΠΎΠΉ Π²ΠΏΡΡΡΠΊ ΠΎΠ±Π΅ΡΠΏΠ΅ΡΠΈΠ²Π°Π΅Ρ ΡΠ°Π±ΠΎΡΡ Π΄Π²ΠΈΠ³Π°ΡΠ΅Π»Ρ.
ΠΠΎΠΏΠΎΠ»Π½ΠΈΡΠ΅Π»ΡΠ½ΡΠΉ Π²ΠΏΡΡΡΠΊ ΠΏΡΠΎΠΈΠ·Π²ΠΎΠ΄ΠΈΡΡΡ Π΄Π»Ρ ΠΏΠΎΠ²ΡΡΠ΅Π½ΠΈΡ ΡΠ΅ΠΌΠΏΠ΅ΡΠ°ΡΡΡΡ ΠΎΡΡΠ°Π±ΠΎΡΠ°Π²ΡΠΈΡ
Π³Π°Π·ΠΎΠ² ΠΈ ΡΠ³ΠΎΡΠ°Π½ΠΈΡ ΡΠ°ΡΡΠΈΡ ΡΠ°ΠΆΠΈ Π² ΡΠ°ΠΆΠ΅Π²ΠΎΠΌ ΡΠΈΠ»ΡΡΡΠ΅ (ΡΠ΅Π³Π΅Π½Π΅ΡΠ°ΡΠΈΡ ΡΠ°ΠΆΠ΅Π²ΠΎΠ³ΠΎ ΡΠΈΠ»ΡΡΡΠ°).
Π Π°Π·Π²ΠΈΡΠΈΠ΅ ΡΠΈΡΡΠ΅ΠΌΡ Π²ΠΏΡΡΡΠΊΠ° Common Rail ΠΎΡΡΡΠ΅ΡΡΠ²Π»ΡΠ΅ΡΡΡ ΠΏΠΎ ΠΏΡΡΠΈ ΡΠ²Π΅Π»ΠΈΡΠ΅Π½ΠΈΡ Π΄Π°Π²Π»Π΅Π½ΠΈΡ Π²ΠΏΡΡΡΠΊΠ°:
- ΠΏΠ΅ΡΠ²ΠΎΠ΅ ΠΏΠΎΠΊΠΎΠ»Π΅Π½ΠΈΠ΅ β 140 ΠΠΠ°, Ρ 1999 Π³ΠΎΠ΄Π°;
- Π²ΡΠΎΡΠΎΠ΅ ΠΏΠΎΠΊΠΎΠ»Π΅Π½ΠΈΠ΅ β 160 ΠΠΠ°, Ρ 2001 Π³ΠΎΠ΄Π°;
- ΡΡΠ΅ΡΡΠ΅ ΠΏΠΎΠΊΠΎΠ»Π΅Π½ΠΈΠ΅ β 180 ΠΠΠ°, Ρ 2005 Π³ΠΎΠ΄Π°;
ΡΠ΅ΡΠ²Π΅ΡΡΠΎΠ΅ ΠΏΠΎΠΊΠΎΠ»Π΅Π½ΠΈΠ΅ β 220 ΠΠΠ°, Ρ 2009 Π³ΠΎΠ΄Π°.
Π§Π΅ΠΌ Π²ΡΡΠ΅ Π΄Π°Π²Π»Π΅Π½ΠΈΠ΅ Π² ΡΠΈΡΡΠ΅ΠΌΠ΅ Π²ΠΏΡΡΡΠΊΠ°, ΡΠ΅ΠΌ Π±ΠΎΠ»ΡΡΠ΅ ΡΠΎΠΏΠ»ΠΈΠ²Π° ΠΌΠΎΠΆΠ½ΠΎ Π²ΠΏΡΡΡΠ½ΡΡΡ Π² ΡΠΈΠ»ΠΈΠ½Π΄Ρ Π·Π° ΡΠ°Π²Π½ΡΠΉ ΠΏΡΠΎΠΌΠ΅ΠΆΡΡΠΎΠΊ Π²ΡΠ΅ΠΌΠ΅Π½ΠΈ ΠΈ, ΡΠΎΠΎΡΠ²Π΅ΡΡΡΠ²Π΅Π½Π½ΠΎ, ΡΠ΅Π°Π»ΠΈΠ·ΠΎΠ²Π°ΡΡ Π±ΠΎΠ»ΡΡΡΡ ΠΌΠΎΡΠ½ΠΎΡΡΡ.
Β
Β
ΠΡΠ΅, ΡΡΠΎ Π²Π°ΠΌ Π½ΡΠΆΠ½ΠΎ Π·Π½Π°ΡΡ ΠΎ ΡΠΈΡΡΠ΅ΠΌΠ΅ Π²ΠΏΡΡΡΠΊΠ° Common-Rail β TrueNorth
ΠΠ°ΠΏΠΈΡΠ°Π½ΠΎ Π³ΠΎΡΡΠ΅Π²ΡΠΌ ΠΏΠΎΠ»ΡΠ·ΠΎΠ²Π°ΡΠ΅Π»Π΅ΠΌ
ΠΡΠΏΠΎΠ»ΡΠ·ΠΎΠ²Π°Π½ΠΈΠ΅ Π±ΠΎΠ»Π΅Π΅ Π½ΠΎΠ²ΡΡ
Π΄Π²ΠΈΠ³Π°ΡΠ΅Π»Π΅ΠΉ Π΄Π°Π΅Ρ Π·Π½Π°ΡΠΈΡΠ΅Π»ΡΠ½ΡΠ΅ ΠΏΡΠ΅ΠΈΠΌΡΡΠ΅ΡΡΠ²Π°, ΠΊΠΎΠ³Π΄Π° ΡΠ΅ΡΡ ΠΈΠ΄Π΅Ρ ΠΎΠ± ΡΠΊΠΎΠ½ΠΎΠΌΠΈΠΈ ΡΠΎΠΏΠ»ΠΈΠ²Π°. ΠΠ΄Π½Π°ΠΊΠΎ, ΠΊΠ°ΠΊ ΠΌΡ Π·Π½Π°Π΅ΠΌ, Π½Π΅ Ρ Π²ΡΠ΅Ρ
Π΅ΡΡΡ ΡΠ΅ΡΡΡΡΡ Π΄Π»Ρ ΡΠ°Π±ΠΎΡΡ Ρ Π½ΠΎΠ²ΡΠΌ ΠΎΠ±ΠΎΡΡΠ΄ΠΎΠ²Π°Π½ΠΈΠ΅ΠΌ.
ΠΡΠ»ΠΈ Π²Ρ ΠΎΠ±Π½Π°ΡΡΠΆΠΈΡΠ΅, ΡΡΠΎ ΠΈΡΠΏΠΎΠ»ΡΠ·ΡΠ΅ΡΠ΅ Π±ΠΎΠ»Π΅Π΅ ΡΡΠ°ΡΡΠ΅ ΡΠ΅Ρ
Π½ΠΎΠ»ΠΎΠ³ΠΈΠΈ, Π² ΡΡΠΎΠΉ ΡΡΠ°ΡΡΠ΅ ΠΈΠ·Π»Π°Π³Π°ΡΡΡΡ ΠΏΠ΅ΡΠ΅Π΄ΠΎΠ²ΡΠ΅ ΠΌΠ΅ΡΠΎΠ΄Ρ ΠΎΠ±ΡΠ»ΡΠΆΠΈΠ²Π°Π½ΠΈΡ ΡΡΠΈΡ
ΡΠΈΡΡΠ΅ΠΌ ΠΈ ΠΎΠ±ΡΡΡΠ½ΡΠ΅ΡΡΡ, ΠΏΠΎΡΠ΅ΠΌΡ Π±ΠΎΠ»Π΅Π΅ Π½ΠΎΠ²ΡΠ΅ ΠΈ Π±ΠΎΠ»Π΅Π΅ ΡΡΡΠ΅ΠΊΡΠΈΠ²Π½ΡΠ΅ ΡΡΠ°ΠΊΡΠΎΡΡ ΠΌΠΎΠ³ΡΡ Π±ΡΡΡ ΠΏΠΎΠ»Π΅Π·Π½Ρ Π΄Π»Ρ Π²Π°ΡΠ΅Π³ΠΎ Π±ΠΈΠ·Π½Π΅ΡΠ°. ΠΠ°ΠΊ Π³ΠΎΠ²ΠΎΡΠΈΡ Π°Π²ΡΠΎΡ ΠΠΆΠΎΠ½ ΠΠ°ΠΊΡΡΠ΅Ρ, Π² ΠΊΠΎΠ½ΡΠ΅ ΠΊΠΎΠ½ΡΠΎΠ², ΡΠ°ΠΊΠΈΠ΅ Π·Π½Π°Π½ΠΈΡ Π΄Π΅Π»Π°ΡΡ ΡΠΈΠ΄Π΅Π½ΠΈΠ΅ Π·Π° ΠΊΠΎΡΠ΅ΠΉΠ½ΠΎΠΉ ΡΡΠΎΠΉΠΊΠΎΠΉ Π½Π° ΡΡΠΎΡΠ½ΠΊΠ΅ Π΄Π»Ρ Π³ΡΡΠ·ΠΎΠ²ΠΈΠΊΠΎΠ² ΠΈ ΠΎΠ±ΡΠ΅Π½ΠΈΠ΅ Ρ Π΄ΡΡΠ³ΠΈΠΌΠΈ Π²ΠΎΠ΄ΠΈΡΠ΅Π»ΡΠΌΠΈ Π±ΠΎΠ»Π΅Π΅ ΡΠ²Π»Π΅ΠΊΠ°ΡΠ΅Π»ΡΠ½ΡΠΌ. π
ΠΠ΅ΡΠ²Π°Ρ ΡΠΈΡΡΠ΅ΠΌΠ° Common-Rail: ACRS
ΠΠΎ 2007 Π³ΠΎΠ΄Π° Π°ΠΌΠ΅ΡΠΈΠΊΠ°Π½ΡΠΊΠΈΠ΅ ΠΏΡΠΎΠΈΠ·Π²ΠΎΠ΄ΠΈΡΠ΅Π»ΠΈ Π΄Π²ΠΈΠ³Π°ΡΠ΅Π»Π΅ΠΉ Π΅Π΄ΠΈΠ½ΠΎΠ³Π»Π°ΡΠ½ΠΎ ΠΈΡΠΏΠΎΠ»ΡΠ·ΠΎΠ²Π°Π»ΠΈ ΡΠΎΠΏΠ»ΠΈΠ²Π½ΡΠ΅ ΡΠΎΡΡΡΠ½ΠΊΠΈ Ρ ΠΏΡΠΈΠ²ΠΎΠ΄ΠΎΠΌ ΠΎΡ ΡΠ°ΡΠΏΡΠ΅Π΄Π΅Π»ΠΈΡΠ΅Π»ΡΠ½ΠΎΠ³ΠΎ Π²Π°Π»Π°. ΠΠ΄Π½Π°ΠΊΠΎ Π² 2007 Π³ΠΎΠ΄Ρ Detroit Diesel Π·Π°ΠΌΠ΅Π½ΠΈΠ» Series 60 ΠΈ Π±ΡΠ» ΡΠ²Π΅Π»ΠΈΡΠ΅Π½ Π΄ΠΎ 14 Π»ΠΈΡΡΠΎΠ² Ρ ΠΏΠΎΠΌΠΎΡΡΡ DD15. Π£ DD15 Π±ΡΠ»Π° ΡΠ΅Π²ΠΎΠ»ΡΡΠΈΠΎΠ½Π½Π°Ρ ΡΠΈΡΡΠ΅ΠΌΠ° Π²ΠΏΡΡΡΠΊΠ° ΠΏΠΎΠ΄ Π½Π°Π·Π²Π°Π½ΠΈΠ΅ΠΌ Β«ACRSΒ» ΠΈΠ»ΠΈ Amplified Common Rail System.
Π‘ΠΈΡΡΠ΅ΠΌΠ° Common Rail Π½Π΅ Π±ΡΠ»Π° ΡΠΎΠ²Π΅ΡΡΠ΅Π½Π½ΠΎ Π½ΠΎΠ²ΠΎΠΉ ΠΊΠΎΠ½ΡΠ΅ΠΏΡΠΈΠ΅ΠΉ β ΡΠ°ΠΊΠΈΠ΅ ΡΠΈΡΡΠ΅ΠΌΡ ΠΈΡΠΏΠΎΠ»ΡΠ·ΠΎΠ²Π°Π»ΠΈΡΡ Π½Π° ΠΏΠ΅ΡΠ²ΡΡ
ΡΡΠ΄ΠΎΠ²ΡΡ
Π΄ΠΈΠ·Π΅Π»ΡΡ
. ΠΠΎ Π½Π°ΡΠΎΡ-ΡΠΎΡΡΡΠ½ΠΊΠΈ Π²Π·ΡΠ»ΠΈ Π²Π΅ΡΡ
ΠΈΠ·-Π·Π° Π²ΡΡΠΎΠΊΠΎΠ³ΠΎ Π΄Π°Π²Π»Π΅Π½ΠΈΡ, ΠΊΠΎΡΠΎΡΠΎΠ΅ ΠΎΠ½ΠΈ ΡΠΎΠ·Π΄Π°ΡΡ Π²Π½ΡΡΡΠΈ ΡΠ²Π΅ΡΠ΄ΠΎΠ³ΠΎ ΠΌΠ΅ΡΠ°Π»Π»ΠΈΡΠ΅ΡΠΊΠΎΠ³ΠΎ ΠΊΠΎΡΠΏΡΡΠ°, Π° Π½Π΅ ΡΠΎΠ½ΠΊΠΎΠΉ ΠΌΠ΅ΡΠ°Π»Π»ΠΈΡΠ΅ΡΠΊΠΎΠΉ ΡΡΡΠ±Ρ.
ΠΠ΅ΠΌΠ΅ΡΠΊΠΈΠ΅ ΠΈΠ½ΠΆΠ΅Π½Π΅ΡΡ Π·Π½Π°Π»ΠΈ, ΡΡΠΎ ΡΡΠ°Π΄ΠΈΡΠΈΠΎΠ½Π½ΡΠ΅ ΡΠΎΡΠΌΡ Π΄Π»Ρ Π»ΠΈΡΡΡ ΠΏΠΎΠ΄ Π΄Π°Π²Π»Π΅Π½ΠΈΠ΅ΠΌ Π½ΠΈΠΊΠΎΠ³Π΄Π° Π½Π΅ Π±ΡΠ΄ΡΡ ΡΡΡΠ΅ΠΊΡΠΈΠ²Π½Ρ Π² Π±ΡΠ΄ΡΡΠ΅ΠΌ, ΠΈ ΠΎΠ½ΠΈ ΡΠ°ΠΊΠΆΠ΅ Π·Π½Π°Π»ΠΈ, ΡΡΠΎ ΠΌΠ΅ΡΠ°Π»Π»ΡΡΠ³ΠΈΡ β Π½Π°ΡΠΊΠ° ΠΎ ΡΠΎΠΌ, ΠΊΠ°ΠΊ Π΄Π΅Π»Π°ΡΡ ΠΌΠ΅ΡΠ°Π»Π»Ρ Π»Π΅Π³ΠΊΠΈΠΌΠΈ ΠΈ ΠΏΡΠΎΡΠ½ΡΠΌΠΈ, β ΠΏΡΠΎΡΠ»Π° Π΄ΠΎΠ»Π³ΠΈΠΉ ΠΏΡΡΡ. ΠΠ½ΠΈ ΠΏΠΎΠ½ΡΠ»ΠΈ, ΡΡΠΎ Π½ΠΎΠ²Π°Ρ ΡΠΈΡΡΠ΅ΠΌΠ° Π²ΠΏΡΡΡΠΊΠ° ΠΌΠΎΠΆΠ΅Ρ ΡΠ΅ΡΠΈΡΡ ΠΎΠ΄ΠΈΠ½ Π½Π΅Π΄ΠΎΡΡΠ°ΡΠΎΠΊ Π½Π°ΡΠΎΡ-ΡΠΎΡΡΡΠ½ΠΎΠΊ β ΠΈΡ
ΡΠΊΠ»ΠΎΠ½Π½ΠΎΡΡΡ ΡΠ°Π±ΠΎΡΠ°ΡΡ Π»ΡΡΡΠ΅ Π²ΡΠ΅Π³ΠΎ ΡΠΎΠ»ΡΠΊΠΎ ΠΏΡΠΈ Π±ΠΎΠ»Π΅Π΅ Π²ΡΡΠΎΠΊΠΈΡ
ΠΎΠ±ΠΎΡΠΎΡΠ°Ρ
.
Π Π½Π°ΡΠΎΡ-ΡΠΎΡΡΡΠ½ΠΊΠ°Ρ
ΠΈΡΠΏΠΎΠ»ΡΠ·ΡΡΡΡΡ ΠΏΠ»ΡΠ½ΠΆΠ΅ΡΡ, ΠΏΠΎΠ΄ΠΎΠ±Π½ΡΠ΅ Π΄Π»ΠΈΠ½Π½ΡΠΌ ΠΏΠΎΡΡΠ½ΡΠΌ, Π΄Π»Ρ ΠΏΡΠΎΡΠ°Π»ΠΊΠΈΠ²Π°Π½ΠΈΡ ΡΠΎΠΏΠ»ΠΈΠ²Π° ΡΠ΅ΡΠ΅Π· ΠΊΡΠΎΡΠ΅ΡΠ½ΡΠ΅ ΠΎΡΠ²Π΅ΡΡΡΠΈΡ ΠΈΠ»ΠΈ Β«ΠΎΡΠ²Π΅ΡΡΡΠΈΡΒ», ΠΏΡΠΎΡΠ²Π΅ΡΠ»Π΅Π½Π½ΡΠ΅ Π² ΡΠ°ΡΠΊΠ΅ Π² Π½ΠΈΠΆΠ½Π΅ΠΉ ΡΠ°ΡΡΠΈ Π±Π»ΠΎΠΊΠ°. ΠΠ»ΡΠ½ΠΆΠ΅ΡΡ ΠΏΡΠΈΠ²ΠΎΠ΄ΡΡΡΡ Π² Π΄Π²ΠΈΠΆΠ΅Π½ΠΈΠ΅ ΠΊΡΠ»ΠΈΡΠ½ΡΠΌΠΈ ΡΡΡΠ°Π³Π°ΠΌΠΈ ΡΠ°ΡΠΏΡΠ΅Π΄Π΅Π»ΠΈΡΠ΅Π»ΡΠ½ΠΎΠ³ΠΎ Π²Π°Π»Π°. ΠΡΠΎ ΠΎΠ·Π½Π°ΡΠ°Π΅Ρ, ΡΡΠΎ ΠΎΠΏΡΠ΅Π΄Π΅Π»Π΅Π½Π½ΠΎΠ΅ ΠΊΠΎΠ»ΠΈΡΠ΅ΡΡΠ²ΠΎ ΡΠΎΠΏΠ»ΠΈΠ²Π° ΠΏΠΎΡΡΡΠΏΠ°Π΅Ρ Π² Π΄Π²ΠΈΠ³Π°ΡΠ΅Π»Ρ Π½Π° ΠΊΠ°ΠΆΠ΄ΡΠ΅, ΡΠΊΠ°ΠΆΠ΅ΠΌ, 3 Π³ΡΠ°Π΄ΡΡΠ° ΠΏΠΎΠ²ΠΎΡΠΎΡΠ° ΠΊΠΎΠ»Π΅Π½ΡΠ°ΡΠΎΠ³ΠΎ Π²Π°Π»Π°, ΡΡΠΎ ΡΠΎΠ³Π»Π°ΡΡΠ΅ΡΡΡ Ρ ΠΈΡΡ
ΠΎΠ΄Π½ΠΎΠΉ Π΄ΠΈΠ·Π΅Π»ΡΠ½ΠΎΠΉ ΠΈΠ΄Π΅Π΅ΠΉ ΠΎ ΠΏΠΎΡΡΠ΅ΠΏΠ΅Π½Π½ΠΎΠΌ Π²Π²Π΅Π΄Π΅Π½ΠΈΠΈ ΡΠΎΠΏΠ»ΠΈΠ²Π° ΠΏΠΎ ΠΌΠ΅ΡΠ΅ ΠΎΠΏΡΡΠΊΠ°Π½ΠΈΡ ΠΏΠΎΡΡΠ½Ρ. ΠΡΠΈ ΡΠΎΡΡΡΠ½ΠΊΠΈ ΠΌΠΎΠ³ΡΡ Π΄Π΅Π»Π°ΡΡ ΡΠ΄ΠΈΠ²ΠΈΡΠ΅Π»ΡΠ½ΡΠ΅ Π²Π΅ΡΠΈ, ΠΈ ΠΏΡΠΈ ΠΎΠ±ΠΎΡΠΎΡΠ°Ρ
, ΠΏΡΠΈΠ±Π»ΠΈΠΆΠ°ΡΡΠΈΡ
ΡΡ ΠΊ 1800 ΠΎΠ±ΠΎΡΠΎΡΠ°ΠΌ Π² ΠΌΠΈΠ½ΡΡΡ, ΡΠ΅Π³ΡΠ»ΠΈΡΡΠ΅ΠΌΡΠΌ Π΄Π»Ρ Π΄Π²ΠΈΠ³Π°ΡΠ΅Π»Π΅ΠΉ ΡΠΎΠΉ ΡΠΏΠΎΡ
ΠΈ, ΠΎΠ½ΠΈ ΠΌΠΎΠ³ΡΡ Π±ΡΡΡΡΠΎ ΡΠΎΠ·Π΄Π°Π²Π°ΡΡ Π΄Π°Π²Π»Π΅Π½ΠΈΠ΅, Π·Π½Π°ΡΠΈΡΠ΅Π»ΡΠ½ΠΎ ΠΏΡΠ΅Π²ΡΡΠ°ΡΡΠ΅Π΅ 30 000 ΡΡΠ½ΡΠΎΠ² Π½Π° ΠΊΠ²Π°Π΄ΡΠ°ΡΠ½ΡΠΉ Π΄ΡΠΉΠΌ (Π΄Π»Ρ Π΄Π°Π²Π»Π΅Π½ΠΈΡ Π² ΡΡΠ½ΡΠ°Ρ
Π½Π° ΠΊΠ²Π°Π΄ΡΠ°ΡΠ½ΡΠΉ Π΄ΡΠΉΠΌ).
ΠΡΡΠΎΠΊΠΎΠ΅ Π΄Π°Π²Π»Π΅Π½ΠΈΠ΅ ΡΡΠΊΠΎΡΡΠ΅Ρ Π³ΠΎΡΠ΅Π½ΠΈΠ΅ ΠΈ ΠΌΠΈΠ½ΠΈΠΌΠΈΠ·ΠΈΡΡΠ΅Ρ ΠΎΠ±ΡΠ°Π·ΠΎΠ²Π°Π½ΠΈΠ΅ ΡΠ°ΠΆΠΈ. ΠΠΈΠ·ΠΊΠΎΠ³ΠΎ ΡΡΠΎΠ²Π½Ρ ΠΎΠ±ΡΠ°Π·ΠΎΠ²Π°Π½ΠΈΡ ΡΠ°ΠΆΠΈ ΠΎΡΠΎΠ±Π΅Π½Π½ΠΎ ΡΡΡΠ΄Π½ΠΎ Π΄ΠΎΠ±ΠΈΡΡΡΡ ΠΏΡΠΈ Π²ΡΡΠΎΠΊΠΎΠΌ ΡΡΠΎΠ²Π½Π΅ ΡΠ΅ΡΠΈΡΠΊΡΠ»ΡΡΠΈΠΈ ΠΎΡΡΠ°Π±ΠΎΡΠ°Π²ΡΠΈΡ
Π³Π°Π·ΠΎΠ², ΠΏΠΎΡΡΠΎΠΌΡ Π²ΡΡΠΎΠΊΠΎΠ΅ Π΄Π°Π²Π»Π΅Π½ΠΈΠ΅ Π²ΠΏΡΡΡΠΊΠ° ΡΠ²Π»ΡΠ΅ΡΡΡ Π²Π°ΠΆΠ½ΠΎΠΉ ΡΠ΅Π»ΡΡ ΡΠ°Π·ΡΠ°Π±ΠΎΡΡΠΈΠΊΠΎΠ² Π΄ΠΈΠ·Π΅Π»ΡΠ½ΡΡ
Π΄Π²ΠΈΠ³Π°ΡΠ΅Π»Π΅ΠΉ.
ΠΡΠΎΠ±Π»Π΅ΠΌΠ° Π² ΡΠΎΠΌ, ΡΡΠΎ ΠΏΠΎΠ΄ΠΎΠ±Π½Π°Ρ ΡΠΈΡΡΠ΅ΠΌΠ° ΡΠ΅ΡΡΠ΅Ρ Π±ΠΎΠ»ΡΡΡΡ ΡΠ°ΡΡΡ ΡΠ²ΠΎΠ΅ΠΉ ΠΌΠΎΡΠ½ΠΎΡΡΠΈ ΠΏΡΠΈ ΡΠ°Π±ΠΎΡΠ΅ Π΄Π²ΠΈΠ³Π°ΡΠ΅Π»Ρ Π½Π° Π½ΠΈΠ·ΠΊΠΈΡ , ΡΠΊΠΎΠ½ΠΎΠΌΠΈΡΠ½ΡΡ ΠΎΠ±ΠΎΡΠΎΡΠ°Ρ . Π‘ΠΈΡΡΠ΅ΠΌΠ°, ΠΏΡΠΎΠΈΠ·Π²ΠΎΠ΄ΡΡΠ°Ρ 35 000 ΡΡΠ½ΡΠΎΠ² Π½Π° ΠΊΠ²Π°Π΄ΡΠ°ΡΠ½ΡΠΉ Π΄ΡΠΉΠΌ ΠΏΡΠΈ 1800 ΠΎΠ±/ΠΌΠΈΠ½, Π±ΡΠ΄Π΅Ρ ΠΏΡΠΎΠΈΠ·Π²ΠΎΠ΄ΠΈΡΡ ΠΌΠ΅Π½Π΅Π΅ 25 000 ΡΡΠ½ΡΠΎΠ² Π½Π° ΠΊΠ²Π°Π΄ΡΠ°ΡΠ½ΡΠΉ Π΄ΡΠΉΠΌ ΠΏΡΠΈ 1200 ΠΎΠ±/ΠΌΠΈΠ½.
ΠΠ²Π΅Π΄ΠΈΡΠ΅ ΡΠΈΡΡΠ΅ΠΌΡ Common Rail. Π ΡΠΈΡΡΠ΅ΠΌΠ΅ ACRS Π±ΡΠ» ΠΌΠΎΡΠ½ΡΠΉ Π½Π°ΡΠΎΡ, ΠΏΡΠΎΠΈΠ·Π²ΠΎΠ΄ΠΈΠ²ΡΠΈΠΉ ΠΎΠΊΠΎΠ»ΠΎ 13 000 ΡΡΠ½ΡΠΎΠ² Π½Π° ΠΊΠ²Π°Π΄ΡΠ°ΡΠ½ΡΠΉ Π΄ΡΠΉΠΌ. ΠΠ½ ΠΏΠ΅ΡΠ΅ΠΊΠ°ΡΠΈΠ²Π°Π» ΡΠΎΠΏΠ»ΠΈΠ²ΠΎ ΠΏΠΎΠ΄ ΠΏΠΎΡΡΠΎΡΠ½Π½ΡΠΌ Π΄Π°Π²Π»Π΅Π½ΠΈΠ΅ΠΌ Π² ΡΠ°ΠΌΠΏΡ β ΡΡΡΠ±Ρ Π΄ΠΈΠ°ΠΌΠ΅ΡΡΠΎΠΌ ΠΎΠΊΠΎΠ»ΠΎ ΒΎ Π΄ΡΠΉΠΌΠ°. Π Π΅ΠΉΠΊΠ° Π±ΡΠ»Π° ΡΠΎΠ΅Π΄ΠΈΠ½Π΅Π½Π° Ρ ΡΠΎΡΡΡΠ½ΠΊΠ°ΠΌΠΈ Π² ΠΊΠ°ΠΆΠ΄ΠΎΠΌ ΡΠΈΠ»ΠΈΠ½Π΄ΡΠ΅.
Π ΡΠΎΡΡΡΠ½ΠΊΠ°Ρ
ACRS ΠΈΡΠΏΠΎΠ»ΡΠ·ΡΠ΅ΡΡΡ Π΄ΡΡΠ³ΠΎΠΉ ΠΏΠΎΡΡΠ΅Π½Ρ Ρ Π΄Π²ΡΠΌΡ ΡΠ΅ΠΊΡΠΈΡΠΌΠΈ β Π²Π΅ΡΡ
Π½Π΅ΠΉ ΡΠ°ΡΡΡΡ Π±ΠΎΠ»ΡΡΠ΅Π³ΠΎ Π΄ΠΈΠ°ΠΌΠ΅ΡΡΠ° ΠΈ Π½ΠΈΠΆΠ½Π΅ΠΉ ΡΠ°ΡΡΡΡ ΠΌΠ΅Π½ΡΡΠ΅Π³ΠΎ Π΄ΠΈΠ°ΠΌΠ΅ΡΡΠ°. Π’ΠΎΠΏΠ»ΠΈΠ²ΠΎ, Π²ΡΠΏΡΡΠ΅Π½Π½ΠΎΠ΅ ΠΏΠΎΠ΄ Π΄Π°Π²Π»Π΅Π½ΠΈΠ΅ΠΌ 13 000 ΡΡΠ½ΡΠΎΠ² Π½Π° ΠΊΠ²Π°Π΄ΡΠ°ΡΠ½ΡΠΉ Π΄ΡΠΉΠΌ Π² ΠΊΠ°ΠΌΠ΅ΡΡ Π½Π°Π΄ Π²Π΅ΡΡ
Π½Π΅ΠΉ ΡΠ°ΡΡΡΡ ΠΏΠ»ΡΠ½ΠΆΠ΅ΡΠ°, Π·Π°ΡΡΠ°Π²ΠΈΡ Π΅Π³ΠΎ ΠΎΠΏΡΡΡΠΈΡΡΡΡ, ΠΊΠΎΠ³Π΄Π° ECM ΠΎΡΠΊΡΠΎΠ΅Ρ ΠΊΠ»Π°ΠΏΠ°Π½, ΡΡΠΎΠ±Ρ Π²ΠΏΡΡΡΠΈΡΡ ΡΠΎΠΏΠ»ΠΈΠ²ΠΎ ΠΈ Π½Π°ΡΠ°ΡΡ Π²ΠΏΡΡΡΠΊ.
ΠΠ°ΠΌΠ΅ΡΠ° ΠΏΠΎΠ΄ ΠΏΠ»ΡΠ½ΠΆΠ΅ΡΠΎΠΌ ΡΠ°ΠΊΠΆΠ΅ ΠΈΠΌΠ΅Π»Π° ΡΠΎΠΏΠ»ΠΈΠ²ΠΎ ΠΈ ΡΠΈΠΏΠΈΡΠ½ΠΎΠ΅ ΡΠ°ΡΠΏΠΎΠ»ΠΎΠΆΠ΅Π½ΠΈΠ΅ Π½Π΅Π±ΠΎΠ»ΡΡΠΈΡ
ΠΎΡΠ²Π΅ΡΡΡΠΈΠΉ Π½Π° Π΅Π΅ Π΄Π½Π΅. ΠΠΎΡΠΊΠΎΠ»ΡΠΊΡ Π½ΠΈΠΆΠ½ΡΡ ΡΠ°ΡΡΡ ΠΏΠ»ΡΠ½ΠΆΠ΅ΡΠ° ΠΈΠΌΠ΅Π»Π° ΠΌΠ΅Π½ΡΡΠΈΠΉ Π΄ΠΈΠ°ΠΌΠ΅ΡΡ, ΡΠΈΠ»Π° Π±ΡΠ»Π° ΡΠΎΡΡΠ΅Π΄ΠΎΡΠΎΡΠ΅Π½Π°, ΠΈ ΠΈΠ½ΠΆΠ΅ΠΊΡΠΎΡ ΠΌΠΎΠ³ ΡΠΎΠ·Π΄Π°Π²Π°ΡΡ Π΄Π°Π²Π»Π΅Π½ΠΈΠ΅ Π²ΠΏΡΡΡΠΊΠ° Π΄ΠΎ 38 000 ΡΡΠ½ΡΠΎΠ² Π½Π° ΠΊΠ²Π°Π΄ΡΠ°ΡΠ½ΡΠΉ Π΄ΡΠΉΠΌ. Π‘ΠΈΡΡΠ΅ΠΌΠ° Π±ΡΠ»Π° ΡΠΏΡΠΎΠ΅ΠΊΡΠΈΡΠΎΠ²Π°Π½Π° ΡΠ°ΠΊΠΈΠΌ ΠΎΠ±ΡΠ°Π·ΠΎΠΌ, ΡΡΠΎ ΠΊΠ»Π°ΠΏΠ°Π½, ΠΏΡΠΎΠΏΡΡΠΊΠ°ΡΡΠΈΠΉ ΡΠΎΠΏΠ»ΠΈΠ²ΠΎ Π² Π²Π΅ΡΡ
Π½ΡΡ ΠΊΠ°ΠΌΠ΅ΡΡ, ΠΌΠΎΠ³ Π΄ΡΠΎΡΡΠ΅Π»ΠΈΡΠΎΠ²Π°ΡΡ ΡΠΎΠΏΠ»ΠΈΠ²ΠΎ ΠΈ ΠΏΡΠΎΠΈΠ·Π²ΠΎΠ΄ΠΈΡΡ Β«ΡΠΎΡΠΌΠΈΡΠΎΠ²Π°Π½ΠΈΠ΅ ΡΠΊΠΎΡΠΎΡΡΠΈΒ», ΡΡΠΎ ΠΎΠ·Π½Π°ΡΠ°Π»ΠΎ, ΡΡΠΎ ΡΠΎΡΡΡΠ½ΠΊΠ° ΠΌΠΎΠ³Π»Π° Π²ΠΊΠ°ΡΠΈΠ²Π°ΡΡ ΡΠΎΠΏΠ»ΠΈΠ²ΠΎ Ρ ΠΌΠ΅Π½ΡΡΠ΅ΠΉ ΡΠΊΠΎΡΠΎΡΡΡΡ ΠΈ ΡΠΌΡΠ³ΡΠ°ΡΡ Π½Π°ΡΠ°Π»ΠΎ ΡΠ³ΠΎΡΠ°Π½ΠΈΡ ΠΈ ΡΠ°Π½Π½ΠΈΠ΅ ΡΡΠ°Π΄ΠΈΠΈ ΡΠ³ΠΎΡΠ°Π½ΠΈΡ. ΡΠΆΠΈΠ³Π°Π½ΠΈΠ΅. ΠΡΠΎ ΠΏΠΎΠΌΠΎΠ³Π»ΠΎ ΡΠ½ΠΈΠ·ΠΈΡΡ ΠΏΠΈΠΊΠΎΠ²ΠΎΠ΅ Π΄Π°Π²Π»Π΅Π½ΠΈΠ΅ ΠΈ ΡΠ΅ΠΌΠΏΠ΅ΡΠ°ΡΡΡΡ Π² ΡΠΈΠ»ΠΈΠ½Π΄ΡΠ΅ ΠΈ ΡΠ½ΠΈΠ·ΠΈΡΡ Π²ΡΠ±ΡΠΎΡΡ NOx. ΠΠΎΡΠ»Π΅ ΡΠΎΠ³ΠΎ, ΠΊΠ°ΠΊ ΠΏΠΎΡΡΠ΅Π½Ρ Π½Π°ΡΠ°Π» ΠΎΠΏΡΡΠΊΠ°ΡΡΡΡ, ΠΎΠ½ ΠΏΠΎΠ»Π½ΠΎΡΡΡΡ ΠΎΡΠΊΡΡΠ»ΡΡ Π±Ρ, Π΅ΡΠ»ΠΈ Π±Ρ ΡΡΠΎ Π±ΡΠ»ΠΎ Π½Π΅ΠΎΠ±Ρ
ΠΎΠ΄ΠΈΠΌΠΎ, ΡΡΠΎΠ±Ρ Π±ΡΡΡΡΠΎ ΡΠΆΠ΅ΡΡ ΡΠΎΠΏΠ»ΠΈΠ²ΠΎ, ΠΏΠΎΡΠΊΠΎΠ»ΡΠΊΡ ΠΏΠΎΡΡΠ΅Π½Ρ Π½Π°ΡΠ°Π» Π±Ρ Π΄Π²ΠΈΠ³Π°ΡΡΡΡ Π²Π½ΠΈΠ·, ΡΡΠΎΠ±Ρ ΠΏΡΠΎΠΈΠ·Π²Π΅ΡΡΠΈ ΠΌΠ°ΠΊΡΠΈΠΌΠ°Π»ΡΠ½ΡΡ ΠΌΠΎΡΠ½ΠΎΡΡΡ.
Π’Π°ΠΊΠ°Ρ ΡΠΈΡΡΠ΅ΠΌΠ° ΡΠ°ΠΊΠΆΠ΅ ΠΌΠΎΠΆΠ΅Ρ ΠΎΡΡΠ°Π½Π°Π²Π»ΠΈΠ²Π°ΡΡ ΠΈ Π·Π°ΠΏΡΡΠΊΠ°ΡΡ Π²ΠΏΡΡΡΠΊ Π΄Π»Ρ ΡΠ°ΡΡΠΈΡΠ΅Π½ΠΈΡ Π³ΠΎΡΠ΅Π½ΠΈΡ ΠΏΡΠΈ ΡΠΎΡ
ΡΠ°Π½Π΅Π½ΠΈΠΈ Π΄Π°Π²Π»Π΅Π½ΠΈΡ ΡΠΎΠΏΠ»ΠΈΠ²Π° Π΄Π»Ρ ΠΎΠ±Π΅ΡΠΏΠ΅ΡΠ΅Π½ΠΈΡ Ρ
ΠΎΡΠΎΡΠ΅Π³ΠΎ ΡΠ³ΠΎΡΠ°Π½ΠΈΡ. Π£ΡΠ»ΠΎΠ²ΠΈΡ ΠΌΠ΅Π½ΡΡΡΡΡ Π² Π·Π°Π²ΠΈΡΠΈΠΌΠΎΡΡΠΈ ΠΎΡ Π½Π°Π³ΡΡΠ·ΠΊΠΈ ΠΈ ΠΎΠ±ΠΎΡΠΎΡΠΎΠ².
MaxxForce
ΠΡΠΊΠΎΡΠ΅ ΠΏΠΎΡΠ»Π΅ ΡΡΠΎΠ³ΠΎ, ΡΠ°ΠΊΠΆΠ΅ Π² 2007 Π³ΠΎΠ΄Ρ, Navistar ΠΏΡΠ΅Π΄ΡΡΠ°Π²ΠΈΠ»Π° Π΄Π²ΠΈΠ³Π°ΡΠ΅Π»ΠΈ MaxxForce, Π² ΡΠΎΠΌ ΡΠΈΡΠ»Π΅ N13, Π΄Π²ΠΈΠ³Π°ΡΠ΅Π»Ρ Π΄Π»Ρ Π³ΡΡΠ·ΠΎΠ²ΠΈΠΊΠΎΠ² ΠΊΠ»Π°ΡΡΠ° 8. ΠΠ½ΠΎΠ³ΠΈΠ΅ ΠΊΠΎΠΌΠΏΠΎΠ½Π΅Π½ΡΡ Π΄Π²ΠΈΠ³Π°ΡΠ΅Π»Ρ ΠΏΠΎΡΡΠ°Π²Π»ΡΠ»ΠΈΡΡ MAN, Π½Π΅ΠΌΠ΅ΡΠΊΠΈΠΌ ΠΏΡΠΎΠΈΠ·Π²ΠΎΠ΄ΠΈΡΠ΅Π»Π΅ΠΌ, ΠΊΠΎΡΠΎΡΡΠΉ ΠΏΠ΅ΡΠ²ΡΠΌ Π»ΠΈΡΠ΅Π½Π·ΠΈΡΠΎΠ²Π°Π» ΠΎΡΠΈΠ³ΠΈΠ½Π°Π»ΡΠ½ΡΠ΅ Π΄ΠΈΠ·Π΅Π»ΡΠ½ΡΠ΅ Π΄Π²ΠΈΠ³Π°ΡΠ΅Π»ΠΈ. ΠΠ½ΠΈ ΠΏΡΠ΅Π΄ΠΎΡΡΠ°Π²ΠΈΠ»ΠΈ Π±Π»ΠΎΠΊ ΡΠΈΠ»ΠΈΠ½Π΄ΡΠΎΠ² ΠΈΠ· Π±ΠΎΠ»Π΅Π΅ Π»Π΅Π³ΠΊΠΎΠ³ΠΎ ΡΡΠ³ΡΠ½Π°, ΠΈΠ·Π²Π΅ΡΡΠ½ΠΎΠ³ΠΎ ΠΊΠ°ΠΊ ΡΡΠ³ΡΠ½ Ρ ΡΠΏΠ»ΠΎΡΠ½Π΅Π½Π½ΡΠΌ Π³ΡΠ°ΡΠΈΡΠΎΠΌ. ΠΠ²ΠΈΠ³Π°ΡΠ΅Π»Ρ ΠΈΠΌΠ΅Π» Π½Π΅ΠΌΠ½ΠΎΠ³ΠΎ Π΄ΡΡΠ³ΡΡ ΡΠΎΡΠΌΡ ΡΠΈΡΡΠ΅ΠΌΡ Common Rail, ΠΊΠΎΡΠΎΡΠ°Ρ Π½Π΅ ΡΡΠΈΠ»ΠΈΠ²Π°Π»Π° Π΄Π°Π²Π»Π΅Π½ΠΈΠ΅ Π²Π½ΡΡΡΠΈ ΡΠΎΡΡΡΠ½ΠΊΠΈ, Π° ΠΈΡΠΏΠΎΠ»ΡΠ·ΠΎΠ²Π°Π»Π° ΡΡΡΠ±ΠΎΠΏΡΠΎΠ²ΠΎΠ΄, ΡΡΠΎΠ±Ρ Π²ΡΠ΄Π΅ΡΠΆΠΈΠ²Π°ΡΡ ΠΏΠΎΠ»Π½ΠΎΠ΅ Π΄Π°Π²Π»Π΅Π½ΠΈΠ΅ Π²ΠΎ Π²ΡΠ΅ΠΉ ΡΠΈΡΡΠ΅ΠΌΠ΅. ΠΡΡΠ°ΡΡΠΈ ΠΈΠ·-Π·Π° ΡΡΠΎΠ²Π΅ΡΡΠ΅Π½ΡΡΠ²ΠΎΠ²Π°Π½Π½ΠΎΠΉ ΡΠΈΡΡΠ΅ΠΌΡ Π²ΠΏΡΡΡΠΊΠ° Π΄Π²ΠΈΠ³Π°ΡΠ΅Π»Ρ ΠΌΠΎΠ³ ΡΠ°Π·Π²ΠΈΠ²Π°ΡΡ ΠΌΠ°ΠΊΡΠΈΠΌΠ°Π»ΡΠ½ΡΠΉ ΠΊΡΡΡΡΡΠΈΠΉ ΠΌΠΎΠΌΠ΅Π½Ρ Π΄ΠΎ 1000 ΠΎΠ±/ΠΌΠΈΠ½, Π² ΡΠΎ Π²ΡΠ΅ΠΌΡ ΠΊΠ°ΠΊ Π±ΠΎΠ»ΡΡΠΈΠ½ΡΡΠ²ΠΎ Π΄Π²ΠΈΠ³Π°ΡΠ΅Π»Π΅ΠΉ Π½Π΅ ΠΌΠΎΠ³Π»ΠΈ ΡΡΠΎΠ³ΠΎ ΡΠ΄Π΅Π»Π°ΡΡ Π½ΠΈΠΆΠ΅ 1200 ΠΎΠ±/ΠΌΠΈΠ½. ΠΠ±Π΅ ΡΠΈΡΡΠ΅ΠΌΡ Π²ΠΏΡΡΡΠΊΠ° ΠΎΠΏΠΈΡΠ°Π½Ρ Π½ΠΈΠΆΠ΅ Π²ΠΌΠ΅ΡΡΠ΅ Ρ ΡΠΈΡΡΠ΅ΠΌΠΎΠΉ, ΠΏΡΠΈΠ½ΡΡΠΎΠΉ Cummins, ΠΏΠΎΡΠΊΠΎΠ»ΡΠΊΡ ΠΎΠ½ΠΈ ΠΈΠΌΠ΅ΡΡ ΡΡ ΠΎΠΆΡΡ ΠΊΠΎΠ½ΡΡΡΡΠΊΡΠΈΡ.
2010
Π 2010 Π³ΠΎΠ΄Ρ Π²ΡΠ΅ ΠΏΡΠΎΠΈΠ·Π²ΠΎΠ΄ΠΈΡΠ΅Π»ΠΈ Π΄ΠΎΠ»ΠΆΠ½Ρ Π±ΡΠ»ΠΈ ΡΠΎΠΎΡΠ²Π΅ΡΡΡΠ²ΠΎΠ²Π°ΡΡ Π·Π½Π°ΡΠΈΡΠ΅Π»ΡΠ½ΠΎ Π±ΠΎΠ»Π΅Π΅ Π½ΠΈΠ·ΠΊΠΈΠΌ ΡΡΠ°Π½Π΄Π°ΡΡΠ°ΠΌ Nox, ΠΊΠΎΡΠΎΡΡΠ΅ ΡΠ½ΠΈΠ·ΠΈΠ»ΠΈΡΡ ΠΏΠΎΡΡΠΈ Π½Π° 90%.
Cummins Π±ΡΠ» ΠΎΠ΄Π½ΠΈΠΌ ΠΈΠ· ΠΏΡΠΎΠΈΠ·Π²ΠΎΠ΄ΠΈΡΠ΅Π»Π΅ΠΉ Π΄Π²ΠΈΠ³Π°ΡΠ΅Π»Π΅ΠΉ, ΠΊΠΎΡΠΎΡΡΠΉ ΠΏΡΡΠ°Π»ΡΡ ΡΠΎΠΎΡΠ²Π΅ΡΡΡΠ²ΠΎΠ²Π°ΡΡ ΡΡΠ°Π½Π΄Π°ΡΡΡ ΠΏΡΡΠ΅ΠΌ Π²Π½Π΅ΡΠ΅Π½ΠΈΡ Π²Π½ΡΡΡΠ΅Π½Π½ΠΈΡ
ΠΈΠ·ΠΌΠ΅Π½Π΅Π½ΠΈΠΉ Π² Π΄Π²ΠΈΠ³Π°ΡΠ΅Π»Ρ. Π’Π΅ΠΌ Π½Π΅ ΠΌΠ΅Π½Π΅Π΅, Π² ΠΊΠΎΠ½ΡΠ΅ ΠΊΠΎΠ½ΡΠΎΠ², ΠΎΠ½ΠΈ ΠΏΡΠΈΠ½ΡΠ»ΠΈ ΡΠΎ, ΠΊ ΡΠ΅ΠΌΡ ΠΏΠΎΡΠ»Π° Π±ΠΎΠ»ΡΡΠ°Ρ ΡΠ°ΡΡΡ ΠΎΡΡΠ°ΡΠ»ΠΈ, β ΠΏΡΠΎΡΠ΅ΡΡ, Π½Π°Π·ΡΠ²Π°Π΅ΠΌΡΠΉ ΡΠ΅Π»Π΅ΠΊΡΠΈΠ²Π½ΡΠΌ ΠΊΠ°ΡΠ°Π»ΠΈΡΠΈΡΠ΅ΡΠΊΠΈΠΌ Π²ΠΎΡΡΡΠ°Π½ΠΎΠ²Π»Π΅Π½ΠΈΠ΅ΠΌ. SCR ΠΈΡΠΏΠΎΠ»ΡΠ·ΡΠ΅Ρ DEF ΠΈΠ»ΠΈ ΠΆΠΈΠ΄ΠΊΠΎΡΡΡ Π΄Π»Ρ Π²ΡΡ
Π»ΠΎΠΏΠ½ΡΡ
Π³Π°Π·ΠΎΠ² Π΄ΠΈΠ·Π΅Π»ΡΠ½ΡΡ
Π΄Π²ΠΈΠ³Π°ΡΠ΅Π»Π΅ΠΉ Π΄Π»Ρ ΡΠΌΠ΅ΡΠΈΠ²Π°Π½ΠΈΡ Π²Π½ΡΡΡΠΈ ΠΊΠ°ΡΠ°Π»ΠΈΡΠΈΡΠ΅ΡΠΊΠΎΠΉ ΠΊΠ°ΠΌΠ΅ΡΡ ΠΏΡΠΈ Π²ΡΡΠΎΠΊΠΈΡ
ΡΠ΅ΠΌΠΏΠ΅ΡΠ°ΡΡΡΠ°Ρ
Ρ Π²ΡΡ
Π»ΠΎΠΏΠ½ΡΠΌΠΈ Π³Π°Π·Π°ΠΌΠΈ Π΄Π²ΠΈΠ³Π°ΡΠ΅Π»Ρ. ΠΡΠ° ΠΊΠ°ΠΌΠ΅ΡΠ° ΡΠ»Π΅Π΄ΡΠ΅Ρ Π·Π° DPF ΠΈ, ΡΠ°ΠΊΠΈΠΌ ΠΎΠ±ΡΠ°Π·ΠΎΠΌ, ΡΠ°ΡΠΏΠΎΠ»ΠΎΠΆΠ΅Π½Π° ΡΠ°ΠΌ, Π³Π΄Π΅ Π²ΡΠ³ΠΎΡΠ°Π½ΠΈΠ΅ ΡΠ°ΠΆΠΈ ΡΠ²Π΅Π»ΠΈΡΠΈΠ²Π°Π΅Ρ ΡΠ΅ΠΏΠ»ΠΎΡΡ Π²ΡΡ
Π»ΠΎΠΏΠ½ΡΡ
Π³Π°Π·ΠΎΠ², ΡΡΠΎ ΠΏΠΎΠΌΠΎΠ³Π°Π΅Ρ ΡΠ°Π±ΠΎΡΠ΅ SCR.
DEF ΡΠΎΠ΄Π΅ΡΠΆΠΈΡ ΠΌΠΎΡΠ΅Π²ΠΈΠ½Ρ, Ρ
ΠΈΠΌΠΈΡΠ΅ΡΠΊΠΎΠ΅ Π²Π΅ΡΠ΅ΡΡΠ²ΠΎ, ΠΊΠΎΡΠΎΡΠΎΠ΅ Π² ΠΊΠ°ΡΠ°Π»ΠΈΡΠΈΡΠ΅ΡΠΊΠΎΠΉ ΠΊΠ°ΠΌΠ΅ΡΠ΅ SCR ΠΏΡΠ΅Π²ΡΠ°ΡΠ°Π΅ΡΡΡ Π² Π°ΠΌΠΌΠΈΠ°ΠΊ. ΠΠ°ΡΠ΅ΠΌ Π°ΠΌΠΌΠΈΠ°ΠΊ ΡΠΎΠ΅Π΄ΠΈΠ½ΡΠ΅ΡΡΡ Ρ Nox (Nox ΠΎΡΠ½ΠΎΡΠΈΡΡΡ ΠΊ ΠΎΠΊΡΠΈΠ΄Π°ΠΌ Π°Π·ΠΎΡΠ°, ΠΊΠΎΠΌΠ±ΠΈΠ½Π°ΡΠΈΠΈ Π°Π·ΠΎΡΠ° ΠΈΠ· Π²ΠΎΠ·Π΄ΡΡ
Π° Ρ ΠΊΠΈΡΠ»ΠΎΡΠΎΠ΄ΠΎΠΌ) Π² Π²ΡΡ
Π»ΠΎΠΏΠ½ΡΡ
Π³Π°Π·Π°Ρ
Ρ ΠΎΠ±ΡΠ°Π·ΠΎΠ²Π°Π½ΠΈΠ΅ΠΌ Π±Π΅Π·Π²ΡΠ΅Π΄Π½ΠΎΠ³ΠΎ Π°Π·ΠΎΡΠ° ΠΈ Π²ΠΎΠ΄Ρ. ΠΠΎΠΌΠΏΠ°Π½ΠΈΡ Cummins ΠΎΠ±Π½Π°ΡΡΠΆΠΈΠ»Π° ΡΠ½ΠΈΠΊΠ°Π»ΡΠ½ΡΠΉ ΠΌΠ΅Π΄Π½ΡΠΉ ΡΠ΅ΠΎΠ»ΠΈΡΠ½ΡΠΉ ΠΊΠ°ΡΠ°Π»ΠΈΠ·Π°ΡΠΎΡ, ΠΊΠΎΡΠΎΡΡΠΉ, ΠΊΠ°ΠΊ ΠΎΠ½ΠΈ ΡΡΠ²Π΅ΡΠΆΠ΄Π°Π»ΠΈ, Π΄Π΅Π»Π°Π΅Ρ ΠΏΡΠΎΡΠ΅ΡΡ SCR Π±ΠΎΠ»Π΅Π΅ ΡΡΡΠ΅ΠΊΡΠΈΠ²Π½ΡΠΌ, ΠΈ ΡΠ΅ΡΠΈΠ»Π° ΠΏΡΠΈΡΠΎΠ΅Π΄ΠΈΠ½ΠΈΡΡΡΡ ΠΊΠΎ Π²ΡΠ΅ΠΉ ΠΎΡΡΠ°Π»ΡΠ½ΠΎΠΉ ΠΎΡΡΠ°ΡΠ»ΠΈ, Π·Π° ΠΈΡΠΊΠ»ΡΡΠ΅Π½ΠΈΠ΅ΠΌ Navistar, ΠΈ ΠΏΠΎΠ»Π°Π³Π°ΡΡΡΡ Π½Π° SCR Π΄Π»Ρ ΡΠΎΠΎΡΠ²Π΅ΡΡΡΠ²ΠΈΡ ΡΡΠ°Π½Π΄Π°ΡΡΠ°ΠΌ Nox 2010 Π³ΠΎΠ΄Π°.
ΠΡΠΎΠ±Π»Π΅ΠΌΠ° Ρ ΡΠΎΠ±Π»ΡΠ΄Π΅Π½ΠΈΠ΅ΠΌ ΡΡΠ°Π½Π΄Π°ΡΡΠΎΠ² Nox Π² ΡΠΈΠ»ΠΈΠ½Π΄ΡΠ΅ Π·Π°ΠΊΠ»ΡΡΠ°Π΅ΡΡΡ Π² ΡΠΎΠΌ, ΡΡΠΎ Π³ΠΎΡΡΡΠ΅Π΅ ΡΠΎΠΏΠ»ΠΈΠ²ΠΎ Π½Π΅ ΠΌΠΎΠΆΠ΅Ρ ΡΡΠ°ΡΡ ΡΠ»ΠΈΡΠΊΠΎΠΌ Π³ΠΎΡΡΡΠΈΠΌ, ΡΡΠΎ ΡΠ½ΠΈΠΆΠ°Π΅Ρ ΡΡΡΠ΅ΠΊΡΠΈΠ²Π½ΠΎΡΡΡ Π΄Π²ΠΈΠ³Π°ΡΠ΅Π»Ρ ΠΈ Π΄ΡΡΠ³ΠΈΠ΅ Π°ΡΠΏΠ΅ΠΊΡΡ ΡΠΈΡΡΠΎΠ³ΠΎ ΡΠ³ΠΎΡΠ°Π½ΠΈΡ.
ΠΡΠΎΠΌΠ΅ ΡΠΎΠ³ΠΎ, ΠΊΠ°ΠΊ ΡΠΏΠΎΠΌΠΈΠ½Π°Π»ΠΎΡΡ Π²ΡΡΠ΅, ΠΊΠΎΠ½ΠΊΡΡΠ΅Π½ΡΡ Cummins, ΠΊΠ°ΠΊ Detroit Diesel, ΡΠ°ΠΊ ΠΈ Navistar Ρ Π΄Π²ΠΈΠ³Π°ΡΠ΅Π»ΡΠΌΠΈ MaxxForce, ΡΠΆΠ΅ ΠΈΠΌΠ΅Π»ΠΈ ΡΠΈΡΡΠ΅ΠΌΡ Π²ΠΏΡΡΡΠΊΠ° Common-Rail. ΠΡΠ°ΠΊ, Cummins ΡΠ°Π±ΠΎΡΠ°Π»Π° ΡΠΎ ΡΠ²Π΅Π΄ΡΠΊΠΎΠΉ ΠΊΠΎΠΌΠΏΠ°Π½ΠΈΠ΅ΠΉ Scania Π½Π°Π΄ ΡΠ°Π·ΡΠ°Π±ΠΎΡΠΊΠΎΠΉ ΡΠ²ΠΎΠ΅ΠΉ ΡΠΈΡΡΠ΅ΠΌΡ Common Rail XPI.
Π’ΠΎΠΏΠ»ΠΈΠ²Π½Π°Ρ ΡΠΈΡΡΠ΅ΠΌΠ° Common Rail Π½Π° 15-Π»ΠΈΡΡΠΎΠ²ΠΎΠΌ Π΄Π²ΠΈΠ³Π°ΡΠ΅Π»Π΅ Cummins ISX Π² ΡΠ°Π·ΡΠ΅Π·Π΅. Π’ΠΎΠΏΠ»ΠΈΠ²Π½Π°Ρ ΡΠ°ΠΌΠΏΠ° β ΡΡΠΎ Π΄Π»ΠΈΠ½Π½Π°Ρ ΡΡΡΠ±Π°, ΡΠ°ΡΠΏΠΎΠ»ΠΎΠΆΠ΅Π½Π½Π°Ρ ΡΠΏΡΠ°Π²Π°. ΠΠΎΠ»Π΅Π΅ ΡΠΎΠ½ΠΊΠΈΠ΅ ΡΡΡΠ±ΠΊΠΈ, ΠΊΠΎΡΠΎΡΡΠ΅ ΡΠΎΠ΅Π΄ΠΈΠ½ΡΡΡΡΡ Ρ Π½ΠΈΠΌ, ΠΏΡΠΎΡ ΠΎΠ΄ΡΡ ΡΠ½ΠΈΠ·Ρ ΠΈ ΡΠΎΠ΅Π΄ΠΈΠ½ΡΡΡΡΡ Ρ ΡΠΎΠ½ΠΊΠΈΠΌΠΈ ΡΡΡΠ±ΠΊΠ°ΠΌΠΈ ΡΠ»Π΅Π²Π° ΠΎΡ ΡΠ°ΠΌΠΏΡ, ΠΏΡΠΎΠ²ΠΎΠ΄Ρ ΡΠΎΠΏΠ»ΠΈΠ²ΠΎ ΡΠ΅ΡΠ΅Π· Π³ΠΎΠ»ΠΎΠ²ΠΊΡ Π±Π»ΠΎΠΊΠ° ΡΠΈΠ»ΠΈΠ½Π΄ΡΠΎΠ² ΠΊ ΡΠΎΡΡΡΠ½ΠΊΠ°ΠΌ (Π½Π΅ ΠΏΠΎΠΊΠ°Π·Π°Π½Ρ).
ΠΡΠ΅ΠΈΠΌΡΡΠ΅ΡΡΠ²ΠΎ ΠΈΠ½ΡΠ΅ΡΠ΅ΡΠ½ΠΎΠΉ ΡΠΈΡΡΠ΅ΠΌΡ, ΠΊΠΎΡΠΎΡΡΡ Cummins ΠΈΡΠΏΠΎΠ»ΡΠ·ΠΎΠ²Π°Π»Π° Π΄ΠΎ 2010 Π³ΠΎΠ΄Π°, Π·Π°ΠΊΠ»ΡΡΠ°Π»Π°ΡΡ Π² ΡΠΎΠΌ, ΡΡΠΎ ΠΎΠ½Π° ΠΏΡΠ΅Π΄Π»Π°Π³Π°Π»Π° Π±ΠΎΠ»Π΅Π΅ ΠΌΡΠ³ΠΊΠΎΠ΅ Π½Π°ΡΠ°Π»ΠΎ ΡΠ³ΠΎΡΠ°Π½ΠΈΡ, Π½ΠΎ Π½Π΅ Π΄ΠΎΠΏΡΡΠΊΠ°Π»Π° ΠΊΠ°ΠΊΠΎΠΉ-Π»ΠΈΠ±ΠΎ ΡΠΎΡΠΌΡ ΡΠ°Π·Π΄Π΅Π»ΡΠ½ΠΎΠ³ΠΎ Π²ΠΏΡΡΡΠΊΠ°.
ΠΡΡΡΠ΅ΡΠ° 2010 Π³ΠΎΠ΄Π° ΠΏΠΎΡΡΠ΅Π±ΠΎΠ²Π°Π»Π° ΡΠ°Π·Π±ΠΈΠ΅Π½ΠΈΡ ΠΊΠ°ΠΆΠ΄ΠΎΠ³ΠΎ ΡΠΈΠΊΠ»Π° Π²ΠΏΡΡΡΠΊΠ° Π½Π° Π½Π΅ΡΠΊΠΎΠ»ΡΠΊΠΎ ΠΎΡΠ΄Π΅Π»ΡΠ½ΡΡ
Π²ΠΏΡΡΡΠΊΠΎΠ², ΡΡΠΎΠ±Ρ ΡΠΈΠ»ΠΈΠ½Π΄Ρ Π½Π΅ ΠΏΠ΅ΡΠ΅Π³ΡΠ΅Π²Π°Π»ΡΡ. ΠΡΠΎ ΡΠ°ΠΊΠΆΠ΅ ΡΡΠ΅Π±ΠΎΠ²Π°Π»ΠΎ ΠΏΠΈΠ»ΠΎΡΠ½ΠΎΠ³ΠΎ Π²ΠΏΡΡΡΠΊΠ° – Π½Π΅Π±ΠΎΠ»ΡΡΠΎΠ³ΠΎ Π²ΡΠ±ΡΠΎΡΠ° ΡΠΎΠΏΠ»ΠΈΠ²Π° Π·Π°Π΄ΠΎΠ»Π³ΠΎ Π΄ΠΎ ΠΌΠ°ΠΊΡΠΈΠΌΠ°Π»ΡΠ½ΠΎΠ³ΠΎ ΡΠΆΠ°ΡΠΈΡ, ΠΊΠΎΡΠΎΡΡΠΉ Π½Π΅ Π²ΠΎΡΠΏΠ»Π°ΠΌΠ΅Π½ΡΠ»ΡΡ, Π½ΠΎ Π³ΠΎΡΠΎΠ²ΠΈΠ» ΠΏΠΎΡΠ²Ρ Π΄Π»Ρ Π½Π΅ΠΌΠ΅Π΄Π»Π΅Π½Π½ΠΎΠ³ΠΎ Π²ΠΎΡΠΏΠ»Π°ΠΌΠ΅Π½Π΅Π½ΠΈΡ ΠΎΡΠ½ΠΎΠ²Π½ΠΎΠ³ΠΎ ΡΠΎΠΏΠ»ΠΈΠ²Π½ΠΎΠ³ΠΎ Π·Π°ΡΡΠ΄Π° ΠΏΠΎΡΠ»Π΅ Π½Π°ΡΠ°Π»Π° Π²ΠΏΡΡΡΠΊΠ°. ΠΡΡΡΠΈΠ΅ ΡΠΈΡΡΠ΅ΠΌΡ Common-Rail ΠΌΠΎΠ³ΡΡ ΡΠΌΡΠ³ΡΠΈΡΡ Π½Π°ΡΠ°Π»ΠΎ ΡΠ³ΠΎΡΠ°Π½ΠΈΡ Ρ ΠΏΠΎΠΌΠΎΡΡΡ ΠΏΡΠ΅Π΄Π²Π°ΡΠΈΡΠ΅Π»ΡΠ½ΠΎΠ³ΠΎ Π²ΠΏΡΡΡΠΊΠ° (ΠΈ ΡΠ΄Π΅Π»Π°ΡΡ ΡΡΠΎ Π΄Π°ΠΆΠ΅ Π±ΠΎΠ»Π΅Π΅ ΡΡΡΠ΅ΠΊΡΠΈΠ²Π½ΠΎ, ΡΠ΅ΠΌ ΡΠΈΡΡΠ΅ΠΌΠ° Ρ ΠΎΡΠΊΡΡΡΡΠΌ ΡΠΈΠ»ΠΈΠ½Π΄ΡΠΎΠΌ Cummins)9.0043 ΠΈ Π½Π°ΡΡΡΠ°ΠΈΠ²Π°ΡΡ Π΅Π³ΠΎ Π½Π° ΠΎΡΠ΄Π΅Π»ΡΠ½ΡΠ΅ ΠΈΠΌΠΏΡΠ»ΡΡΡ, ΡΡΠΎΠ±Ρ Π³ΠΎΡΡΡΠΈΠΉ ΡΠΎΠΏΠ»ΠΈΠ²Π½ΡΠΉ Π·Π°ΡΡΠ΄ Π½Π΅ ΠΏΠ΅ΡΠ΅Π³ΡΠ΅Π²Π°Π»ΡΡ. ΠΡΡΡΠ΄Π° ΠΈ ΡΠ΅ΡΠ΅Π½ΠΈΠ΅.
ΠΠ°ΠΊ ΡΠ°Π±ΠΎΡΠ°ΡΡ ΡΠΈΡΡΠ΅ΠΌΡ Common-Rail
Π’Π°ΠΊ ΠΊΠ°ΠΊ ΠΆΠ΅ Π²ΡΠ³Π»ΡΠ΄ΡΡ ΡΡΠΈ ΡΠΈΡΡΠ΅ΠΌΡ Common-Rail? Π₯ΠΎΡΡ Π΄ΠΈΠ·Π΅Π»ΡΠ½ΠΎΠ΅ ΡΠΎΠΏΠ»ΠΈΠ²ΠΎ ΠΊΠ°ΠΊ ΠΆΠΈΠ΄ΠΊΠΎΡΡΡ ΡΡΡΠ΄Π½ΠΎ ΡΠΆΠΈΠΌΠ°Π΅ΡΡΡ, ΠΎΠ½ΠΎ Π»ΠΈΡΡ ΡΠ»Π΅Π³ΠΊΠ° ΡΠ»Π°ΡΡΠΈΡΠ½ΠΎ. ΠΡΠ°ΠΊ, ΠΈΠΌΠ΅Ρ Π±ΠΎΠ»Π΅Π΅ ΠΏΡΠΎΡΠ½ΡΠ΅ ΠΌΠ΅ΡΠ°Π»Π»ΠΈΡΠ΅ΡΠΊΠΈΠ΅ ΡΡΡΠ±Ρ, ΡΠ΅ΠΌ ΠΊΠΎΠ³Π΄Π°-Π»ΠΈΠ±ΠΎ ΠΏΡΠ΅ΠΆΠ΄Π΅, ΠΈΠ½ΠΆΠ΅Π½Π΅ΡΡ ΡΠ°Π·ΡΠ°Π±ΠΎΡΠ°Π»ΠΈ ΡΠΎΠΏΠ»ΠΈΠ²Π½ΡΡ ΡΠ°ΠΌΠΏΡ β Π΄Π»ΠΈΠ½Π½ΡΡ ΡΡΡΠ±Ρ ΠΎΡΠ½ΠΎΡΠΈΡΠ΅Π»ΡΠ½ΠΎ Π±ΠΎΠ»ΡΡΠΎΠ³ΠΎ Π΄ΠΈΠ°ΠΌΠ΅ΡΡΠ° (Π±ΠΎΠ»Π΅Π΅ ΠΏΠΎΠ»ΠΎΠ²ΠΈΠ½Ρ Π΄ΡΠΉΠΌΠ°), ΠΊΠΎΡΠΎΡΠ°Ρ Π±ΡΠ»Π° Π½Π°ΠΌΠ½ΠΎΠ³ΠΎ Π±ΠΎΠ»ΡΡΠ΅, ΡΠ΅ΠΌ ΡΡΡΠ±Ρ, ΡΠ°Π½Π΅Π΅ ΠΈΡΠΏΠΎΠ»ΡΠ·ΠΎΠ²Π°Π²ΡΠΈΠ΅ΡΡ Π² Π΄ΠΈΠ·Π΅Π»ΡΠ½ΡΡ
ΡΠΈΡΡΠ΅ΠΌΠ°Ρ
Π²ΠΏΡΡΡΠΊΠ°.
ΠΡΠ° ΡΡΡΠ±Π° ΠΏΡΠΎΡ
ΠΎΠ΄ΠΈΡ ΠΏΠΎ Π²ΡΠ΅ΠΉ Π΄Π»ΠΈΠ½Π΅ Π΄Π²ΠΈΠ³Π°ΡΠ΅Π»Ρ ΠΈ ΡΠΎΠΎΠ±ΡΠ°Π΅ΡΡΡ Ρ ΠΈΠ½ΠΆΠ΅ΠΊΡΠΎΡΠ½ΡΠΌ ΠΊΠ»Π°ΠΏΠ°Π½ΠΎΠΌ Π² ΠΊΠ°ΠΆΠ΄ΠΎΠΌ ΡΠΈΠ»ΠΈΠ½Π΄ΡΠ΅, ΠΊΠΎΡΠΎΡΡΠΉ ΠΈΠΌΠ΅Π΅Ρ ΡΠ»Π΅ΠΊΡΡΠΈΡΠ΅ΡΠΊΠΈΠΉ ΠΈΠ³ΠΎΠ»ΡΡΠ°ΡΡΠΉ ΠΊΠ»Π°ΠΏΠ°Π½. ΠΡΠΈ ΠΊΠ»Π°ΠΏΠ°Π½Ρ ΠΌΠΎΠ³ΡΡ Π±ΡΡΡ Π±ΡΡΡΡΠΎ ΠΎΡΠΊΡΡΡΡ ΠΈ Π·Π°ΠΊΡΡΡΡ ECM. Π’ΡΡΠ±Π° Π±ΡΠ΄Π΅Ρ ΠΏΠΈΡΠ°ΡΡΡΡ Π½Π°ΡΠΎΡΠΎΠΌ Ρ ΠΏΡΠΈΠ²ΠΎΠ΄ΠΎΠΌ ΠΎΡ ΠΊΠΎΠ»Π΅Π½ΡΠ°ΡΠΎΠ³ΠΎ Π²Π°Π»Π° Ρ Π½Π΅ΡΠΊΠΎΠ»ΡΠΊΠΈΠΌΠΈ ΠΏΠΎΡΡΠ½ΡΠΌΠΈ, ΠΊΠΎΡΠΎΡΡΠ΅ Π±ΡΠ΄ΡΡ ΠΏΠΎΠΏΠ΅ΡΠ΅ΠΌΠ΅Π½Π½ΠΎ Π½Π΅ΠΏΡΠ΅ΡΡΠ²Π½ΠΎ ΠΈ ΠΏΠ»Π°Π²Π½ΠΎ ΠΏΠ΅ΡΠ΅ΠΊΠ°ΡΠΈΠ²Π°ΡΡ ΡΠΎΠΏΠ»ΠΈΠ²ΠΎ Π² ΡΠ΅Π»ΡΡΠΎΠ²ΡΡ ΡΠΈΡΡΠ΅ΠΌΡ. ΠΠ°ΡΠΎΡ Π±ΡΠ΄Π΅Ρ ΡΠΏΡΠ°Π²Π»ΡΡΡΡΡ Π²ΠΎ ΠΌΠ½ΠΎΠ³ΠΎΠΌ ΡΠ°ΠΊ ΠΆΠ΅, ΠΊΠ°ΠΊ Π²ΠΏΡΡΡΠΊ ΡΠΏΡΠ°Π²Π»ΡΠ»ΡΡ Π² ΡΠ»Π΅ΠΊΡΡΠΎΠ½Π½ΡΡ
Π½Π°ΡΠΎΡ-ΡΠΎΡΡΡΠ½ΠΊΠ°Ρ
– ΡΠ»Π΅ΠΊΡΡΠΈΡΠ΅ΡΠΊΠΈΠ΅ ΠΊΠ»Π°ΠΏΠ°Π½Ρ ΠΎΡΠΊΡΡΠ²Π°Π»ΠΈΡΡ, Π° Π·Π°ΡΠ΅ΠΌ Π·Π°ΠΊΡΡΠ²Π°Π»ΠΈΡΡ, ΠΊΠΎΠ³Π΄Π° ΠΏΠΎΡΡΠ½ΠΈ ΠΏΠΎΠ΄Π½ΠΈΠΌΠ°Π»ΠΈΡΡ ΠΈ Π²ΡΡΠ΅ΡΠ½ΡΠ»ΠΈ ΡΠΎΠΏΠ»ΠΈΠ²ΠΎ ΠΈΠ· Π½Π°ΡΠΎΡΠ° Π² ΡΡΡΠ±ΠΎΠΏΡΠΎΠ²ΠΎΠ΄, Π²Π΅Π΄ΡΡΠΈΠΉ ΠΊ ΡΠ°ΠΌΠΏΠ΅. Π Π°Π·Π½ΠΈΡΠ° Π·Π°ΠΊΠ»ΡΡΠ°Π»Π°ΡΡ Π² ΡΠΎΠΌ, ΡΡΠΎ Π½Π°ΠΊΠ°ΡΠΊΠ° Π±ΡΠ΄Π΅Ρ Π½Π΅ΠΏΡΠ΅ΡΡΠ²Π½ΠΎΠΉ, Π° Π½Π΅ Π±ΡΠ΄Π΅Ρ ΠΏΡΠΎΠΈΡΡ
ΠΎΠ΄ΠΈΡΡ ΡΠΎΠ»ΡΠΊΠΎ Π½Π° Π½Π΅ΡΠΊΠΎΠ»ΡΠΊΠΎ Π³ΡΠ°Π΄ΡΡΠΎΠ², ΠΊΠΎΠ³Π΄Π° ΠΏΠΎΡΡΠ΅Π½Ρ Π²ΡΡ
ΠΎΠ΄ΠΈΡ Π·Π° ΠΏΡΠ΅Π΄Π΅Π»Ρ Π²Π΅ΡΡ
Π½Π΅ΠΉ ΡΠΎΡΠΊΠΈ Π² Π½Π°ΡΠ°Π»Π΅ ΠΊΠ°ΠΆΠ΄ΠΎΠ³ΠΎ ΡΠ°Π±ΠΎΡΠ΅Π³ΠΎ ΡΠ°ΠΊΡΠ°.
ΠΡΠ»ΠΈ Π±Ρ ΡΡΠ΅Π±ΠΎΠ²Π°Π»ΠΎΡΡ Π±ΠΎΠ»ΡΡΠ΅ ΡΠΎΠΏΠ»ΠΈΠ²Π°, ΠΊΠ»Π°ΠΏΠ°Π½Ρ Π±ΡΠ»ΠΈ Π±Ρ Π·Π°ΠΊΡΡΡΡ Π΄ΠΎΠ»ΡΡΠ΅, ΠΈ, Π½Π°ΠΏΡΠΈΠΌΠ΅Ρ, ΠΊΠΎΠ³Π΄Π° Π²ΠΎΠ΄ΠΈΡΠ΅Π»Ρ Π½Π°Π±ΠΈΡΠ°Π΅Ρ ΠΊΡΠ΅ΠΉΡΠ΅ΡΡΠΊΡΡ ΡΠΊΠΎΡΠΎΡΡΡ Π½Π° ΡΠΎΡΡΠ΅ ΠΈ Π½Π°ΠΆΠΈΠΌΠ°Π΅Ρ Π½Π° ΠΏΠ΅Π΄Π°Π»Ρ Π³Π°Π·Π° Π΄Π»Ρ Π΄Π²ΠΈΠΆΠ΅Π½ΠΈΡ, ΠΊΠ»Π°ΠΏΠ°Π½Ρ Π½Π°ΡΠΈΠ½Π°ΡΡ Π·Π°ΠΊΡΡΠ²Π°ΡΡΡΡ ΠΏΠΎΡΠ»Π΅ Π±ΠΎΠ»Π΅Π΅ ΠΊΠΎΡΠΎΡΠΊΠΎΠ³ΠΎ Ρ
ΠΎΠ΄Π° ΠΊΠ°ΠΆΠ΄ΠΎΠ³ΠΎ ΠΏΠΎΡΡΠ½Ρ .
ΠΠ°ΡΡΠΈΠΊ, ΠΊΠΎΡΠΎΡΡΠΉ ΠΈΠ·ΠΌΠ΅ΡΡΠ» Π΄Π°Π²Π»Π΅Π½ΠΈΠ΅ Π² ΡΠ°ΠΌΠΏΠ΅, ΠΎΡΠΏΡΠ°Π²Π»ΡΠ» ΡΠΈΠ³Π½Π°Π» Π΄Π°Π²Π»Π΅Π½ΠΈΡ Π² ECM, ΡΡΠΎΠ±Ρ ΠΏΠΎΡΡΠΎΡΠ½Π½ΠΎ ΠΊΠΎΠ½ΡΡΠΎΠ»ΠΈΡΠΎΠ²Π°ΡΡ Π΄Π°Π²Π»Π΅Π½ΠΈΠ΅ ΠΈ ΠΏΠΎΠ΄Π΄Π΅ΡΠΆΠΈΠ²Π°ΡΡ Π΅Π³ΠΎ Π½Π° ΠΆΠ΅Π»Π°Π΅ΠΌΠΎΠΌ ΡΡΠΎΠ²Π½Π΅. Π’Π°ΠΊΠΈΠΌ ΠΎΠ±ΡΠ°Π·ΠΎΠΌ, Π΄Π°Π²Π»Π΅Π½ΠΈΠ΅ Π² ΡΠ°ΠΌΠΏΠ΅ ΠΌΠΎΠΆΠ½ΠΎ Π±ΡΠ»ΠΎ ΠΏΠΎΠ΄Π΄Π΅ΡΠΆΠΈΠ²Π°ΡΡ ΠΏΠΎΡΡΠΎΡΠ½Π½ΡΠΌ. ΠΠ΅ΡΠΌΠΎΡΡΡ Π½Π° ΡΠΎ, ΡΡΠΎ ΠΏΡΠΈ ΠΊΠ°ΠΆΠ΄ΠΎΠΌ ΡΡΠ°Π±Π°ΡΡΠ²Π°Π½ΠΈΠΈ ΠΊΠ°ΠΆΠ΄ΠΎΠΉ ΡΠΎΡΡΡΠ½ΠΊΠΈ Π±ΡΠ΄ΡΡ Π½Π΅Π±ΠΎΠ»ΡΡΠΈΠ΅ ΠΈΠ·ΠΌΠ΅Π½Π΅Π½ΠΈΡ Π΄Π°Π²Π»Π΅Π½ΠΈΡ ΠΈΠ»ΠΈ Β«ΠΈΠΌΠΏΡΠ»ΡΡΡΒ», ΠΎΠ΄Π½ΠΎΠ²ΡΠ΅ΠΌΠ΅Π½Π½ΠΎ ΡΡΠ°Π±Π°ΡΡΠ²Π°Π΅Ρ ΡΠΎΠ»ΡΠΊΠΎ ΠΎΠ΄Π½Π° ΡΠΎΡΡΡΠ½ΠΊΠ°, Π° ΠΊΠΎΠ»ΠΈΡΠ΅ΡΡΠ²ΠΎ ΡΠΎΠΏΠ»ΠΈΠ²Π°, Π²ΠΏΡΡΡΠΊΠΈΠ²Π°Π΅ΠΌΠΎΠ³ΠΎ ΠΏΡΠΈ ΠΊΠ°ΠΆΠ΄ΠΎΠΌ ΠΎΡΠΊΡΡΡΠΈΠΈ ΠΊΠ»Π°ΠΏΠ°Π½Π°, ΠΌΠΈΠ½ΠΈΠΌΠ°Π»ΡΠ½ΠΎ ΠΏΠΎ ΡΡΠ°Π²Π½Π΅Π½ΠΈΡ Ρ ΠΎΠ±ΡΠ΅ΠΌΠΎΠΌ ΡΠ°ΠΌΠΏΡ, ΠΏΡΠΈ ΠΊΠΎΡΠΎΡΠΎΠΌ Π΄Π°Π²Π»Π΅Π½ΠΈΠ΅ ΠΎΡΡΠ°Π΅ΡΡΡ ΡΡΠ°Π±ΠΈΠ»ΡΠ½ΡΠΌ.
Π’Π°ΠΊΠΆΠ΅ Π΄ΠΎΠ»ΠΆΠ΅Π½ Π±ΡΡΡ ΠΊΠ»Π°ΠΏΠ°Π½ ΡΠ±ΡΠΎΡΠ° Π΄Π°Π²Π»Π΅Π½ΠΈΡ, ΡΠ°ΠΊΠΎΠΉ ΠΊΠ°ΠΊ ΠΏΡΠ΅Π΄ΠΎΡ ΡΠ°Π½ΠΈΡΠ΅Π»ΡΠ½ΡΠΉ ΠΊΠ»Π°ΠΏΠ°Π½ Π½Π° ΠΊΠΎΡΠ»Π΅, Π΄Π»Ρ ΡΠ±ΡΠΎΡΠ° ΠΈΠ·Π±ΡΡΠΎΡΠ½ΠΎΠ³ΠΎ Π΄Π°Π²Π»Π΅Π½ΠΈΡ, Π΅ΡΠ»ΠΈ ΡΠ»Π΅ΠΊΡΡΠΎΠ½ΠΈΠΊΠ° Π½Π΅Π΄ΠΎΡΡΠ°ΡΠΎΡΠ½ΠΎ Ρ ΠΎΡΠΎΡΠΎ ΠΊΠΎΠ½ΡΡΠΎΠ»ΠΈΡΠΎΠ²Π°Π»Π° Π΄Π°Π²Π»Π΅Π½ΠΈΠ΅ ΠΈΠ»ΠΈ ΠΏΡΠΎΠΈΠ·ΠΎΡΠ΅Π» ΡΠ±ΠΎΠΉ Π΄Π°ΡΡΠΈΠΊΠ°. ΠΠΎ ΡΡΡΡ Π² ΡΠΎΠΌ, ΡΡΠΎ Ρ ΡΠ°ΠΊΠΎΠΉ ΡΠΈΡΡΠ΅ΠΌΠΎΠΉ ECM ΠΌΠΎΠ³ Π²ΡΠ΄Π°Π²Π°ΡΡ ΠΆΠ΅Π»Π°Π΅ΠΌΠΎΠ΅ Π΄Π°Π²Π»Π΅Π½ΠΈΠ΅ ΡΠΎΠΏΠ»ΠΈΠ²Π° Π½Π° ΡΡΠΎΠ²Π½Π΅ Π²ΡΠ΅ ΡΠ°Π·Π°, Π΄Π°ΠΆΠ΅ ΠΊΠΎΠ³Π΄Π° Π΄Π²ΠΈΠ³Π°ΡΠ΅Π»Ρ ΡΠ°Π±ΠΎΡΠ°Π» Π½Π° Ρ ΠΎΠ»ΠΎΡΡΠΎΠΌ Ρ ΠΎΠ΄Ρ.
ΠΡΠ΅ΠΈΠΌΡΡΠ΅ΡΡΠ²Π° ΡΠΈΡΡΠ΅ΠΌ Common-Rail
Π‘ΠΏΠΎΡΠΎΠ±Π½ΠΎΡΡΡ ΠΎΡΠΊΠ°ΡΠΈΠ²Π°ΡΡ ΡΠΎΠΏΠ»ΠΈΠ²ΠΎ ΠΈΠ· ΡΠ°ΠΌΠΏΡ ΠΏΡΠΈ 30Β 000β35Β 000 ΡΡΠ½ΡΠΎΠ² Π½Π° ΠΊΠ²Π°Π΄ΡΠ°ΡΠ½ΡΠΉ Π΄ΡΠΉΠΌ Π½Π° Π²ΡΠ΅Ρ
ΠΎΠ±ΠΎΡΠΎΡΠ°Ρ
β ΠΌΠ΅ΡΡΠ° ΠΈΠ½ΠΆΠ΅Π½Π΅ΡΠ°-Π΄ΠΈΠ·Π΅Π»ΠΈΡΡΠ°.
ΠΡΠΎΠ±Π»Π΅ΠΌΠ° Π·Π΄Π΅ΡΡ Π² ΡΠΎΠΌ, ΡΡΠΎ ΠΏΡΠ΅ΠΆΠ½ΠΈΠ΅ ΡΠΈΡΡΠ΅ΠΌΡ Ρ Π½Π°ΡΠΎΡ-ΡΠΎΡΡΡΠ½ΠΊΠ°ΠΌΠΈ Π½Π΅ ΠΌΠΎΠ³Π»ΠΈ ΠΎΠ±Π΅ΡΠΏΠ΅ΡΠΈΡΡ ΠΌΠ°ΠΊΡΠΈΠΌΠ°Π»ΡΠ½ΠΎΠ΅ Π΄Π°Π²Π»Π΅Π½ΠΈΠ΅ Π²ΠΏΠ»ΠΎΡΡ Π΄ΠΎ ΠΏΠΈΠΊΠΎΠ²ΠΎΠ³ΠΎ ΠΊΡΡΡΡΡΠ΅Π³ΠΎ ΠΌΠΎΠΌΠ΅Π½ΡΠ° Π΄Π²ΠΈΠ³Π°ΡΠ΅Π»Ρ, ΠΊΠΎΡΠΎΡΡΠΉ ΡΠΎΡΡΠ°Π²Π»ΡΠ΅Ρ 1200 ΠΎΠ±/ΠΌΠΈΠ½ ΠΈΠ»ΠΈ Π½ΠΈΠΆΠ΅. Π Π±ΠΎΠ»Π΅Π΅ ΡΠ°Π½Π½ΠΈΡ
ΡΠΈΡΡΠ΅ΠΌΠ°Ρ
, Ρ
ΠΎΡΡ ΡΠΎΠΏΠ»ΠΈΠ²ΠΎ ΠΏΠΎΠ΄Π°Π²Π°Π»ΠΎΡΡ Ρ ΡΠΎΠΎΡΠ²Π΅ΡΡΡΠ²ΡΡΡΠ΅ΠΉ ΡΠΊΠΎΡΠΎΡΡΡΡ, ΠΏΠ°Π΄Π΅Π½ΠΈΠ΅ Π΄Π°Π²Π»Π΅Π½ΠΈΡ ΠΏΠΎ-ΠΏΡΠ΅ΠΆΠ½Π΅ΠΌΡ ΠΎΠ·Π½Π°ΡΠ°Π»ΠΎ Π±ΠΎΠ»Π΅Π΅ ΠΏΠ»ΠΎΡ
ΠΎΠ΅ ΡΠΌΠ΅ΡΠΈΠ²Π°Π½ΠΈΠ΅ Ρ Π²ΠΎΠ·Π΄ΡΡ
ΠΎΠΌ Π² ΡΠΈΠ»ΠΈΠ½Π΄ΡΠ΅. ΠΡΠΎ ΠΎΠ·Π½Π°ΡΠ°Π»ΠΎ Π±ΠΎΠ»ΡΡΠ΅ Π²ΡΠ±ΡΠΎΡΠΎΠ² ΡΠ°ΠΆΠΈ, ΠΎΠ³ΡΠ°Π½ΠΈΡΠ΅Π½ΠΈΡ ΠΊΡΡΡΡΡΠ΅Π³ΠΎ ΠΌΠΎΠΌΠ΅Π½ΡΠ° Π½Π° Π½ΠΈΠ·ΠΊΠΈΡ
ΠΎΠ±ΠΎΡΠΎΡΠ°Ρ
ΠΈ ββΡΠΎ, Π½Π°ΡΠΊΠΎΠ»ΡΠΊΠΎ ΠΌΠ΅Π΄Π»Π΅Π½Π½ΠΎ Π΄Π²ΠΈΠ³Π°ΡΠ΅Π»Ρ ΠΌΠΎΠΆΠ΅Ρ Π²ΡΠ°ΡΠ°ΡΡΡΡ, ΡΠΎΡ
ΡΠ°Π½ΡΡ ΠΏΡΠΈ ΡΡΠΎΠΌ Ρ
ΠΎΡΠΎΡΡΡ ΡΠΎΠΏΠ»ΠΈΠ²Π½ΡΡ ΡΠΊΠΎΠ½ΠΎΠΌΠΈΡΠ½ΠΎΡΡΡ ΠΈ ΠΏΡΠΎΠΈΠ·Π²ΠΎΠ΄ΠΈΡΠ΅Π»ΡΠ½ΠΎΡΡΡ.
ΠΠ΅Π½ΡΡΠ΅ Π²ΡΠ±ΡΠΎΡΠΎΠ² ΡΠ²Π΅ΡΠ΄ΡΡ ΡΠ°ΡΡΠΈΡ
Π‘ΠΎΠ²ΡΠ΅ΠΌΠ΅Π½Π½Π°Ρ ΡΠΈΡΡΠ΅ΠΌΠ° Common Rail ΠΏΠΎΠ΄Π°Π΅Ρ ΡΠΎΠΏΠ»ΠΈΠ²ΠΎ ΠΏΠΎΠ΄ ΠΌΠ°ΠΊΡΠΈΠΌΠ°Π»ΡΠ½ΡΠΌ ΠΈΠ»ΠΈ Π»ΡΠ±ΡΠΌ Π΄ΡΡΠ³ΠΈΠΌ Π΄Π°Π²Π»Π΅Π½ΠΈΠ΅ΠΌ, Π΄Π°ΠΆΠ΅ ΠΏΡΠΈ 1000 ΠΎΠ±/ΠΌΠΈΠ½ ΠΈΠ»ΠΈ ΠΌΠ΅Π½ΡΡΠ΅. Π, ΠΏΠΎΡΠΊΠΎΠ»ΡΠΊΡ ΠΈΠ³Π»Π° Ρ ΡΠ»Π΅ΠΊΡΡΠΎΠΏΡΠΈΠ²ΠΎΠ΄ΠΎΠΌ ΠΌΠΎΠΆΠ΅Ρ ΡΠ°Π·Π±ΠΈΠ²Π°ΡΡ Π²ΠΏΡΡΡΠΊΠΈΠ²Π°Π΅ΠΌΡΡ ΠΏΠΎΡΡΠΈΡ ΡΠΎΠΏΠ»ΠΈΠ²Π° Π½Π° Π½Π΅ΡΠΊΠΎΠ»ΡΠΊΠΎ ΠΎΡΠ΄Π΅Π»ΡΠ½ΡΡ
ΡΠ°ΡΡΠ΅ΠΉ, ΡΠΈΡΡΠ΅ΠΌΠ° ΠΏΠΎ-ΠΏΡΠ΅ΠΆΠ½Π΅ΠΌΡ ΠΌΠΎΠΆΠ΅Ρ ΡΠ΄Π΅ΡΠΆΠΈΠ²Π°ΡΡ Π΄Π°Π²Π»Π΅Π½ΠΈΠ΅ Π² ΡΠΈΠ»ΠΈΠ½Π΄ΡΠ΅ ΠΎΡ ΡΠ»ΠΈΡΠΊΠΎΠΌ Π±ΡΡΡΡΠΎΠ³ΠΎ ΠΈ ΡΠ»ΠΈΡΠΊΠΎΠΌ Π²ΡΡΠΎΠΊΠΎΠ³ΠΎ ΡΡΠΎΠ²Π½Ρ. ΠΡΠΎ ΠΏΠΎΠΌΠΎΠ³Π°Π΅Ρ ΡΠ½ΠΈΠ·ΠΈΡΡ Π²ΡΠ±ΡΠΎΡΡ Nox ΠΈ ΡΠ΄Π΅ΡΠΆΠΈΠ²Π°Π΅Ρ Π½Π°Π³ΡΡΠ·ΠΊΠΈ Π΄Π²ΠΈΠ³Π°ΡΠ΅Π»Ρ Π² ΠΎΠΏΡΠ΅Π΄Π΅Π»Π΅Π½Π½ΡΡ
ΠΏΡΠ΅Π΄Π΅Π»Π°Ρ
.
ΠΠΎΠ·ΠΌΠΎΠΆΠ½ΠΎΡΡΡ ΠΏΠΎΠ΄Π°Π²Π°ΡΡ ΡΠΎΠΏΠ»ΠΈΠ²ΠΎ Π·Π° ΡΠΎΡ ΠΆΠ΅ ΠΏΠ΅ΡΠΈΠΎΠ΄ Π²ΡΠ΅ΠΌΠ΅Π½ΠΈ, Π½ΠΎ, Π²ΠΎΠ·ΠΌΠΎΠΆΠ½ΠΎ, Π·Π° 3 ΡΡΡΡΠΈ Π²ΡΡΠΎΠΊΠΎΠ³ΠΎ Π΄Π°Π²Π»Π΅Π½ΠΈΡ, Π° Π½Π΅ Ρ ΠΎΠ΄Π½ΠΎΠΉ ΡΡΡΡΠ΅ΠΉ Π±ΠΎΠ»Π΅Π΅ Π½ΠΈΠ·ΠΊΠΎΠ³ΠΎ Π΄Π°Π²Π»Π΅Π½ΠΈΡ, ΡΠ°ΠΊΠΆΠ΅ ΠΎΠ·Π½Π°ΡΠ°Π»Π° ΠΌΠ΅Π½ΡΡΠ΅ Π²ΡΠ±ΡΠΎΡΠΎΠ² ΡΠ²Π΅ΡΠ΄ΡΡ
ΡΠ°ΡΡΠΈΡ, ΠΏΠΎΡΠΊΠΎΠ»ΡΠΊΡ ΡΠΎΠΏΠ»ΠΈΠ²ΠΎ Π±ΠΎΠ»Π΅Π΅ ΡΡΡΠ΅ΠΊΡΠΈΠ²Π½ΠΎ ΡΠ°ΡΠΏΡΠ»ΡΠ»ΠΎΡΡ ΠΈ ΡΠΌΠ΅ΡΠΈΠ²Π°Π»ΠΎΡΡ Ρ Π²ΠΎΠ·Π΄ΡΡ
ΠΎΠΌ. ΠΠ°ΠΊ Π²Ρ ΠΌΠΎΠΆΠ΅ΡΠ΅ ΡΠ΅Π±Π΅ ΠΏΡΠ΅Π΄ΡΡΠ°Π²ΠΈΡΡ, Π΅ΡΠ»ΠΈ Π²Π°ΡΠ΅ ΡΠΎΠΏΠ»ΠΈΠ²ΠΎ Π·Π°ΡΠΈΡΠ΅Π½ΠΎ ΠΎΡ Π³Π΅Π»Π΅ΠΎΠ±ΡΠ°Π·ΠΎΠ²Π°Π½ΠΈΡ, ΡΡΠ° ΡΠΈΡΡΠ΅ΠΌΠ° Π·Π°ΠΏΡΡΡΠΈΡ Π²Π°Ρ Π΄Π²ΠΈΠ³Π°ΡΠ΅Π»Ρ Π΄Π°ΠΆΠ΅ ΠΏΡΠΈ Π½ΠΈΠ·ΠΊΠΈΡ
ΡΠ΅ΠΌΠΏΠ΅ΡΠ°ΡΡΡΠ°Ρ
Π½Π°ΡΡΠΆΠ½ΠΎΠ³ΠΎ Π²ΠΎΠ·Π΄ΡΡ
Π°.
ΠΠΎΠ»Π΅Π΅ Ρ ΠΎΠ»ΠΎΠ΄Π½ΡΠΉ ΡΠΈΠ»ΠΈΠ½Π΄Ρ ΠΈ Π±ΠΎΠ»Π΅Π΅ ΡΠΈΡ ΠΈΠΉ Π΄Π²ΠΈΠ³Π°ΡΠ΅Π»Ρ
Π‘ΠΈΡΡΠ΅ΠΌΠ° ΡΠ°ΠΊΠΆΠ΅ ΠΌΠΎΠΆΠ΅Ρ Π½Π΅ΡΠΊΠΎΠ»ΡΠΊΠΎ ΡΠ½ΠΈΠΆΠ°ΡΡ Π΄Π°Π²Π»Π΅Π½ΠΈΠ΅, ΡΡΠΎΠ±Ρ ΠΏΠΎΠ΄Π°Π²Π°ΡΡ ΡΠΎΠΏΠ»ΠΈΠ²ΠΎ Π±ΠΎΠ»Π΅Π΅ ΠΏΠΎΡΡΠ΅ΠΏΠ΅Π½Π½ΠΎ ΠΈ ΡΠΎΡ ΡΠ°Π½ΡΡΡ ΡΠΈΠ»ΠΈΠ½Π΄Ρ Π΅ΡΠ΅ Π±ΠΎΠ»Π΅Π΅ Ρ ΠΎΠ»ΠΎΠ΄Π½ΡΠΌ (ΠΏΠΎΠ΄Π΄Π΅ΡΠΆΠΈΠ²Π°Ρ ΠΏΠΈΠΊΠΎΠ²ΠΎΠ΅ Π΄Π°Π²Π»Π΅Π½ΠΈΠ΅ ΠΈ ΠΏΠΈΠΊΠΎΠ²ΡΠ΅ ΡΠ΅ΠΌΠΏΠ΅ΡΠ°ΡΡΡΡ, ΠΏΡΠΎΠΈΠ·Π²ΠΎΠ΄ΡΡΠΈΠ΅ Nox, Π½Π°ΠΌΠ½ΠΎΠ³ΠΎ Π½ΠΈΠΆΠ΅), ΠΊΠΎΠ³Π΄Π° Π³ΡΡΠ·ΠΎΠ²ΠΈΠΊ ΠΊΡΠ΅ΠΉΡΠ΅ΡΡΠΊΠΈΠΉ, ΠΊΠΎΠ³Π΄Π° ΡΡΠ΅Π±ΡΠ΅ΠΌΠ°Ρ ΠΌΠΎΡΠ½ΠΎΡΡΡ ΠΈ ΠΊΡΡΡΡΡΠΈΠΉ ΠΌΠΎΠΌΠ΅Π½Ρ Π·Π½Π°ΡΠΈΡΠ΅Π»ΡΠ½ΠΎ Π½ΠΈΠΆΠ΅. ΠΡΠΎ ΡΠ°ΠΊΠΆΠ΅ Π΄Π΅Π»Π°Π΅Ρ Π΄Π²ΠΈΠ³Π°ΡΠ΅Π»Ρ ΡΠΈΡΠ΅.
ΠΠ΅Π½ΡΡΠΈΠΉ Π²Π΅Ρ ΠΈ ΠΌΠΎΡΠ½ΠΎΡΡΡ Π΄Π²ΠΈΠ³Π°ΡΠ΅Π»Ρ
ΠΡΠΎΠΌΠ΅ ΡΠΎΠ³ΠΎ, ΠΏΠΎΡΠΊΠΎΠ»ΡΠΊΡ Π½Π°ΡΠΎΡ ΠΎΠ±ΡΠ΅ΠΉ ΡΠΎΠΏΠ»ΠΈΠ²Π½ΠΎΠΉ ΡΠ°ΠΌΠΏΡ ΠΏΠΎΡΡΠΎΡΠ½Π½ΠΎ Π½Π°Π³Π½Π΅ΡΠ°Π΅Ρ ΡΠΎΠΏΠ»ΠΈΠ²ΠΎ, ΠΏΡΠΎΡΡΠΎ ΠΏΠΎΠ΄Π΄Π΅ΡΠΆΠΈΠ²Π°Ρ Π΄Π°Π²Π»Π΅Π½ΠΈΠ΅ Π² ΡΠ°ΠΌΠΏΠ΅, ΡΠ΅Π·ΠΊΠΎΠ΅ ΠΏΠΎΠ²ΡΡΠ΅Π½ΠΈΠ΅ ΠΈ ΠΏΠ°Π΄Π΅Π½ΠΈΠ΅ Π΄Π°Π²Π»Π΅Π½ΠΈΡ ΠΈ ΠΏΠΎΡΡΠΈ ΡΠ΅Π·ΠΊΠΈΠ΅ ΠΊΠΎΠ»Π΅Π±Π°Π½ΠΈΡ ΠΊΡΡΡΡΡΠ΅Π³ΠΎ ΠΌΠΎΠΌΠ΅Π½ΡΠ°, Π½Π΅ΠΎΠ±Ρ
ΠΎΠ΄ΠΈΠΌΡΠ΅ Π΄Π»Ρ ΠΏΡΠΈΠ²ΠΎΠ΄Π° ΡΠ°ΡΠΏΡΠ΅Π΄Π΅Π»ΠΈΡΠ΅Π»ΡΠ½ΠΎΠ³ΠΎ Π²Π°Π»Π°, ΠΏΡΠΈΠ²ΠΎΠ΄ΡΡΠ΅Π³ΠΎ Π°Π³ΡΠ΅Π³Π°Ρ Π² Π΄Π΅ΠΉΡΡΠ²ΠΈΠ΅.
ΡΠΎΡΡΡΠ½ΠΊΠΈ ΡΡ
ΠΎΠ΄ΡΡ. Π€Π°ΠΊΡΠΈΡΠ΅ΡΠΊΠΈ, ΡΠ°ΠΌ, Π³Π΄Π΅ ΡΠ°ΡΠΏΡΠ΅Π΄Π΅Π»ΠΈΡΠ΅Π»ΡΠ½ΡΠ΅ Π²Π°Π»Ρ Π±ΡΠ»ΠΈ Π°Π΄Π°ΠΏΡΠΈΡΠΎΠ²Π°Π½Ρ ΡΠΎΠ»ΡΠΊΠΎ Π΄Π»Ρ ΡΠΏΡΠ°Π²Π»Π΅Π½ΠΈΡ ΠΊΠ»Π°ΠΏΠ°Π½Π°ΠΌΠΈ, ΠΈΠ»ΠΈ Π² ΡΠ»ΡΡΠ°Π΅ Cummins, ΠΊΠΎΠ³Π΄Π° ΠΎΡΠ΄Π΅Π»ΡΠ½ΡΠΉ ΡΠ°ΡΠΏΡΠ΅Π΄Π΅Π»ΠΈΡΠ΅Π»ΡΠ½ΡΠΉ Π²Π°Π» ΡΠΎΡΡΡΠ½ΠΊΠΈ ΠΏΠΎΠ»Π½ΠΎΡΡΡΡ ΠΈΡΡΠ΅Π·, Π΄Π²ΠΈΠ³Π°ΡΠ΅Π»Ρ ΠΏΠΎΡΠ΅ΡΡΠ» Π΄ΠΎ 200 ΡΡΠ½ΡΠΎΠ² Π²Π΅ΡΠ°. ΠΠΎΡΠ½ΠΎΡΡΡ, Π½Π΅ΠΎΠ±Ρ
ΠΎΠ΄ΠΈΠΌΠ°Ρ Π΄Π»Ρ ΠΏΡΠΈΠ²ΠΎΠ΄Π° ΡΠΎΠΏΠ»ΠΈΠ²Π½ΠΎΠΉ ΡΠΈΡΡΠ΅ΠΌΡ, ΡΠ°ΠΊΠΆΠ΅ Π±ΡΠ»Π° ΡΠ½ΠΈΠΆΠ΅Π½Π°. ΠΠ»Ρ ΠΏΡΠΈΠ²ΠΎΠ΄Π° Π½Π°ΡΠΎΡΠ° Common-Rail ΡΡΠ΅Π±ΡΠ΅ΡΡΡ ΠΌΠ΅Π½Π΅Π΅ 15 Π».Ρ. Π Π½Π°ΡΠΎΡ Ρ ΠΎΠ±ΡΠ΅ΠΉ ΡΠΎΠΏΠ»ΠΈΠ²Π½ΠΎΠΉ ΡΠ°ΠΌΠΏΠΎΠΉ ΠΎΠ·Π½Π°ΡΠ°Π΅Ρ, ΡΡΠΎ ΡΡΡΠ°Π½ΠΎΠ²ΠΊΠ° Π½Π°ΠΊΠ»Π°Π΄Π½ΡΡ
ΡΠ°ΡΡ
ΠΎΠ΄ΠΎΠ² Π²ΠΊΠ»ΡΡΠ°Π΅Ρ ΡΠΎΠ»ΡΠΊΠΎ ΡΠ΅Π³ΡΠ»ΠΈΡΠΎΠ²ΠΊΡ ΠΊΠΎΡΠΎΠΌΡΡΠ»ΠΎΠ² ΠΊΠ»Π°ΠΏΠ°Π½ΠΎΠ².
ΠΠ²ΠΈΠ³Π°ΡΠ΅Π»Ρ Paccar MX13 Π²ΡΡΠ΅Π» Π² 2010 Π³ΠΎΠ΄Ρ. ΠΡΠΎΡ Π΄Π²ΠΈΠ³Π°ΡΠ΅Π»Ρ ΠΈΠΌΠ΅Π΅Ρ ΡΠ°ΡΠΏΡΠ΅Π΄Π΅Π»ΠΈΡΠ΅Π»ΡΠ½ΡΠΉ Π²Π°Π» Π² Π±Π»ΠΎΠΊΠ΅ Π΄Π»Ρ ΡΠ½ΠΈΠΆΠ΅Π½ΠΈΡ Π΅Π³ΠΎ ΠΏΡΠΎΡΠΈΠ»Ρ. Π ΡΠ΅ΡΠ΅Π½ΠΈΠ΅ Π½Π΅ΡΠΊΠΎΠ»ΡΠΊΠΈΡ
Π»Π΅Ρ ΠΎΠ½Π° ΠΈΡΠΏΠΎΠ»ΡΠ·ΠΎΠ²Π°Π»Π° Π½Π°ΡΠΎΡΡ Π΄Π»Ρ ΠΏΠΎΠ΄Π°ΡΠΈ ΡΠΎΠΏΠ»ΠΈΠ²Π° ΠΊ ΡΠΎΡΡΡΠ½ΠΊΠ°ΠΌ, ΠΏΠΎ ΠΎΠ΄Π½ΠΎΠΌΡ Π½Π° ΠΊΠ°ΠΆΠ΄ΡΠΉ ΡΠΈΠ»ΠΈΠ½Π΄Ρ. ΠΡΠΈ Π²ΡΡΠΎΠΊΠΎΠΏΡΠΎΠΈΠ·Π²ΠΎΠ΄ΠΈΡΠ΅Π»ΡΠ½ΡΠ΅ Π½Π°ΡΠΎΡΡ ΠΈΠΌΠ΅Π»ΠΈ ΡΠ»Π΅ΠΊΡΡΠΈΡΠ΅ΡΠΊΠΈΠ΅ ΠΊΠ»Π°ΠΏΠ°Π½Ρ ΠΏΠΎΠ΄Π°ΡΠΈ, ΠΏΠΎΡΡΠΎΠΌΡ ΠΊΠ»Π°ΠΏΠ°Π½Ρ Π±ΡΠ»ΠΈ ΡΡΡΠ°Π½ΠΎΠ²Π»Π΅Π½Ρ ΠΊΠ°ΠΊ Π½Π° ΡΠΎΡΡΡΠ½ΠΊΠ°Ρ
, ΡΠ°ΠΊ ΠΈ Π½Π° Π½Π°ΡΠΎΡΠ°Ρ
(Π½Π° ΠΎΠ±ΠΎΠΈΡ
ΠΊΠΎΠ½ΡΠ°Ρ
ΠΊΠΎΡΠΎΡΠΊΠΈΡ
Π»ΠΈΠ½ΠΈΠΉ ΠΏΠΎΠ΄Π°ΡΠΈ ΠΆΠΈΡΠ°), ΡΡΠΎΠ±Ρ ΠΎΠ±Π΅ΡΠΏΠ΅ΡΠΈΡΡ Π±ΠΎΠ»Π΅Π΅ ΡΠΎΡΠ½ΡΡ ΡΠ°Π±ΠΎΡΡ. ΠΠ΄Π½Π°ΠΊΠΎ Π² 2013 Π³ΠΎΠ΄Ρ Paccar ΡΠ°Π·ΡΠ°Π±ΠΎΡΠ°Π»Π° ΡΠΈΡΡΠ΅ΠΌΡ Common-Rail.
ΠΠ΄ΠΈΠ½ΡΡΠ²Π΅Π½Π½ΠΎΠ΅ ΠΎΡΠ»ΠΈΡΠΈΠ΅ ΠΎΡ ΡΠΈΡΡΠ΅ΠΌ Navistar ΠΈ Cummins Π·Π°ΠΊΠ»ΡΡΠ°Π»ΠΎΡΡ Π² ΡΠΎΠΌ, ΡΡΠΎ Π² Π½Π΅ΠΉ ΠΈΡΠΏΠΎΠ»ΡΠ·ΠΎΠ²Π°Π»ΠΈΡΡ Π΄Π²Π° Π½Π°ΡΠΎΡΠ½ΡΡ
Π°Π³ΡΠ΅Π³Π°ΡΠ°, ΠΏΡΠΈΠ²ΠΎΠ΄ΠΈΠΌΡΡ
Π² Π΄Π΅ΠΉΡΡΠ²ΠΈΠ΅ ΡΠ°ΡΠΏΡΠ΅Π΄Π΅Π»ΠΈΡΠ΅Π»ΡΠ½ΡΠΌ Π²Π°Π»ΠΎΠΌ, Π΄Π»Ρ ΠΏΠΎΠ΄Π°ΡΠΈ ΡΠ΅ΠΉΠΊΠΈ ΠΏΠΎ Π±ΠΎΠ»Π΅Π΅ ΠΊΠΎΡΠΎΡΠΊΠΈΠΌ Π»ΠΈΠ½ΠΈΡΠΌ, ΡΠ΅ΠΌ ΡΠ΅, ΠΊΠΎΡΠΎΡΡΠ΅ ΠΈΡΠΏΠΎΠ»ΡΠ·ΠΎΠ²Π°Π»ΠΈΡΡ Ρ Π½Π°ΡΠΎΡΠ°ΠΌΠΈ Ρ ΠΏΡΠΈΠ²ΠΎΠ΄ΠΎΠΌ ΠΎΡ ΠΊΠΎΠ»Π΅Π½ΡΠ°ΡΠΎΠ³ΠΎ Π²Π°Π»Π°. Π Π΄Π²ΠΈΠ³Π°ΡΠ΅Π»Π΅ ΠΈΡΠΏΠΎΠ»ΡΠ·ΡΡΡΡΡ Π΄Π²ΡΡ
ΡΠ΅ΠΊΡΠΈΠΎΠ½Π½ΡΠ΅ Π½Π°ΡΠΎΡΡ β ΡΡΠΎΠ³ΠΎ Π΄ΠΎΡΡΠ°ΡΠΎΡΠ½ΠΎ Π΄Π»Ρ ΠΎΠ±Π΅ΡΠΏΠ΅ΡΠ΅Π½ΠΈΡ ΠΏΠ»Π°Π²Π½ΠΎΠΉ ΡΠ°Π±ΠΎΡΡ.
ΠΠΎ 2017 Π³ΠΎΠ΄Π° Ρ Volvo Π±ΡΠ»Π° Π½Π°Π΄Π΅ΠΆΠ½Π°Ρ ΠΈ Π²ΡΡΠΎΠΊΠΎΠΏΡΠΎΠΈΠ·Π²ΠΎΠ΄ΠΈΡΠ΅Π»ΡΠ½Π°Ρ ΡΠΎΡΠΌΠ° Π½Π°ΡΠΎΡ-ΡΠΎΡΡΡΠ½ΠΊΠΈ Ρ ΠΏΡΠΈΠ²ΠΎΠ΄ΠΎΠΌ ΠΎΡ ΡΠ°ΡΠΏΡΠ΅Π΄Π΅Π»ΠΈΡΠ΅Π»ΡΠ½ΠΎΠ³ΠΎ Π²Π°Π»Π°. ΠΠ½ΠΈ ΠΈΡΠΊΠ»ΡΡΠΈΡΠ΅Π»ΡΠ½ΠΎ Ρ ΠΎΡΠΎΡΠΎ ΡΠ°Π±ΠΎΡΠ°Π»ΠΈ Π½Π° Π½ΠΈΠ·ΠΊΠΈΡ ΠΎΠ±ΠΎΡΠΎΡΠ°Ρ , ΠΏΠΎΡΠΊΠΎΠ»ΡΠΊΡ Ρ Π½ΠΈΡ Π±ΡΠ»ΠΎ Π΄Π²Π° ΡΠ΅Π³ΡΠ»ΠΈΡΡΡΡΠΈΡ ΠΊΠ»Π°ΠΏΠ°Π½Π°, ΠΎΠ΄ΠΈΠ½ Π΄Π»Ρ ΠΏΠΎΠ΄Π°ΡΠΈ Π½Π° ΡΠΎΡΡΡΠ½ΠΊΡ, Π° Π΄ΡΡΠ³ΠΎΠΉ Π΄Π»Ρ ΡΠ±ΡΠΎΡΠ° Π΄Π°Π²Π»Π΅Π½ΠΈΡ, Π° Π½Π΅ ΡΠΎΠ»ΡΠΊΠΎ ΠΎΠ΄ΠΈΠ½. . Π Π°Π±ΠΎΡΠ° ΠΊΠ»Π°ΠΏΠ°Π½ΠΎΠ² ΠΌΠΎΠΆΠ΅Ρ Π±ΡΡΡ ΡΠΊΠΎΠΎΡΠ΄ΠΈΠ½ΠΈΡΠΎΠ²Π°Π½Π°, Π° ΠΏΠΎΠ΄Π°ΡΠ° ΡΠΎΠΏΠ»ΠΈΠ²Π° Π΄ΡΠΎΡΡΠ΅Π»ΠΈΡΠΎΠ²Π°Π½Π° ΡΠ°ΠΊΠΈΠΌ ΠΎΠ±ΡΠ°Π·ΠΎΠΌ, ΡΡΠΎΠ±Ρ ΠΏΠΎΠ΄Π΄Π΅ΡΠΆΠΈΠ²Π°ΡΡ Π΄ΠΎΡΡΠ°ΡΠΎΡΠ½ΠΎΠ΅ Π΄Π°Π²Π»Π΅Π½ΠΈΠ΅ Π΄Π»Ρ Ρ ΠΎΡΠΎΡΠ΅ΠΉ ΠΏΡΠΎΠΈΠ·Π²ΠΎΠ΄ΠΈΡΠ΅Π»ΡΠ½ΠΎΡΡΠΈ ΠΏΡΠΈ Π½ΠΈΠ·ΠΊΠΈΡ ΠΎΠ±ΠΎΡΠΎΡΠ°Ρ ΠΈ ββΠ² ΡΠΎ ΠΆΠ΅ Π²ΡΠ΅ΠΌΡ ΠΎΠ±Π΅ΡΠΏΠ΅ΡΠΈΠ²Π°ΡΡ ΠΌΠ°ΠΊΡΠΈΠΌΠ°Π»ΡΠ½ΡΡ ΠΏΡΠΎΠΈΠ·Π²ΠΎΠ΄ΠΈΡΠ΅Π»ΡΠ½ΠΎΡΡΡ ΠΏΡΠΈ ΡΠ΅Π³ΡΠ»ΠΈΡΡΠ΅ΠΌΡΡ ΠΎΠ±ΠΎΡΠΎΡΠ°Ρ .
Π‘ΠΈΡΡΠ΅ΠΌΠ° Common Rail Π½Π° Volvo D13, ΠΊΠΎΡΠΎΡΠ°Ρ Π±ΡΠ»Π° Π½ΠΎΠ²ΠΎΠΉ Π² 2017 Π³ΠΎΠ΄Ρ.
Π’ΠΎΠΏΠ»ΠΈΠ²Π½Π°Ρ ΡΠ°ΠΌΠΏΠ° ΠΏΡΠ΅Π΄ΡΡΠ°Π²Π»ΡΠ΅Ρ ΡΠΎΠ±ΠΎΠΉ Π΄Π»ΠΈΠ½Π½ΡΡ Π±Π»Π΅ΡΡΡΡΡΡ ΡΡΡΠ±Ρ Π² Π²Π΅ΡΡ
Π½Π΅ΠΉ/ΡΠ΅Π½ΡΡΠ°Π»ΡΠ½ΠΎΠΉ ΡΠ°ΡΡΠΈ ΡΠΎΡΠΎΠ³ΡΠ°ΡΠΈΠΈ Ρ Π·Π°Π³Π»ΡΡΠΊΠΎΠΉ (Π΄Π»Ρ Π΄Π°ΡΡΠΈΠΊΠ° Π΄Π°Π²Π»Π΅Π½ΠΈΡ) ΡΠΏΡΠ°Π²Π° ΠΈ Π΄Π²ΡΠΌΡ ΠΌΠ΅Π½ΡΡΠΈΠ΅ ΡΡΡΠ±ΠΊΠΈ, ΠΈΠ΄ΡΡΠΈΠ΅ ΠΊ ΡΠΎΡΡΡΠ½ΠΊΠ°ΠΌ, ΠΏΠΎΠ΄ΠΊΠ»ΡΡΠ΅Π½Π½ΡΠΌ ΠΊ Π½Π΅ΠΌΡ.
ΠΠΎ Π² 2017 Π³ΠΎΠ΄Ρ Volvo ΠΏΠ΅ΡΠ΅ΡΠ»Π° Π½Π° ΡΠΈΡΡΠ΅ΠΌΡ Common Rail, Π² ΠΊΠΎΡΠΎΡΠΎΠΉ ΡΠ΅ΠΉΠΊΠ° ΡΠ°Π·ΠΌΠ΅ΡΠ°Π»Π°ΡΡ ΠΏΠΎΠ΄ ΠΊΡΡΡΠΊΠΎΠΉ ΠΊΡΠ»Π°ΡΠΊΠ°. ΠΠ°ΠΊ ΠΏΠΎΠΊΠ°Π·Π°Π½ΠΎ Π²ΡΡΠ΅, ΠΎΠ½ΠΈ ΡΠΌΠ΅Π»ΠΎ ΡΠΏΡΠΎΠ΅ΠΊΡΠΈΡΠΎΠ²Π°Π»ΠΈ ΡΠΈΡΡΠ΅ΠΌΡ, Π² ΠΊΠΎΡΠΎΡΠΎΠΉ ΡΡΠΈ ΠΈΠ· ΡΠ΅ΡΡΠΈ ΡΠΎΡΡΡΠ½ΠΎΠΊ ΠΎΠ±ΡΠ΅Π΄ΠΈΠ½Π΅Π½Ρ Ρ Π½Π°ΡΠΎΡΠ½ΡΠΌΠΈ Π°Π³ΡΠ΅Π³Π°ΡΠ°ΠΌΠΈ, ΠΏΡΠΈΠ²ΠΎΠ΄ΠΈΠΌΡΠΌΠΈ ΠΎΡ ΡΠ°ΡΠΏΡΠ΅Π΄Π΅Π»ΠΈΡΠ΅Π»ΡΠ½ΠΎΠ³ΠΎ Π²Π°Π»Π°. ΠΠ°ΡΠΎΡΡ ΠΈΡΠΏΠΎΠ»ΡΠ·ΡΡΡ ΠΎΠ±ΡΠΈΠ΅ Π»ΠΈΠ½ΠΈΠΈ, ΡΠΎΠ΅Π΄ΠΈΠ½ΡΡΡΠΈΠ΅ ΡΡΠΈ ΡΡΠΈ ΡΠΎΡΡΡΠ½ΠΊΠΈ Ρ ΡΠ°ΠΌΠΏΠΎΠΉ, ΡΡΠΎΠ±Ρ ΠΈΠ½ΠΎΠ³Π΄Π° ΠΏΠΈΡΠ°ΡΡ ΡΠ°ΠΌΠΏΡ, Π° Π² Π΄ΡΡΠ³ΠΎΠ΅ Π²ΡΠ΅ΠΌΡ ΠΎΡΠΏΡΠ°Π²Π»ΡΡΡ ΡΠΎΠΏΠ»ΠΈΠ²ΠΎ ΠΎΠ±ΡΠ°ΡΠ½ΠΎ ΠΊ ΡΡΠΈΠΌ ΡΡΠ΅ΠΌ ΡΠΎΡΡΡΠ½ΠΊΠ°ΠΌ. ΠΠΎΠ²Π°Ρ ΡΠΈΡΡΠ΅ΠΌΠ° ΡΠ°Π±ΠΎΡΠ°Π΅Ρ ΡΠΈΡΠ΅ ΡΡΠ°ΡΠΎΠΉ ΠΈ ΠΌΠΎΠΆΠ΅Ρ ΡΠ°Π·Π±ΠΈΠ²Π°ΡΡ ΡΠΎΠΏΠ»ΠΈΠ²Π½ΡΠΉ Π·Π°ΡΡΠ΄, Π½Π°ΠΏΡΠ°Π²Π»ΡΠ΅ΠΌΡΠΉ Π² ΠΊΠ°ΠΆΠ΄ΡΠΉ ΡΠΈΠ»ΠΈΠ½Π΄Ρ, Π½Π° Π±ΠΎΠ»Π΅Π΅ ΠΌΠ΅Π»ΠΊΠΈΠ΅ ΡΠ°ΡΡΠΈ, ΡΠ΅ΠΌ ΡΠ°Π½ΡΡΠ΅. ΠΡΠΎ Π΅Π΄ΠΈΠ½ΡΡΠ²Π΅Π½Π½Π°Ρ ΡΠΈΡΡΠ΅ΠΌΠ° Ρ ΠΎΠ±ΡΠ΅ΠΉ ΡΠΎΠΏΠ»ΠΈΠ²Π½ΠΎΠΉ ΡΠ°ΠΌΠΏΠΎΠΉ, Π² ΠΊΠΎΡΠΎΡΠΎΠΉ ΠΊΠΎΡΠΎΠΌΡΡΠ»Π°, ΠΏΡΠΈΠ²ΠΎΠ΄ΠΈΠΌΡΠ΅ Π² Π΄Π²ΠΈΠΆΠ΅Π½ΠΈΠ΅ ΡΠ°ΡΠΏΡΠ΅Π΄Π΅Π»ΠΈΡΠ΅Π»ΡΠ½ΡΠΌ Π²Π°Π»ΠΎΠΌ, ΠΏΡΠΈΠ²ΠΎΠ΄ΡΡ Π² Π΄Π΅ΠΉΡΡΠ²ΠΈΠ΅ Π½Π°ΡΠΎΡΡ Π°Π³ΡΠ΅Π³Π°ΡΠ°, ΠΈ ΠΈΡ
Π½Π΅ΠΎΠ±Ρ
ΠΎΠ΄ΠΈΠΌΠΎ ΡΠ΅Π³ΡΠ»ΠΈΡΠΎΠ²Π°ΡΡ Ρ ΠΏΠΎΠΌΠΎΡΡΡ ΠΊΠ»Π°ΠΏΠ°Π½ΠΎΠ² ΠΏΡΠΈ ΡΠ°Π±ΠΎΡΠ΅ Π²Π΅ΡΡ
Π½ΠΈΡ
Π³ΠΎΠ»ΠΎΠ²ΠΎΠΊ.
ΠΡΠΎ ΠΈΠ·ΠΌΠ΅Π½Π΅Π½ΠΈΠ΅ ΡΠΎΠΏΡΠΎΠ²ΠΎΠΆΠ΄Π°Π»ΠΎΡΡ Π²Π½Π΅Π΄ΡΠ΅Π½ΠΈΠ΅ΠΌ ΠΈΡ
Β«Π²ΠΎΠ»Π½ΠΎΠ²ΠΎΠ³ΠΎ ΠΏΠΎΡΡΠ½ΡΒ», ΠΊΠΎΡΠΎΡΡΠΉ ΠΈΠΌΠ΅Π΅Ρ Π²ΡΡΡΡΠΏΡ Π² ΡΡΠ΅Π½ΠΊΠ΅ ΠΊΠ°ΠΌΠ΅ΡΡ ΡΠ³ΠΎΡΠ°Π½ΠΈΡ, ΠΊΠΎΡΠΎΡΡΠ΅ Π½Π°ΠΏΡΠ°Π²Π»ΡΡΡ Π±ΡΡΠ·Π³ΠΈ ΡΠΎΠΏΠ»ΠΈΠ²Π° ΠΎΠ±ΡΠ°ΡΠ½ΠΎ ΠΊ ΡΠ΅Π½ΡΡΡ ΠΊΠ°ΠΌΠ΅ΡΡ, ΡΠ΅ΠΌ ΡΠ°ΠΌΡΠΌ ΠΏΡΠ΅Π΄ΠΎΡΠ²ΡΠ°ΡΠ°Ρ ΡΠΊΠΎΠΏΠ»Π΅Π½ΠΈΠ΅ ΡΠΎΠΏΠ»ΠΈΠ²Π° Π½Π° ΡΡΠ΅Π½ΠΊΠ°Ρ
ΠΊΠ°ΠΌΠ΅ΡΡ ΠΈ ΠΊΠΎΠΏΠΎΡΠΈ. ΠΠΎΠ²ΡΠΉ ΠΏΠΎΡΡΠ΅Π½Ρ ΠΏΠΎΠ·Π²ΠΎΠ»ΠΈΠ» ΡΠ²Π΅Π»ΠΈΡΠΈΡΡ ΡΡΠ΅ΠΏΠ΅Π½Ρ ΡΠΆΠ°ΡΠΈΡ Π² Π΄Π²ΠΈΠ³Π°ΡΠ΅Π»ΡΡ
Volvo Π½Π° ΠΎΠ΄ΠΈΠ½ ΠΏΡΠ½ΠΊΡ Π΄ΠΎ 18:1. ΠΠΎΡΠΊΠΎΠ»ΡΠΊΡ Mack MP8 ΠΈΡΠΏΠΎΠ»ΡΠ·ΡΠ΅Ρ Π°Π½Π°Π»ΠΎΠ³ΠΈΡΠ½ΡΡ Π°ΡΡ
ΠΈΡΠ΅ΠΊΡΡΡΡ, Ρ
ΠΎΡΡ ΠΈ ΠΈΠΌΠ΅Π΅Ρ Π΄ΡΡΠ³ΠΈΠ΅ ΠΊΡΠΈΠ²ΡΠ΅ ΠΊΡΡΡΡΡΠ΅Π³ΠΎ ΠΌΠΎΠΌΠ΅Π½ΡΠ° ΠΈ ΠΌΠΎΡΠ½ΠΎΡΡΠΈ, ΠΈΡ
Π΄Π²ΠΈΠ³Π°ΡΠ΅Π»Ρ ΠΈΡΠΏΠΎΠ»ΡΠ·ΡΠ΅Ρ ΡΡΡ Π½ΠΎΠ²ΡΡ ΡΠ΅Ρ
Π½ΠΎΠ»ΠΎΠ³ΠΈΡ.
Π‘Π½ΠΈΠΆΠ΅Π½ΠΈΠ΅ ΡΠΊΠΎΡΠΎΡΡΠΈ
ΠΠ°ΡΡΠΎΡΡΠΈΠΌ Π²ΠΎΠ·Π½Π°Π³ΡΠ°ΠΆΠ΄Π΅Π½ΠΈΠ΅ΠΌ Π·Π° Π²ΡΠ΅ ΡΡΠΎ ΡΠ²Π»ΡΠ΅ΡΡΡ Β«ΡΠ½ΠΈΠΆΠ΅Π½ΠΈΠ΅ ΡΠΊΠΎΡΠΎΡΡΠΈΒ», ΡΠΎΠ·Π΄Π°Π½Π½ΠΎΠ΅ Volvo. ΠΠ°Π»ΠΈΡΠΈΠ΅ ΡΠΈΡΡΠ΅ΠΌΡ Π²ΠΏΡΡΡΠΊΠ°, ΠΊΠΎΡΠΎΡΠ°Ρ ΠΌΠΎΠΆΠ΅Ρ ΠΎΠ±Π΅ΡΠΏΠ΅ΡΠΈΡΡ ΠΈΠ΄Π΅Π°Π»ΡΠ½ΠΎΠ΅ Π΄Π°Π²Π»Π΅Π½ΠΈΠ΅ ΠΏΡΠΈ 1000 ΠΎΠ±/ΠΌΠΈΠ½ ΠΈ Π΄Π°ΠΆΠ΅ Π½ΠΈΠΆΠ΅, Π² ΡΠΎΡΠ΅ΡΠ°Π½ΠΈΠΈ Ρ ΠΏΡΠ΅Π²ΠΎΡΡ
ΠΎΠ΄Π½ΠΎΠΉ Π°ΡΡΠΎΠ΄ΠΈΠ½Π°ΠΌΠΈΠΊΠΎΠΉ Π½ΠΎΠ²Π΅ΠΉΡΠΈΡ
ΡΡΠ°ΠΊΡΠΎΡΠΎΠ² ΠΎΠ·Π½Π°ΡΠ°Π΅Ρ, ΡΡΠΎ ΠΊΡΠ΅ΠΉΡΠ΅ΡΡΠΊΠΈΠ΅ ΠΎΠ±ΠΎΡΠΎΡΡ ΠΏΡΠΎΠ΄ΠΎΠ»ΠΆΠ°ΡΡ ΠΏΠ°Π΄Π°ΡΡ. ΠΠΎ ΡΡΡΠ±ΠΎΠ½Π°Π΄Π΄ΡΠ²Π° ΠΌΠ½ΠΎΠ³ΠΈΠ΅ Π΄ΠΈΠ·Π΅Π»ΠΈ Π΄ΠΎΠ»ΠΆΠ½Ρ Π±ΡΠ»ΠΈ ΡΠ°Π·Π²ΠΈΠ²Π°ΡΡ ΡΠΊΠΎΡΠΎΡΡΡ Π²ΡΡΠ΅ 1800 ΠΎΠ±/ΠΌΠΈΠ½. ΠΠΎ ΠΌΠ΅ΡΠ΅ ΡΠ°Π·Π²ΠΈΡΠΈΡ ΡΠΈΡΡΠ΅ΠΌ Π²ΠΏΡΡΡΠΊΠ° ΠΊΡΠ΅ΠΉΡΠ΅ΡΡΠΊΠΈΠ΅ ΠΎΠ±ΠΎΡΠΎΡΡ ΡΠΏΠ°Π»ΠΈ Π΄ΠΎ 1600, Π·Π°ΡΠ΅ΠΌ 1500, Π° Π·Π°ΡΠ΅ΠΌ 1300, Π² Π·Π°Π²ΠΈΡΠΈΠΌΠΎΡΡΠΈ ΠΎΡ ΡΠ°Π·ΠΌΠ΅ΡΠ° Π΄Π²ΠΈΠ³Π°ΡΠ΅Π»Ρ.
ΠΠΎ Ρ Π°Π²ΡΠΎΠΌΠ°ΡΠΈΡΠ΅ΡΠΊΠΈΠΌΠΈ ΠΊΠΎΡΠΎΠ±ΠΊΠ°ΠΌΠΈ ΠΏΠ΅ΡΠ΅Π΄Π°Ρ, ΡΠΏΠΎΡΠΎΠ±Π½ΡΠΌΠΈ Π²ΡΠ΅ΠΌΡ ΠΎΡ Π²ΡΠ΅ΠΌΠ΅Π½ΠΈ ΠΏΠ΅ΡΠ΅ΠΊΠ»ΡΡΠ°ΡΡΡΡ Π½Π° Π±ΠΎΠ»Π΅Π΅ Π½ΠΈΠ·ΠΊΠΈΠ΅ ΠΏΠ΅ΡΠ΅Π΄Π°ΡΠΈ, ΠΊΠΎΡΠΎΡΡΠ΅ ΠΌΠΎΠ³ΡΡ ΠΏΠΎΡΡΠ΅Π±ΠΎΠ²Π°ΡΡΡΡ Π½Π° ΡΠΈΠΏΠΈΡΠ½ΡΡ Π°Π²ΡΠΎΠΌΠ°Π³ΠΈΡΡΡΠ°Π»ΡΡ ΠΌΠ΅ΠΆΠ΄Ρ ΡΡΠ°ΡΠ°ΠΌΠΈ, ΠΈ Ρ ΠΈΠ΄Π΅Π°Π»ΡΠ½ΡΠΌ ΡΠ³ΠΎΡΠ°Π½ΠΈΠ΅ΠΌ Π΄Π°ΠΆΠ΅ Π΄ΠΎ 900 ΠΎΠ±/ΠΌΠΈΠ½, ΠΏΠΎΡΠ»Π΅Π΄Π½ΠΈΠ΅ Π³ΡΡΠ·ΠΎΠ²ΠΈΠΊΠΈ ΡΠ΅ΠΏΠ΅ΡΡ Π΄Π²ΠΈΠΆΡΡΡΡ ΡΠΎ ΡΠΊΠΎΡΠΎΡΡΡΡ 1150 ΠΈΠ»ΠΈ Π΄Π°ΠΆΠ΅ ΡΡΡΡ Π±ΠΎΠ»Π΅Π΅ 1000 ΠΎΠ±/ΠΌΠΈΠ½. Π ΠΏΠΎΡΠ»Π΅Π΄Π½Π΅ΠΌ ΠΏΡΠ΅Π΄Π»ΠΎΠΆΠ΅Π½ΠΈΠΈ Volvo ΠΈΡΠΏΠΎΠ»ΡΠ·ΡΠ΅ΡΡΡ ΠΊΠΎΠ½ΡΠ΅ΠΏΡΠΈΡ ΡΡΡΠ±ΠΎΠΊΠΎΠΌΠΏΠ°ΡΠ½Π΄Π°, Π² ΠΊΠΎΡΠΎΡΠΎΠΉ ΠΈΡΠΏΠΎΠ»ΡΠ·ΡΠ΅ΡΡΡ Π²ΡΠΎΡΠ°Ρ ΡΡΡΠ±ΠΈΠ½Π° Π΄Π»Ρ ΡΠ΅ΠΊΡΠΏΠ΅ΡΠ°ΡΠΈΠΈ ΡΠ½Π΅ΡΠ³ΠΈΠΈ Π²ΡΡ Π»ΠΎΠΏΠ½ΡΡ Π³Π°Π·ΠΎΠ² ΠΏΠΎΡΠ»Π΅ ΡΡΡΠ±ΠΎΠ½Π°Π³Π½Π΅ΡΠ°ΡΠ΅Π»Ρ ΠΈ ΠΏΡΠΈΠ²ΠΎΠ΄Π° ΠΊΠΎΠ»Π΅Π½ΡΠ°ΡΠΎΠ³ΠΎ Π²Π°Π»Π°. ΠΠ²ΠΈΠ³Π°ΡΠ΅Π»Ρ ΠΌΠΎΠΆΠ΅Ρ ΡΠ°Π·Π²ΠΈΠ²Π°ΡΡ ΠΌΠ°ΠΊΡΠΈΠΌΠ°Π»ΡΠ½ΡΡ ΠΌΠΎΡΠ½ΠΎΡΡΡ ΠΈ ΠΊΡΡΡΡΡΠΈΠΉ ΠΌΠΎΠΌΠ΅Π½Ρ ΠΏΡΠΈ ΠΌΠ΅Π½ΡΡΠ΅ΠΌ ΡΠ°ΡΡ ΠΎΠ΄Π΅ ΡΠΎΠΏΠ»ΠΈΠ²Π° Π² ΡΠΈΠ»ΠΈΠ½Π΄ΡΡ. Π ΡΠ΅Π·ΡΠ»ΡΡΠ°ΡΠ΅ ΠΌΠ΅Π½ΡΡΠ°Ρ Π½Π°Π³ΡΡΠ·ΠΊΠ° Π½Π° ΡΠΈΠ»ΠΈΠ½Π΄ΡΡ ΠΏΠΎΠ·Π²ΠΎΠ»ΡΠ΅Ρ ΡΠ°Π·Π²ΠΈΠ²Π°ΡΡ ΠΊΡΠ΅ΠΉΡΠ΅ΡΡΠΊΠΈΠ΅ ΠΎΠ±ΠΎΡΠΎΡΡ Π½Π° ΡΡΠΎΠ²Π½Π΅ 1060 ΠΎΠ± / ΠΌΠΈΠ½ ΠΈΠ»ΠΈ Π½ΠΈΠΆΠ΅.
ΠΠ°ΠΊΠ»ΡΡΠΈΡΠ΅Π»ΡΠ½ΡΠ΅ ΠΌΡΡΠ»ΠΈ
ΠΠΎΡΠΊΠΎΠ»ΡΠΊΡ Π½ΠΈΠ·ΠΊΠΈΠ΅ ΠΎΠ±ΠΎΡΠΎΡΡ ΠΏΠΎΠΌΠΎΠ³Π°ΡΡ Π΄Π²ΠΈΠ³Π°ΡΠ΅Π»Ρ Π»Π΅Π³ΡΠ΅ Π΄ΡΡΠ°ΡΡ, ΡΠΌΠ΅Π½ΡΡΠ°ΡΡ ΡΡΠ΅Π½ΠΈΠ΅ ΠΈ Π»ΡΡΡΠ΅ ΠΈΡΠΏΠΎΠ»ΡΠ·ΡΡΡ ΡΠ½Π΅ΡΠ³ΠΈΡ ΡΠ³ΠΎΡΠ°Π½ΠΈΡ, ΠΊΠΎΡΠΎΡΠ°Ρ Π½Π΅ ΡΡΠΏΠ΅Π²Π°Π΅Ρ Π·Π° ΠΏΠΎΡΡΠ½Π΅ΠΌ Π½Π° Π±ΠΎΠ»Π΅Π΅ Π²ΡΡΠΎΠΊΠΈΡ
ΠΎΠ±ΠΎΡΠΎΡΠ°Ρ
, ΡΠΈΠ»ΠΎΠ²ΡΠ΅ Π°Π³ΡΠ΅Π³Π°ΡΡ Ρ ΠΏΠΎΠ½ΠΈΠΆΠ΅Π½Π½ΠΎΠΉ ΡΠΊΠΎΡΠΎΡΡΡΡ ΡΠΏΠ°ΡΠ°ΡΡ ΠΌΠ½ΠΎΠ³ΠΈΡ
Π΄Π°Π»ΡΠ½ΠΎΠ±ΠΎΠΉΡΠΈΠΊΠΎΠ² ΠΈ Π½Π΅Π±ΠΎΠ»ΡΡΠΈΡ
Π°Π²ΡΠΎΡΡΠ°Π½ΡΠΏΠΎΡΡΠ½ΡΠ΅ ΠΊΠΎΠΌΠΏΠ°Π½ΠΈΠΈ ΠΌΠ½ΠΎΠ³ΠΎ Π΄Π΅Π½Π΅Π³ Π½Π° ΡΠ²ΠΎΠΈ ΡΡΠ΅ΡΠ° Π·Π° ΡΠΎΠΏΠ»ΠΈΠ²ΠΎ.
ΠΠ½ΠΈ ΡΠ°ΠΊΠΆΠ΅ ΠΎΠ±Π΅ΡΠΏΠ΅ΡΠΈΠ²Π°ΡΡ Π²ΠΎΠ΄ΠΈΡΠ΅Π»Ρ Π±ΠΎΠ»Π΅Π΅ ΡΠΏΠΎΠΊΠΎΠΉΠ½ΡΡ Π΅Π·Π΄Ρ. ΠΠΎ Π±Π΅Π· Π²ΠΏΡΡΡΠΊΠ° Common Rail ΡΡΠΎ Π±ΡΠ»ΠΎ Π±Ρ Π½Π΅Π²ΠΎΠ·ΠΌΠΎΠΆΠ½ΠΎ.
ΠΠ±ΠΎΡΡΠ΄ΠΎΠ²Π°Π½ΠΈΠ΅
ΠΠΎΡΡΡ
ΠΠ°ΠΊ ΡΠ°Π±ΠΎΡΠ°Π΅Ρ ΡΠΈΡΡΠ΅ΠΌΠ° Π²ΠΏΡΡΡΠΊΠ° Common Rail?
ΠΠ‘Π’ΠΠ ΠΠ―
ΠΠΏΡΠ±Π»ΠΈΠΊΠΎΠ²Π°Π½ΠΎ 24 ΠΈΡΠ½Ρ 2014 Π³. ΠΎΡ Dr. Johannes Kech ,
Π‘ΠΈΡΡΠ΅ΠΌΠ° Π²ΠΏΡΡΡΠΊΠ° Common Rail ΠΏΠΎΠ·Π²ΠΎΠ»ΡΠ΅Ρ ΠΎΠΏΡΠΈΠΌΠΈΠ·ΠΈΡΠΎΠ²Π°ΡΡ ΠΏΡΠΎΡΠ΅ΡΡ ΡΠ³ΠΎΡΠ°Π½ΠΈΡ ΡΠ°ΠΊΠΈΠΌ ΠΎΠ±ΡΠ°Π·ΠΎΠΌ, ΡΡΠΎΠ±Ρ ΠΈΠ· ΠΌΠ΅Π½ΡΡΠ΅Π³ΠΎ ΠΊΠΎΠ»ΠΈΡΠ΅ΡΡΠ²Π° ΡΠΎΠΏΠ»ΠΈΠ²Π° Π²ΡΡΠ°Π±Π°ΡΡΠ²Π°Π»ΠΎΡΡ ΠΌΠ΅Π½ΡΡΠ΅ Π·Π°Π³ΡΡΠ·Π½ΡΡΡΠΈΡ Π²Π΅ΡΠ΅ΡΡΠ².
ΠΠ»Π°Π³ΠΎΠ΄Π°ΡΡ ΡΠΈΡΡΠ΅ΠΌΠ΅ Π²ΠΏΡΡΡΠΊΠ° ΡΠΎΠΏΠ»ΠΈΠ²Π° Common Rail ΠΏΡΠΎΡΠ΅ΡΡ ΡΠ³ΠΎΡΠ°Π½ΠΈΡ ΠΌΠΎΠΆΠ½ΠΎ ΠΎΠΏΡΠΈΠΌΠΈΠ·ΠΈΡΠΎΠ²Π°ΡΡ Π΄Π»Ρ Π΄ΠΎΡΡΠΈΠΆΠ΅Π½ΠΈΡ Π½ΠΈΠ·ΠΊΠΎΠ³ΠΎ ΡΡΠΎΠ²Π½Ρ Π²ΡΠ±ΡΠΎΡΠΎΠ² Π²ΡΠ΅Π΄Π½ΡΡ
Π²Π΅ΡΠ΅ΡΡΠ² Π² ΡΠΎΡΠ΅ΡΠ°Π½ΠΈΠΈ Ρ ΠΌΠ΅Π½ΡΡΠΈΠΌ ΡΠ°ΡΡ
ΠΎΠ΄ΠΎΠΌ ΡΠΎΠΏΠ»ΠΈΠ²Π°. Π’ΠΎΠΏΠ»ΠΈΠ²ΠΎ Π²ΠΏΡΡΡΠΊΠΈΠ²Π°Π΅ΡΡΡ Π² ΠΊΠ°ΠΌΠ΅ΡΡ ΡΠ³ΠΎΡΠ°Π½ΠΈΡ ΠΈΠ· ΠΎΠ±ΡΠ΅ΠΉ ΡΠΎΠΏΠ»ΠΈΠ²Π½ΠΎΠΉ ΡΠ°ΠΌΠΏΡ ΠΏΠΎΠ΄ Π²ΡΡΠΎΠΊΠΈΠΌ Π΄Π°Π²Π»Π΅Π½ΠΈΠ΅ΠΌ. ΠΠ»Π΅ΠΊΡΡΠΎΠ½Π½Π°Ρ ΡΠΈΡΡΠ΅ΠΌΠ° ΡΠΏΡΠ°Π²Π»Π΅Π½ΠΈΡ Π³Π°ΡΠ°Π½ΡΠΈΡΡΠ΅Ρ, ΡΡΠΎ Π½Π°ΡΠ°Π»ΠΎ Π²ΠΏΡΡΡΠΊΠ°, ΠΊΠΎΠ»ΠΈΡΠ΅ΡΡΠ²ΠΎ ΠΈ Π²ΡΠ΅ΠΌΡ Π½Π΅ Π·Π°Π²ΠΈΡΡΡ ΠΎΡ ΡΠ°ΡΡΠΎΡΡ Π²ΡΠ°ΡΠ΅Π½ΠΈΡ Π΄Π²ΠΈΠ³Π°ΡΠ΅Π»Ρ.
Π 1996, Ρ Π΄Π²ΠΈΠ³Π°ΡΠ΅Π»Π΅ΠΌ Series 4000, MTU Π±ΡΠ» ΠΏΠ΅ΡΠ²ΡΠΌ ΠΏΡΠΎΠΈΠ·Π²ΠΎΠ΄ΠΈΡΠ΅Π»Π΅ΠΌ Π±ΠΎΠ»ΡΡΠΈΡ
Π΄ΠΈΠ·Π΅Π»ΡΠ½ΡΡ
Π΄Π²ΠΈΠ³Π°ΡΠ΅Π»Π΅ΠΉ, ΠΊΠΎΡΠΎΡΡΠΉ Π²Π²Π΅Π» ΡΠΈΡΡΠ΅ΠΌΡ Π²ΠΏΡΡΡΠΊΠ° ΡΠΎΠΏΠ»ΠΈΠ²Π° Common Rail Π² ΠΊΠ°ΡΠ΅ΡΡΠ²Π΅ ΡΡΠ°Π½Π΄Π°ΡΡΠ½ΠΎΠΉ ΡΡΠ½ΠΊΡΠΈΠΈ.
ΠΠΈΠΎΠ½Π΅Ρ ΡΠΈΡΡΠ΅ΠΌΡ Π²ΠΏΡΡΡΠΊΠ° ΡΠΎΠΏΠ»ΠΈΠ²Π° Common RailΒ Β Β Β Β Β Β Β Β Β Β Β Β Β Β Β Β Β Β Β Β Β Β Β Β Β Β Β Β Β Β Β Β Β Β Β Β Β Β Β Β Β Β Β Β ΠΠΎ Π²ΡΠ΅ΠΌ ΠΌΠΈΡΠ΅ ΡΠΆΠ΅ΡΡΠΎΡΠ°ΡΡΡΡ Π½ΠΎΡΠΌΡ Π²ΡΠ±ΡΠΎΡΠΎΠ² Π΄Π»Ρ Π΄ΠΈΠ·Π΅Π»ΡΠ½ΡΡ
Π΄Π²ΠΈΠ³Π°ΡΠ΅Π»Π΅ΠΉ, ΠΈΡΠΏΠΎΠ»ΡΠ·ΡΠ΅ΠΌΡΡ
Π² ΡΡΠ΄Π°Ρ
, ΠΏΠΎΠ΅Π·Π΄Π°Ρ
, Π±ΠΎΠ»ΡΡΠ΅Π³ΡΡΠ·Π½ΡΡ
Π²Π½Π΅Π΄ΠΎΡΠΎΠΆΠ½ΠΈΠΊΠ°Ρ
ΠΈ Π³Π΅Π½Π΅ΡΠ°ΡΠΎΡΠ½ΡΡ
ΡΡΡΠ°Π½ΠΎΠ²ΠΊΠ°Ρ
. Π ΡΠΎ ΠΆΠ΅ Π²ΡΠ΅ΠΌΡ ΠΊΠ»ΠΈΠ΅Π½ΡΡ ΠΏΠΎΡΡΠΎΡΠ½Π½ΠΎ ΡΡΠ΅Π±ΡΡΡ Π±ΠΎΠ»Π΅Π΅ ΡΠΊΠΎΠ½ΠΎΠΌΠΈΡΠ½ΡΡ
Π΄Π²ΠΈΠ³Π°ΡΠ΅Π»Π΅ΠΉ. Π‘ΠΈΡΡΠ΅ΠΌΡ Π΄ΠΎΠΎΡΠΈΡΡΠΊΠΈ ΠΎΡΡΠ°Π±ΠΎΡΠ°Π²ΡΠΈΡ
Π³Π°Π·ΠΎΠ², ΡΠ°ΠΊΠΈΠ΅ ΠΊΠ°ΠΊ ΠΊΠ°ΡΠ°Π»ΠΈΡΠΈΡΠ΅ΡΠΊΠΈΠ΅ Π½Π΅ΠΉΡΡΠ°Π»ΠΈΠ·Π°ΡΠΎΡΡ SCR (ΠΈΠ·Π±ΠΈΡΠ°ΡΠ΅Π»ΡΠ½ΠΎΠ΅ ΠΊΠ°ΡΠ°Π»ΠΈΡΠΈΡΠ΅ΡΠΊΠΎΠ΅ Π²ΠΎΡΡΡΠ°Π½ΠΎΠ²Π»Π΅Π½ΠΈΠ΅, ΡΠΎΠΊΡΠ°ΡΠ΅Π½Π½ΠΎ SCR) ΠΈΠ»ΠΈ ΡΠ°ΠΆΠ΅Π²ΡΠ΅ ΡΠΈΠ»ΡΡΡΡ, ΡΠ²Π»ΡΡΡΡΡ ΠΎΠ΄Π½ΠΈΠΌ ΠΈΠ· ΡΠΏΠΎΡΠΎΠ±ΠΎΠ² ΡΠ½ΠΈΠΆΠ΅Π½ΠΈΡ Π²ΡΠ±ΡΠΎΡΠΎΠ², Π½ΠΎ ΡΠ°ΠΊΠΆΠ΅ ΡΡΠ΅Π±ΡΡΡ Π±ΠΎΠ»ΡΡΠ΅ ΠΌΠ΅ΡΡΠ° ΠΈ ΠΏΠΎΡΠ΅Π½ΡΠΈΠ°Π»ΡΠ½ΠΎ ΡΠ²Π΅Π»ΠΈΡΠΈΠ²Π°ΡΡ ΠΏΠΎΡΡΠ΅Π±Π½ΠΎΡΡΡ Π² ΡΠ΅Ρ
Π½ΠΈΡΠ΅ΡΠΊΠΎΠΌ ΠΎΠ±ΡΠ»ΡΠΆΠΈΠ²Π°Π½ΠΈΠΈ Π΄Π²ΠΈΠ³Π°ΡΠ΅Π»Ρ. ΠΠΎ ΡΡΠΈΠΌ ΠΏΡΠΈΡΠΈΠ½Π°ΠΌ mtu Π² ΠΏΠ΅ΡΠ²ΡΡ ΠΎΡΠ΅ΡΠ΅Π΄Ρ ΠΏΡΠΎΠ²ΠΎΠ΄ΠΈΡ ΠΏΠΎΠ»ΠΈΡΠΈΠΊΡ ΡΠΎΠΊΡΠ°ΡΠ΅Π½ΠΈΡ Π²ΡΠ±ΡΠΎΡΠΎΠ² Π·Π° ΡΡΠ΅Ρ Π²Π½ΡΡΡΠ΅Π½Π½ΠΈΡ
ΡΡΠΎΠ²Π΅ΡΡΠ΅Π½ΡΡΠ²ΠΎΠ²Π°Π½ΠΈΠΉ Π΄Π²ΠΈΠ³Π°ΡΠ΅Π»Ρ. Π‘Π³ΠΎΡΠ°Π½ΠΈΠ΅ ΡΠΎΠΏΠ»ΠΈΠ²Π° Π² Π΄Π²ΠΈΠ³Π°ΡΠ΅Π»Π΅ ΡΠ»ΡΡΡΠ°Π΅ΡΡΡ, ΡΠ°ΠΊ ΡΡΠΎ, Π΅ΡΠ»ΠΈ ΡΡΠΎ Π²ΠΎΠΎΠ±ΡΠ΅ Π²ΠΎΠ·ΠΌΠΎΠΆΠ½ΠΎ, Π²ΡΠ±ΡΠΎΡΡ Π½Π΅ ΠΎΠ±ΡΠ°Π·ΡΡΡΡΡ.
ΠΡΠΈ Π½Π΅ΠΎΠ±Ρ
ΠΎΠ΄ΠΈΠΌΠΎΡΡΠΈ MTU Π²Π²ΠΎΠ΄ΠΈΡ Π²ΡΠΎΡΠΎΠΉ ΡΡΠ°ΠΏ ΠΊΠΎΠ½ΡΡΠΎΠ»Ρ Π²ΡΠ±ΡΠΎΡΠΎΠ², ΠΏΡΠΈ ΠΊΠΎΡΠΎΡΠΎΠΌ ΠΎΡΡΠ°Π²ΡΠΈΠ΅ΡΡ Π²ΡΠ΅Π΄Π½ΡΠ΅ Π²ΡΠ±ΡΠΎΡΡ ΡΠ΄Π°Π»ΡΡΡΡΡ ΡΠΈΡΡΠ΅ΠΌΠ°ΠΌΠΈ Π΄ΠΎΠΎΡΠΈΡΡΠΊΠΈ Π²ΡΡ
Π»ΠΎΠΏΠ½ΡΡ
Π³Π°Π·ΠΎΠ².
Π ΠΈΡ. 1: Π‘ΠΈΡΡΠ΅ΠΌΠ° Common Rail Π΄Π»Ρ ΡΠ΅ΡΠΈΠΈ 4000 ΠΡΠΎΠΈΠ·Π²ΠΎΠ΄ΠΈΡΠ΅Π»ΡΠ½ΠΎΡΡΡ ΠΈ Π³ΠΈΠ±ΠΊΠΎΡΡΡ ΡΠΈΡΡΠ΅ΠΌΡ CR ΡΠΎΠ·Π΄Π°ΡΡ ΠΏΡΠ΅Π΄ΠΏΠΎΡΡΠ»ΠΊΠΈ Π΄Π»Ρ ΡΠΈΡΡΠΎΠ³ΠΎ ΠΈ ΡΡΡΠ΅ΠΊΡΠΈΠ²Π½ΠΎΠ³ΠΎ ΡΠ³ΠΎΡΠ°Π½ΠΈΡ.
Π ΡΠ°ΠΌΠΊΠ°Ρ
Π²Π½ΡΡΡΠ΅Π½Π½Π΅ΠΉ ΠΌΠΎΠ΄Π΅ΡΠ½ΠΈΠ·Π°ΡΠΈΠΈ Π΄Π²ΠΈΠ³Π°ΡΠ΅Π»Ρ ΠΎΠ΄Π½ΠΈΠΌ ΠΈΠ· ΠΎΡΠ½ΠΎΠ²Π½ΡΡ
ΡΡΠ΅Π΄ΡΡΠ² ΠΊΠΎΠ½ΡΡΠΎΠ»Ρ Π·Π° ΡΠΈΡΡΡΠΌ ΡΠ³ΠΎΡΠ°Π½ΠΈΠ΅ΠΌ ΡΠΎΠΏΠ»ΠΈΠ²Π°, ΠΏΠΎΠΌΠΈΠΌΠΎ ΡΠ΅ΡΠΈΡΠΊΡΠ»ΡΡΠΈΠΈ ΠΎΡΡΠ°Π±ΠΎΡΠ°Π²ΡΠΈΡ
Π³Π°Π·ΠΎΠ², ΡΠ²Π»ΡΠ΅ΡΡΡ ΡΠΈΡΡΠ΅ΠΌΠ° Π²ΠΏΡΡΡΠΊΠ° ΡΠΎΠΏΠ»ΠΈΠ²Π°. ΠΠ½ ΠΏΡΠ΅Π΄Π½Π°Π·Π½Π°ΡΠ΅Π½ Π΄Π»Ρ Π²ΠΏΡΡΡΠΊΠ° ΡΠΎΠΏΠ»ΠΈΠ²Π° ΠΏΠΎΠ΄ Π²ΡΡΠΎΠΊΠΈΠΌ Π΄Π°Π²Π»Π΅Π½ΠΈΠ΅ΠΌ Π² Π½ΡΠΆΠ½ΡΠΉ ΠΌΠΎΠΌΠ΅Π½Ρ, Π° ΡΠ°ΠΊΠΆΠ΅ Π΄Π»Ρ ΡΠΎΡΠ½ΠΎΠ³ΠΎ Π΄ΠΎΠ·ΠΈΡΠΎΠ²Π°Π½ΠΈΡ ΠΊΠΎΠ»ΠΈΡΠ΅ΡΡΠ²Π° Π²ΠΏΡΡΡΠΊΠΈΠ²Π°Π΅ΠΌΠΎΠ³ΠΎ ΡΠΎΠΏΠ»ΠΈΠ²Π°, ΡΡΠΎΠ±Ρ ΡΠΎΠ·Π΄Π°ΡΡ ΡΡΠ»ΠΎΠ²ΠΈΡ, Π½Π΅ΠΎΠ±Ρ
ΠΎΠ΄ΠΈΠΌΡΠ΅ Π΄Π»Ρ ΡΠ³ΠΎΡΠ°Π½ΠΈΡ Π²Π½ΡΡΡΠΈ ΡΠΈΠ»ΠΈΠ½Π΄ΡΠ° Ρ Π½ΠΈΠ·ΠΊΠΈΠΌ ΡΡΠΎΠ²Π½Π΅ΠΌ Π²ΡΠ±ΡΠΎΡΠΎΠ². Π’ΠΎΡΠ½ΠΎΠ΅ ΡΠΏΡΠ°Π²Π»Π΅Π½ΠΈΠ΅ ΠΏΠΎΠ΄Π°ΡΠ΅ΠΉ ΡΠΎΠΏΠ»ΠΈΠ²Π° ΠΏΠΎΠ΄ Π²ΡΡΠΎΠΊΠΈΠΌ Π΄Π°Π²Π»Π΅Π½ΠΈΠ΅ΠΌ ΡΠ°ΠΊΠΆΠ΅ ΠΏΠΎΠ·Π²ΠΎΠ»ΡΠ΅Ρ Π·Π½Π°ΡΠΈΡΠ΅Π»ΡΠ½ΠΎ ΡΠ½ΠΈΠ·ΠΈΡΡ ΡΠ°ΡΡ
ΠΎΠ΄ ΡΠΎΠΏΠ»ΠΈΠ²Π°. ΠΠΎ ΡΡΠΎΠΉ ΠΏΡΠΈΡΠΈΠ½Π΅ ΠΊΠΎΠΌΠΏΠ°Π½ΠΈΡ MTU Π½Π° ΠΎΡΠ΅Π½Ρ ΡΠ°Π½Π½Π΅ΠΌ ΡΡΠ°ΠΏΠ΅ ΠΎΡΡΡΠ΅ΡΡΠ²ΠΈΠ»Π° ΠΏΠ΅ΡΠ΅Ρ
ΠΎΠ΄ ΠΎΡ ΡΡΠ°Π΄ΠΈΡΠΈΠΎΠ½Π½ΡΡ
ΠΌΠ΅Ρ
Π°Π½ΠΈΡΠ΅ΡΠΊΠΈΡ
ΡΠΈΡΡΠ΅ΠΌ Π²ΠΏΡΡΡΠΊΠ° ΠΊ Π³ΠΈΠ±ΠΊΠΎΠΉ ΡΠΈΡΡΠ΅ΠΌΠ΅ Common Rail Ρ ΡΠ»Π΅ΠΊΡΡΠΎΠ½Π½ΡΠΌ ΡΠΏΡΠ°Π²Π»Π΅Π½ΠΈΠ΅ΠΌ β Π² ΡΠΎ Π²ΡΠ΅ΠΌΡ Π³Π»Π°Π²Π½ΡΠΌ ΠΎΠ±ΡΠ°Π·ΠΎΠΌ Ρ ΡΠ΅Π»ΡΡ ΠΏΡΠΎΠΈΠ·Π²ΠΎΠ΄ΡΡΠ²Π° Π±ΠΎΠ»Π΅Π΅ ΡΠΊΠΎΠ½ΠΎΠΌΠΈΡΠ½ΡΡ
Π΄Π²ΠΈΠ³Π°ΡΠ΅Π»Π΅ΠΉ.
Π 1996, MTU ΠΎΡΠ½Π°ΡΡΠΈΠ»Π° ΡΠ΅ΡΠΈΡ 4000, ΠΏΠ΅ΡΠ²ΡΠΉ Π±ΠΎΠ»ΡΡΠΎΠΉ Π΄ΠΈΠ·Π΅Π»ΡΠ½ΡΠΉ Π΄Π²ΠΈΠ³Π°ΡΠ΅Π»Ρ, ΡΠΈΡΡΠ΅ΠΌΠΎΠΉ Common Rail Π² ΡΡΠ°Π½Π΄Π°ΡΡΠ½ΠΎΠΉ ΠΊΠΎΠΌΠΏΠ»Π΅ΠΊΡΠ°ΡΠΈΠΈ. ΠΠ±ΡΠΈΠΉ ΡΠΎΠΏΠ»ΠΈΠ²Π½ΡΠΉ ΡΡΡΠ±ΠΎΠΏΡΠΎΠ²ΠΎΠ΄ β ΡΠ°ΠΊ Π½Π°Π·ΡΠ²Π°Π΅ΠΌΠ°Ρ ΡΠ΅ΠΉΠΊΠ°, Π΄Π°Π²ΡΠ°Ρ Π½Π°Π·Π²Π°Π½ΠΈΠ΅ ΡΠΈΡΡΠ΅ΠΌΠ΅, β ΡΠ½Π°Π±ΠΆΠ°Π΅Ρ ΡΠΎΠΏΠ»ΠΈΠ²ΠΎΠΌ Π²ΡΠ΅ ΡΠΎΠΏΠ»ΠΈΠ²Π½ΡΠ΅ ΡΠΎΡΡΡΠ½ΠΊΠΈ Π΄Π²ΠΈΠ³Π°ΡΠ΅Π»Ρ. ΠΠΎΠ³Π΄Π° ΡΠΎΠΏΠ»ΠΈΠ²ΠΎ Π΄ΠΎΠ»ΠΆΠ½ΠΎ Π±ΡΡΡ Π²ΠΏΡΡΡΠ½ΡΡΠΎ Π² ΡΠΈΠ»ΠΈΠ½Π΄Ρ, ΡΠΈΡΡΠ΅ΠΌΠ° ΠΎΡΠΊΡΡΠ²Π°Π΅Ρ ΡΠΎΠΏΠ»ΠΎ ΡΠΎΠΎΡΠ²Π΅ΡΡΡΠ²ΡΡΡΠ΅ΠΉ ΡΠΎΡΡΡΠ½ΠΊΠΈ, ΠΈ ΡΠΎΠΏΠ»ΠΈΠ²ΠΎ ΠΏΠΎΡΡΡΠΏΠ°Π΅Ρ ΠΈΠ· ΡΠ°ΠΌΠΏΡ Π² ΠΊΠ°ΠΌΠ΅ΡΡ ΡΠ³ΠΎΡΠ°Π½ΠΈΡ, ΡΠ°ΡΠΏΡΠ»ΡΠ΅ΡΡΡ ΠΏΡΠΈ ΡΡΠΎΠΌ ΠΏΠΎΠ΄ Π²ΡΡΠΎΠΊΠΈΠΌ Π΄Π°Π²Π»Π΅Π½ΠΈΠ΅ΠΌ ΠΈ ΡΠΌΠ΅ΡΠΈΠ²Π°Π΅ΡΡΡ Ρ Π²ΠΎΠ·Π΄ΡΡ
ΠΎΠΌ. ΠΠΎΠΌΠΏΠΎΠ½Π΅Π½ΡΡ ΡΠΈΡΡΠ΅ΠΌΡ Common Rail ΡΡΠ΅Π±ΡΡΡ ΡΡΠ΅Π·Π²ΡΡΠ°ΠΉΠ½ΠΎ ΡΠΎΡΠ½ΠΎΠ³ΠΎ ΠΈ Π³ΠΈΠ±ΠΊΠΎΠ³ΠΎ ΡΠΏΡΠ°Π²Π»Π΅Π½ΠΈΡ. ΠΠ»Ρ ΡΡΠΎΠΉ ΡΠ΅Π»ΠΈ mtu ΠΈΡΠΏΠΎΠ»ΡΠ·ΡΠ΅Ρ ΡΠ²ΠΎΠΉ ECU (Π±Π»ΠΎΠΊ ΡΠΏΡΠ°Π²Π»Π΅Π½ΠΈΡ Π΄Π²ΠΈΠ³Π°ΡΠ΅Π»Π΅ΠΌ, ΡΠΌ. ΡΠΈΡ. 1) β Π·Π°ΠΏΠ°ΡΠ΅Π½ΡΠΎΠ²Π°Π½Π½ΡΡ ΡΠΈΡΡΠ΅ΠΌΡ ΡΠΏΡΠ°Π²Π»Π΅Π½ΠΈΡ Π΄Π²ΠΈΠ³Π°ΡΠ΅Π»Π΅ΠΌ, ΡΠ°Π·ΡΠ°Π±ΠΎΡΠ°Π½Π½ΡΡ ΡΠΎΠ±ΡΡΠ²Π΅Π½Π½ΡΠΌΠΈ ΡΠΈΠ»Π°ΠΌΠΈ. Π ΡΠ²ΡΠ·ΠΈ ΡΠΎ Π²ΡΠ΅ Π±ΠΎΠ»Π΅Π΅ ΡΡΡΠΎΠ³ΠΈΠΌΠΈ ΡΡΠ°Π½Π΄Π°ΡΡΠ°ΠΌΠΈ Π²ΡΠ±ΡΠΎΡΠΎΠ² Π΄Π»Ρ Π΄Π²ΠΈΠ³Π°ΡΠ΅Π»Π΅ΠΉ Π²ΡΠ΅Ρ
ΠΊΠ»Π°ΡΡΠΎΠ² ΠΌΠΎΡΠ½ΠΎΡΡΠΈ ΠΈ Π²ΡΠ΅Ρ
ΡΠΈΠΏΠΎΠ² ΠΏΡΠΈΠΌΠ΅Π½Π΅Π½ΠΈΡ, MTU Π² Π±ΡΠ΄ΡΡΠ΅ΠΌ Π±ΡΠ΄Π΅Ρ ΠΎΡΠ½Π°ΡΠ°ΡΡ Π²ΡΠ΅ Π½ΠΎΠ²ΡΠ΅ Π΄Π²ΠΈΠ³Π°ΡΠ΅Π»ΠΈ ΡΠΈΡΡΠ΅ΠΌΠΎΠΉ Π²ΠΏΡΡΡΠΊΠ° Common Rail.
Π‘Π½ΠΈΠΆΠ΅Π½ΠΈΠ΅ Π²ΡΠ±ΡΠΎΡΠΎΠ² Π±Π»Π°Π³ΠΎΠ΄Π°ΡΡ ΡΠΎΡΠ΅ΡΠ°Π½ΠΈΡ Ρ Π΄ΡΡΠ³ΠΈΠΌΠΈ ΠΊΠ»ΡΡΠ΅Π²ΡΠΌΠΈ ΡΠ΅Ρ Π½ΠΎΠ»ΠΎΠ³ΠΈΡΠΌΠΈ
ΠΡΠΈ ΠΎΠΏΡΠΈΠΌΠΈΠ·Π°ΡΠΈΠΈ ΡΠ³ΠΎΡΠ°Π½ΠΈΡ Π·Π° ΡΡΠ΅Ρ Π²Π½ΡΡΡΠ΅Π½Π½ΠΈΡ
ΠΊΠΎΠ½ΡΡΡΡΠΊΡΠΈΠ²Π½ΡΡ
ΠΎΡΠΎΠ±Π΅Π½Π½ΠΎΡΡΠ΅ΠΉ Π΄Π²ΠΈΠ³Π°ΡΠ΅Π»Ρ Π²ΠΎΠ·Π½ΠΈΠΊΠ°Π΅Ρ ΡΡΠ΅Ρ
ΡΡΠΎΡΠΎΠ½Π½ΡΡ Π²Π·Π°ΠΈΠΌΠΎΡΠ²ΡΠ·Ρ ΠΌΠ΅ΠΆΠ΄Ρ ΠΎΠ±ΡΠ°Π·ΠΎΠ²Π°Π½ΠΈΠ΅ΠΌ ΠΎΠΊΡΠΈΠ΄ΠΎΠ² Π°Π·ΠΎΡΠ°, ΠΎΠ±ΡΠ°Π·ΠΎΠ²Π°Π½ΠΈΠ΅ΠΌ ΡΠ°ΡΡΠΈΡ ΡΠ°ΠΆΠΈ ΠΈ ΡΠ°ΡΡ
ΠΎΠ΄ΠΎΠΌ ΡΠΎΠΏΠ»ΠΈΠ²Π°: ΡΠ΅ΠΌ ΠΈΠ½ΡΠ΅Π½ΡΠΈΠ²Π½Π΅Π΅ ΡΠ³ΠΎΡΠ°Π½ΠΈΠ΅ ΠΈ ΡΠ΅ΠΌ ΠΏΡΠ΅ΠΎΠ±ΡΠ°Π·ΠΎΠ²Π°Π½ΠΈΠ΅ ΡΠ½Π΅ΡΠ³ΠΈΠΈ, ΡΠ΅ΠΌ Π½ΠΈΠΆΠ΅ Π²ΡΠ±ΡΠΎΡΡ ΠΈ ΠΏΠΎΡΡΠ΅Π±Π»Π΅Π½ΠΈΠ΅ ΡΠ²Π΅ΡΠ΄ΡΡ
ΡΠ°ΡΡΠΈΡ ΠΈ Π²ΡΡΠ΅ Π²ΡΠ±ΡΠΎΡΡ ΠΎΠΊΡΠΈΠ΄ΠΎΠ² Π°Π·ΠΎΡΠ°.
Π Π½Π°ΠΎΠ±ΠΎΡΠΎΡ, Π·Π°ΠΌΠ΅Π΄Π»Π΅Π½Π½ΠΎΠ΅ ΡΠ³ΠΎΡΠ°Π½ΠΈΠ΅ ΠΏΡΠΈΠ²ΠΎΠ΄ΠΈΡ ΠΊ ΠΌΠ΅Π½ΡΡΠ΅ΠΌΡ ΠΎΠ±ΡΠ°Π·ΠΎΠ²Π°Π½ΠΈΡ ΠΎΠΊΡΠΈΠ΄ΠΎΠ² Π°Π·ΠΎΡΠ°,
, Π½ΠΎ ΠΈ ΠΊ Π±ΠΎΠ»Π΅Π΅ Π²ΡΡΠΎΠΊΠΎΠΌΡ ΡΠ°ΡΡ
ΠΎΠ΄Ρ ΡΠΎΠΏΠ»ΠΈΠ²Π° ΠΈ ΡΡΠΎΠ²Π½Ρ Π²ΡΠ±ΡΠΎΡΠΎΠ² ΡΠ²Π΅ΡΠ΄ΡΡ
ΡΠ°ΡΡΠΈΡ. ΠΠ°Π΄Π°ΡΠ° ΡΠ°Π·ΡΠ°Π±ΠΎΡΡΠΈΠΊΠΎΠ² Π΄Π²ΠΈΠ³Π°ΡΠ΅Π»Ρ β Π½Π°ΠΉΡΠΈ ΠΊΠΎΠΌΠΏΡΠΎΠΌΠΈΡΡ ΠΌΠ΅ΠΆΠ΄Ρ ΡΡΠΈΠΌΠΈ ΠΊΡΠ°ΠΉΠ½ΠΎΡΡΡΠΌΠΈ Π΄Π»Ρ ΠΊΠ°ΠΆΠ΄ΠΎΠΉ ΡΠΎΡΠΊΠΈ Π½Π° ΠΊΠ°ΡΡΠ΅ ΠΏΡΠΎΠΈΠ·Π²ΠΎΠ΄ΠΈΡΠ΅Π»ΡΠ½ΠΎΡΡΠΈ Π΄Π²ΠΈΠ³Π°ΡΠ΅Π»Ρ. ΠΡΠΈ ΡΡΠΎΠΌ ΠΎΠ½ΠΈ Π΄ΠΎΠ»ΠΆΠ½Ρ ΡΠΎΠ³Π»Π°ΡΠΎΠ²ΡΠ²Π°ΡΡ Π²Π»ΠΈΡΠ½ΠΈΠ΅ ΡΠΈΡΡΠ΅ΠΌΡ Π²ΠΏΡΡΡΠΊΠ° ΡΠΎΠΏΠ»ΠΈΠ²Π° Ρ Π΄ΡΡΠ³ΠΈΠΌΠΈ Π²Π½ΡΡΡΠ΅Π½Π½ΠΈΠΌΠΈ ΠΌΠ΅ΡΠ°ΠΌΠΈ Π΄Π²ΠΈΠ³Π°ΡΠ΅Π»Ρ, ΡΠ°ΠΊΠΈΠΌΠΈ ΠΊΠ°ΠΊ ΡΠ΅ΡΠΈΡΠΊΡΠ»ΡΡΠΈΡ ΠΎΡΡΠ°Π±ΠΎΡΠ°Π²ΡΠΈΡ
Π³Π°Π·ΠΎΠ², ΠΊΠΎΡΠΎΡΠ°Ρ Π² ΠΏΠ΅ΡΠ²ΡΡ ΠΎΡΠ΅ΡΠ΅Π΄Ρ ΡΠ½ΠΈΠΆΠ°Π΅Ρ Π²ΡΠ±ΡΠΎΡΡ ΠΎΠΊΡΠΈΠ΄ΠΎΠ² Π°Π·ΠΎΡΠ°, ΠΈ Π²Π½Π΅ΡΠ½ΠΈΠ΅ ΡΠΈΡΡΠ΅ΠΌΡ Π΄ΠΎΠΎΡΠΈΡΡΠΊΠΈ ΠΎΡΡΠ°Π±ΠΎΡΠ°Π²ΡΠΈΡ
Π³Π°Π·ΠΎΠ². Π―Π²Π»ΡΡΡΡ ΠΏΠΈΠΎΠ½Π΅ΡΠΎΠΌ Π² ΡΡΠΎΠΉ ΠΎΠ±Π»Π°ΡΡΠΈ, ΠΊΠΎΠΌΠΏΠ°Π½ΠΈΡ MTU ΠΎΠΏΠΈΡΠ°Π΅ΡΡΡ Π½Π° ΠΌΠ½ΠΎΠ³ΠΎΠ»Π΅ΡΠ½ΠΈΠΉ ΠΎΠΏΡΡ ΡΠ°Π±ΠΎΡΡ Ρ ΡΠΈΡΡΠ΅ΠΌΠ°ΠΌΠΈ Π²ΠΏΡΡΡΠΊΠ° ΡΠΎΠΏΠ»ΠΈΠ²Π°, ΠΏΡΠΎΠΈΠ·Π²ΠΎΠ΄ΠΈΠΌΡΠΌΠΈ ΠΊΠΎΠΌΠΏΠ°Π½ΠΈΠ΅ΠΉ Rolls-Royce Power Systems ΠΏΠΎΠ΄ Π±ΡΠ΅Π½Π΄ΠΎΠΌ LβOrange ΠΈ Π΄ΡΡΠ³ΠΈΠΌΠΈ ΠΏΠΎΡΡΠ°Π²ΡΠΈΠΊΠ°ΠΌΠΈ. ΠΠ° ΡΡΠΎ Π²ΡΠ΅ΠΌΡ ΠΊΠΎΠΌΠΏΠ°Π½ΠΈΡ MTU ΠΏΡΠΈΠΎΠ±ΡΠ΅Π»Π° Π²ΡΠ΅ΡΡΠΎΡΠΎΠ½Π½ΠΈΠΉ ΠΎΠΏΡΡ Π² ΠΎΠ±Π»Π°ΡΡΠΈ ΠΈΠ½ΡΠ΅Π³ΡΠ°ΡΠΈΠΈ ΡΠΈΡΡΠ΅ΠΌΡ Π²ΠΏΡΡΡΠΊΠ° ΡΠΎΠΏΠ»ΠΈΠ²Π° Common Rail Π² Π΄Π²ΠΈΠ³Π°ΡΠ΅Π»Ρ. ΠΡΠΎ ΠΏΠΎΠ·Π²ΠΎΠ»ΠΈΠ»ΠΎ ΠΊΠΎΠΌΠΏΠ°Π½ΠΈΠΈ ΠΏΠΎΠ»Π½ΠΎΡΡΡΡ ΠΈΡΠΏΠΎΠ»ΡΠ·ΠΎΠ²Π°ΡΡ ΠΏΠΎΡΠ΅Π½ΡΠΈΠ°Π» ΡΠΈΡΡΠ΅ΠΌΡ Π²ΠΏΡΡΡΠΊΠ° ΡΠΎΠΏΠ»ΠΈΠ²Π° Π² ΡΠΎΡΠ΅ΡΠ°Π½ΠΈΠΈ Ρ Π΄ΡΡΠ³ΠΈΠΌΠΈ ΠΊΠ»ΡΡΠ΅Π²ΡΠΌΠΈ ΡΠ΅Ρ
Π½ΠΎΠ»ΠΎΠ³ΠΈΡΠΌΠΈ Π΄Π»Ρ ΡΠ»ΡΡΡΠ΅Π½ΠΈΡ ΠΏΡΠΎΡΠ΅ΡΡΠ° ΡΠ³ΠΎΡΠ°Π½ΠΈΡ.
ΠΠ²ΡΠΌΡ ΠΊΠ»ΡΡΠ΅Π²ΡΠΌΠΈ ΠΏΠ°ΡΠ°ΠΌΠ΅ΡΡΠ°ΠΌΠΈ Π²ΠΏΡΡΡΠΊΠ° ΡΠΎΠΏΠ»ΠΈΠ²Π°, ΠΊΠΎΡΠΎΡΡΠ΅ Π²Π»ΠΈΡΡΡ Π½Π° ΡΠ°ΡΡ
ΠΎΠ΄ ΡΠΎΠΏΠ»ΠΈΠ²Π° ΠΈ Π²ΡΠ±ΡΠΎΡΡ, ΡΠ²Π»ΡΡΡΡΡ ΡΠΊΠΎΡΠΎΡΡΡ Π²ΠΏΡΡΡΠΊΠ° ΠΈ Π΄Π°Π²Π»Π΅Π½ΠΈΠ΅ Π²ΠΏΡΡΡΠΊΠ°.
Π ΠΈΡ. 2: ΠΠΎΡΠΎΠΊ ΡΠΎΠΏΠ»ΠΈΠ²Π° ΠΈ ΠΏΠΎΡΠ»Π΅Π΄ΠΎΠ²Π°ΡΠ΅Π»ΡΠ½ΠΎΡΡΡ Π²ΠΏΡΡΡΠΊΠ° Π΄Π»Ρ ΠΌΠ½ΠΎΠ³ΠΎΡΠ°Π·Π½ΠΎΠ³ΠΎ Π²ΠΏΡΡΡΠΊΠ° mtu Π΄Π΅Π»ΠΈΡ ΠΏΠΎΡΠ»Π΅Π΄ΠΎΠ²Π°ΡΠ΅Π»ΡΠ½ΠΎΡΡΡ Π²ΠΏΡΡΡΠΊΠ° ΡΠΎΠΏΠ»ΠΈΠ²Π° Π½Π° ΡΡΠΈ ΠΎΡΠ΄Π΅Π»ΡΠ½ΡΠ΅ ΡΠ°Π·Ρ. Π€Π°Π·Π° ΠΎΡΠ½ΠΎΠ²Π½ΠΎΠ³ΠΎ Π²ΠΏΡΡΡΠΊΠ° ΠΎΠ±Π΅ΡΠΏΠ΅ΡΠΈΠ²Π°Π΅Ρ ΠΏΠΎΠ΄Π°ΡΡ ΡΠΎΠΏΠ»ΠΈΠ²Π°, ΡΠ°Π·Π° ΠΏΡΠ΅Π΄Π²Π°ΡΠΈΡΠ΅Π»ΡΠ½ΠΎΠ³ΠΎ Π²ΠΏΡΡΡΠΊΠ° ΡΠ½ΠΈΠΆΠ°Π΅Ρ Π½Π°Π³ΡΡΠ·ΠΊΡ Π½Π° Π²Π΅Π΄ΡΡΡΡ ΡΠ΅ΡΡΠ΅ΡΠ½Ρ ΠΊΠΎΠ»Π΅Π½ΡΠ°ΡΠΎΠ³ΠΎ Π²Π°Π»Π°, Π° ΡΠ°Π·Π° ΠΏΠΎΡΡΠ²ΠΏΡΡΡΠΊΠ° ΡΠ½ΠΈΠΆΠ°Π΅Ρ Π²ΡΠ±ΡΠΎΡΡ ΡΠ²Π΅ΡΠ΄ΡΡ ΡΠ°ΡΡΠΈΡ. ΠΡΠΎ ΠΏΠΎΠ·Π²ΠΎΠ»ΡΠ΅Ρ ΡΠ½ΠΈΠ·ΠΈΡΡ ΠΊΠ°ΠΊ ΡΠ°ΡΡ ΠΎΠ΄ ΡΠΎΠΏΠ»ΠΈΠ²Π°, ΡΠ°ΠΊ ΠΈ Π²ΡΠ±ΡΠΎΡΡ.
Π‘ΠΊΠΎΡΠΎΡΡΡ Π²ΠΏΡΡΡΠΊΠ°: ΠΏΡΠ΅Π΄Π²Π°ΡΠΈΡΠ΅Π»ΡΠ½ΡΠΉ, ΠΎΡΠ½ΠΎΠ²Π½ΠΎΠΉ ΠΈ Π΄ΠΎΠΏΠΎΠ»Π½ΠΈΡΠ΅Π»ΡΠ½ΡΠΉ Π²ΠΏΡΡΡΠΊ
Π‘ΠΊΠΎΡΠΎΡΡΡ Π²ΠΏΡΡΡΠΊΠ° ΠΎΠΏΡΠ΅Π΄Π΅Π»ΡΠ΅Ρ, ΠΊΠΎΠ³Π΄Π° ΠΈ ΡΠΊΠΎΠ»ΡΠΊΠΎ ΡΠΎΠΏΠ»ΠΈΠ²Π° Π²ΠΏΡΡΡΠΊΠΈΠ²Π°Π΅ΡΡΡ Π² ΡΠΈΠ»ΠΈΠ½Π΄Ρ. Π ΡΠ΅Π»ΡΡ
ΡΠ½ΠΈΠΆΠ΅Π½ΠΈΡ Π²ΡΠ±ΡΠΎΡΠΎΠ² ΠΈ ΡΠ°ΡΡ
ΠΎΠ΄Π° ΡΠΎΠΏΠ»ΠΈΠ²Π° Π½Π° ΡΠΎΠ²ΡΠ΅ΠΌΠ΅Π½Π½ΠΎΠΌ ΡΡΠ°ΠΏΠ΅ ΡΠ²ΠΎΠ»ΡΡΠΈΠΈ ΡΠΈΡΡΠ΅ΠΌΡ Π²ΠΏΡΡΡΠΊΠ° Π΄Π»Ρ Π΄Π²ΠΈΠ³Π°ΡΠ΅Π»Π΅ΠΉ MTU ΠΏΠΎΡΠ»Π΅Π΄ΠΎΠ²Π°ΡΠ΅Π»ΡΠ½ΠΎΡΡΡ Π²ΠΏΡΡΡΠΊΠ° ΡΠΎΠΏΠ»ΠΈΠ²Π° ΡΠ°Π·Π΄Π΅Π»Π΅Π½Π° Π½Π° ΡΡΠΈ ΠΎΡΠ΄Π΅Π»ΡΠ½ΡΠ΅ ΡΠ°Π·Ρ (ΡΠΌ. ΡΠΈΡ. 2). ΠΡΠ΅ΠΌΡ Π½Π°ΡΠ°Π»Π° Π²ΠΏΡΡΡΠΊΠ°, ΠΏΡΠΎΠ΄ΠΎΠ»ΠΆΠΈΡΠ΅Π»ΡΠ½ΠΎΡΡΡ ΠΈ Π°ΠΌΠΏΠ»ΠΈΡΡΠ΄Π° Π·Π°Π΄Π°ΡΡΡΡ ΠΏΠΎΠ»ΡΠ·ΠΎΠ²Π°ΡΠ΅Π»Π΅ΠΌ Π² ΡΠΎΠΎΡΠ²Π΅ΡΡΡΠ²ΠΈΠΈ Ρ ΠΊΠ°ΡΡΠΎΠΉ Ρ
Π°ΡΠ°ΠΊΡΠ΅ΡΠΈΡΡΠΈΠΊ Π΄Π²ΠΈΠ³Π°ΡΠ΅Π»Ρ.
Π€Π°Π·Π° ΠΎΡΠ½ΠΎΠ²Π½ΠΎΠ³ΠΎ Π²ΠΏΡΡΡΠΊΠ° ΠΏΠΎΠ΄Π°Π΅Ρ ΡΠΎΠΏΠ»ΠΈΠ²ΠΎ Π΄Π»Ρ Π²ΡΡΠ°Π±ΠΎΡΠΊΠΈ Π²ΡΡ
ΠΎΠ΄Π½ΠΎΠΉ ΠΌΠΎΡΠ½ΠΎΡΡΠΈ Π΄Π²ΠΈΠ³Π°ΡΠ΅Π»Ρ. Π€Π°Π·Π° ΠΏΡΠ΅Π΄Π²Π°ΡΠΈΡΠ΅Π»ΡΠ½ΠΎΠ³ΠΎ Π²ΠΏΡΡΡΠΊΠ° ΠΈΠ½ΠΈΡΠΈΠΈΡΡΠ΅Ρ ΠΎΠΏΠ΅ΡΠ΅ΠΆΠ°ΡΡΠ΅Π΅ ΡΠ³ΠΎΡΠ°Π½ΠΈΠ΅, ΡΡΠΎΠ±Ρ ΠΎΠ±Π΅ΡΠΏΠ΅ΡΠΈΡΡ ΠΊΠΎΠ½ΡΡΠΎΠ»ΠΈΡΡΠ΅ΠΌΠΎΠ΅ ΡΠ³ΠΎΡΠ°Π½ΠΈΠ΅ ΡΠΎΠΏΠ»ΠΈΠ²Π° Π² ΡΠ°Π·Π΅ ΠΎΡΠ½ΠΎΠ²Π½ΠΎΠ³ΠΎ Π²ΠΏΡΡΡΠΊΠ°. ΠΡΠΎ ΡΠ½ΠΈΠΆΠ°Π΅Ρ Π²ΡΠ±ΡΠΎΡΡ ΠΎΠΊΡΠΈΠ΄ΠΎΠ² Π°Π·ΠΎΡΠ°, ΠΏΠΎΡΠΊΠΎΠ»ΡΠΊΡ ΡΠ΅Π·ΠΊΠΎΠ΅ ΡΠ³ΠΎΡΠ°Π½ΠΈΠ΅ ΠΏΡΠ΅Π΄ΠΎΡΠ²ΡΠ°ΡΠ°Π΅Ρ Π²ΡΡΠΎΠΊΠΈΠ΅ ΠΏΠΈΠΊΠΎΠ²ΡΠ΅ ΡΠ΅ΠΌΠΏΠ΅ΡΠ°ΡΡΡΡ. Π€Π°Π·Π° Π΄ΠΎΠΏΠΎΠ»Π½ΠΈΡΠ΅Π»ΡΠ½ΠΎΠ³ΠΎ Π²ΠΏΡΡΡΠΊΠ° Π²ΡΠΊΠΎΡΠ΅ ΠΏΠΎΡΠ»Π΅ ΡΠ°Π·Ρ ΠΎΡΠ½ΠΎΠ²Π½ΠΎΠ³ΠΎ Π²ΠΏΡΡΡΠΊΠ° ΡΠ½ΠΈΠΆΠ°Π΅Ρ Π²ΡΠ±ΡΠΎΡΡ ΡΠ²Π΅ΡΠ΄ΡΡ
ΡΠ°ΡΡΠΈΡ. ΠΠ½ ΡΠ»ΡΡΡΠ°Π΅Ρ ΡΠΌΠ΅ΡΠΈΠ²Π°Π½ΠΈΠ΅ ΡΠΎΠΏΠ»ΠΈΠ²Π° ΠΈ Π²ΠΎΠ·Π΄ΡΡ
Π° Π½Π° ΠΏΠΎΠ·Π΄Π½Π΅ΠΉ ΡΡΠ°Π΄ΠΈΠΈ ΡΠ³ΠΎΡΠ°Π½ΠΈΡ, ΠΏΠΎΠ²ΡΡΠ°Ρ ΡΠ΅ΠΌΠΏΠ΅ΡΠ°ΡΡΡΡ Π² ΠΊΠ°ΠΌΠ΅ΡΠ΅ ΡΠ³ΠΎΡΠ°Π½ΠΈΡ, ΡΡΠΎ ΡΠΏΠΎΡΠΎΠ±ΡΡΠ²ΡΠ΅Ρ ΠΎΠΊΠΈΡΠ»Π΅Π½ΠΈΡ ΡΠ°ΠΆΠΈ. Π Π·Π°Π²ΠΈΡΠΈΠΌΠΎΡΡΠΈ ΠΎΡ ΡΠ΅ΠΆΠΈΠΌΠ° ΡΠ°Π±ΠΎΡΡ Π΄Π²ΠΈΠ³Π°ΡΠ΅Π»Ρ ΡΠ°Π·Π° ΠΎΡΠ½ΠΎΠ²Π½ΠΎΠ³ΠΎ Π²ΠΏΡΡΡΠΊΠ° ΠΌΠΎΠΆΠ΅Ρ Π±ΡΡΡ Π΄ΠΎΠΏΠΎΠ»Π½Π΅Π½Π° ΡΠ°Π·Π°ΠΌΠΈ ΠΏΡΠ΅Π΄Π²Π°ΡΠΈΡΠ΅Π»ΡΠ½ΠΎΠ³ΠΎ ΠΈ/ΠΈΠ»ΠΈ Π΄ΠΎΠΏΠΎΠ»Π½ΠΈΡΠ΅Π»ΡΠ½ΠΎΠ³ΠΎ Π²ΠΏΡΡΡΠΊΠ°.
Π‘ΡΠ°Π²Π½Π΅Π½ΠΈΠ΅ ΡΠ°Π·ΠΌΠ΅ΡΠΎΠ² ΡΠΎΡΡΡΠ½ΠΎΠΊ Π΄Π»Ρ Π΄Π²ΠΈΠ³Π°ΡΠ΅Π»Π΅ΠΉ Ρ ΡΠ°Π·Π½ΡΠΌ ΠΎΠ±ΡΠ΅ΠΌΠΎΠΌ ΡΠΈΠ»ΠΈΠ½Π΄ΡΠΎΠ², Π²ΠΊΠ»ΡΡΠ°Ρ ΡΠΎΡΡΡΠ½ΠΊΠΈ Π΄Π»Ρ ΡΠΎΠ²ΡΠ΅ΠΌΠ΅Π½Π½ΡΡ Π΄Π²ΠΈΠ³Π°ΡΠ΅Π»Π΅ΠΉ mtu ΡΠ΅ΡΠΈΠΉ 1600, 2000, 4000 ΠΈ 8000. (ΡΠ²Π΅ΡΠ»ΠΎ-ΡΠ΅ΡΡΠΉ: Π΄Π²ΠΈΠ³Π°ΡΠ΅Π»ΠΈ Π½Π΅ MTU)
ΠΠ°Π²Π»Π΅Π½ΠΈΠ΅ Π²ΠΏΡΡΡΠΊΠ°: ΠΏΠΈΠΊΠΎΠ²ΠΎΠ΅ Π΄Π°Π²Π»Π΅Π½ΠΈΠ΅ Π΄ΠΎ 2200 Π±Π°Ρ
ΠΠ°Π²Π»Π΅Π½ΠΈΠ΅ Π²ΠΏΡΡΡΠΊΠ° ΠΎΠΊΠ°Π·ΡΠ²Π°Π΅Ρ Π·Π½Π°ΡΠΈΡΠ΅Π»ΡΠ½ΠΎΠ΅ Π²Π»ΠΈΡΠ½ΠΈΠ΅ Π½Π° ΡΡΠΎΠ²Π΅Π½Ρ Π²ΡΠ±ΡΠΎΡΠΎΠ² ΡΠ²Π΅ΡΠ΄ΡΡ
ΡΠ°ΡΡΠΈΡ.
Π§Π΅ΠΌ Π²ΡΡΠ΅ Π΄Π°Π²Π»Π΅Π½ΠΈΠ΅ Π²ΠΏΡΡΡΠΊΠ°, ΡΠ΅ΠΌ Π»ΡΡΡΠ΅ ΡΠΎΠΏΠ»ΠΈΠ²ΠΎ ΡΠ°ΡΠΏΡΠ»ΡΠ΅ΡΡΡ Π²ΠΎ Π²ΡΠ΅ΠΌΡ Π²ΠΏΡΡΡΠΊΠ° ΠΈ ΡΠΌΠ΅ΡΠΈΠ²Π°Π΅ΡΡΡ Ρ ΠΊΠΈΡΠ»ΠΎΡΠΎΠ΄ΠΎΠΌ Π² ΡΠΈΠ»ΠΈΠ½Π΄ΡΠ΅. ΠΡΠΎ ΠΏΡΠΈΠ²ΠΎΠ΄ΠΈΡ ΠΊ ΠΏΡΠ°ΠΊΡΠΈΡΠ΅ΡΠΊΠΈ ΠΏΠΎΠ»Π½ΠΎΠΌΡ ΡΠ³ΠΎΡΠ°Π½ΠΈΡ
ΡΠΎΠΏΠ»ΠΈΠ²Π° Ρ Π²ΡΡΠΎΠΊΠΎΠΉ ΠΊΠΎΠ½Π²Π΅ΡΡΠΈΠ΅ΠΉ ΡΠ½Π΅ΡΠ³ΠΈΠΈ, ΠΏΡΠΈ ΠΊΠΎΡΠΎΡΠΎΠΌ ΠΎΠ±ΡΠ°Π·ΡΠ΅ΡΡΡ ΠΌΠΈΠ½ΠΈΠΌΠ°Π»ΡΠ½ΠΎΠ΅ ΠΊΠΎΠ»ΠΈΡΠ΅ΡΡΠ²ΠΎ ΡΠ²Π΅ΡΠ΄ΡΡ
ΡΠ°ΡΡΠΈΡ. ΠΠΎ ΡΡΠΎΠΉ ΠΏΡΠΈΡΠΈΠ½Π΅ mtu ΠΏΠΎΡΡΠΎΡΠ½Π½ΠΎ ΠΏΠΎΠ²ΡΡΠ°Π΅Ρ ΠΌΠ°ΠΊΡΠΈΠΌΠ°Π»ΡΠ½ΠΎΠ΅ Π΄Π°Π²Π»Π΅Π½ΠΈΠ΅ Π²ΠΏΡΡΡΠΊΠ° Π² ΡΠ²ΠΎΠΈΡ
ΡΠΈΡΡΠ΅ΠΌΠ°Ρ
Common Rail Ρ 1400 Π±Π°Ρ Π΄Π»Ρ Π΄Π²ΠΈΠ³Π°ΡΠ΅Π»Π΅ΠΉ ΡΠ΅ΡΠΈΠΈ 4000 Π² 1996 Π³ΠΎΠ΄Ρ Π΄ΠΎ Π½ΡΠ½Π΅ΡΠ½ΠΈΡ
2200 Π±Π°Ρ Π΄Π»Ρ Π΄Π²ΠΈΠ³Π°ΡΠ΅Π»Π΅ΠΉ ΡΠ΅ΡΠΈΠΉ 1600, 2000 ΠΈ 4000 (ΡΠΌ. ΡΠΈΡ. 3). Π ΡΠ»ΡΡΠ°Π΅ Π΄Π²ΠΈΠ³Π°ΡΠ΅Π»Ρ ΡΠ΅ΡΠΈΠΈ 8000 ΠΎΠ½ΠΎ ΡΠΎΡΡΠ°Π²Π»ΡΠ΅Ρ 1800 Π±Π°Ρ. ΠΠ»Ρ Π±ΡΠ΄ΡΡΠΈΡ
ΠΏΠΎΠΊΠΎΠ»Π΅Π½ΠΈΠΉ Π΄Π²ΠΈΠ³Π°ΡΠ΅Π»Π΅ΠΉ mtu Π΄Π°ΠΆΠ΅ ΠΏΠ»Π°Π½ΠΈΡΡΠ΅Ρ Π΄Π°Π²Π»Π΅Π½ΠΈΠ΅ Π²ΠΏΡΡΡΠΊΠ° Π΄ΠΎ 2500 Π±Π°Ρ. ΠΠ° ΡΠΎΡ ΠΆΠ΅ ΠΏΠ΅ΡΠΈΠΎΠ΄ ΠΊΠΎΠΌΠΏΠ°Π½ΠΈΡ mtu Π΅ΡΠ΅ Π±ΠΎΠ»ΡΡΠ΅ ΠΏΠΎΠ²ΡΡΠΈΠ»Π° Π΄ΠΎΠ»Π³ΠΎΠ²Π΅ΡΠ½ΠΎΡΡΡ ΡΠΈΡΡΠ΅ΠΌΡ ΠΈ ΠΏΡΠΎΡΡΠΎΡΡ Π΅Π΅ ΠΎΠ±ΡΠ»ΡΠΆΠΈΠ²Π°Π½ΠΈΡ. ΠΠΎΠ½ΡΠ΅ΠΏΡΠΈΡ ΡΠΈΠ»ΡΡΡΠ°, ΡΠ°Π·ΡΠ°Π±ΠΎΡΠ°Π½Π½Π°Ρ Π΄Π»Ρ ΡΠ΄ΠΎΠ²Π»Π΅ΡΠ²ΠΎΡΠ΅Π½ΠΈΡ ΡΡΠ΅Π±ΠΎΠ²Π°Π½ΠΈΠΉ, Π΅ΡΠ΅ Π±ΠΎΠ»ΡΡΠ΅ ΡΠ»ΡΡΡΠΈΠ»Π° ΡΠΏΠΎΡΠΎΠ±Π½ΠΎΡΡΡ ΡΠΈΡΡΠ΅ΠΌΡ Π²ΠΏΡΡΡΠΊΠ° ΡΠΏΡΠ°Π²Π»ΡΡΡΡΡ Ρ Π·Π°Π³ΡΡΠ·Π½Π΅Π½ΠΈΠ΅ΠΌ ΡΠΎΠΏΠ»ΠΈΠ²Π° ΡΠ²Π΅ΡΠ΄ΡΠΌΠΈ ΡΠ°ΡΡΠΈΡΠ°ΠΌΠΈ. Π Π±ΡΠ΄ΡΡΠ΅ΠΌ ΠΈΠ½ΡΠ΅ΡΠ²Π°Π»Ρ ΠΎΠ±ΡΠ»ΡΠΆΠΈΠ²Π°Π½ΠΈΡ ΡΠΎΡΡΡΠ½ΠΎΠΊ Π±ΡΠ΄ΡΡ ΡΠ²Π΅Π»ΠΈΡΠ΅Π½Ρ Ρ ΠΏΠΎΠΌΠΎΡΡΡ ΡΠ»Π΅ΠΊΡΡΠΎΠ½Π½ΠΎΠΉ Π΄ΠΈΠ°Π³Π½ΠΎΡΡΠΈΠΊΠΈ.
Π ΠΈΡ. 3: ΠΠ·ΠΌΠ΅Π½Π΅Π½ΠΈΠ΅ Π΄Π°Π²Π»Π΅Π½ΠΈΡ Π²ΠΏΡΡΡΠΊΠ° Ρ 1996 Π³.
Π΄Π»Ρ Π΄Π²ΠΈΠ³Π°ΡΠ΅Π»Π΅ΠΉ ΡΠ΅ΡΠΈΠΈ 4000 Π‘ 1996 Π³. ΠΊΠΎΠΌΠΏΠ°Π½ΠΈΡ mtu Π½Π΅ΡΠΊΠ»ΠΎΠ½Π½ΠΎ ΠΏΠΎΠ²ΡΡΠ°Π΅Ρ Π΄Π°Π²Π»Π΅Π½ΠΈΠ΅ Π²ΠΏΡΡΡΠΊΠ° Π΄Π»Ρ Π΄Π°Π»ΡΠ½Π΅ΠΉΡΠ΅Π³ΠΎ ΡΠ½ΠΈΠΆΠ΅Π½ΠΈΡ ΡΠ°ΡΡ
ΠΎΠ΄Π° ΡΠΎΠΏΠ»ΠΈΠ²Π° ΠΈ Π²ΡΠ±ΡΠΎΡΠΎΠ² ΡΠ²Π΅ΡΠ΄ΡΡ
ΡΠ°ΡΡΠΈΡ. Π‘ 2000 Π³ΠΎΠ΄Π° ΠΊΠΎΠΌΠΏΠ°Π½ΠΈΡ mtu ΠΈΡΠΏΠΎΠ»ΡΠ·ΡΠ΅Ρ ΡΡΠΎΠ²Π΅ΡΡΠ΅Π½ΡΡΠ²ΠΎΠ²Π°Π½Π½ΡΠ΅ Π²Π΅ΡΡΠΈΠΈ ΡΠΈΡΡΠ΅ΠΌΡ Common Rail Π½Π° Π°Π²ΡΠΎΠΌΠΎΠ±ΠΈΠ»ΡΡ
ΡΠ΅ΡΠΈΠΈ 4000, ΡΡΠ΅Π΄ΠΈ ΠΏΡΠΎΡΠ΅Π³ΠΎ, Π² ΠΊΠΎΡΠΎΡΡΡ
ΠΊΠ°ΠΆΠ΄Π°Ρ ΡΠΎΠΏΠ»ΠΈΠ²Π½Π°Ρ ΡΠΎΡΡΡΠ½ΠΊΠ° ΠΈΠΌΠ΅Π΅Ρ ΡΠΎΠ±ΡΡΠ²Π΅Π½Π½ΡΠΉ ΡΠΎΠΏΠ»ΠΈΠ²Π½ΡΠΉ ΡΠ΅Π·Π΅ΡΠ²ΡΠ°Ρ. ΠΡΠ΅ΠΈΠΌΡΡΠ΅ΡΡΠ²ΠΎ ΡΠΎΡΡΠΎΠΈΡ Π² ΡΠΎΠΌ, ΡΡΠΎ Π΄Π°ΠΆΠ΅ ΠΏΡΠΈ Π±ΠΎΠ»ΡΡΠΈΡ
ΠΎΠ±ΡΠ΅ΠΌΠ°Ρ
Π²ΠΏΡΡΡΠΊΠ° ΡΠΎΠΏΠ»ΠΈΠ²Π½Π°Ρ ΡΠ°ΠΌΠΏΠ° Π½Π΅ ΠΏΠΎΠ΄Π²Π΅ΡΠΆΠ΅Π½Π° ΠΊΠΎΠ»Π΅Π±Π°Π½ΠΈΡΠΌ Π΄Π°Π²Π»Π΅Π½ΠΈΡ, Π° ΠΏΠΎΡΠ»Π΅Π΄ΠΎΠ²Π°ΡΠ΅Π»ΡΠ½ΠΎΡΡΠΈ Π²ΠΏΡΡΡΠΊΠ° ΠΎΡΠ΄Π΅Π»ΡΠ½ΡΡ
ΡΠΈΠ»ΠΈΠ½Π΄ΡΠΎΠ² Π½Π΅ ΠΌΠ΅ΡΠ°ΡΡ Π΄ΡΡΠ³ Π΄ΡΡΠ³Ρ.
Π‘ΠΈΡΡΠ΅ΠΌΠ° Solo: ΡΠΎΡΡΡΠ½ΠΊΠΈ Ρ ΡΠΎΠ±ΡΡΠ²Π΅Π½Π½ΡΠΌ ΡΠΎΠΏΠ»ΠΈΠ²Π½ΡΠΌ Π±Π°ΠΊΠΎΠΌ
ΠΠ»Π°Π³ΠΎΠ΄Π°ΡΡ ΡΠ²ΠΎΠΈΠΌ Ρ
Π°ΡΠ°ΠΊΡΠ΅ΡΠΈΡΡΠΈΠΊΠ°ΠΌ ΡΠΈΡΡΠ΅ΠΌΠ° Π²ΠΏΡΡΡΠΊΠ° Common Rail Π·Π° ΠΏΠΎΡΠ»Π΅Π΄Π½ΠΈΠ΅ Π½Π΅ΡΠΊΠΎΠ»ΡΠΊΠΎ Π»Π΅Ρ Π·Π°ΡΠ΅ΠΊΠΎΠΌΠ΅Π½Π΄ΠΎΠ²Π°Π»Π° ΡΠ΅Π±Ρ ΠΊΠ°ΠΊ ΡΡΠ°Π½Π΄Π°ΡΡΠ½ΠΎΠ΅ ΠΎΠ±ΠΎΡΡΠ΄ΠΎΠ²Π°Π½ΠΈΠ΅ Π΄Π»Ρ Π΄ΠΈΠ·Π΅Π»ΡΠ½ΡΡ
Π΄Π²ΠΈΠ³Π°ΡΠ΅Π»Π΅ΠΉ Π°Π²ΡΠΎΠΌΠΎΠ±ΠΈΠ»Π΅ΠΉ. ΠΠΏΠΈΡΠ°Π½Π½Π°Ρ Π²Π΅ΡΡΠΈΡ ΡΠΈΡΡΠ΅ΠΌΡ ΡΠ°ΠΊΠΆΠ΅ Ρ
ΠΎΡΠΎΡΠΎ ΠΏΠΎΠ΄Ρ
ΠΎΠ΄ΠΈΡ Π΄Π»Ρ ΠΈΡΠΏΠΎΠ»ΡΠ·ΠΎΠ²Π°Π½ΠΈΡ Π² ΠΏΡΠΎΠΌΡΡΠ»Π΅Π½Π½ΡΡ
Π΄Π²ΠΈΠ³Π°ΡΠ΅Π»ΡΡ
ΠΌΠ°Π»ΠΎΠΉ ΠΌΠΎΡΠ½ΠΎΡΡΠΈ. ΠΠ΄Π½Π°ΠΊΠΎ Π² ΡΠ»ΡΡΠ°Π΅ Π΄Π²ΠΈΠ³Π°ΡΠ΅Π»Π΅ΠΉ Ρ Π±ΠΎΠ»ΡΡΠΈΠΌ ΠΎΠ±ΡΠ΅ΠΌΠΎΠΌ ΡΠΈΠ»ΠΈΠ½Π΄ΡΠΎΠ² ΠΎΠ±ΡΡΠ½Π°Ρ ΡΠΈΡΡΠ΅ΠΌΠ° Common Rail Π² Π½Π°ΡΡΠΎΡΡΠ΅Π΅ Π²ΡΠ΅ΠΌΡ ΠΎΠ±Π½Π°ΡΡΠΆΠΈΠ²Π°Π΅Ρ ΡΠ²ΠΎΠΈ ΠΎΠ³ΡΠ°Π½ΠΈΡΠ΅Π½ΠΈΡ, ΠΏΠΎΡΠΊΠΎΠ»ΡΠΊΡ ΠΎΠ½ΠΈ ΡΡΠ΅Π±ΡΡΡ Π²ΠΏΡΡΡΠΊΠ° ΠΎΡΠ½ΠΎΡΠΈΡΠ΅Π»ΡΠ½ΠΎ Π±ΠΎΠ»ΡΡΠΎΠ³ΠΎ ΠΊΠΎΠ»ΠΈΡΠ΅ΡΡΠ²Π° ΡΠΎΠΏΠ»ΠΈΠ²Π° Π² ΡΠΈΠ»ΠΈΠ½Π΄Ρ Π΄Π»Ρ ΠΊΠ°ΠΆΠ΄ΠΎΠ³ΠΎ ΡΠ°ΠΊΡΠ° Π·Π°ΠΆΠΈΠ³Π°Π½ΠΈΡ.
ΠΡΠΎ Π²ΡΠ·ΡΠ²Π°Π΅Ρ ΠΏΡΠ»ΡΡΠ°ΡΠΈΠΈ Π΄Π°Π²Π»Π΅Π½ΠΈΡ Π² ΡΠΎΠΏΠ»ΠΈΠ²Π½ΠΎΠΌ ΡΠ΅Π·Π΅ΡΠ²ΡΠ°ΡΠ΅ ΡΠΈΡΡΠ΅ΠΌΡ Common Rail, ΠΊΠΎΡΠΎΡΡΠ΅ ΠΌΠΎΠ³ΡΡ ΠΌΠ΅ΡΠ°ΡΡ ΠΏΠΎΡΠ»Π΅Π΄ΡΡΡΠΈΠΌ ΠΏΠΎΡΠ»Π΅Π΄ΠΎΠ²Π°ΡΠ΅Π»ΡΠ½ΠΎΡΡΡΠΌ Π²ΠΏΡΡΡΠΊΠ°. Π‘ 2000 Π³ΠΎΠ΄Π° ΠΊΠΎΠΌΠΏΠ°Π½ΠΈΡ mtu ΠΈΡΠΏΠΎΠ»ΡΠ·ΡΠ΅Ρ ΡΡΠΎΠ²Π΅ΡΡΠ΅Π½ΡΡΠ²ΠΎΠ²Π°Π½Π½ΡΡ Π²Π΅ΡΡΠΈΡ ΡΠΈΡΡΠ΅ΠΌΡ Common Rail Π΄Π»Ρ Π΄Π²ΠΈΠ³Π°ΡΠ΅Π»Π΅ΠΉ ΡΠ΅ΡΠΈΠΉ 4000 ΠΈ 8000, Π° Ρ 2004 Π³ΠΎΠ΄Π° ΡΠ°ΠΊΠΆΠ΅ ΠΈ Π΄Π»Ρ Π΄Π²ΠΈΠ³Π°ΡΠ΅Π»Π΅ΠΉ ΡΠ΅ΡΠΈΠΈ 2000, Π² ΠΊΠΎΡΠΎΡΠΎΠΉ ΡΠΎΠΏΠ»ΠΈΠ²Π½ΡΠ΅ ΡΠΎΡΡΡΠ½ΠΊΠΈ ΠΈΠΌΠ΅ΡΡ Π²ΡΡΡΠΎΠ΅Π½Π½ΡΠΉ ΡΠΎΠΏΠ»ΠΈΠ²Π½ΡΠΉ Π±Π°ΠΊ (ΡΠΌ. ΡΠΈΡ. 4). ΠΡΠΎ ΠΏΠΎΠ·Π²ΠΎΠ»ΡΠ΅Ρ ΡΠΎΠΏΠ»ΠΈΠ²ΠΎΠΏΡΠΎΠ²ΠΎΠ΄Π°ΠΌ ΠΌΠ΅ΠΆΠ΄Ρ ΡΠΎΡΡΡΠ½ΠΊΠ°ΠΌΠΈ ΠΈ ΠΎΠ±ΡΠ΅ΠΉ ΡΠΎΠΏΠ»ΠΈΠ²Π½ΠΎΠΉ ΡΠ°ΠΌΠΏΠΎΠΉ ΠΈΠΌΠ΅ΡΡ ΠΎΡΠ½ΠΎΡΠΈΡΠ΅Π»ΡΠ½ΠΎ Π½Π΅Π±ΠΎΠ»ΡΡΠΎΠ΅ ΠΏΠΎΠΏΠ΅ΡΠ΅ΡΠ½ΠΎΠ΅ ΡΠ΅ΡΠ΅Π½ΠΈΠ΅. ΠΠΎ Π²ΡΠ΅ΠΌΡ ΠΏΠΎΡΠ»Π΅Π΄ΠΎΠ²Π°ΡΠ΅Π»ΡΠ½ΠΎΡΡΠΈ Π²ΠΏΡΡΡΠΊΠ° ΠΏΡΠΎΠΈΡΡ
ΠΎΠ΄ΠΈΡ Π»ΠΈΡΡ Π½Π΅Π·Π½Π°ΡΠΈΡΠ΅Π»ΡΠ½ΠΎΠ΅ ΠΏΠ°Π΄Π΅Π½ΠΈΠ΅ Π΄Π°Π²Π»Π΅Π½ΠΈΡ Π² ΡΠΎΠ±ΡΡΠ²Π΅Π½Π½ΠΎΠΌ ΡΠΎΠΏΠ»ΠΈΠ²Π½ΠΎΠΌ ΡΠ΅Π·Π΅ΡΠ²ΡΠ°ΡΠ΅ ΡΠΎΡΡΡΠ½ΠΊΠΈ. ΠΡΠΎ ΠΏΡΠ΅Π΄ΠΎΡΠ²ΡΠ°ΡΠ°Π΅Ρ ΠΊΠΎΠ»Π΅Π±Π°Π½ΠΈΡ Π΄Π°Π²Π»Π΅Π½ΠΈΡ Π² ΡΠΈΡΡΠ΅ΠΌΠ΅ Common Rail ΠΈ, ΡΠ»Π΅Π΄ΠΎΠ²Π°ΡΠ΅Π»ΡΠ½ΠΎ, ΠΊΡΠ°ΡΠΊΠΎΠ²ΡΠ΅ΠΌΠ΅Π½Π½ΡΡ Π½Π΅Π΄ΠΎΡΡΠ°ΡΠΎΡΠ½ΠΎΡΡΡ ΠΈΠ»ΠΈ ΠΈΠ·Π±ΡΡΠΎΡΠ½ΡΡ ΠΏΠΎΠ΄Π°ΡΡ ΡΠΎΠΏΠ»ΠΈΠ²Π° ΠΊ ΡΠΎΡΡΡΠ½ΠΊΠ°ΠΌ.
Π ΠΈΡ. 4: Π€ΠΎΡΡΡΠ½ΠΊΠ° ΡΠΎ Π²ΡΡΡΠΎΠ΅Π½Π½ΡΠΌ ΡΠΎΠΏΠ»ΠΈΠ²Π½ΡΠΌ Π±Π°ΠΊΠΎΠΌ ΠΡΠΏΠΎΠ»ΡΠ·ΠΎΠ²Π°Π½ΠΈΠ΅ ΡΠΎΡΡΡΠ½ΠΎΠΊ ΡΠΎ Π²ΡΡΡΠΎΠ΅Π½Π½ΡΠΌ ΡΠΎΠΏΠ»ΠΈΠ²Π½ΡΠΌ Π±Π°ΠΊΠΎΠΌ ΠΏΡΠ΅Π΄ΠΎΡΠ²ΡΠ°ΡΠ°Π΅Ρ ΠΊΠΎΠ»Π΅Π±Π°Π½ΠΈΡ Π΄Π°Π²Π»Π΅Π½ΠΈΡ Π² ΡΠΈΡΡΠ΅ΠΌΠ΅ Common Rail ΠΈ, ΡΠ»Π΅Π΄ΠΎΠ²Π°ΡΠ΅Π»ΡΠ½ΠΎ, ΠΊΡΠ°ΡΠΊΠΎΠ²ΡΠ΅ΠΌΠ΅Π½Π½ΡΡ Π½Π΅Π΄ΠΎΡΡΠ°ΡΠΎΡΠ½ΡΡ ΠΈΠ»ΠΈ ΠΈΠ·Π±ΡΡΠΎΡΠ½ΡΡ ΠΏΠΎΠ΄Π°ΡΡ ΡΠΎΠΏΠ»ΠΈΠ²Π° ΠΊ ΡΠΎΡΡΡΠ½ΠΊΠ°ΠΌ.
ΠΠ½Π΄ΠΈΠ²ΠΈΠ΄ΡΠ°Π»ΡΠ½ΡΠ΅ ΡΠ΅ΡΠ΅Π½ΠΈΡ Π΄Π»Ρ Π³ΠΈΠ±ΠΊΠΎΠ³ΠΎ ΠΈΡΠΏΠΎΠ»ΡΠ·ΠΎΠ²Π°Π½ΠΈΡ ΡΠΎΠΏΠ»ΠΈΠ²Π°
Π‘ ΠΏΠΎΠ²ΡΡΠ΅Π½ΠΈΠ΅ΠΌ ΡΡΠΎΠ²Π½Ρ ΡΠ΅Ρ
Π½ΠΈΡΠ΅ΡΠΊΠΈΡ
Ρ
Π°ΡΠ°ΠΊΡΠ΅ΡΠΈΡΡΠΈΠΊ ΡΠΈΡΡΠ΅ΠΌ Π²ΠΏΡΡΡΠΊΠ° ΡΠ°ΠΊΠΆΠ΅ Π²ΠΎΠ·ΡΠ°ΡΡΠ°ΡΡ ΡΡΠ΅Π±ΠΎΠ²Π°Π½ΠΈΡ ΠΊ ΡΠΈΡΡΠΎΡΠ΅ ΠΈ ΠΊΠ°ΡΠ΅ΡΡΠ²Ρ ΡΠΎΠΏΠ»ΠΈΠ²Π°. ΠΡΠΈ ΡΡΠΎΠΌ ΡΠΎΠΏΠ»ΠΈΠ²ΠΎ Π΄ΠΎΠ»ΠΆΠ½ΠΎ ΡΠΎΠΎΡΠ²Π΅ΡΡΡΠ²ΠΎΠ²Π°ΡΡ Π·Π°ΡΠ°Π½Π΅Π΅ Π·Π°Π΄Π°Π½Π½ΡΠΌ Π·Π½Π°ΡΠ΅Π½ΠΈΡΠΌ Π²ΡΠ·ΠΊΠΎΡΡΠΈ ΠΈ ΡΠΌΠ°Π·ΡΠ²Π°ΡΡΠ΅ΠΉ ΡΠΏΠΎΡΠΎΠ±Π½ΠΎΡΡΠΈ, ΠΊΠ°ΠΊ ΠΊΠΎΠΌΠΏΠΎΠ½Π΅Π½ΡΡ Π²ΡΡΠΎΠΊΠΎΠ³ΠΎ Π΄Π°Π²Π»Π΅Π½ΠΈΡ 9.ΠΠ°ΡΠΎΡΡ ΠΈ ΡΠΎΡΡΡΠ½ΠΊΠΈ 0137 ΡΠΌΠ°Π·ΡΠ²Π°ΡΡΡΡ ΡΠΎΠΏΠ»ΠΈΠ²ΠΎΠΌ. ΠΠ½ ΡΠ°ΠΊΠΆΠ΅ Π΄ΠΎΠ»ΠΆΠ΅Π½ Π±ΡΡΡ ΡΠ²ΠΎΠ±ΠΎΠ΄Π΅Π½ ΠΎΡ ΠΊΠ°ΠΊΠΈΡ
-Π»ΠΈΠ±ΠΎ Π·Π°Π³ΡΡΠ·Π½Π΅Π½ΠΈΠΉ, ΠΊΠΎΡΠΎΡΡΠ΅ ΠΌΠΎΠ³ΡΡ ΠΏΡΠΈΠ²Π΅ΡΡΠΈ ΠΊ Π°Π±ΡΠ°Π·ΠΈΠ²Π½ΠΎΠΌΡ ΠΏΠΎΠ²ΡΠ΅ΠΆΠ΄Π΅Π½ΠΈΡ ΠΏΡΠΈ Π²ΡΡΠΎΠΊΠΈΡ
Π΄Π°Π²Π»Π΅Π½ΠΈΡΡ
. ΠΠΎΡΡΠΎΠΌΡ Π΄Π»Ρ ΠΎΠ±Π΅ΡΠΏΠ΅ΡΠ΅Π½ΠΈΡ ΠΏΡΠ°Π²ΠΈΠ»ΡΠ½ΠΎΠΉ ΡΠ°Π±ΠΎΡΡ Π΄Π²ΠΈΠ³Π°ΡΠ΅Π»Ρ ΠΌΠΎΠΆΠ½ΠΎ ΠΈΡΠΏΠΎΠ»ΡΠ·ΠΎΠ²Π°ΡΡ ΡΠΎΠ»ΡΠΊΠΎ Π΄ΠΈΠ·Π΅Π»ΡΠ½ΠΎΠ΅ ΡΠΎΠΏΠ»ΠΈΠ²ΠΎ, ΠΎΠ΄ΠΎΠ±ΡΠ΅Π½Π½ΠΎΠ΅ Π΄Π»Ρ Π΄Π°Π½Π½ΠΎΠ³ΠΎ ΠΏΡΠΈΠΌΠ΅Π½Π΅Π½ΠΈΡ ΠΈ ΠΎΡΠ²Π΅ΡΠ°ΡΡΠ΅Π΅ ΠΏΡΠΈΠΌΠ΅Π½ΠΈΠΌΡΠΌ ΡΡΠ°Π½Π΄Π°ΡΡΠ°ΠΌ. ΠΠΎ Π·Π°ΠΏΡΠΎΡΡ ΠΊΠ»ΠΈΠ΅Π½ΡΠ° MTU ΠΏΡΠΎΠ²ΠΎΠ΄ΠΈΡ Π°Π½Π°Π»ΠΈΠ·Ρ Π΄Π»Ρ ΡΡΠ²Π΅ΡΠΆΠ΄Π΅Π½ΠΈΡ Π΄ΡΡΠ³ΠΈΡ
Π²ΠΈΠ΄ΠΎΠ² ΡΠΎΠΏΠ»ΠΈΠ²Π° Π² Π·Π°Π²ΠΈΡΠΈΠΌΠΎΡΡΠΈ ΠΎΡ ΠΊΠΎΠ½ΠΊΡΠ΅ΡΠ½ΠΎΠ³ΠΎ ΠΏΡΠΈΠΌΠ΅Π½Π΅Π½ΠΈΡ Π² ΡΠ΅ΡΠ½ΠΎΠΌ ΡΠΎΡΡΡΠ΄Π½ΠΈΡΠ΅ΡΡΠ²Π΅ Ρ Π±ΡΠ΅Π½Π΄ΠΎΠΌ Rolls-Royce Power Systems LβOrange ΠΈΠ»ΠΈ Π°Π»ΡΡΠ΅ΡΠ½Π°ΡΠΈΠ²Π½ΡΠΌΠΈ ΠΏΠΎΡΡΠ°Π²ΡΠΈΠΊΠ°ΠΌΠΈ. ΠΡΠΈ Π½Π΅ΠΊΠΎΡΠΎΡΡΡ
ΠΏΡΠΈΠΌΠ΅Π½Π΅Π½ΠΈΡΡ
, Π½Π°ΠΏΡΠΈΠΌΠ΅Ρ, ΠΎΡΡΡΡΡΡΠ²ΠΈΠ΅ ΡΠΌΠ°Π·ΠΊΠΈ
ΡΠ²ΠΎΠΉΡΡΠ²Π° ΡΠΎ ΡΡΠΎΡΠΎΠ½Ρ ΡΠΎΠΏΠ»ΠΈΠ²Π° ΠΌΠΎΠΆΠ½ΠΎ ΠΊΠΎΠΌΠΏΠ΅Π½ΡΠΈΡΠΎΠ²Π°ΡΡ ΡΠΏΠ΅ΡΠΈΠ°Π»ΡΠ½ΡΠΌΠΈ ΠΏΠΎΠΊΡΡΡΠΈΡΠΌΠΈ Π½Π° ΡΠΈΡΡΠ΅ΠΌΠ΅ Π²ΠΏΡΡΡΠΊΠ°.

ΠΡΠΎ ΠΎΠ±Π΅ΡΠΏΠ΅ΡΠΈΠ²Π°Π΅Ρ ΡΡΠΊΠΎΡΠ΅Π½ΠΈΠ΅ ΠΏΡΠΎΡΠ΅ΡΡΠ° ΡΠ°ΠΌΠΎΠ²ΠΎΡΠΏΠ»Π°ΠΌΠ΅Π½Π΅Π½ΠΈΡ. ΠΠ»Ρ ΡΠ°Π±ΠΎΡΠ°ΡΡΠ΅Π³ΠΎ Π½Π° ΠΏΠΎΠ»Π½ΠΎΠΉ ΠΌΠΎΡΠ½ΠΎΡΡΠΈ ΠΌΠΎΡΠΎΡΠ° ΠΏΡΠ΅Π΄Π²Π°ΡΠΈΡΠ΅Π»ΡΠ½ΡΠΉ Π²ΠΏΡΡΡΠΊ Π½Π΅ Π²ΡΠΏΠΎΠ»Π½ΡΠ΅ΡΡΡ. ΠΠ° Ρ
ΠΎΠ»ΠΎΡΡΡΡ
ΠΎΠ±ΠΎΡΠΎΡΠ°Ρ
Π½Π΅ΠΎΠ±Ρ
ΠΎΠ΄ΠΈΠΌΡ Π΄Π²Π° ΠΏΡΠ΅Π΄Π²Π°ΡΠΈΡΠ΅Π»ΡΠ½ΡΡ
Π²ΠΏΡΡΡΠΊΠ°, ΠΎΠ΄ΠΈΠ½ Π²ΠΏΡΡΡΠΊ Π½ΡΠΆΠ΅Π½ ΠΏΡΠΈ ΡΠ²Π΅Π»ΠΈΡΠ΅Π½ΠΈΠΈ ΠΎΠ±ΠΎΡΠΎΡΠΎΠ².
ΠΠΎΠ±Π°Π²ΠΈΡΡ ΠΊΠΎΠΌΠΌΠ΅Π½ΡΠ°ΡΠΈΠΉ