Двухлинейные двухпозиционные гидрораспределители: Классификация золотниковых гидрораспределителей | Гидравлическое оборудование
Классификация золотниковых гидрораспределителей | Гидравлическое оборудование
Гидрораспределители: направляющие и дросселирующие
Устройство гидрораспределения, в котором направление потока жидкости измененяется или перекрывается в результате максимального полного открытия или перекрывания проходных сечений, называетсят направляющим гидрораспределителем.
5 классификаций направляющих гидрораспределителей
- По конструкции запорно-регулирующего элемента
- золотниковые – просты в изготовлении, надёжно работают при давлении не выше 32 МПа,
- крановые механизмы – поворотный кран чаще цилиндрической, шарообразной, реже конической или плоской формы.
- клапанные – при давлении свыше 32 МПа обеспечивают герметическое перекрытие гидролиний, что позволяет надолго оставлять их в неподвижном состоянии. Но, в отличие от золотниковых аналогов, имеют больший вес и размеры.

Запорный элемент-клапан выполнен в форме конуса или шара, - струйные – отсутствие подвижных частей позволяет использование в условиях применения загрязненных жидкостей
- По числу внешних гидролиний
- на двухлинейные – две гидролинии внешние,
- трехлинейные – три
- четырех-из четырёх линий
- пятилинейные реже
- По числу позиций запорно-регулирующего элемента
- на двухпозиционные – промежуточных “рабочих положений” два крайних,
- трехпозиционные – три позиции и т.д.
- По виду управления
- с ручным – управление от поворотной кнопки или рукоятки,
- механическое управление – от кулачка,
- электрическое управление — от электрического тока, постоянного/переменного, толкающего электромагнита,
- с гидравлическим управлением
- ножное — от специальной педали
- пневматическое;
- электрогидравлическое;от пилота — вспомогательного распределителя.

5. По числу запорно-регулирующих элементов:
- одноступенчатые,
- двухступенчатые и т.д.
Устройство, в котором направление потока жидкости измененяется или перекрывается в нескольких гидролиниях одновременно в результате управляющего внешнего воздействия, названо дросселирующим. Практически, представляет комбинацию направляющего гидрораспределителя и регулируемых гидродросселей с управлением.
Гидрораспределители
5.4. Клапанные гидрораспределители
В гидросистемах некоторых машин применяют также клапанные распределители, которые просты в изготовлении и надежны в эксплуатации, а также могут обеспечить высокую герметичность.
Затвора клапанов приводят в действие ручными, механическими и электротехническими устройствами. Из ручных
устройств наиболее распространены клапаны с качающимся рычагом, схема которого для питания одной полости
гидродвигателя приведена на рис.
5.10, а.
Рис.5.10. Клапанные распределители:
а, б – с качающимся рычагом; в – с кулачковым приводом;
г – с электромагнитным приводом
В клапанном распределителе (см.рис.5.10, а) в нейтральном (среднем) положении качающегося рычага 1 оба клапана 2 и 3 находятся в своих гнездах; в этом положении клапанов канал b гидродвигателя отсоединен как от канала a, связанного с насосом, так и от канала c, связанного с баком. При повороте рычага 1 вправо с гидродвигателем соединяется канал a насоса, при повороте влево – канал c бака.
Схема четырехходового клапанного распределителя представлена на рис.5.10, б. При повороте рукоятки 1 перемещается та или другая пары клапанов 2 или 3, обеспечивая подвод (отвод) жидкости к соответствующей полости силового цилиндра 4.
Распространены также клапаны с кулачковым приводом (рис.5.10, в). На валике 3 находятся четыре кулачка 2,
соответствующим образом ориентированные один относительно другого. При повороте валика кулачки воздействуют на
штоки соответствующего конусного затвора 1, обеспечивая подвод рабочей жидкости в полости илового цилиндра 5
и ее отвод.
В положении, показанном на рассматриваемом рисунке, жидкость от канала, связанного с насосом,
поступает через открытый (утопленный) затвор 4 в левую полость силового цилиндра 5 и удаляется в бак из правой
полости цилиндра через клапан. Остальные два затвора находятся в своих седлах. При повороте валика вступают в
действие эти затворы, обеспечивая подвод жидкости в правую полость цилиндра 5 и отвод ее из левой полости.
На рис.5.10, г представлена схема трехпозиционного клапанного распределителя прямого действия с двумя клапанами 1 и 4, управляемыми электромагнитами 2 и 3. При выключенных электромагнитах оба клапана прижаты пружинами к своим седлам. При этом магистраль нагнетания перекрыта, а полости гидродвигателя соединены со сливом.
При включении электромагнита 2 клапан 1, сжимая пружину, переместится в крайнее левое положение и прижмется
к левому седлу. В этом положении одна из полостей потребителя соединится с напорной магистралью. При
включенном электромагните 3 и выключенном электромагните 2 сработает клапан 4, соединив вторую полость
потребителя с магистралью нагнетания.
Наверх страницы
Гидрораспределитель РММ10.64 – Гидростандарт интернет-представительство ООО Титан Техникс
Гидрораспределитель РММ10.64 ( с ручным управлением без фиксации ручкиНазначение и область примененияЗолотниковые гидрораспределители РММ
10.64 предназначены для управления ( изменения направления или пуска и останова потоками рабочих жидкостей в гидравлических системах. Переключение положения золотника происходит с помощью управляющего элемента – рычага, передающего усилие руки.Гидравлические распределители типа ВММ10.64 являются трехпозиционными с управлением от рычага, с условным проходом 10 мм, с фиксацией золотника в крайних положениях.
Ход золотника равен 3,2 мм.
По виду присоединения гидрораспределители имеют стыковое исполнение. Гидравлические распределители нашли широкое применение в машиностроении, металлургии, легкой промышленности и дорожно-строительной технике.
Применяется в гидравлических системах станков , прессов, гидроагрегатах, гидролиниях в т.ч. с полуавтоматическим циклом работы, всевозможных стационарных и мобильных машинах с давлением до 32 МПа.
Гидрораспределители масляные работают на минеральных маслах с кинетической вязкостью от 10 до 400 мм²/с с номинальной тонкостью фильтрации не грубее 25 мкм (максимальная степень загрязнения ― класс 9 по NAS 1638).
Разрешается эксплуатация распределителей при температуре окружающей среды от 0 до +55°С. (температура рабочей жидкости в пределах от 0 до +70°С )
Климатическое исполнение и категория размещения: УХЛ4, О4, ХЛ1 по ГОСТ 15150.
Данная схема распределения ― 64 ― является наиболее востребованной для современных нужд машиностроения.
Состав, устройство и составные части гидрораспределителя РММ10.64Ф
Основными элементами распределителя ВММ10.64Ф являются: корпус (1), исполнительный элемент (2), золотник (3) и одна или две возвратные пружины (4), фиксатор (5),.
Базовой деталью гидрораспределителя ВММ10.64Ф является пятиканавочный корпус, в котором выполнены основные каналы:
P – отверстие для входа рабочей жидкости под давлением;
А и В – отверстия для соединений к другим гидроустройствам;
Т – отверстие для выхода рабочей жидкости в бак.
Полости “Т” внутри объединены между собой. В центральном отверстии корпуса диаметром 16 мм расположен золотник. Золотник приводится в действие поводком узла управления, в качестве которого используется рычаг. Узел управления крепится с торцевой стороны корпуса гидрораспределителя.
При отсутствии управляющего сигнала золотник удерживается пружиной и фиксатором в среднем или в исходном положении (кроме импульсного золотника). Переключение золотника осуществляется рычагом, передающим усилие руки.
Рычаг через поводок перемещает управляющий золотник из исходного положения в заданную (крайнюю или нейтральную) позицию, где он фиксируется.
Для ограничения расхода рабочей жидкости в отверстие Р может быть установлена диафрагма.
Для удобства монтажа гидрораспределитель может быть снабжён присоединительной (монтажной) плитой типа 114756.00 .
Технические характеристики РММ10.64
|
Наименование параметра |
Значение параметра |
|
Схема распределения |
64 |
|
Условный проход, мм |
10 |
|
Расход рабочей жидкости, л/мин |
20 |
|
Максимальный расход, л/мин |
До 45 |
|
Номинальное давление на входе, МПа (кгс/см²) |
32 (320) |
|
Максимальное давление на выходе, МПа (кгс/см²) |
15 (150) |
|
Давление управления, МПа (кгс/см²) |
0,8-6,0 (8-60) |
|
Максимальное рабочее давление, бар: |
315 |
|
Масса не более, кг |
3,85 |
Преимущества нашей компании и почему стоит покупать у нас
-
Широкая гамма импортных гидрораспределителей ведущих заводов гидравлики с ручным, электромагнитным, гидравлическим управлением , а также гидромоторов, гидронасосов, клапанов и прочего гидравлического и пневматического оборудования импортного и отечественного производства
-
Высокое качество поставляемой гидравлики и пневматики
-
Гарантия 24 месяца на импортную гидравлику, 12 месяцев на отечественную гидравлику
-
Консультация ведущих специалистов и подбор нужного компонента гидравлики на ваше оборудование, подбор аналогов.
-
Вся продукция всегда в наличии на складе или в случае отсутствия гарантированная поставка в кратчайшие сроки
-
Гибкая система скидок для оптовых и постоянных клиентов
-
Работаем по всей Украине, возможна отправка наложенным платежом , доставка продукции в любую точку Украины всеми транспортными компаниями как Новая почта, САТ, Ин-Тайм, Автолюкс, Деливери
-
Все поставляемое оборудование новое и соответствует стандартам
Уважаемые клиенты, возможно вы ищете другой гидрораспределитель?
Сообщите нам и наш квалифицированный специалист будет рад помочь подобрать гидрораспределитель, который Вам нужен. Для этого Вам нужно лишь указать необходимые технические характеристики гидрораспределителя, например: принцип его работы, эскиз, устройство или область применения требуемого Вам оборудования.
Наши специалисты бесплатно предоставят консультацию по подбору аналога любого гидравлического или пневматического оборудования , как и отечественного, так и импортного производства ведущих заводов гидравлики Италии, Польши, Турции.
По всем вопросам приобретения оборудования обращайтесь по телефонам или электронным адресам, указанным на сайте. Обращаем Ваше внимание, что в связи с частыми изменениями ценовой конъюнктуры, просьба уточнять цены в отделе продаж
В случае отсутствия в перечне необходимой Вам продукции, свяжитесь с менеджерами компании по телефону или электронной почте и Вам окажут всю необходимую помощь в подборе оборудования или его аналогов.
|
Гидрораспределитель |
№ |
Гидросхема |
Расход |
Фиксация |
|
РММ10.64 |
64 |
|
20 |
без фиксации
|
Типы гидравлических систем и их принципиальные схемы
На принципиальной схеме изображена конструкция гидравлической системы.
Отдельные гидроприборы обозначены условными знаками согласно ГОСТу-2.782 и соединены друг с другом.
Соединения отдельных магистралей обозначены на принципиальных схемах линиями.
С помощью принципиальной схемы можно разобраться в режиме работы гидросистемы.
К подробным функциональным схемам, как правило, прилагается еще и диаграмма работы гидросистемы, позволяющая точно воспроизвести последовательность включения отдельных установок или машин.
Анализируя принципиальные схемы, можно сказать, что элементы схем повторяются в различных гидросистемах.
Блок: 1/14 | Кол-во символов: 623
Источник: https://hydro-maximum.com.ua/a324109-tipy-gidravlicheskih-sistem.html
Принцип действия
Гидрораспределители делают из высококачественной стали, модифицированного чугуна или бронзы. Некоторые элементы обрабатывают для дополнительной защиты: их азотируют, цементируют и т. п. Размер и вес зависят от объемов рабочей жидкости. Чем ее больше проходит через систему, тем обычно внушительнее габариты и масса.
Рассмотрим элементарную схему работы гидравлического распределителя. В исходном состоянии жидкость из насоса не поступает в гидроцилиндр. Как только оператор смещает запорно-регулирующий механизм в какую-то сторону, она начинает поступать в соответствующую полость цилиндра, заставляя поршень начать движение. Жидкость, которую поршень начал вытеснять, спускается в бак. После выполнения задачи оператор возвращает механизм в начальное положение.
Устройства могут быть направляющими или дросселирующими. В первом случае распределитель только открывает или закрывает проходы для жидкости. В дросселирующих моделях предусмотрена возможность регулировать величину потока. Это происходит благодаря способности запорно-регулирующего механизма открывать канал не только целиком, но и частично. Плюсом подобных конструкций является отсутствие резких ударов при включении/отключении механизма.
ОСТАВИТЬ ЗАЯВКУ
Получить консультацию:
Ваше сообщение было успешно отправлено!
Наши специалисты скоро свяжутся с Вами!
Блок: 2/4 | Кол-во символов: 1384
Источник: https://ctois.
ru/poleznaya-informaciya/gidroraspredeliteli-opisanie-princip-raboty-oblasti-primeneniya
Простая (открытая) гидросистема
На рисунке изображена простая гидравлическая система. Насос 1 с нерегулируемой подачей всасывает рабочую жидкость из резервуара и подает ее в гидравлическую систему. Распределитель с ручным управлением 4 находится в нейтральном положении. Рабочая жидкость циркулирует из насоса в бак 2 почти без напора. Распределитель удерживается в нейтральном положении с помощью двух пружин (центрирующие пружины). При включении распределителя 4 (левое положение, обозначенное параллельными стрелками) рабочая жидкость поступает в полость поршня гидроцилиндра 5. Шток поршня выдвигается. Скорость выдвижения зависит от подачи насоса и размера гидроцилиндра (площади поршня). Усилие, возникающее на штоке поршня, зависит от площади поршня и максимального давления в гидросистеме. Максимальное давление в гидросистеме и, следовательно, нагрузка гидросистемы регулируется с помощью клапана ограничения давления 3. Величина давления в гидросистеме определяется преодолеваемым сопротивлением потребителя и измеряется манометром 6. |
Блок: 2/14 | Кол-во символов: 1049
Источник: https://hydro-maximum.com.ua/a324109-tipy-gidravlicheskih-sistem.html
Гидросистема с распределителями последовательного включения
Если удлинить магистраль слива первого гидравлического распределителя простой гидросистемы, установив на ней один или несколько распределителей, то мы получим так называемое последовательное включение.
При последовательном включении необходимо, чтобы сила и скорость включаемых одновременно потребителей регулировалась.
Точнее говоря, дело обстоит следующим образом. Чтобы привести в движение гидроцилиндр 2, необходимо давление, соответствующее силе подъема и площади поршня. Это давление действует на кольцевую поверхность поршня цилиндра 1. Действующее на цилиндр 1 давление складывается из внешнего усилия, действующего на шток поршня, и давления, состоящего из давления, действующего на цилиндр 2, и площади кольцовой поверхности поршня цилиндра 1.
Если давление, действующее на цилиндр 1, больше суммы действующих сил, то оба гидроцилиндра выдвигаются. Отношение скоростей движения гидроцилиндров 1 и 2 пропорционально отношению плошади поршня цилиндра 2 к кольцевой поверхности цилиндра 1.
Циркулирующая гидравлическая жидкость через фильтр сливается в бак.
Параллельное включение элементов распределителей
Каждый распределитель соединен с каналом Р, все потребители управляются одновременно.
Распределение рабочей жидкости производится в соответствии с сопротивлением в гидросистемах потребителей.
Параллельное включение элементов распределителей
Каждый распределитель соединен с каналом Р, все потребители управляются одновременно.
Распределение рабочей жидкости производится в соответствии с сопротивлением в гидросистемах потребителей.
Сдвоенная схема
Подача рабочей жидкости производится только через циркуляционный канал.
Потребители включаются не одновременно.
Эта схема применяется в качестве предохранительной схемы.
Последовательное включение
Используется слив рабочей жидкости.
Рабочая жидкость от потребителя 1 сливается в распределитель 2.
Таким образом, потребитель 2 имеет принудительное управление, т.е. скорости потребителей зависят от подачи рабочей жидкости, а рабочие давления суммируются.
Блок: 3/14 | Кол-во символов: 2145
Источник: https://hydro-maximum.com.ua/a324109-tipy-gidravlicheskih-sistem.html
Классификация распределителей
Гидрораспределители разделяют по типу запорно-регулирующих элементов на золотниковые, крановые, клапанные, струйные и распределители типа «сопло-заслонка».
Золотниковые распределители получили наибольшее распространение в гидроприводе благодаря простоте их изготовления, компактности и высокой надёжности в работе. Они применяются при весьма высоких значениях давления (до 32 МПа) и значительно бо́льших расходах, чем крановые распределители.
Крановые распределители в гидроприводе нашли самое широкое применение. Конструктивно их запорный элемент выполнен в виде цилиндрической, конической, шаровой пробки или в виде плоского поворотного крана.
Клапанные распределители. Главным недостатком наиболее распространённых золотниковых распределителей являются утечки, которые не позволяют удерживать гидродвигатель под нагрузкой в неподвижном состоянии, а также невозможность работы при высоких давлениях (свыше 32 МПа). В таких случаях для позиционного переключения предпочтительны клапанные распределители, имеющие увеличенные по сравнению с золотниками размеры и массу, но позволяющие герметически перекрывать гидролинии. Клапанные распределители применяются, в основном, в гидросистемах, в которых необходимо обеспечить хорошую герметичность. Для этого запорный элемент распределителя выполняют, как правило, в виде конического или шарового клапана.
В гидрораспределителе типа «сопло-заслонка» используется принцип построения гидравлических делителей давления.
К достоинствам струйных распределителей относится низкая чувствительность к загрязнению рабочей жидкости , которая обусловлена отсутствием подвижных частей в таких распределителях.
Блок: 3/7 | Кол-во символов: 1678
Источник: https://ru.wikipedia.org/wiki/%D0%93%D0%B8%D0%B4%D1%80%D0%B0%D0%B2%D0%BB%D0%B8%D1%87%D0%B5%D1%81%D0%BA%D0%B8%D0%B9_%D1%80%D0%B0%D1%81%D0%BF%D1%80%D0%B5%D0%B4%D0%B5%D0%BB%D0%B8%D1%82%D0%B5%D0%BB%D1%8C
Гидрораспределители типы конструкция работа маркировка
Гидрораспределители подразделяются:
по конструкции запорно-регулирующего элемента — на золотниковые, крановые и клапанные;
числу внешних гидролиний — на двухлинейные, трехлинейные и т.д.;
числу характерных позиций запорно-регулирующего элемента — на двухпозиционные, трехпозиционные и т.д.;
виду управления — на распределители с ручным, механическим, электрическим и гидравлическим управлением;
числу запорно-регулирующих элементов — на одноступенчатые, двухступенчатые и т.
д.
В условном обозначении гидрораспределителя (рис. 1) указывают число его позиций (I, II), внешние гидролинии (А, Д Р, Т7), подводимые к распределителю, их соединение, а также способ управления (ГОСТ 2.871-68*).
Число позиций изображают соответствующим числом квадратов (прямоугольников). Проходы изображают прямыми линиями со стрелками, показывающими направление потоков рабочей жидкости в каждой позиции, а места соединений проходов выделяют точками; закрытый проход изображают тупиковой линией с поперечной черточкой. Внешние гйдролинии подводят только к исходной позиции. Способ управления распределителем указывают знаками, примыкающими к торцам обозначения распределителя.
Чтобы представить работу гидрораспределителя в некоторой рабочей позиции, необходимо мысленно передвинуть соответствующий этой позиции квадрат обозначения на место квадрата исходной позиции, оставляя линии связи в прежнем положении. Тогда истинные направления потока рабочей жидкости укажут стрелки, имеющиеся в этом квадрате.
Условные обозначения едины для золотниковых, крановых и клапанных гидрораспределителей, т.е. условное обозначение не отражает конструкцию их запорно-регулирующих элементов.
Кроме графических обозначений гидрораспределителей, приводят также их цифровые обозначения в виде дроби: в числителе указывают число подведенных к гидрораспределителю внешних гидролиний, в знаменателе — число его рабочих (характерных) позиций. Например, четырехлинейный трехпозиционный гидрораспределитель обозначают дробью 4/3 (см. рис. 1, г).
Запорно-регулирующие элементы (золотник, кран, клапан) в направляющих гидрораспределителях всегда занимают фиксированные позиции по принципу «полностью открыто» или «полностью закрыто». Поэтому направляющий гидрораспределитель практически не влияет на давление и расход потока рабочей жидкости, проходящей через него.
Блок: 2/3 | Кол-во символов: 2416
Источник: https://remgidro.ru/remont-gidroraspredelitelej/gidroraspredeliteli-skhema-ustrojstvo
Гидравлическая система с параллельным включением нескольких распределителей
Насос 1, подача которого регулируется с помощью регулирующего двигателя 2, всасывает отфильтрованную жидкость и подает ее в соседнюю гидросистему.
Через магистральные ответвления и гидравлические распределители 5, 6 и 7 рабочая жидкость поступает в гидроцилиндры 8, 9 и 10.
Распределители и, следовательно, потребители, расположены параллельно.
На схеме распределители 5 и 6 в нейтральном положении перекрывают точки подключения Р, А, В и Т.
Когда распределитель 7 находится в правом положении, точка подключения Р закрыта.
Клапан ограничения давления 3 регулирует давление в гидросистеме перед распределителями, которого величина снимается нажатием клавиши 3/2-распределителя 4 на манометру.
В качестве потребителей на схеме изображены телескопический гидроцилиндр двустороннего действия 8, дифференциальный гидроцилиндр 9 с постоянным демпфированием поршня и гидроцилиндр одностороннего действия и возвратной пружиной 10.
При параллельном включении нескольких цилиндров могут двигаться одновременно лишь в том случае, если имеется достаточное количество рабочей жидкости, с помощью которой можно поддержать необходимое рабочее давление.
В противном случае давление устанавливается по минимальному сопротивлению, то есть вначале выдвигается цилиндр с минимальным давлением.
Когда первый цилиндр достиг конечного положения, давление нарастает, достигая величины, требуемой для выдвижения следующего цилиндра. Выдвижение цилиндров происходит поочередно в зависимости от давления, требуемого для преодоления нагрузки.
Блок: 4/14 | Кол-во символов: 1596
Источник: https://hydro-maximum.com.ua/a324109-tipy-gidravlicheskih-sistem.html
Принцип работы
Устройство гидрораспределителя выглядит следующим образом (см. схему):
В начале рабочего цикла жидкая масса сразу не поступает внутрь гидравлического цилиндра из заборного насоса. Для этого оператором смещается запорная арматура в нужное положение – и вода проходит в цилиндрическую полость. Поршни приходят в движение, вытесняют жидкость – она спускается в специальный бак. Затем цикл завершается возвращением механизма к исходной позиции.
Гидрораспределители работают на двух принципах: направляющем и дросселирующем. Направляющий принцип действует в отношении закрывания и открывания прохода для жидкой массы. Дросселирующие варианты механизмов могут регулировать мощность потока, сокращать или увеличивать его объем. Здесь можно открывать канал частично или полностью на усмотрение оператора.
Преимущество гидроусилителя на дросселирующей основе – нет резкой тряски в момент запуска механизмов или при отключении, малая вероятность поломки.
Блок: 2/4 | Кол-во символов: 999
Источник: https://remgydromash.ru/info/remont/gidroraspredeliteli-vidy-rabota-primenenie/
Золотниковые распределители
Клапанные распределители обеспечивают лучшую герметичность, они способны работать при большем давлении чем золотниковые.
Распределители с золотником более компактны, они позволяют обеспечить плавное перекрытие рабочих окон, что важно при наличии больших инерционных масс.
Рассмотрим подробнее устройство, характеристики и принцип работы золотниковых распределителей, получивших широкое распространение.
Число положений гидравлического распределителя
Количество вариантов вариантов соединения гидролиний распределителем называют числом положении. Наибольшее распространение получили двух- и трехпозиционые распределители.
Нейтральным называют положение, при котором золотник устанавливается в неактивном состоянии под воздействие посоятнно действующих сил (например усилия пружины).
Количество подводимых линий
Распределители могут различаться по количеству подводимых линий, наиболее часто применяются четырех линейные гидрораспределители, к ним подводится 4 линии:
- p — давление
- t — слив
- a — выход а (например, подвод жидкости в поршневую полость гидроцилиндра)
- b — выход b (например, подвод рабочей жидкости в штоковую полость гидравлического цилиндра)
Блок: 6/11 | Кол-во символов: 1184
Источник: https://MyTooling.ru/instrumenty/gidroraspredeliteli-tipy-konstrukcija-rabota
Гидравлическая система с трехкаскадным дистанционным ограничителем давления
Если в гидравлической установке возникает необходимость применить трехкаскадное управление давлением, то это делается путем подключения двух дополнительных клапанов ограничения давления или двух клапанов предварительного управления.
На принципиальной схеме изображен клапан ограничения давления 1 с предварительным управлением, который с помощью распределителя 2 соединяется с одним из двух клапанов предварительного управления 3 или 4.
Когда гидравлический распределитель 2 находится в нейтральном положении, клапаны 3 и 4 соединяются с баком. Давление в гидросистеме устанавливается на клапане ограничения давления 1. Когда к распределителю 2 подключается напорный клапан 3 или 4 (в данном случае клапаны предварительного управления), то давление подается одновременно на клапан 1 и 3 или 4. Это означает, что на клапане 1 устанавливается максимальное рабочее давление. а в подключенном напорном клапане 3 или 4 более низкое давление. Эта схема может применяться и в качестве дистанционного управления гидроцилиндрами.
Блок: 5/14 | Кол-во символов: 1100
Источник: https://hydro-maximum.com.ua/a324109-tipy-gidravlicheskih-sistem.html
Типы гидрораспределителей
В зависимости от типа запорно-регулирующего элемента различают клапанные и золотниковые распределители.
- Золотниковые
- Прямого действия
- Ручное управление
- Механическое управление
- Электрическое управление
- Гидравлическое управление
- Пневматическое управление
- Непрямого действия
- Электрогидравлическое управление
- Прямого действия
- Клапанные
- Прямого действия
- Ручное управление
- Механическое управление
- Электрическое управление
- Гидравлическое управление
- Пневматическое управление
- Непрямого действия
- Электрогидравлическое управление
- Прямого действия
Блок: 2/6 | Кол-во символов: 553
Источник: http://www.hydro-pnevmo.ru/topic.php?ID=55
Гидравлическая система с дифференциальным включением цилиндра
Широко распространена так называемая дифференциальная схема. Особенность этой схемы является то, что в полости штока 1 гидроцилиндра постоянно находится сжатая рабочая жидкость, а полость поршня 2 через трехходовой распределитель 3 нагружается или разгружается в направлении бака. Отношение действующих на шток поршня сил соответствует отношению площадей сторон поршня и штока. Отсюда и название «дифференциальная схема». Эта схема применяется в гидравлических зажимах с малогабаритными насосами. При выдвижении штока поршня рабочая жидкость 4 вытесняется из полости штока и вместе с рабочей жидкостью насоса 5 подается на противоположную сторону в полость поршня. Разумеется, при применении подобной схемы следует помнить, что усилие штока поршня соответствует разности площадей поверхности поршня и кольцевой поверхности поршня, иными словами, это усилие соответствует площади штока поршня. Если выбранное нами отношение площадей кольцевой поверхности поршня и поверхности поршня составляет 1:2, то скорость выдвижения и скорость возврата штока поршня дифференциального цилиндра одинаковы. В этом состоит преимущество данной схемы. |
Блок: 6/14 | Кол-во символов: 1212
Источник: https://hydro-maximum.
com.ua/a324109-tipy-gidravlicheskih-sistem.html
Гидравлическая система с двойной блокировкой гидроцилиндра
В этой гидросистеме, если необходимо зажать гидроцилиндр в обоих направлениях движения, зафиксировав его в нужном положении, применяется сдвоенный обратный клапан 1 с деблокировкой в обоих направлениях. Когда распределитель находится в положении, изображенном на схеме, цилиндр невозможно сдвинуть с места усилием извне. В зависимости от направления приложения силы левый или правых обратный клапан герметически перекрывает отток рабочей жидкости. Для выдвижения или возврата гидроцилиндра из подводящей стороны включается расположенный в магистрали слива обратный клапан. Когда гидравлический распределитель занял нейтральное положение, следует обратить внимание на то, чтобы обе точки подключения деблокируемых обратных клапанов были разгружены в направлении магистрали бака. Только тогда можно обеспечить быстрое и точное закрытие конуса клапанов и герметичность перекрытий. |
Блок: 7/14 | Кол-во символов: 941
Источник: https://hydro-maximum.com.ua/a324109-tipy-gidravlicheskih-sistem.html
Гидравлическая система c клапаном наполнения и обратным клапаном с гидравлическим управлением
Когда на рабочий гидроцилиндр в гидравлической системе постоянно действует нагрузка (например, суппорт протяжного станка), то гидроцилиндр необходимо предохранить от опускания из-за утечки в гидравлическом распределителе. Это достигается с помощью установленного в сливной магистрали обратного клапана 1 с деблокировкой. Кроме того, необходимо установить клапан противодавления (клапан подключения давления 2). Давление открытия этого клапана примерно на 10% выше веса удерживаемого груза.
При этом возникает эффект гидравлической противодействующей силы.
И только после подачи давления на сторону поршня (А) это «предварительное напряжение» удается преодолеть. В результате поршень опускается.
Скорость опускания регулируется с помощью регулятора потока 3.
Подключенный параллельно к регулятору потока обратный клапан позволяет осуществлять быстрый подъем груза.
Блок: 8/14 | Кол-во символов: 962
Источник: https://hydro-maximum.com.ua/a324109-tipy-gidravlicheskih-sistem.html
Обозначения гидравлических распределителей
В обозначении распределителя через дробь указывается количество основных линий, подводимых к распределителю, и позиции. Например четырехлинейный трехпозиционный распределитель будет обозначаться 4/3. Также в обозначении распределителя указывается номер схемы (см. таблицу ниже).
Гидравлическая схема распределителя
На гидравлической схеме гидравлический распределитель обозначается рядом прямоугольников, каждый из которых обозначает отдельную позицию распределителя.
В каждом прямоугольнике линиями показано какие каналы соединит распределитель в данном положении.
Подробнее узнать том как читать гидросхемы с распределителем можно узнать в статье как читать гидравлические схемы.
Согласно ГОСТ 24679-81 выпускаются следующие схемы гидравлических распределителей.
Распределители 64, 44, 574, 34 схемы являются одними из самых распространенных. Распределитель 64 схемы в нейтральном положении позволяет разгрузить насосную станцию, отправляя рабочую жидкость на слив.
Основные исполнения распределителей по гидросхеме
Используя данные, представленные в таблице, можно сделать вывод о соответствии схем распределителей:
- 14 схеме по Российской классификации соответствуют распределители Atos 0710, Duplomatic S2, Parker 2C, Caproni 00, Rexrot H
- 24 схеме соответствуют распределители Atos 0718, Duplomatic S10, Parker 6С, Caproni 05, Rexrot M
- 34 схеме соответствуют распределители Atos 0713, Duplomatic S3, Parker 4C, Caproni 04, Rexroth J
- 44 схеме соответствуют распределители Atos 0711, Duplomatic S1, Parker 1C, Caproni 01, Rexroth EB
- 64 схеме соответствуют распределитли, Atos 0714, Duplomatic S4, Parker 9C, Caproni 02, Rexroth G и т.
д - 574 схеме соответствуют распределители Atos 0630/2, Duplomatic TA002, Parker 30B, Caproni 11, Rexroth C
Гидравлический распределитель – специальное устройство, применяемое в производственных механизмах, которое позволяет менять направление движения жидкости. Он необходим для контроля точности смены потоков, которые должны сменяться в определенной последовательности для включения механизмов. Распределитель может монтироваться к основному механизму с помощью различных креплений. Чаще всего применяется резьбовое, фланцевое и стыковое крепление. Для высокой точности работы обычно применяются электрогидравлические распределители, которые управляются электромагнитами.
Устройство и принцип работы
Гидрораспределители могут применяться при работе с различными типами жидкостей. Но чаще всего такой механизм можно встретить в гидравлических системах, для регулировки потока, уровня и давления масла.
Схема гидрораспределителя зависит от типа механизма и целей его использования.
Чаще всего он состоит из корпуса, распределительных каналов, клапанов различных видов, регулировочных механизмов, фиксаторов, в некоторых случаях электромагнитов и других деталей.
Принцип работы электрораспределителя такой:
- На корпусе установлен электромагнит постоянного тока, который при включении воздействует на палец и толкатель, к которому крепится с помощью рычага.
- Толкатель воздействует на шариковый клапан, прижимая его к седлу;
- Такое положение позволяет гидродвигателю включиться в работу, вытесняя жидкость из рабочей емкости в сливную магистраль.
- Когда на электромагнит не поступает электричество, шариковый клапан прижимается к седлу.
- Из-за этого с рабочей емкостью соединяется с нагнетательной полостью, что приводит к обратному движению жидкости, которая возвращается в полость двигателя.
- Рабочая емкость закрывается обратным клапаном, который не позволяет жидкости двигаться в системе.
- Для работы распределителя не требуется большой мощности, так как вся система уравновешена.
Усилие пружины, которая воздействует на шариковый клапан, примерно равняется давлению со стороны толкателя, в полость которого нагнетается рабочая жидкость. Из-за этого даже малейшего усилия электромагнита достаточно для изменения направления и распределения потоков жидкости.
Практически все модели распределителей работают по одному принципу. Отличия могут быть незначительные и зависят от конструкционных особенностей.
Блок: 9/11 | Кол-во символов: 4086
Источник: https://MyTooling.ru/instrumenty/gidroraspredeliteli-tipy-konstrukcija-rabota
Гидравлическая система с регулированием давления в первом гидроцилиндре и подключением второго цилиндра для выдвижения и возврата
Перед нами упрощенная гидросистема зажимного устройства с подачей сверла. На ней представлен принцип гидравлического последовательного включения в зависимости от давления.
На практике необходимо следить за тем, чтобы проводился контроль положения гидроцилиндра и давления с целью, получения очередного сигнала, в зависимости от выше указанных контролируемых величин.
Это на схеме не показано.
4/2-распределитель 1, приводимый в движение педалью, удерживается в исходном положении с помощью пружины. Оба цилиндра (подача сверла и гидравлический зажим) втянуты.
При включении распределителя 1 точка подключения Р соединяется с точкой подключения 8, а точка подключения А с точкой подключения Т.
Рабочая жидкость через открытый в исходном положении клапан регулирования давления 2 поступает в цилиндр гидравлического зажима. Цилиндр выдвигается. Канал, соединяющий цилиндр подачи сверла, перекрыт клапаном подключения давления 3.
После того, как цилиндр зажимного устройства занял заданное положение, давление нарастает. В цилиндре зажимного устройства устанавливается регулируемое клапаном 2 давление. В линии насос-клапан регулирования давления давление возрастает до тех пор, пока не достигнет величины, установленной на клапане подключения давления 3.
Когда заданное давление достигнуто, клапан 3 открывается и цилиндр подачи сверла выдвигается со скоростью, установленной на регуляторе потока 5.
Возврат цилиндров производится в обратном порядке. Цилиндр зажимного устройства отпускает заготовку только после того, как цилиндр механизма подачи сверла вернулся в исходное положение.
Такая последовательность возврата определяется клапаном подключения давления 4. После того, как пружина вернула распределитель 1 в исходное положение, начинается возврат цилиндров. Рабочая жидкость вначале поступает в цилиндр механизма подачи сверла.
В этот момент канал, ведущий к цилиндру зажимного механизма, перекрыт клапаном подключения давления 4.
Когда цилиндр подачи сверла достиг конечного положения, давление продолжает нарастать. Как только достигается давление, установленное на клапане 4, этот клапан открывает канал цилиндра зажимного механизма и цилиндр начинает возвратное движение.
В гидросистеме применяется саморегулирующий насос с компенсацией давления и регулируемой подачей (например, лопастной насос тип V3). Таким образом, максимальное рабочее давление устанавливается непосредственно на насосе.
Блок: 9/14 | Кол-во символов: 2537
Источник: https://hydro-maximum.com.ua/a324109-tipy-gidravlicheskih-sistem.html
Гидравлическая система пресса с клапаном наполнения и цилиндром ускоренного хода
Как правило, гидравлические прессы обладают большой мощностью. Поэтому в гидравлических системах для прессов применяются гидравлические цилиндры большого объема.
Для обеспечения ускоренного хода поршня вместо дорогостоящих насосов больших объемов применяют так называемые наполнительные клапаны, которые по существу являются крупногабаритными обратными клапанами с гидроуправлением.
Эти клапаны имеют следующий принцип действия:
Предположим, что ползун пресса находится в верхнем (исходном) положении, а движение вниз управляется 4/3-распределителем 6 (положением скрещенных стрелок ), который подает давление на оба цилиндра ускоренного хода 1.
Рабочая жидкость, необходимая для привода ползуна пресса 2, поступает из бака над ползуном 3 через открываемый обратный клапан 4.
После того, как плита пресса прижата к заготовке, сопротивление повышается и давление в гидросистеме нарастает. Открывается регулируемый клапан подключения давления 5 и рабочая жидкость подается в полость цилиндра ползуна пресса. На все три поверхности поршня подается максимальное давление.
Наполнительный клапан перекрывает магистраль бака над ползуном 3. При возврате полости поршня (А) цилиндров ускоренного хода разгружаются, а в полости штоков (В) под давлением подается рабочая жидкость.
Одновременно через магистраль управления давление подается в точку подключения X наполнительного клапана. С помощью цилиндра управления открывается основной конус и рабочая жидкость стекает в бак над ползуном.
Блок: 10/14 | Кол-во символов: 1565
Источник: https://hydro-maximum.com.ua/a324109-tipy-gidravlicheskih-sistem.html
Гидравлическая система синхронного хода нескольких гидроцилиндров
Одним из распространенных способов синхронизации хода гидравлических цилиндров является так называемый «гидравлический боуденовский трос».
Правда, применение боуденовского троса в гидравлических системах связано с определенными затратами.
Два гидроцилиндра одинаковых размеров со сплошными поршневыми штоками последовательно подключаются друг к другу. Благодаря этому второй цилиндр повторяет движение первого цилиндра, на который подается давление насоса. Поскольку обе последовательно включенные полости цилиндров столб жидкости только перемещают, ход цилиндров вследствие внутренних, а возможно и внешних утечек, без подпитки может измениться.
Во избежание нежелательных последствий такого изменения хода поршней полость «боуденовского троса» с помощью расположенного справа 4/3-распределителя 2 через каждый ход соединяется кратковременно с магистралью подачи насоса или бака.
Неравномерный ход поршня имеет следующие причины:
а) левый цилиндр первым возвращается в верхнее конечное положение и включает концевой выключатель 3.
Причина: недостаток жидкости между цилиндрами.
Способ устранения: с помощью левого концевика 3 включить магнит «а» гидравлического распределителя 2.
Рабочая жидкость будет поступать в магистраль управления до тех пор, пока правый цилиндр также не включит концевой выключатель. Магнит «а» снова отключается.
б) Правый цилиндр первым возвращается в верхнее конечное положение и включает концевой выключатель 4.
Причина: избыток жидкости между цилиндрами.
Способ устранения: с помощью правого концевика 4 включить магнит «b» распределителя 2.
Этим открывается гидравлически деблокируемый обратный клапан 5 и жидкость стекает до тех пор, пока левый цилиндр также не займет конечное положение.
С помощью левого концевого выключателя 3 магнит «b» отключается. В этом случае синхронность хода поршня зависит не только от количества жидкости между цилиндрами, но и от точности исполнения обоих цилиндров.
Общеизвестен тот факт, что в технике невозможно изготовить две абсолютно одинаковые детали.
Поскольку подпиточный распределитель 2, как правило, имеет золотниковую конструкцию, возникает определенная утечка.
Поэтому необходимым условием надежной работы всей системы является установка седельного обратного клапана 5.
Блок: 11/14 | Кол-во символов: 2315
Источник: https://hydro-maximum.com.ua/a324109-tipy-gidravlicheskih-sistem.html
Закрытая гидравлическая система
Под закрытой гидросистемой следует понимать гидросистему в которой используется насос 1, а вместо гидроцилиндра — гидродвигатель 2.
Рабочая жидкость в такой гидросистеме поступает из насоса в гидродвигатель, а оттуда снова во всасывающую магистраль насоса.
Как правило, в закрытой гидросистеме применяется гидронасос с регулируемой подачей в обоих направлениях.
Для практического использования закрытой гидросистемы необходимо следующее дополнительное оборудование.
Ограничители давления
Оба регулируемых предохранительных клапана 3 и 4 ограничают давление на стороне высокого давления и защищают гидросистему от перегрузок. Рабочая жидкость стекает на сторону низкого давления.
Клапаны ограничения давления одновременно служат для торможения гидродвигателя при нулевой подаче насоса.
Промывочный клапан и подпиточный контур
Промывочный клапан 5 является распределителем с гидравлическим управлением. Когда подача насоса 1 равна нулю, подпиточный насос б через промывочный клапан 5, находящийся в среднем положении, предохранительный клапан 7 и радиатор охлаждения 8 сливает жидкость в бак.
С помощью предохранительного клапана 7 устанавливается подпиточное давление (низкое давление). Оно составляет, как правило, 8 — 15 бар.
Когда насос осуществляет подачу рабочей жидкости, то есть когда в гидродвигатель поступает жидкость, на стороне высокого давления (рабочее давление) включается промывочный клапан, открывающий канал, который соединяет сторону низкого давления с предохранительным клапаном 7.
Например, если слева расположена сторона высокого давления (гидродвигатель 2 вращается вправо), то в этом случае промывочный клапан 5 через левую магистраль управления включается в правом направлении.
Благодаря этому сторона низкого давления (справа) соединяется с предохранительным клапаном 7, которым управляет подпиточный насос.
Из стороны низкого давления жидкость через промывочный клапан 5 и предохранительный клапан 7 поступает в бак. Одновременно подпиточный насос б через обратный клапан 9 подает рабочую жидкость на сторону низкого давления. Обратный клапан 10 со стороны высокого давления закрыт.
При смене направления подачи регулируемого насоса давление на промывочный клапан подается с другой стороны. И весь цикл соответственно повторяется.
Благодаря применению промывочного клапана в замкнутой системе осуществляются подача тепла и обмен рабочей жидкости.
Кроме того, расмотрим в качестве примера:
Блок: 12/14 | Кол-во символов: 2454
Источник: https://hydro-maximum.com.ua/a324109-tipy-gidravlicheskih-sistem.html
Гидравлическая система вилочного погрузчика
Гидросистема вильчатого погрузчика выполнена в виде блока управления.
Блок состоит из трех управляемых золотниками распределителей, включенных параллельно:
- Распределитель 1 цилиндра хода;
- Распределитель 2 цилиндра наклона;
- Распределитель 3 дополнительного гидрооборудования.
Когда элементы управления (шестиходовые распределители) находятся в исходном положении, рабочая жидкость в гидросистеме циркулирует из точки подключения насоса Р в точку подключения бака Т без напора.
Включая отдельные элементы управления (1, 2 и 3), мы управляем потребителями.
В канале Р дополнительно устанавливается разделитель потока. Независимо от нагрузки он осуществляет дозировку потока в направлении клапанов 2 (наклонных цилиндров) и 3 (дополнительное гидравлическое оборудование) по заданной величине.
Блок: 13/14 | Кол-во символов: 836
Источник: https://hydro-maximum.com.ua/a324109-tipy-gidravlicheskih-sistem.html
Гидравлическая система для установок с меняющейся нагрузкой
Нагрузки в приводах опрокидывающих устройств, шанторных ворот шлюзов, подъемных мостов, шлагбаумов и т.
д. часто меняются.
То есть в процессе движения меняется направление действия груза. Для того, чтобы заданная скорость потребителя под действием нагрузки не увеличивалась, применяются тормозные клапаны (8 и 9), изображенные на рисунке.
Два нерегулируемых насоса 1 и 2 осуществляют подачу рабочей жидкости через обратные клапаны 5 и 6 и магистраль насоса в распределитель 7.
С помощью предохранительных клапанов с предварительным управлением 3 и 4, посредством на них установленных сверху распределителей для разгрузки давления, насосы могут переключаться на безнапорную циркуляцию.
При выдвижении цилиндра 12 подача жидкости осуществляется через тормозной клапан 8. Тозмозной клапан 9 включается со стороны подачи жидкости. Если после изменения нагрузки скорость движения гидроцилиндра выше заданной, давление управления понижается, то есть тормозной клапан закрывается. Таким образом, скорость движения цилиндра регулируется независимо от нагрузки.
Предохранительные клапаны 10 и 11 служат для вторичного предохранения.
Компания Гидро-Максимум занимается проектированием и сборкой маслостанций и других гидравлических систем мобильной техники и стационарного оборудования. У нас вы можете заказать построение и сборку любых конфигураций гидравлических систем.
Блок: 14/14 | Кол-во символов: 1427
Источник: https://hydro-maximum.com.ua/a324109-tipy-gidravlicheskih-sistem.html
Количество использованных доноров: 7
Информация по каждому донору:
- http://www.hydro-pnevmo.ru/topic.php?ID=55: использовано 1 блоков из 6, кол-во символов 553 (2%)
- https://MyTooling.ru/instrumenty/gidroraspredeliteli-tipy-konstrukcija-rabota: использовано 2 блоков из 11, кол-во символов 5270 (16%)
- https://remgydromash.ru/info/remont/gidroraspredeliteli-vidy-rabota-primenenie/: использовано 1 блоков из 4, кол-во символов 999 (3%)
- https://ctois.ru/poleznaya-informaciya/gidroraspredeliteli-opisanie-princip-raboty-oblasti-primeneniya: использовано 1 блоков из 4, кол-во символов 1384 (4%)
- https://ru.
wikipedia.org/wiki/%D0%93%D0%B8%D0%B4%D1%80%D0%B0%D0%B2%D0%BB%D0%B8%D1%87%D0%B5%D1%81%D0%BA%D0%B8%D0%B9_%D1%80%D0%B0%D1%81%D0%BF%D1%80%D0%B5%D0%B4%D0%B5%D0%BB%D0%B8%D1%82%D0%B5%D0%BB%D1%8C: использовано 2 блоков из 7, кол-во символов 2179 (6%) - https://remgidro.ru/remont-gidroraspredelitelej/gidroraspredeliteli-skhema-ustrojstvo: использовано 1 блоков из 3, кол-во символов 2416 (7%)
- https://hydro-maximum.com.ua/a324109-tipy-gidravlicheskih-sistem.html: использовано 14 блоков из 14, кол-во символов 20762 (62%)
Устройство и ремонт гидрораспределителей
Устройство и ремонт гидрораспределителей, принципы работы, схемыГидрораспределитель — это гидроаппарат, обеспечивающий изменение направления потока рабочей жидкости в двух или более гидролиниях при наличии внешнего управляющего воздействия. Чтобы проводить ремонт гидрораспределителей, надо основательно разобраться в принципах его работы:
Гидрораспределители бывают направляющими и дросселирующими.
Направляющим называется гидрораспределитель, обеспечивающий перекрытие или изменение направления потока жидкости за счет полного открытия или полного перекрытия соответствующих проходных сечений.
Гидрораспределители подразделяются:
- по конструкции запорно-регулирующего элемента — на золотниковые, крановые и клапанные;
- числу внешних гидролиний — на двухлинейные, трехлинейные и т.д.;
- числу характерных позиций запорно-регулирующего элемента — на двухпозиционные, трехпозиционные и т.д.;
- виду управления — на распределители с ручным, механическим, электрическим и гидравлическим управлением;
- числу запорно-регулирующих элементов — на одноступенчатые, двухступенчатые и т.д.
В условном обозначении гидрораспределителя (рис. 1) указывают число его позиций (I, II), внешние гидролинии (А, Д Р, Т7), подводимые к распределителю, их соединение, а также способ управления (ГОСТ 2.871-68*). Более подробней о гидрораспределителях в нашем курсе гидравлики.
Число позиций изображают соответствующим числом квадратов (прямоугольников). Проходы изображают прямыми линиями со стрелками, показывающими направление потоков рабочей жидкости в каждой позиции, а места соединений проходов выделяют точками; закрытый проход изображают тупиковой линией с поперечной черточкой. Внешние гйдролинии подводят только к исходной позиции. Способ управления распределителем указывают знаками, примыкающими к торцам обозначения распределителя.
Чтобы представить работу гидрораспределителя в некоторой рабочей позиции, необходимо мысленно передвинуть соответствующий этой позиции квадрат обозначения на место квадрата исходной позиции, оставляя линии связи в прежнем положении. Тогда истинные направления потока рабочей жидкости укажут стрелки, имеющиеся в этом квадрате.
Условные обозначения едины для золотниковых, крановых и клапанных гидрораспределителей, т.е. условное обозначение не отражает конструкцию их запорно-регулирующих элементов.
Кроме графических обозначений гидрораспределителей, приводят также их цифровые обозначения в виде дроби: в числителе указывают число подведенных к гидрораспределителю внешних гидролиний, в знаменателе — число его рабочих (характерных) позиций. Например, четырехлинейный трехпозиционный гидрораспределитель обозначают дробью 4/3 (см. рис. 1, г).
Запорно-регулирующие элементы (золотник, кран, клапан) в направляющих гидрораспределителях всегда занимают фиксированные позиции по принципу «полностью открыто» или «полностью закрыто». Поэтому направляющий гидрораспределитель практически не влияет на давление и расход потока рабочей жидкости, проходящей через него.
Прежде чем браться за ремонт гидрораспределителей, советуем правильно оценить свои силы и знания в области гидравлики. Мы настоятельно рекомендуем сначала пройти курсы повышения квалификации по специальности гидравлика, в крайнем случае можно пройти дистанционные курсы гидравликов, тем более, что заказать этот курс можно не выходя из дома.
Это вам обойдётся намного дешевле, чем если ваш, к примеру, секционный гидрораспределитель станет не ремонтопригодным после вашего ремонта.
Распределитель состоит из корпуса 7, цилиндрического золотника 8, рукоятки 4 с осью 3 и пальцем 2, крышек 1 и 9 и уплотнений. В центральном отверстии корпуса 8 выполнены пять кольцевых расточек, образующих полости Т1 А, Р, В и Т2 которые сообщаются каналами с входными отверстиями. Полости Т1 и Т2 (сливные) соединены каналом Д. Золотник 8, располагающийся в центральном отверстии корпуса 7, имеет три цилиндрических пояска, которые перекрывают соответствующие цилиндрические расточки корпуса. Каналами, выполненными в корпусе 7 и крышках 1 и 9, торцовые полости распределителя соединены с дренажной гидролинией. Шарик 5 пружиной б прижимается к втулке 10, обеспечивая фиксацию золотника в рабочих позициях.
Принцип работы распределителя следующий. В исходной позиции (ей соответствует средний квадрат условного обозначения, показанного на рис.
2, в) все проходные сечения в гидрораспределителе перекрыты. При смещении золотника, например вправо (рис. 2, б) в позицию I (при этом левый квадрат на рис. 2, в как бы передвигается на место среднего), напорная полость Р распределителя соединяется с полостью А и поток жидкости под давлением поступает на выход распределителя и далее, например, в левую полость гидроцилиндра Ц (см. рис. 2, в). При этом полость В распределителя, а значит, и правая полость гидроцилиндра Ц, через золотник соединяется с полостью Т2, т.е. со сливом. При смещении золотника из нейтральной позиции влево, т.е. при переключении гидрораспределителя в позицию II (см. рис. 2, в), направление потока жидкости изменяется: полость Р (см. рис. 2, а) соединяется с полостью В, а полость А — с полостью Т1.
Основным недостатком гидрораспределителя цилиндрическим золотником является наличие утечек жидкости через диаметральный зазор между корпусом (гильзой) и золотником.
Дросселирующим называется гидрораспределитель, обеспечивающий изменение как направления движения жидкости в нескольких гидролиниях одновременно, так и расхода в них в соответствии с внешним управляющим воздействием.
В отличие от направляющего гидрораспределителя запорно-регулирующий элемент дросселирующего гидрораспределителя может занимать бесконечное множество промежуточных “рабочих положений”. При этом он одновременно работает и как запорно-регулирующий элемент регулируемого гидродросселя, создавая сопротивление прохождению потока рабочей жидкости. Обычно площадь проходного сечения в дросселирующем гидрораспределителе зависит от величины управляющего сигнала.
Таким образом, дросселирующий гидрораспределитель является комбинацией направляющего гидрораспределителя и регулируемых гидродросселей с совмещенным управлением.
При отсутствии сигнала на электромагнитах золотник 2 распределителя находится в исходной (нейтральной) позиции. При этом все проходные сечения в распределителе перекрыты.
При подаче управляющего сигнала на один из электромагнитов, например ЭМ1, золотник перемещается вправо в позицию I (рис. 3, б, в) и рабочая жидкость поступает из гидролинии Р в гидролинию А через дросселирующую щель 3, расход рабочей жидкости через которую зависит от мощности поданного управляющего сигнала.
От гидрораспределителя жидкость направляется в левую полость гидроцилиндра Ц, а жидкость, вытесняемая из правой полости гидроцилиндра Ц, поступает по гидролинии В в гидрораспределитель. Здесь она проходит через вторую дросселирующую щель 4 и поступает через гидролинию на слив Т.
Аналогично работает гидрораспределитель и при условии подачи управляющего сигнала на электромагнит ЭМ2. Отличие заключается только в том, что золотник при этом смещается влево.
Обычно в системах управления один из управляющих сигналов, поступающих на электромагнит ЭМ1 или ЭМ2, принимается положительным, а другой — отрицательным. Таким образом, гидрораспределитель в зависимости от знака управляющего сигнала обеспечивает необходимое направление движения поршня гидроцилиндра, а в зависимости от мощности управляющего сигнала — требуемую скорость его перемещения.
Основные правила построения условных обозначений направляющих гидрораспределителей, распространяются и на дросселирующие гидрораспределители.
Признаком дросселирующего гидрораспределителя в его условном обозначении является наличие двух дополнительных параллельных линий (над обозначением и под ним) (см. рис. 3, в). При этом квадраты в обозначении соответствуют характерным позициям гидрораспределителя.
Основными преимуществами золотниковых гидрораспределителей являются их компактность и разгруженность от осевых сил, что значительно уменьшает усилие, необходимое для управления золотником.
Существенным недостатком дросселирующих гидрораспределителей является возможность загрязнения зазоров между золотником и корпусом. Поэтому в системах автоматического управления для устранения отмеченного явления золотникам сообщают поворотные или возвратно-поступательные колебания высокой частоты (более 50 Гц) и небольшой амплитуды (10… 100 мкм). Обеспечивается это с помощью механических вибраторов или электромеханических средств.
Кроме золотниковых, к дросселирующим гидрораспределителям относятся струйные гидрораспределители.
Такие гидрораспределители часто используются как предварительная ступень гидравлического управления в гидрораспределителях с многоступенчатым управлением.
Гидрораспределители с электрическим управлением. Электрическое управление в гидрораспределителях применяется при условных проходах Dy < 10 мм, так как у управляющих электромагнитов обычно ограничены тяговое усилие и ход. Для больших условных проходов такие гидрораспределители делают двухступенчатыми, причем первая из ступеней является гидравлическим устройством предварительного усиления мощности входного управляющего сигнала. Эти гидрораспределители называются еще гидрораспределителями с электрогидравлическим управлением, а если гидрораспределитель дросселирующий — электрогидравлическими усилителями (ЭГУ). Для такого устройства входным является электрический сигнал, а выходным — некоторый поток рабочей жидкости с параметром (расходом или давлением), пропорциональным мощности входного сигнала. Направление потока и знак перепада давления при этом соответствуют знаку входного электрического сигнала.
ЭГУ состоит из электромеханического преобразователя, в котором электрический сигнал преобразуется в некоторое механическое перемещение (поворот вала или перемещение толкателя электромагнита), и гидравлического усилителя мощности.
При отсутствии электрического управляющего сигнала золотники обоих распределителей под действием пружин находятся в средних (нейтральных) позициях. При этом золотник 1 соединяет торцевые полости распределителя второй ступени со сливом, а золотник 5 перекрывает все проходные сечения
При поступлении сигнала, например на электромагнит ЭМ1, золотник 1 смещается до упора вправо, т. е. распределитель первой ступени переключается в позицию I . При этом по каналу X поток жидкости под давлением поступает в левую торцевую полость гидрораспределителя второй ступени, а его правая торцевая полость через канал Yсоединяется со сливом. На торцах золотника 5 возникает перепад давлений, под действием которого он смещается вправо, т.е. основной гидрораспределитель переключается в позицию I.
При этом соединяются гидролинии Р с А и В с Т.
При поступлении управляющего сигнала на вход электромагнита ЭМ2 золотники 7 и 5 перемещаются влево, т. е. гидрораспределитель переключается в позицию II. При этом соединяются гидролинии Р с В и А с Т.
На практике наиболее широкое распространение получили двух-дроссельные (по числу регулируемых гидродросселей) гидроусилители типе «сопло — заслонка» гидроусилитель состоит из двух регулируемых гидродросселей типа «сопло — заслонка» и двух постоянных (балансных) гидродросселей 1 и 6. Важный элемент этого устройства — подпружиненный центрирующими пружинами 8 золотник 7 дросселирующего гидрораспределителя, который является гидроусилителем второго каскада усиления ЭГУ.
Ремонт секционных гидрораспределителей целесообразней проводить на УП “Белгидросила”.
Рассматриваемый электрогидравлический усилитель можно представить в виде блок-схемы . В соответствии с ней электрический сигнал управления i поступает на электромеханический преобразователь 3, который поворачивает заслонку 4 на некоторый угол ?, пропорциональный сигналу (силе электрического тока) i.
При этом гидравлическое сопротивление одного из регулируемых дросселей типа «сопло—заслонка» (с соплом 2 или 5) возрастает, а другого — уменьшается. В результате образуется перепад давления ?р = р1 – р2, пропорциональный углу ?. Таким образом, для гидроусилителя типа «сопло —заслонка» входным сигналом служит угол поворота а заслонки, а выходным — перепад давления ?р. Гидроусилитель типа «сопло—заслонка» является гидроусилителем первого каскада.
Так как давления р1 и р2 подводятся к торцевым полостям дросселирующего гидрораспределителя, то образовавшийся перепад давления ?р создает соответствующее усилие, действующее на золотник 7. Это приводит к тому, что золотник 7 смещается из нейтрального положения на некоторое расстояние х. Это смещение определяется жесткостью центрирующих пружин 8 золотника 7, а значит, пропорционально перепаду давления р на его торцах, т.е. центрирующие пружины 8 и торцевые поверхности золотника 7 выполняют роль гидромеханического преобразователя, который преобразует возникший перепад давления ?р на торцах золотника 7 в его смещение х.
Смещение золотника 7 из нейтрального положения на расстояние х приводит к тому, что открываются соответствующие проходные сечения дросселирующего гидрораспределителя. Например, если золотник 7 сместится вправо, то гидролиния А соединится с напорным трубопроводом, а гидролиния В — со сливным. Через открывшиеся дросселирующие окна гидрораспределителя начнется движение рабочей жидкости с расходом Q, пропорциональным смещению золотника х. Таким образом, для дросселирующего гидрораспределителя, являющегося гидроусилителем второго каскада, входным сигналом управления служит смещение золотника х а выходным — расход рабочей жидкости Q, поступающей к потребителю.
Дистанционное образование по гидравлике!
Крановые гидрораспределители в Минске, по Беларуси
В крановых гидрораспределителях изменение направления потока рабочей жидкости достигается поворотом пробки, имеющей плоскую, цилиндрическую, сферическую или коническую форму.
Крановые гидрораспределители могут быть двух-, трех и многопозиционными. В многопозиционном крановом гидрораспределителе пробка имеет цилиндрическую форму и может перемещаться в осевом направлении, занимая несколько положений.
В каждом из таких положений пробка может поворачиваться и вокруг оси, занимая еще несколько фиксированных положений. Имеются и другие конструктивные решения многопозиционных кранов.
Рис. 45. Крановый гидрораспределитель: а – конструкции; б – условное обозначение
Серийный двухпозиционный крановый гидрораспределитель Г71-3 (рис. 45) с цилиндрической пробкой состоит из корпуса 3, фланца 5, крышки 1, пробки 2, уплотнения 4, ступицы 7, рукоятки 8 и шарикового фиксатора 6. В положении пробки крана (см. рис. 45, а) жидкость через отверстие 17 поступает в камеру 16; из нее через канал 18 в пробке крана (показан пунктиром) – в камеру 12 и далее через отверстие 11 в корпусе – к гидродвигателю или к другому управляемому объекту. Из другой полости гидродвигателя жидкость поступает в отверстие 9, далее в камеру 10 и через канал 13 в камеру, которая отверстием 15 в корпусе крана соединена со сливом.
При повороте пробки краиа по часовой стрелке на угол 450 происходит изменение направления потока рабочей жидкости отверстие 17 через камеру 16 соединяется с отверстием 9, а отверстие 11- через камеры 10 и 14, а также через канал 13 с отверстием 15 (со сливом).
Для устранения неуравновешенных осевых сил обе торцевые полости цилиндрической пробки соединены со сливом и находятся под одинаковым давлением. Действующие на пробку радиальные усилия также уравновешены для любых фиксированных положений. Так, в положении пробки, указанном на рис. 45, а, жидкость от насоса подается к отверстию 17, проходит через канал 18 и далее к отверстию 11, и таким образом в полостях 16 и 12 давление будет одинаковым. В другом положении пробки крана отверстие 17 соединяется с отверстием 9 камерой 16, которая в свою очередь каналом 13 в пробке крана соединяется с камерой 12, что также обеспечивает уравновешенность пробки крана от боковых сил давления жидкости.
Герметичность кранового гидрораспределителя обеспечивается за счет притирки пробки к корпусу крана.
Для кранов с цилиндрической пробкой зазор между пробкой и корпусом принимают равным 0,010-0,020 мм. В этих кранах вследствие износа пробки и корпуса зазор между ними, а следовательно и утечка рабочей жидкости с течением времени увеличиваются, что является недостатком такого кранового распределителя. Этого недостатка нет в крановых гидрораспределителях с конической пробкой. Для исключения защемления пробки в корпусе крана при тепловом расширении обе эти детали изготовляют из одинакового материала.
Крановые гидрораспределители чаще всего применяют в качестве вспомогательных в золотниковых гидрораспределителях с гидравлическим управлением. При расходах и давлении в гидросистеме, соответствующих указанным в технической характеристике, крановый гидрораспределитель используют и в качестве основного.
курсов PDH онлайн. PDH для профессиональных инженеров. ПДХ Инжиниринг.
“Мне нравится широта ваших курсов HVAC; не только экологичность или энергосбережение
курсы.
”
Рассел Бейли, ЧП
Нью-Йорк
“Это укрепило мои текущие знания и научило меня еще нескольким новым вещам
для раскрытия мне новых источников
информации.”
Стивен Дедак, ЧП
Нью-Джерси
“Материал был очень информативным и организованным. Я многому научился, и они были
очень быстро отвечают на вопросы.
Это было на высшем уровне. Буду использовать
еще раз. Спасибо.”
Блэр Хейворд, ЧП
Альберта, Канада
“Легкий в использовании веб-сайт.Хорошо организовано. Я действительно воспользуюсь вашими услугами снова.
Я передам вашу компанию
имя другим на работе.”
Рой Пфлейдерер, ЧП
Нью-Йорк
“Справочный материал был превосходным, и курс был очень информативным, тем более что я думал, что уже знаком
с реквизитами Канзас
Авария в городе Хаятт.
”
Майкл Морган, ЧП
Техас
“Мне очень нравится ваша бизнес-модель. Мне нравится возможность просмотреть текст перед покупкой. Я нашел класс
информативный и полезный
на моей работе.”
Уильям Сенкевич, Ч.Е.
Флорида
“У вас отличный выбор курсов и очень информативные статьи.Вы
– лучшее, что я нашел.”
Рассел Смит, ЧП
Пенсильвания
“Я считаю, что такой подход позволяет работающему инженеру легко зарабатывать PDH, предоставляя время для просмотра
материал.”
Хесус Сьерра, ЧП
Калифорния
“Спасибо, что разрешили мне просмотреть неправильные ответы.На самом деле
человек узнает больше
от сбоев.
”
Джон Скондрас, ЧП
Пенсильвания
“Курс был хорошо составлен, и использование тематических исследований является эффективным
способ обучения.”
Джек Лундберг, ЧП
Висконсин
“Я очень впечатлен тем, как вы представляете курсы; т.э., что позволяет
студент для ознакомления с курсом
материал до оплаты и
получение викторины.”
Арвин Свангер, ЧП
Вирджиния
“Спасибо, что предлагаете все эти замечательные курсы. Я, конечно, выучил и
очень понравилось.”
Мехди Рахими, ЧП
Нью-Йорк
“Я очень доволен предлагаемыми курсами, качеством материалов и простотой поиска и
подключение к Интернету
курсы.
”
Уильям Валериоти, ЧП
Техас
“Этот материал в значительной степени оправдал мои ожидания. Курс был легким для понимания. Фотографии в основном давали хорошее представление о
обсуждаемые темы.”
Майкл Райан, ЧП
Пенсильвания
“Именно то, что я искал. Нужен 1 балл по этике, и я нашел его здесь.”
Джеральд Нотт, ЧП
Нью-Джерси
“Это был мой первый онлайн-опыт получения необходимых кредитов PDH. Это был
информативно, выгодно и экономично.
Очень рекомендую
всем инженерам.”
Джеймс Шурелл, ЧП
Огайо
“Я ценю, что вопросы относятся к “реальному миру” и имеют отношение к моей практике, и
не основано на какой-то непонятной секции
законов, которые не применяются
до «обычная» практика.
”
Марк Каноник, ЧП
Нью-Йорк
«Отличный опыт! Я многому научился, чтобы использовать его в своем медицинском устройстве
организация.”
Иван Харлан, ЧП
Теннесси
“Материал курса имеет хорошее содержание, не слишком математический, с хорошим акцентом на практическое применение технологии.”
Юджин Бойл, П.Е.
Калифорния
“Это был очень приятный опыт. Тема была интересной и хорошо представлена,
а онлайн формат был очень
доступный и простой
использование. Большое спасибо.”
Патрисия Адамс, ЧП
Канзас
“Отличный способ добиться соответствия непрерывному образованию PE в рамках временных ограничений лицензиата.
”
Джозеф Фриссора, ЧП
Нью-Джерси
“Должен признаться, я действительно многому научился. Распечатанная викторина помогает во время
просмотр текстового материала. я
также оценил просмотр
предоставленных фактических случая.”
Жаклин Брукс, ЧП
Флорида
“Документ Общие ошибки ADA в проектировании помещений очень полезен.
тест действительно требовал исследования в
документ но ответы были
легко доступны.”
Гарольд Катлер, ЧП
Массачусетс
“Это было эффективное использование моего времени. Спасибо за разнообразие выбора
в дорожной технике, что мне нужно
для выполнения требований
Сертификация PTOE.
”
Джозеф Гилрой, ЧП
Иллинойс
“Очень удобный и доступный способ заработать CEU для выполнения моих требований в штате Делавэр.”
Ричард Роудс, ЧП
Мэриленд
“Узнал много нового о защитном заземлении. До сих пор все курсы, которые я проходил, были отличными.
Надеюсь увидеть больше 40%
курсы со скидкой.”
Кристина Николас, ЧП
Нью-Йорк
“Только что сдал экзамен по радиологическим стандартам и с нетерпением жду дополнительных
курсы. Процесс прост, и
намного эффективнее, чем
необходимость путешествовать.”
Деннис Мейер, ЧП
Айдахо
“Услуги, предоставляемые CEDengineering, очень полезны для профессионалов
Инженеры для получения блоков PDH
в любое время.
Очень удобно.”
Пол Абелла, ЧП
Аризона
“Пока все было отлично! Поскольку я постоянно работаю матерью двоих детей, у меня не так много
пора искать куда
получить мои кредиты от.”
Кристен Фаррелл, ЧП
Висконсин
“Это было очень информативно и поучительно.Легко для понимания с иллюстрациями
и графики; определенно получается
проще впитать все
теории.”
Виктор Окампо, инженер.
Альберта, Канада
“Хороший обзор принципов полупроводников. Мне понравилось проходить курс по адресу
мой собственный темп во время моего утра
метро
на работу.”
Клиффорд Гринблатт, ЧП
Мэриленд
“Просто найти интересные курсы, скачать документы и получить
викторина.
Я бы очень рекомендую
вам в любой PE нуждающийся
Единицы CE.”
Марк Хардкасл, ЧП
Миссури
“Очень хороший выбор тем во многих областях техники.”
Рэндалл Дрейлинг, ЧП
Миссури
“Я заново узнал то, что забыл. Я также рад принести пользу в финансовом плане
от ваш рекламный адрес электронной почты который
сниженная цена
на 40%.”
Конрадо Касем, П.Е.
Теннесси
“Отличный курс по разумной цене. Буду пользоваться вашими услугами в будущем.”
Чарльз Флейшер, ЧП
Нью-Йорк
“Это был хороший тест, и он фактически показал, что я прочитал профессиональную этику
Кодыи Нью-Мексико
правила.
”
Брун Гильберт, П.Е.
Калифорния
“Мне очень понравились занятия. Они стоили времени и усилий.”
Дэвид Рейнольдс, ЧП
Канзас
“Очень доволен качеством тестовых документов. Буду использовать CEDengineerng
при необходимости
сертификация.”
Томас Каппеллин, П.Е.
Иллинойс
«У меня истек срок действия курса, но вы все равно выполнили обязательство и дали
мне то, за что я заплатил – много
спасибо!”
Джефф Ханслик, ЧП
Оклахома
“CEDengineering предлагает удобные, экономичные и актуальные курсы
для инженера.”
Майк Зайдл, П.
Е.
Небраска
“Курс был по разумной цене, а материал был кратким и
хорошо организовано.”
Глен Шварц, ЧП
Нью-Джерси
“Вопросы соответствовали урокам, а материал урока
хороший справочный материал
для дизайна под дерево.”
Брайан Адамс, П.Е.
Миннесота
“Отлично, я смог получить полезную информацию с помощью простого телефонного звонка.”
Роберт Велнер, ЧП
Нью-Йорк
«У меня был большой опыт прохождения курса «Строительство прибрежных зон — Проектирование»
Корпус Курс и
очень рекомендую.”
Денис Солано, ЧП
Флорида
“Очень понятный, хорошо организованный веб-сайт.
Материалы курса этики штата Нью-Джерси очень понравились
прекрасно приготовлено.”
Юджин Брекбилл, ЧП
Коннектикут
“Очень хороший опыт. Мне нравится возможность скачивать учебные материалы на
обзор где угодно и
когда угодно.”
Тим Чиддикс, ЧП
Колорадо
“Отлично! Поддерживайте широкий выбор тем на выбор.”
Уильям Бараттино, ЧП
Вирджиния
“Процесс прямой, никакой чепухи. Хороший опыт.”
Тайрон Бааш, П.Е.
Иллинойс
“Вопросы на экзамене были пробными и демонстрировали понимание
материала. Тщательный
и комплексный.
”
Майкл Тобин, ЧП
Аризона
“Это мой второй курс, и мне понравилось то, что курс предложил мне, что
поможет в моей линии
работы.”
Рики Хефлин, ЧП
Оклахома
“Очень быстрая и простая навигация. Я определенно воспользуюсь этим сайтом снова.”
Анджела Уотсон, ЧП
Монтана
“Прост в исполнении. Нет путаницы при подходе к сдаче теста или записи сертификата.”
Кеннет Пейдж, П.Е.
Мэриленд
“Это был отличный источник информации о нагревании воды с помощью солнечной энергии. Информативный
и отличное освежение.”
Луан Мане, ЧП
Коннетикут
“Мне нравится подход к подписке и возможности читать материалы в автономном режиме, а затем
вернись, чтобы пройти тест.
”
Алекс Млсна, П.Е.
Индиана
“Я оценил количество информации, предоставленной для класса. Я знаю
это вся информация, которую я могу
использование в реальных жизненных ситуациях.”
Натали Дерингер, ЧП
Южная Дакота
“Материалы обзора и образец теста были достаточно подробными, чтобы я мог
успешно завершено
курс.”
Ира Бродская, ЧП
Нью-Джерси
“Веб-сайт прост в использовании, вы можете скачать материал для изучения, а затем вернуться
и пройти тест. Очень
удобный а на моем
собственное расписание.”
Майкл Гладд, ЧП
Грузия
“Спасибо за хорошие курсы на протяжении многих лет.
”
Деннис Фундзак, ЧП
Огайо
“Очень легко зарегистрироваться, получить доступ к курсу, пройти тест и распечатать PDH
сертификат. Спасибо за создание
процесс простой.”
Фред Шайбе, ЧП
Висконсин
“Положительный опыт.Быстро нашел подходящий мне курс и закончил
PDH за один час в
один час.”
Стив Торкилдсон, ЧП
Южная Каролина
“Мне понравилась возможность загрузки документов для ознакомления с содержанием
и пригодность до
имея платить за
материал .”
Ричард Ваймеленберг, ЧП
Мэриленд
“Это хорошее пособие по ЭЭ для инженеров, не являющихся электриками.
”
Дуглас Стаффорд, ЧП
Техас
“Всегда есть место для улучшения, но я ничего не могу придумать в вашем
процесс, которому требуется
улучшение.”
Томас Сталкап, ЧП
Арканзас
“Мне очень нравится удобство прохождения викторины онлайн и получения немедленного
Сертификат.”
Марлен Делани, ЧП
Иллинойс
“Обучающие модули CEDengineering – очень удобный способ доступа к информации по
многие различные технические области внешние
по собственной специализации без
необходимость путешествовать.”
Гектор Герреро, ЧП
Грузия
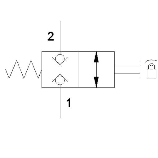
3/2-ходовой пневматический клапан — Принцип работы
Рисунок 1: 3/2-ходовой пневматический клапан
3/2-ходовой клапан имеет три порта и два положения, которые могут управляться пневматически, механически, вручную или электрически через электромагнитный клапан.
Они используются, например, для управления цилиндром простого действия, приводом пневматических приводов, продувкой, сбросом давления и вакуумными приложениями.Клапан используется для наполнения цилиндра, а также для его последующего выпуска, чтобы можно было реализовать новый рабочий ход. Следовательно, клапан с двумя портами не подходит. Для вентиляции требуется третий порт. Существует два типа клапанов 3/2: моностабильные и бистабильные. Моностабильные 3/2-ходовые клапаны также могут быть нормально закрытыми или нормально открытыми, как и 2/2-ходовые клапаны.
Содержание
Функция цепи трехходовых воздушных клапанов
3/2-ходовой пневматический клапан имеет три соединительных порта и два состояния.Три порта:
- вход (П, 1),
- розетка (А, 2)
- выхлоп (R, 3)
Два состояния клапана: открыто и закрыто. Когда клапан открыт, воздух проходит от входа (P, 1) к выходу (A, 2). Когда клапан закрыт, воздух поступает из выпускного отверстия (A, 2) в выпускное отверстие (R, 3).
Клапан, который закрыт в неактивированном состоянии, называется нормально закрытым (Н.З.), противоположное ему состояние называется нормально открытым (Н.О.).
Рис. 2: Принцип работы моностабильного нормально закрытого 3/2-ходового клапана
Большинство клапанов являются моностабильными и возвращаются в исходное положение, когда они не приводятся в действие, это достигается с помощью пружинного механизма.Бистабильные 3/2-ходовые клапаны сохраняют свое положение при потере питания и требуют отдельного действия для переключения состояния клапана. Следовательно, они не могут быть обозначены как нормально закрытые или нормально открытые. Бистабильные пневматические электромагнитные клапаны обычно имеют катушку в каждом положении и работают в импульсном режиме. Подводя итог, различные функции 3/2-ходового клапана:
- 3/2-ходовой моностабильный НЗ
- 3/2-ходовой моностабильный NO
- 3/2-ходовой бистабильный
Функции контура могут быть показаны с помощью символов клапана.
Для трех вышеупомянутых функций ниже показан символ электромагнитного клапана непрямого действия. Вы можете найти подробную информацию о других символах пневматических клапанов и их пояснения в нашей статье о символах клапанов.
Рисунок 3: Обозначения 3/2-ходовых пневматических электромагнитных клапанов слева направо: нормально открытый, моностабильный (слева), нормально закрытый, моностабильный (в центре), бистабильный (справа).
3/2-ходовые клапаны могут приводиться в действие различными средствами, такими как:
- пневматический
- вручную
- механически
- электрически (электромагнитный клапан)
Кроме того, клапаны могут иметь прямое или непрямое управление.При непрямом управлении клапан использует входное давление для переключения состояния клапана.
Дизайн
3/2-ходовые клапаныдоступны в нескольких исполнениях. Уплотнительный механизм клапанов может быть тарельчатым или золотниковым. Основными частями клапана являются: корпус, уплотнения, тарелка (или золотник) и привод
.
В клапанах прямого действия золотник или тарелка перемещаются непосредственно приводом. Возможны несколько типов приводов:
- Соленоид (катушка)
- Кнопка
- Рычаг
- Ножная педаль и т. д.
Клапан закрывается или открывается при перемещении золотника или тарелки. Моностабильные клапаны возвращаются в исходное положение за счет усилия пружины. В случае непрямого управления золотник не приводится в действие непосредственно соленоидом. Клапан использует давление в системе для перемещения золотника. Для этого используется дополнительный пилотный клапан. Этот пилотный клапан представляет собой небольшой 3/2-ходовой клапан прямого действия. Пилотный клапан подает сжатый воздух в небольшой воздушный цилиндр внутри клапана.Сжатый воздух в этом цилиндре давит на поршень и приводит в действие соленоид для переключения клапана. Таким образом, для переключения клапана можно использовать относительно небольшой соленоид. Моностабильные клапаны имеют одну катушку, бистабильные клапаны — две катушки.
В корпусе NAMUR (корпус со стандартной площадью основания) клапан может быть закреплен непосредственно на приводе, который также соответствует стандарту NAMUR. Коллекторы можно использовать для экономии места и для группировки клапанов. Мало того, что несколько 3/2-ходовых клапанов могут быть встроены в один коллектор, есть возможность комбинировать клапаны.Например, вы можете установить 5/2-ходовой клапан рядом с 3/2-ходовым клапаном. Возможные комбинации зависят от типа и конструкции коллектора.
Вы всегда должны помнить об окружающей среде пневматической системы. При наличии в окружающей среде агрессивных веществ корпус клапана и уплотнения должны быть устойчивы к коррозии. В чистых помещениях, в средах ATEX и в пищевой промышленности применяются специальные клапаны.
5/2-ходовой клапан можно использовать как 3/2-ходовой клапан, используя только один впускной и соответствующий выпускной порт.Два 2/2-ходовых клапана могут имитировать работу 3/2-ходового клапана.
Типичные области применения
3/2-ходовые клапаны подходят для нескольких задач: приведения в действие пневматических приводов, продувки, сброса давления и создания вакуума.
Управление цилиндром одностороннего действия
Управление цилиндром одностороннего действия является типичным применением 3/2-ходовых клапанов. Цилиндр одностороннего действия имеет один пневматический порт для заполнения и опорожнения воздушной камеры. Цилиндр движется в одном направлении, заполняя воздушную камеру, и возвращается под действием силы пружины.3/2-ходовой клапан либо заполняет воздушную камеру, либо выпускает ее в атмосферу. Базовую пневматическую схему для цилиндра одностороннего действия можно найти на рисунке ниже.
Рисунок 4: Схематическое изображение цилиндрового привода одностороннего действия с 3/2-ходовым клапаном
Управление цилиндром двойного действия
Цилиндр двустороннего действия имеет две воздушные камеры. Цилиндр перемещается, заполняя одну воздушную камеру и вентилируя другую. Каждая камера имеет свой соединительный порт, поэтому в большинстве случаев для управления цилиндром двойного действия используется 5/2-ходовой клапан.
Однако это также можно сделать с помощью двух 3/2-ходовых клапанов, каждый из которых соединяется с портом цилиндра. Один клапан переводит шток поршня в выдвинутое положение (a 1 ), другой клапан возвращает поршень в исходное положение (a 0 ) (см. рисунок ниже). Одно из преимуществ этих схем заключается в том, что на порты цилиндра можно подавать два разных давления без установки регулятора давления между клапаном и цилиндром. Еще одним преимуществом является то, что две воздушные камеры могут вентилироваться одновременно, что обеспечивает свободное перемещение штока поршня.с 5/2-ходовым клапаном это невозможно.
Для перемещения поршня с двумя НЗ клапанами из положения a 0 в положение a 1 , один клапан должен быть запитан (включен, 1), а другой должен быть обесточен (выключен, 0). Выключенный клапан позволяет выпускать сжатый воздух через порт (R,3). Поэтому поршень движется в нужном направлении. Дополнительные состояния приведены в таблицах ниже.
По крайней мере, один из двух клапанов должен находиться в положении «выпуск», чтобы одновременно не создавать давление в обоих портах цилиндра.Когда оба порта цилиндра находятся под давлением, движение поршня зависит от предыдущего состояния поршня, величины давления, типа цилиндра и т. д.
Один НЗ и один НО пневматический электромагнитный клапан, управляющий цилиндром двойного действия
| НЗ Клапан «левый» | НО Клапан «правый» | Положение поршня |
| 0 | 0 | 0 |
| 1 | 0 | Нет стабильного состояния |
| 0 | 1 | Свободное перемещение между 0 – 1 |
| 1 | 1 | а 1 |
Рис. 5: Цилиндровый привод двойного действия с 1 НЗ и одним НО клапаном
Два пневматических электромагнитных клапана NC, управляющих цилиндром двойного действия
| НЗ клапан «левый» | Клапан NC «правый» | Положение поршня |
| 0 | 0 | Свободное перемещение между 0 – 1 |
| 1 | 0 | а 1 |
| 0 | 1 | 0 |
| 1 | 1 | Нет стабильного состояния |
В приведенных выше таблицах цифры означают следующее:
- 0 = клапан не активирован
- 1 = клапан активирован
Рисунок 6: Пневматический цилиндр двойного действия с двумя НЗ клапанами
Продувка, сброс давления и вакуум.
3/2-ходовые клапаныподходят для продувки, сброса давления и создания вакуума. В большинстве случаев необходимы клапаны с внешним или прямым управлением, поскольку они не требуют минимального перепада давления. Взгляните на схемы ниже для продувочных, выпускных и вакуумных клапанов. В вакуумном контуре вакуумный насос подключен к порту (P,1), атмосферное давление подключено к порту (R,3). Вакуум будет нарушен, когда порт (A,2) соединится с портом (R,3).Вакуумная подушка захватывает объект, когда включен вакуумный насос (порт P (1)).
Рис. 7. Продувочный 3/2-ходовой клапан с внешним управлением (слева), предохранительный клапан с внешним управлением (справа)
Обозначение клапана 3/2-ходового клапана, используемого для работы с вакуумом: вакуумный фильтр (A), вакуумная прокладка (B), фильтр с сепаратором, ручной слив (C), вакуумный насос
Часто задаваемые вопросы
Что такое 3/2-ходовой клапан?
3/2-ходовой клапан имеет три соединительных порта и два положения, которыми можно управлять через электромагнитный клапан.
Они используются для управления цилиндром простого действия, для привода пневматических приводов, используются в качестве продувочного клапана, клапана сброса давления и в вакуумных приложениях.
Как работает 3-ходовой 2-позиционный клапан?
3-ходовой 2-позиционный клапан имеет 3 входа и два положения и может быть как нормально закрытым, так и нормально открытым. Нормально закрытый клапан открывается при подаче питания и закрывается за счет натяжения пружины. Нормально открытый клапан закроется при подаче питания и снова откроется за счет натяжения пружины.Третий порт обычно используется для вентиляции.
В чем разница между 2-ходовым и 3-ходовым клапаном?
Двухходовой клапан — это клапан любого типа с двумя портами: впускным и выпускным. Трехходовой клапан имеет три порта внутри корпуса клапана, которые используются как впускной, выпускной и выпускной.
Ежемесячный информационный бюллетень Tameson
- Для кого: Вы! Существующие клиенты, новые клиенты и все, кто ищет информацию о контроле жидкости.

- Ежемесячный информационный бюллетень Tameson: Раз в месяц он содержит прямую информацию, полную актуальной информации об отрасли управления жидкостями.
- Что в нем: Объявления о новых продуктах, технические статьи, видеоролики, специальные цены, отраслевая информация и многое другое, на что вам нужно подписаться, чтобы увидеть!
CIR824/WI005: Клапаны в ирригационных системах
Дорота З. Хаман, Федро С. Зазуэта, Сандра Гусман и Хайманоте Баябил
Термин «клапан» применяется к различным устройствам для управления потоком жидкости. Различные клапаны обеспечивают двухпозиционное управление, регулирование скорости потока в системе и предотвращение обратного потока.Их также можно использовать для сброса давления или в качестве предохранительного устройства. В общем, клапаны могут варьироваться от простых ручных запорных устройств до сложного контрольного оборудования, которое действует как измерительный прибор и подает в систему заданное количество воды.
Двухпозиционные сервисные клапаны
Для нормального двухпозиционного управления наилучшим выбором являются запорные, шаровые и плунжерные клапаны. Рабочие запорные клапаны работают за счет скольжения или поворота плоского, цилиндрического или сферического элемента управления потоком через отверстие в корпусе клапана.Утечка через элемент управления потоком предотвращается за счет уплотняющих или посадочных поверхностей на отверстии. В полностью открытом положении проход через задвижку, шаровой или плунжерный клапан не ограничен, что приводит к низким потерям давления через клапан.
Задвижки
Задвижка является наиболее распространенным типом запорной задвижки (рис. 1). Его элемент управления потоком представляет собой диск или клин, прикрепленный к штоку клапана. Существуют различные конструкции этих клиньев, наиболее распространен сплошной клин.Преимущество твердого клина заключается в надежном контакте с направляющими клина, что уменьшает вибрацию, когда клапан находится в частично закрытом положении.
В полностью открытом положении клин полностью очищает путь потока, создавая минимальные потери через клапан.
Можно использовать другие типы клиньев, такие как разъемный клин, параллельный клин с двумя дисками или комбинация дисков, соединенных шаром и гнездом, которые самовыравниваются с каждой из наклонных опорных поверхностей (рис. 2).
Рис. 2. Клапан с шаровым клином и невыдвижным штоком. Задвижкитакже можно классифицировать по перемещению штока. Шток представляет собой вал, используемый для управления положением клина. Штоки можно разделить на три группы: два типа с поднимающимся стержнем (с внешней или внутренней резьбой) и с неподнимающимся стержнем. На рис. 1 представлен клапан с выдвижным штоком, тогда как на рис. 2 показан клапан с невыдвижным штоком.
При использовании выдвижного штока легче определить, насколько клапан открыт в данный момент времени, поскольку резьбовая часть штока открыта.
Однако должно быть обеспечено достаточно места для подъема штока, когда клапан находится в полностью открытом положении.
Все клапаны, описанные выше, имеют медленное действие из-за поворота, необходимого для изменения положения элемента управления. Для быстродействующего клапана шток может быть сконструирован таким образом, чтобы он скользил вверх или вниз под действием механического рычага (рис. 3).
Рисунок 3. Задвижка с механическим рычагом.Задвижки не должны использоваться для дросселирования или управления потоками жидкости.Большая часть отключения этого клапана происходит, когда клапан почти закрыт. В результате профиль управления потоком не является линейным и его трудно контролировать. В то же время уменьшение проходного сечения в частично закрытых положениях значительно увеличивает скорость жидкости. Это может привести к быстрой эрозии клина и разрушению нижней посадочной поверхности.
Пробковые клапаны
Пробковый клапан также предназначен для работы в качестве запорного клапана.
Элемент управления потоком представляет собой заглушку с поперечным отверстием, что позволяет жидкости течь, когда проколотая часть открывается при повороте заглушки на 90° (рис. 4).Пробковые клапаны не имеют линейных характеристик потока при частичном закрытии. В результате их трудно использовать для регулирования потока. Некоторые пробковые клапаны снабжены специальными портами для заглушек и могут использоваться для дросселирования. Однако, если это не указано производителем, пробковые клапаны в целом не рекомендуются для операций по регулированию потока. Подобно задвижке, частичное закрытие плунжерного клапана может привести к быстрому износу внутренних деталей. Основное преимущество пробкового клапана заключается в том, что он компактен и прост в изготовлении.
Шаровые краны
Шаровой кран представляет собой модификацию пробкового крана, в которой пробка заменена сферическим регулирующим элементом (рис. 5). Подобно пробковому клапану, этот клапан очень компактен и работает при поворотах на 90°.
Шаровые краны являются полнопроходными устройствами и создают минимальную потерю давления через клапан, когда он полностью открыт. Как и запорные и пробковые клапаны, из-за нелинейных характеристик потока шаровые краны не рекомендуются для регулирования потока, если только они специально не предназначены для дросселирования.
Дроссельные и регулирующие клапаны
Дроссельные и регулирующие клапаны используются, когда скорость потока через трубу должна регулироваться на уровне, несколько ниже максимального потока. Идеальный дроссельный или регулирующий клапан демонстрирует линейную реакцию потока на частичное закрытие. Это достигается специальной конструкцией пути потока через клапан. Как правило, клапаны с ручным управлением называются дроссельными клапанами, а автоматически активируемые клапаны называются регулирующими клапанами.
Дроссельные клапаны
Следующие клапаны рекомендуются для дросселирования, так как их кривые характеристики регулирования расхода примерно линейны: шаровые, угловые, игольчатые, пережимные, мембранные и дроссельные.
Шаровые клапаны
Шаровые клапаны широко используются для управления потоком. Коническая заглушка или диск, закрывающийся на посадочной поверхности, действует как элемент управления потоком в клапане этого типа (рис. 6). Положение диска и посадочной поверхности приводит к необходимой линейной характеристике потока.Шаровой клапан всегда управляется выдвижным штоком, поэтому для открытия клапана должно быть достаточно места. Конструкция клапана не обеспечивает беспрепятственного прохождения потока при полностью открытом клапане, так как даже в этом положении жидкость при прохождении через клапан должна сделать два оборота на 90°. Из-за этого перепад давления в шаровом клапане гораздо значительнее, чем в задвижке, когда он полностью открыт. Большой перепад давления является основным недостатком этого типа клапана. Шаровые клапаны иногда используются для двухпозиционного обслуживания, но при проектировании водопроводной системы следует учитывать потерю давления через клапан (таблица 1).
Угловые клапаны и Y-образные клапаны
Угловые клапаны(рис. 7) и Y-образные клапаны (рис. 8) разработаны с целью снижения потерь давления в клапане при сохранении характеристик линейного потока. В угловом клапане это достигается за счет меньшего количества изгибов внутри клапана по сравнению с шаровым клапаном. Жидкость совершает только один поворот на 90°, проходя через угловой клапан.
Рисунок 7. Угловой клапан. Рис. 8. Y-образный клапан.Y-образный клапан нагнетает жидкость на два оборота, как и шаровой клапан, однако жесткость изгибов уменьшается, и жидкость делает два поворота на 45°. Это дает относительно неограниченный путь потока, почти такой же свободный, как в задвижке. Из-за относительно низкой потери давления Y-образные клапаны, а также угловые клапаны иногда используются для двухпозиционного режима (таблица 2).
Игольчатые клапаны
Игольчатый клапан обычно предназначен для небольших расходов, и их использование с ирригационными системами, как правило, ограничивается введением химикатов.
Элемент управления потоком представляет собой длинную конусную или игольчатую заглушку, которая вставляется в седло клапана и позволяет очень точно контролировать поток через клапан. Применение этого клапана обычно ограничивается дросселированием (табл. 2).
Пережимные клапаны
Другим клапаном, который может использоваться в некоторых приложениях для впрыска химикатов, является пережимной клапан. Этот клапан состоит из гибкой трубки и набора прижимных планок, одна подвижная, а другая неподвижная. Он имеет почти линейную характеристику потока и может использоваться для дросселирования.Кроме того, он имеет преимущество простой конструкции. Кроме того, единственным компонентом, контактирующим с жидкостью, является гибкая трубка, что устраняет проблемы с коррозией (рис. 9).
Рисунок 9. Пережимной клапан.
Мембранные клапаны
Основным преимуществом мембранного клапана является отделение жидкости от штока и манжеты штока с помощью гибкой диафрагмы.
Чтобы закрыть клапан, мембрана прижимается к перегородке или водосливу с помощью напорной головки (рис. 10). Этот клапан имеет дополнительное преимущество в виде низких потерь давления, когда он полностью открыт.Механизм штока в мембранных клапанах аналогичен задвижкам и может быть подъемным, невыдвижным или скользящим.
Поворотные затворы
Элемент управления потоком в поворотном затворе представляет собой диск, вращающийся вокруг горизонтальной или вертикальной оси внутри корпуса клапана (рис. 11). Этот диск располагается параллельно потоку жидкости, когда клапан полностью открыт, что приводит к небольшим потерям на трение. Поворотные затворы просты и компактны, имеют хорошие дросселирующие характеристики.Реакция потока примерно линейна на закрытие элемента управления потоком в этих клапанах.
Рисунок 11. Поворотный затвор.
Клапаны управления
Комбинация клапана и привода обычно называется регулирующим клапаном.
Система, обеспечивающая автоматическое управление потоком, состоит из клапана, привода клапана и сенсорного устройства.
В ирригации обычно используются два типа контроллеров и приводов: электрические и гидравлические. Шаровые и угловые клапаны обычно приспособлены для автоматического управления из-за герметичности этих клапанов.Регулирующие клапаны позволяют дистанционно управлять системами орошения, включая и выключая систему с определенного расстояния.
Поршень или гибкая диафрагма являются основным элементом управления потоком, используемым в этих клапанах. Мембрана работает за счет перепада давления внутри клапана, управляемого электрическим (соленоидным) приводом, как показано на рис. 12, или гидравлическим приводом (рис. 13). Мощность на привод передается в виде электрического тока по проводам или гидравлического давления через небольшие трубки.
Рис. 12. Соленоид, мембранный регулирующий клапан.Рис. 13. Гидравлический диафрагменный регулирующий клапан.

В дополнение к типу передаваемой мощности (гидравлические или электрические) регулирующие клапаны можно классифицировать по положению, которое занимает клапан при отключении питания. Некоторые клапаны нормально открыты, когда источник питания выключен, другие нормально закрыты.
Электрические регулирующие клапаны
Клапаны, в которых используются электрические приводы (соленоиды), называются электрическими регулирующими клапанами.Как правило, фактическая передача мощности на элемент управления представляет собой гидравлическое давление, активируемое электрической мощностью, подаваемой на исполнительный механизм. Элемент управления потоком может быть выполнен в виде пробки, диска, поршня или другого подобного устройства, позволяющего закрывать или открывать путь потока в регулирующем клапане. В некоторых случаях поршень исполнительного механизма может быть одновременно элементом управления потоком.
Электромагнитный клапан, который обычно используется в ирригационных системах, использует электромагнитную силу для непосредственного перемещения диска (Рисунок 12) или для инициирования управляющего действия, позволяющего трубопроводной жидкости открыть клапан.
Электрические регулирующие клапаны также можно вручную закрыть или открыть вручную.
Гидравлические регулирующие клапаны
Конструкция гидравлических регулирующих клапанов очень похожа на конструкцию электрического регулирующего клапана (Рисунок 13). Разница лишь в том, что мощность передается за счет изменения давления над приводом (мембранным или поршневым). Это изменение давления передается через трубопровод гидравлического управления или, в некоторых случаях, путем отвода части воды, протекающей через клапан.
Большинство гидравлических регулирующих клапанов нормально открыты, и для закрытия этих клапанов требуется передача энергии.
Обратные клапаны
Обратные клапаны — это клапаны, которые предотвращают поток в одном направлении. Элемент управления может быть выполнен в виде шара, дискового подъемника, наклонного диска, заслонки или качающегося диска и поднимается за счет давления жидкости, текущей в нормальном направлении. Он возвращается в закрытое положение под действием силы тяжести или силы тяжести в сочетании с действием пружины, когда поток останавливается.
Давление, вызванное обратным потоком, или вес водяного столба в линии увеличивает силу, которая прижимает управляющий элемент к седлу, дополнительно предотвращая поток в обратном направлении.
Шаровые обратные клапаны
В этом типе клапана управляющим элементом является свободно движущийся шар, который входит в седло и создает уплотнение (Рисунок 14). Поскольку шарик остается на пути потока жидкости, потери на трение в этих клапанах относительно высоки.
Рис. 14. Шаровой обратный клапан.
Обратные клапаны подъема дисков и поршней
Дисковые подъемные и поршневые обратные клапаны относятся к шаровым клапанам. Элемент управления потоком представляет собой диск или поршень, перемещающийся вдоль вертикальной оси (рис. 15). Соосность с седлом клапана обеспечивается направляющими плунжера или диска. Падение давления в этих клапанах меньше, чем в обычных запорных клапанах.
Рис. 15. Обратный клапан подъема диска.
Откидные или поворотные обратные клапаны
Элемент управления потоком в этом типе клапана представляет собой заслонку или поворотный диск, который поворачивается в точке над основным каналом потока (Рисунок 16).
Когда жидкость течет в нужном направлении, диск или заслонка откидываются. Обратный поток быстро возвращает диск в закрытое положение. Для лучшего контакта диск может быть оснащен пружиной, которая требует некоторого повышения давления перед открытием и помогает вернуть диск в закрытое положение.
Обратный клапан с откидным диском (рис. 17) представляет собой модификацию стандартного поворотного обратного клапана, обеспечивающую очень быстрое закрытие за счет положения диска.Преимущество этого клапана в том, что он не вибрирует и не трепещет, как поворотные и шаровые обратные клапаны.
Рисунок 17. Клапан с наклонным диском.
Мембранные обратные клапаны
Обратный клапан, представленный на рис. 18, состоит из гибкой втулки, уплощенной на одном конце. Эта втулка открывается при прямом потоке, но закрывается при обратном потоке. Втулка обычно изготавливается из материала, похожего на автомобильную шину. Этот клапан особенно подходит для жидкостей, содержащих твердые частицы, так как внутренняя часть втулки мягкая и способна пропускать взвешенные твердые частицы.
Донный клапан
Донные клапанычаще всего используются для поддержания заливки насоса. Они устанавливаются на конце всасывающей трубы для предотвращения выхода воды из всасывающей трубы и насоса, когда насос не работает (Рисунок 19).
Рисунок 19. Донный клапан.
Клапаны специального назначения
Здесь будут рассмотрены несколько клапанов специального назначения, которые иногда используются в ирригационных системах.К ним относятся предохранительные клапаны и редукционные клапаны.
Клапаны сброса давления
Клапаны сброса давления используются в системе для защиты от избыточного давления. Они предназначены для медленного открывания и выпуска небольшого количества жидкости для сброса избыточного давления в системе. Обычно они удерживаются в закрытом положении с помощью подпружиненного диска. Эта пружина может быть отрегулирована для обеспечения заданного предела давления.
Уровни избыточного давления откроют клапан и позволят выпустить некоторое количество жидкости.Установочное давление обычно изменяется с помощью винта в верхней части крышки, который регулирует сжатие пружины. Клапан сброса давления представлен на рисунке 20.
Редукционный клапан
Редукционные клапаны используются в ирригационных системах, где необходимо заданное более низкое давление для правильного функционирования определенных компонентов, таких как эмиттеры в микроирригационных системах. Их также можно использовать в системах с переменным давлением для поддержания более низкого постоянного давления после клапана.Редукционные клапаны обычно состоят из двух клапанов, построенных так же, как диафрагма и подпружиненный предохранительный клапан.
Клапан дросселируется под действием регулируемой пружины в верхней части диафрагмы и давления жидкости под диафрагмой. Вода со стороны пониженного давления клапана отводится в камеру над диафрагмой, чтобы компенсировать сжатие пружины при изменении давления на входе.
Это действие дросселирует регулирующий клапан и позволяет давлению оставаться на заданном уровне.Конструкция клапана с регулируемым давлением представлена на рисунке 21.
Разные клапаны
В рассматриваемых здесь системах полива газонов часто используются два типа клапанов: автоматические распределительные клапаны и программируемые клапаны с батарейным питанием.
Автоматический распределительный клапан позволяет переключать систему полива с одной зоны на другую, последовательно включая и выключая подачу воды.Внутри клапана расположен жесткий резиновый диск с отверстием. Этот диск поворачивается к новому выпускному отверстию для каждого цикла давления (насос выключается, затем включается). Используя различные кулачки, которые легко заменяются, можно автоматически переключаться от одной до шести зон. Использование этого клапана устраняет необходимость использования множества регулирующих клапанов для каждой зоны.
Шестиходовой автоматический распределительный клапан представлен на рисунке 22.
Программируемый клапан с батарейным питанием представлен на рис. 23.Этот программируемый клапан включает в себя две 9-вольтовые батареи. Контроллер, установленный на клапане, позволяет программировать события полива. Контроллер позволяет установить частоту полива, продолжительность полива и время суток, когда следует начинать полив.
Рис. 23. Программируемый клапан с батарейным питанием.Обычно для каждой зоны требуется один программируемый клапан. Тем не менее, можно поливать несколько зон, комбинируя программируемый клапан с автоматическим распределительным клапаном.
Размер клапана
Когда клапан является частью ирригационного трубопровода, общее сопротивление потоку увеличивается. Падение давления через клапан можно рассчитать по уравнению 1: Коэффициент сопротивления K для данного типа клапана имеет тенденцию изменяться в зависимости от размера, как и коэффициент трения для прямой трубы, и определяется экспериментально.
Некоторые значения коэффициента сопротивления для различных клапанов приведены в таблице 1.
Пример 1: Определите потери давления через 4-дюймовый угловой клапан с фланцем, зная, что скорость воды в оросительной системе равна 3.5 футов/сек.
Из Таблицы 1, K = 2,1 для 4-дюймового фланцевого углового клапана. Используя уравнение 1 для расчета: его можно легко преобразовать в фунты на квадратный дюйм давления, фунты на квадратный дюйм (1 фунт на квадратный дюйм = 2,31 фута) или 0,4 фута = 0,17 фунта на квадратный дюйм.
Уравнение 1. undefinedКредит: undefined
Некоторые производители выражают пропускную способность клапана с помощью коэффициента расхода C v . Этот параметр часто используется для выбора размера клапана, особенно для регулирующих клапанов. Это количество галлонов воды температурой 60°F в минуту, которая будет проходить через клапан при перепаде давления в клапане 1 фунт/дюйм 2 .Максимум C v , измеренный при полностью открытом клапане, принимается в качестве меры размера клапана.
Для воды при температуре 60°F это выражается уравнением 2: Если C v известно для данного клапана, величина расхода может быть определена для данного перепада давления. И наоборот, падение давления можно найти для заданного расхода. Если известны величина расхода и падение давления, можно рассчитать C v и найти подходящий клапан. Пример коэффициентов потока представлен в таблице 3.
Пример 2: Для клапана с характеристиками расхода, описанными в таблице 3, какая потеря давления произойдет в 3-дюймовом клапане с расходом 250 галлонов в минуту?
Из таблицы 3, C v = 96 для 3-дюймового клапана.
Использование уравнения 2 для выполнения расчета: Некоторые производители представляют взаимосвязь между размером, расходом и потерей давления для данного клапана в таблице. При заданном расходе и требуемом перепаде давления требуемый размер клапана можно определить непосредственно из такой таблицы.
Уравнение 2. не определеноКредит: не определеноУравнение 3.
не определено Кредит: не определеноУравнение 4. не определено
Кредит: не определено
Резюме
В этой публикации обсуждались различные типы клапанов, их конструкция и функции. Даны и обоснованы рекомендации по конкретному использованию каждого типа клапана. Кроме того, был представлен метод определения размера клапана.
Каталожные номера
Лайонс, Дж. Л. и К. Л. Аскленд. 1975. Лионская энциклопедия клапанов .Компания Van Nostrand Reinhold, Нью-Йорк.
Schweitzer, P.A. 1972. Справочник по клапанам . Industrial Press Inc., 200 Madison Ave., New York, NY 10016.
Карасик, И. Дж., В. К. Круцш, У. Х. Фрейзер и Дж. П. Мессина. 1976. Справочник по насосам . McGraw-Hill, Inc., Нью-Йорк.
Холланд, Ф. А. и Ф. С. Чепмен. 1966. Перекачивание жидкостей . Reinhold Publishing Corp., Нью-Йорк.
Таблица 1. Значения коэффициента сопротивления, K, для использования в формуле * для оросительных клапанов (h L = K[v 2 /2g]).
**
Номинальный диаметр стандартной трубы | |||||||||||
0,75 в | 1 из | 1,5 дюйма | 2 из | 3 из | 4 из | 5 в | 6 в | 7 в | 8 в | 10 в | |
Шаровой фланцевый | – | – | – | .11 | 7,0 | 6,3 | 6,0 | 5,8 | 5,7 | 5,6 | 5,5 |
Шаровая резьба | 18,0 | 11,0 | 9,0 | 8,0 | 6,0 | 5. | – | – | – | – | – |
Шибер фланцевый | – | – | – | – | .21 | .16 | .13 | .11 | .09 | .075 | .06 |
Шибер с резьбой | .4 | .3 | .25 | .23 | .14 | .12 | – | – | – | – | – |
Поворотный затвор фланцевый | – | – | – | – | 2.0 | 2,0 | 2,0 | 2,0 | 2,0 | 2,0 | 2,0 |
Поворотный запор с резьбой | 6,0 | 4,0 | 3,4 | 2,7 | 2. | 2,0 | – | – | – | – | – |
Угловой фланцевый | – | – | – | – | 2.2 | 2.1 | 2,0 | 2,0 | 2,0 | 2,0 | 2,0 |
Угловая резьба | – | 10,0 | 7,5 | 4,0 | 1,3 | 1,0 | – | – | – | – | – |
Нога | – | – | – | 2.3 | 1,5 | 1,4 | 1,2 | 1,2 | 1,0 | . | .80 |
* См. уравнение 1 | |||||||||||
** Avila, GS 1974. Hidraulica General Vol. 1. Editorial Limusa, S.A., Мексика, 1974. . | |||||||||||
Рекомендуемое обслуживание клапана.
Клапан | Двухпозиционный | Управление и дросселирование | Отвод потока | Частот. Опер. | Низкий перепад давления | Переработка навозной жижи | Быстрое открывание | Свободный* Слив | Предотвращение обратного потока | Предотвращение избыточного давления | Контрольное давление |
Ворота | х | х | – | – | х | – | х | х | – | – | – |
Заглушка | х | х | х | х | х | – | х | х | – | – | – |
Мяч | х | х | х | х | х | – | х | – | – | – | – |
Глобус | х | х | – | х | – | – | – | – | – | – | – |
Угол | х | х | – | х | – | – | – | – | – | – | – |
“Д” | х | х | – | х | – | – | – | – | – | – | – |
Игла | – | х | – | – | – | – | – | – | – | – | – |
Зажим | х | х | – | – | х | х | – | х | – | – | – |
Мембрана | х | х | – | – | – | х | х | х | – | – | – |
Бабочка | х | х | – | х | х | х | х | х | – | – | – |
Контрольный мяч | – | – | – | – | – | – | – | – | х | – | – |
Проверка подъема диска | – | – | – | – | – | – | – | – | х | – | – |
Проверка подъема поршня | – | – | – | – | – | – | – | – | х | – | – |
Поворотный чек | – | – | – | – | х | – | – | – | х | – | – |
Проверка наклонного диска | – | – | – | – | х | – | – | – | х | – | – |
Проверка мембраны | – | – | – | – | х | – | – | – | х | – | – |
Подпружиненный чек | – | – | – | – | – | – | – | – | х | – | – |
Донный клапан | – | – | – | – | – | – | – | – | х | – | – |
Сброс давления | х | – | – | – | – | – | – | – | – | х | – |
Редуктор давления | – | – | – | – | – | – | – | – | – | – | х |
* Все эти клапаны могут не полностью свободно дренировать, но они задерживают минимальное количество жидкости. | |||||||||||
+ Только если это указано производителем для этой цели. | |||||||||||
Характеристики потока для данного клапана.
Размер клапана | C v (полностью открыто) 1 | Мин. Расход гал/мин 2 | Макс. Расход гал/мин 3 |
1” | 23 | 5 | 95 |
1а” | 27 | 5 | 100 |
2 дюйма | 47 | 10 | 210 |
2а” | 68 | 15 | 300 |
3 дюйма | 96 | 25 | 460 |
4 дюйма | 200 | 40 | 800 |
6 дюймов | 450 | 90 | 1800 |
8 дюймов | 760 | 150 | 3100 |
10 дюймов | 1100 | 250 | 4900 |
12 дюймов | 1700 | 350 | 7000 |
14 дюймов | 2151 | 425 | 8450 |
16 дюймов | 2850 | 550 | 11000 |
1 Относится только к полностью открытому клапану. | |||
2 Абсолютный минимальный расход на основе скорости 1 фут/сек для полностью открытого клапана. | |||
3 Максимальный непрерывный поток при скорости 20 футов/сек. | |||
%PDF-1.4 % 1358 0 объект > эндообъект внешняя ссылка 1358 78 0000000016 00000 н 0000002715 00000 н 0000002878 00000 н 0000003544 00000 н 0000003693 00000 н 0000003792 00000 н 0000004206 00000 н 0000004387 00000 н 0000004568 00000 н 0000004620 00000 н 0000004735 00000 н 0000006505 00000 н 0000006912 00000 н 0000007402 00000 н 0000007901 00000 н 0000008322 00000 н 0000008416 00000 н 0000008899 00000 н 0000009266 00000 н 0000009922 00000 н 0000010478 00000 н 0000010580 00000 н 0000011157 00000 н 0000011593 00000 н 0000063370 00000 н 0000067962 00000 н 0000076025 00000 н 0000081505 00000 н 0000081625 00000 н 0000081701 00000 н 0000081817 00000 н 0000082389 00000 н 0000083203 00000 н 0000083239 00000 н 0000083318 00000 н 0000097494 00000 н 0000097826 00000 н 0000097895 00000 н 0000098013 00000 н 0000098049 00000 н 0000098128 00000 н 0000103772 00000 н 0000104106 00000 н 0000104175 00000 н 0000104293 00000 н 0000104329 00000 н 0000104408 00000 н 0000104742 00000 н 0000104811 00000 н 0000104929 00000 н 0000104965 00000 н 0000105044 00000 н 0000105377 00000 н 0000105446 00000 н 0000105564 00000 н 0000105650 00000 н 0000109225 00000 н 0000109569 00000 н 0000109988 00000 н 0000123259 00000 н 0000123516 00000 н 0000123901 00000 н 0000123980 00000 н 0000124251 00000 н 0000124330 00000 н 0000124602 00000 н 0000124681 00000 н 0000124953 00000 н 0000125032 00000 н 0000125304 00000 н 0000135238 00000 н 0000247258 00000 н 0000248870 00000 н 0000282547 00000 н 0000284310 00000 н 00002
00000 н 0000002507 00000 н 0000001856 00000 н трейлер ]/Предыдущая 1666340/XRefStm 2507>> startxref 0 %%EOF 1435 0 объект >поток hb“d`JA,M& 9\*Mtbؖe4_?=paid8Ó fR:ʸte)*@rFUyqhз8nyςWʯo`Yy[B$3uʔS{%X*p^XrR+;:>eh 9y$)263Tֶ,۵GJ,QṣI_@fy9sT2Xg]ͨ
Регулирующие клапаны: какие типы клапанов наиболее распространены?
Существует бесчисленное множество типов клапанов для использования в самых разных отраслях и областях применения.
Когда дело доходит до клапанов управления потоком, типы клапанов варьируются от простых до сложных; некоторые клапаны достаточно сложны, чтобы автоматически приспосабливаться к изменениям давления и температуры. Независимо от конструкции клапаны управления потоком предназначены для регулирования потока или давления жидкостей и обычно реагируют на сигналы, генерируемые расходомерами или датчиками температуры.
могут выполнять ряд различных функций в гидравлической системе потока в зависимости от конкретного типа используемого клапана.Одним из наиболее распространенных применений клапана управления потоком является регулирование скорости двигателей или цилиндров в системе. Эта функция возможна благодаря способности клапана управления потоком влиять на скорость передачи энергии в любой заданной точке системы путем воздействия на скорость потока.
Возможность понизить или повысить давление в системе имеет ряд преимуществ.
Операторы системы могут использовать клапан управления потоком для быстрого сброса давления в исправном шланге и быстрой замены фитингов.Они также используются во многих потребительских устройствах, таких как душевые кабины, смесители и системы полива газонов, чтобы легко сократить количество потребляемой воды, не влияя на общую производительность системы. Клапаны управления потоком также известны своей надежностью и, как правило, имеют длительный срок службы, поскольку они не подвержены засорению благодаря своей конструкции.
Благодаря этим гибким рабочим параметрам клапаны управления потоком нашли широкое применение в погрузочно-разгрузочных работах, пищевой промышленности, а также в автоматизированном производственном и складском оборудовании.
К наиболее распространенным типам клапанов в отраслях управления потоком относятся:
Продолжайте читать, чтобы узнать больше о каждом из этих типов регулирующих клапанов и их функциях.
1.
Задвижки Задвижки— это задвижки общего назначения, которые в основном используются для двухпозиционного, недросселирующего режима. В частности, задвижки используются в приложениях, требующих прямолинейного потока жидкости с минимальным ограничением
. Задвижки работают, когда пользователь поворачивает шток по часовой стрелке, чтобы закрыть (CTC), или по часовой стрелке, чтобы открыть (CTO).Затвор перемещается вверх или вниз по резьбовому шагу, когда оператор перемещает шток, поэтому он является многооборотным клапаном; клапан должен повернуться несколько раз, чтобы перейти из открытого состояния в закрытое, и именно медленная работа предотвращает эффект гидравлического удара. Инженеры также используют задвижки, когда требуется минимальная потеря давления и свободный проход. Типичные задвижки не имеют препятствий на пути потока, что приводит к минимальной потере давления. Задвижки могут использоваться для нескольких жидкостей. Как правило, задвижки применяются для питьевой воды, сточных вод и нейтральных жидкостей; при температуре от -20 до 70 градусов Цельсия; максимальная скорость потока 5 м/с; и дифференциальное давление до 16 бар.
Задвижки также применимы для газов с температурой от -20 до 60 градусов Цельсия; максимальная скорость потока 20 м/с; и дифференциальное давление до 16 бар.
Задвижки бывают двух типов: параллельные и клиновые. Параллельные задвижки имеют плоский затвор между двумя параллельными седлами. Клиновидные задвижки состоят из двух наклонных седел и наклонного затвора, который лишь немного рассогласован.
Изображение через Flickr Элси, эсквайр
2.Шаровые клапаны
Клапан линейного перемещения, шаровые клапаны останавливают, запускают и регулируют поток. Запорные клапаны инициируют закрытие с помощью плунжера с плоским или выпуклым дном, который опускается на горизонтальное седло, расположенное в центре клапана. Когда пользователь открывает клапан, пробка поднимается, позволяя жидкости течь. Шаровые клапаны используются для двухпозиционных и дроссельных приложений, поскольку диск клапана может быть полностью удален с пути потока или может полностью закрыть путь потока.
Несмотря на то, что этот тип клапана управления потоком создает несколько более высокие потери давления, чем прямоточные клапаны, такие как задвижки, плунжерные и шаровые клапаны, они применимы в ситуациях, когда падение давления на клапане не является контролирующим фактором.
Практический предел размера для шаровых клапанов составляет NPS 12 (DN 300), поскольку все давление системы, воздействующее на диск, передается на шток клапана. Однако можно использовать запорные клапаны размером более NPS 12 (DN 300), и производители и инженеры создали и используют запорные клапаны до NPS 48 (DN 1200).
3. Пережимные клапаны
Экономичный регулирующий клапан, пережимные клапаны идеально подходят для работы со шламами или жидкостями, содержащими значительное количество взвешенных твердых частиц.Пережимные клапаны герметизируются с помощью одного или нескольких гибких элементов, таких как резиновые трубки, которые пережимаются, чтобы перекрыть поток.
Эти резиновые втулки являются единственной смачиваемой частью клапана, а их гибкость позволяет пережимным клапанам плотно закрываться вокруг захваченных твердых частиц. Воздушное или гидравлическое давление подается непосредственно на эластомерную втулку для приведения в действие пережимных клапанов. Корпус пережимного клапана действует как встроенный привод, который устраняет необходимость в дорогостоящих гидравлических, пневматических или электрических приводах и обеспечивает экономическую эффективность этого типа клапана управления потоком.
4. Мембранные клапаны
Мембранные клапаны характеризуются гибким диском, который контактирует с седлом в верхней части корпуса клапана и образует уплотнение. Диафрагма гибкая и чувствительная к давлению; он передает усилие для открытия, закрытия или управления клапаном. Хотя мембранные клапаны относятся к пережимным клапанам, они используют эластомерную диафрагму, а не эластомерную прокладку в корпусе клапана. Эластомерная диафрагма прикреплена к компрессору и отделяет поток от запорного элемента.
Мембранные клапаны идеально подходят для работы с агрессивными, эрозионными и грязными средами.Использование мембранных клапанов имеет множество преимуществ: они очень чистые, имеют герметичное уплотнение, герметично закрываются, просты в обслуживании и уменьшают утечку в окружающую среду. Мембранные клапаны также можно ремонтировать без разрыва трубопровода. С другой стороны, недостатки использования мембранных клапанов заключаются в том, что их можно использовать только при умеренных температурах от -60 до 450 градусов по Фаренгейту и при умеренном давлении около 300 фунтов на квадратный дюйм.Мембранные клапаны не могут использоваться в многооборотных операциях и не имеют стандартных габаритных размеров. Также корпус мембранного клапана должен быть изготовлен из коррозионностойких материалов.
Изображение с Flickr Уильяма Херрона
5. Игольчатые клапаны
Игольчатые клапаны — это клапаны управления объемом, которые ограничивают поток в небольших линиях.
Жидкость, проходящая через клапан, поворачивается на 90 градусов и течет через отверстие, которое служит седлом для стержня с конусообразным наконечником.Размер отверстия изменяется, когда пользователь размещает конус по отношению к седлу. Игольчатые клапаны похожи на запорные клапаны в том, что они имеют несколько общих конструктивных особенностей и имеют схожие преимущества; например, как игольчатые, так и шаровые клапаны позволяют операторам изменять скорость потока с помощью вращающегося штока с резьбой. Разница между игольчатыми клапанами и шаровыми клапанами заключается в точности, которой могут достичь игольчатые клапаны. Фактически, игольчатые клапаны являются идеальным выбором для калибровки, поскольку их можно точно настроить.
Мелкая резьба штока клапана игольчатого клапана дает ему значительное механическое преимущество, позволяя операторам герметизировать его с минимальным усилием. Однако одним недостатком игольчатых клапанов является то, что одного визуального осмотра недостаточно, чтобы определить, открыт или закрыт игольчатый клапан.Клапаны управления потоком являются необходимыми компонентами в самых разных отраслях промышленности. Определение того, какой тип клапана управления потоком лучше всего подходит для вашей конкретной ситуации, зависит от множества критериев, но наиболее часто используемые типы включают задвижки, шаровые клапаны, пережимные клапаны, мембранные клапаны и игольчатые клапаны.
Изображение с Flickr от nalundgaard
Другие типы регулирующих клапанов
Хотя описанные выше пять типов регулирующих клапанов являются одними из наиболее часто используемых типов клапанов, существуют и другие типы регулирующих клапанов с характеристиками, которые делают их подходящими для различных областей применения.
Вот посмотрите на несколько других типов клапанов управления потоком.
Поворотный затвор. Поворотный затвор приводится в действие за счет вращения диска в пределах проходного сечения и, благодаря своей конструкции, не имеет линейной характеристики потока. Это делает эти клапаны менее точными, чем более распространенные типы регулирующих клапанов, описанные выше. По этой причине его часто можно отвергнуть как выбор клапана управления потоком, хотя он полезен в некоторых приложениях, не требующих очень высокой степени точности.Они также являются очень доступным вариантом клапана, что делает целесообразным их использование в правильных приложениях.
Пробковый клапан. Плунжерные клапаны бывают различных конфигураций и приводятся в действие путем вращения цилиндрического или конического плунжера внутри корпуса клапана для регулирования потока через полую часть плунжера. Для приложений управления потоком наиболее распространенной конструкцией является эксцентриковый плунжерный клапан, в котором используется половина плунжера для создания более высокого посадочного усилия с минимальным трением при открытии и закрытии.
Преимущество этого заключается в большей возможности отключения, что идеально подходит для ситуаций управления потоком.
Шаровой кран. Шаровые краны широко используются в проточных системах во многих отраслях промышленности из-за их низкой стоимости, долговечности и отличной перекрывающей способности. Подобно дисковым затворам, они не так эффективны для приложений управления потоком, которые требуют высокой степени точности и контроля. Одна из причин этого заключается в том, что для открытия и закрытия шарового клапана требуется большой крутящий момент, что не позволяет оператору выполнять точную настройку.Между штоком и шаром также имеется определенный «люфт», что может затруднить определение конкретных скоростей потока. Для приложений управления потоком, где возможен шаровой клапан, например, для заполнения резервуара с разумной степенью точности, обычно лучшим выбором является конструкция шарового клапана с цапфой или V-образным отверстием.
Клапаны управления потоком используются в различных областях, таких как сантехника, механика и газораспределение.
Существует множество факторов, которые следует учитывать при выборе подходящего клапана управления потоком для конкретного применения, например, характеристики жидкости, условия эксплуатации, частота использования клапана, а также требования к техническому обслуживанию и условиям окружающей среды.При наличии различных типов клапанов сравнение функций и характеристик различных клапанов с техническими характеристиками вашего применения поможет вам определить наиболее подходящий клапан управления потоком для вашего приложения.
Характеристики регулирующего клапана | Спиракс Сарко
Примеры этих и присущих им характеристик показаны на рисунках 6.5.1 и 6.5.2.
Характеристика быстрого открытия
Плунжер клапана с характеристикой быстрого открытия дает большое изменение расхода при небольшом подъеме клапана из закрытого положения.Например, подъем клапана на 50 % может привести к тому, что проходное сечение отверстия и скорость потока составят до 90 % от его максимального потенциала.![]()
Клапан, использующий заглушку этого типа, иногда называют клапаном с характеристикой «открыто/закрыто».
В отличие от линейных и равнопроцентных характеристик, точная форма кривой быстрого открытия не определена в стандартах. Таким образом, два клапана, один из которых обеспечивает 80% расход при 50% подъема, а другой 90% при 60% подъеме, можно рассматривать как имеющие характеристики быстрого открытия.
Клапаны быстрого открытия, как правило, имеют электрический или пневматический привод и используются для управления «вкл/выкл».
Регулирующий клапан самодействующего типа, как правило, имеет форму пробки, аналогичную быстро открывающейся пробке на рис. 6.5.1. Положение пробки реагирует на изменения давления жидкости или пара в системе управления. Движение плунжера клапана этого типа может быть чрезвычайно малым по сравнению с небольшими изменениями в контролируемых условиях, и, следовательно, клапан имеет высокую степень регулирования.Таким образом, плунжер клапана способен воспроизвести небольшие изменения расхода и не должен рассматриваться как быстро открывающийся регулирующий клапан.![]()
Линейная характеристика
Плунжер клапана с линейной характеристикой имеет такую форму, что скорость потока прямо пропорциональна подъему клапана (H) при постоянном перепаде давления. Линейный клапан достигает этого за счет линейной зависимости между подъемом клапана и площадью проходного отверстия (см. Рисунок 6.5.3).
Например, при 40-процентном подъеме клапана размер отверстия 40 % позволяет проходить 40 % полного потока.
Равнопроцентная характеристика (или логарифмическая характеристика)
Эти клапаны имеют плунжер клапана такой формы, что каждое увеличение подъема клапана увеличивает расход на определенный процент от предыдущего расхода. Зависимость между подъемом клапана и размером отверстия (и, следовательно, расходом) не линейная, а логарифмическая и выражается математически в уравнении 6.5.1:
.Пример 6.5.1
Максимальный расход через регулирующий клапан с равнопроцентной характеристикой составляет 10 м³/ч.
Если клапан имеет динамический диапазон 50:1 и подвергается постоянному перепаду давления, используя уравнение 6.5.1, какое количество будет проходить через клапан с подъемами 40 %, 50 % и 60 % соответственно?
Увеличение объемного расхода через этот тип регулирующего клапана увеличивается на равный процент на равное приращение движения клапана:
- Когда клапан открыт на 50 %, он будет проходить 1,414 м³/ч, что на 48 % больше, чем расход 0,956 м³/ч, когда клапан открыт на 40 %.
- Когда клапан открыт на 60 %, он пропускает 2,091 м³/ч, что на 48 % больше, чем расход 1,414 м³/ч, когда клапан открыт на 50 %.
Видно, что (при постоянном перепаде давления) при увеличении подъема клапана на 10 % расход через регулирующий клапан увеличивается на 48 %. Это всегда будет иметь место для равнопроцентного клапана с диапазоном изменения 50. Для интереса, если клапан имеет диапазон диапазона 100, прирост расхода при изменении подъема клапана на 10% составляет 58%.
В таблице 6.5.1 показано, как изменение расхода изменяется в диапазоне подъема клапана для равнопроцентного клапана в примере 6.5.1 с диапазоном изменения 50 и постоянным перепадом давления.
Иногда используются несколько других присущих клапану характеристик, таких как параболический, модифицированный линейный или гиперболический, но наиболее распространенными типами в производстве являются быстрооткрывающиеся, линейные и равнопроцентные.
Соответствие характеристики клапана характеристике установки
Каждое приложение будет иметь уникальную характеристику установки, которая связывает расход жидкости с потребностью в тепле.Перепад давления на клапане, регулирующем поток теплоносителя, также может варьироваться:
- В водяных системах характеристическая кривая насоса означает, что по мере уменьшения расхода давление перед клапаном увеличивается (см. пример 6.5.2 и модуль 6.3).
- В системах регулирования температуры пара перепад давления на регулирующем клапане намеренно изменяется, чтобы удовлетворить требуемую тепловую нагрузку.

Характеристика регулирующего клапана, выбранного для применения, должна давать прямую зависимость между открытием клапана и расходом на максимально возможном протяжении хода клапана.
В данном разделе будут рассмотрены различные варианты характеристик клапанов для управления водяными и паровыми системами. Как правило, линейные клапаны используются для водяных систем, в то время как паровые системы, как правило, лучше работают с равнопроцентными клапанами.
1. Система водяного циркуляционного отопления с трехходовым краном
В системах водоснабжения, где постоянный расход воды смешивается или отводится трехходовым клапаном в уравновешенный контур, потери давления на клапане поддерживаются как можно более стабильными для поддержания баланса в системе .
Заключение
– В этих случаях наилучшим выбором обычно является клапан с линейной характеристикой. Из-за этого установленные и собственные характеристики всегда одинаковы и линейны, а коэффициент усиления в контуре управления будет ограниченным.
2. Система регулирования уровня котловой воды – система водяная с двухходовым клапаном
клапан двухходовой клапан
В системах этого типа (пример показан на рис. 6.5.6), где двухходовой регулирующий клапан питательной воды изменяет расход воды, перепад давления на регулирующем клапане будет изменяться в зависимости от расхода.Это изменение вызвано:
- Характеристика насоса. По мере уменьшения расхода перепад давления между насосом и котлом увеличивается (более подробно это явление обсуждается в Модуле 6.3).
- Сопротивление трению трубопровода изменяется в зависимости от расхода. Потеря напора на трение пропорциональна квадрату скорости. (Это явление более подробно обсуждается в Модуле 6.3).
- Давление внутри котла зависит от количества пара, типа системы управления горелкой и режима ее управления.
Пример 6.5.2 Выбор и размер клапана питательной воды на рисунке 6.5.6
В упрощенном примере (который предполагает постоянное давление в котле и постоянные потери на трение в трубопроводе) котёл рассчитан на производство 10 тонн пара в час.
Рабочие характеристики питательного насоса котла приведены в таблице 6.5.2 вместе с результирующим перепадом давления (ΔP) на клапане питательной воды при различных расходах при максимальном требуемом расходе 10 м³/ч питательной воды и ниже.
Примечание: ΔP клапана представляет собой разницу между давлением нагнетания насоса и постоянным давлением в котле 10 бари. Обратите внимание, что давление нагнетания насоса будет падать по мере увеличения расхода питательной воды. Это означает, что давление воды перед клапаном питательной воды также падает с увеличением расхода, что повлияет на соотношение между падением давления и расходом через клапан.
Из Таблицы 6.5.2 можно определить, что падение давления нагнетания насоса составляет около 26 % от холостого хода до полной нагрузки, но падение перепада давления на клапане питательной воды намного больше и составляет 72 %.Если при выборе размера клапана не учитывать падающий перепад давления на клапане, размер клапана может быть меньше.
Как обсуждалось в модулях 6.2 и 6.3, пропускная способность клапана обычно измеряется в Kv. В частности, Kvs относится к площади прохода клапана, когда он полностью открыт, а Kvr относится к площади прохода клапана, как того требует приложение.
Учтите, составляет ли проходное сечение полностью открытого клапана с Kvs, равным 10, 100 %.Если клапан закрывается так, что проходное сечение составляет 60 % от полностью открытого проходного сечения, Kvr также составляет 60 % от 10 = 6. Это применимо независимо от собственной характеристики клапана. Скорость потока через клапан при каждом открытии будет зависеть от перепада давления в данный момент.
Используя данные таблицы 6.5.2, требуемую пропускную способность клапана, Kvr, можно рассчитать для каждого дополнительного расхода и перепада давления на клапане, используя уравнение 6.5.2, полученное из уравнения 6.3.2. Kvr можно представить как фактическая пропускная способность клапана, необходимая для установки, и, если построить график зависимости от требуемого расхода, полученный график можно назвать «кривой установки».
При полной нагрузке из таблицы 6.5.2:
Требуемый расход через клапан = 10 м³/ч
ΔP на клапане = 1,54 бар 1,54 бар
Из уравнения 6.5.2: бар
Взяв расход клапана и ΔP клапана из таблицы 6.5.2, Kvr для каждого приращения можно определить по уравнению 6.5.2; и они сведены в таблицу 6.5.3.
Построение кривой установки
Квр 8.06 удовлетворяет условию максимального расхода 10 м3/ч для этого примера.
Кривая установки может быть построена путем сравнения расхода с Kvr, но обычно удобнее рассматривать кривую установки в процентах. Это просто означает процентное отношение Kvr к Kvs, или, другими словами, процент фактической площади прохода по отношению к полностью открытой площади прохода.
Для этого примера: Кривая установки строится на основе отношения Kvr при любой нагрузке к Kvs, равному 8.06. Клапан с Kvs 8,06 будет «идеального размера» и будет описывать кривую установки, как указано в таблице 6.
5.4 и показано на рисунке 6.5.7. Эту установочную кривую можно рассматривать как пропускную способность клапана идеального размера для этого примера.
Видно, что, поскольку размер клапана «идеально подходит» для этой установки, максимальный расход достигается, когда клапан полностью открыт.
Однако маловероятно и нежелательно выбирать клапан идеального размера.На практике выбранный клапан обычно должен быть как минимум на один размер больше и, следовательно, иметь Kvs больше, чем Kvr установки.
Поскольку клапан с Kvs 8,06 недоступен в продаже, следующий более крупный стандартный клапан будет иметь Kvs 10 с номинальными соединениями DN25.
Интересно сравнить линейные и равнопроцентные клапаны с Kvs 10 с кривой установки для этого примера.
Рассмотрим клапан с линейной внутренней характеристикой
Клапан с линейной характеристикой означает, что соотношение между подъемом клапана и площадью проходного сечения является линейным.
Таким образом, проходное сечение и высота подъема клапана при любом расходе представляют собой просто Kvr, выраженный как доля Kvs клапана. Например:
Из таблицы 6.5.4 видно, что при максимальном расходе 10 м³/ч Kvr составляет 8,06. Если линейный клапан имеет Kvs 10, чтобы клапан удовлетворял требуемому максимальному расходу, клапан поднимется:
С помощью той же процедуры можно определить размер проходного сечения и подъем клапана, необходимые при различных скоростях потока, для линейного клапана, как показано в Таблице 6.5.5.
Равнопроцентному клапану потребуется точно такая же площадь прохода, чтобы обеспечить такой же максимальный расход, но его подъем будет отличаться от подъема линейного клапана.
Рассмотрим клапан с равнопроцентной внутренней характеристикой
. При диапазоне изменения клапана 50:1, τ = 50 подъем (H) можно определить с помощью уравнения 6.5.1:
Процентный подъем клапана обозначается уравнением 6.
5.3.
Поскольку объемный расход через любой клапан пропорционален проходной площади отверстия, уравнение 6.5.3 можно изменить, чтобы получить равный процент подъема клапана с точки зрения площади прохода и, следовательно, Kv.
Это показано уравнением 6.5.4.
Как уже было рассчитано, Kvr при максимальном расходе 10 м³/ч составляет 8,06, а Kvs клапана DN25 равно 10. Используя уравнение 6.5.4, требуемый подъем клапана при полной нагрузке составляет, следовательно:
, следовательно :
Используя ту же процедуру, подъем клапана, требуемый при различных расходах, можно определить по уравнению 6.5.4 и показан в таблице 6.5.6.
Сравнение линейного и равнопроцентного клапанов для данного приложения
Результирующая кривая применения и кривые клапана для применения в примере 6.5.2 как для линейных, так и для равнопроцентных собственных характеристик клапана показаны на рис.
6.5.8.
Обратите внимание, что равнопроцентный клапан имеет значительно больший подъем, чем линейный клапан, для достижения того же расхода. Также интересно отметить, что, хотя Kvs каждого из этих клапанов больше, чем у «клапана идеального размера» (который дает кривую установки), равнопроцентный клапан дает значительно более высокий подъем, чем кривая установки.Для сравнения, линейный клапан всегда имеет меньший подъем, чем кривая установки.
Округлый характер кривой для линейного клапана обусловлен падением перепада давления на клапане по мере увеличения расхода. Если бы давление насоса оставалось постоянным во всем диапазоне расходов, кривая установки и кривая для линейного клапана были бы прямыми линиями.
Наблюдая за кривой для равнопроцентного клапана, можно увидеть, что, хотя линейная зависимость не достигается на всем протяжении его хода, она превышает 50% расхода.
Равнопроцентный клапан имеет преимущество перед линейным клапаном при низких расходах.
Учтите, что при 10% расходе 1 м³/ч линейный клапан поднимается только примерно на 4%, тогда как равнопроцентный клапан поднимается примерно на 20%. Хотя площадь проходного сечения обоих клапанов будет одинаковой, форма равнопроцентного плунжера клапана означает, что он работает дальше от своего седла, что снижает риск повреждения от удара между плунжером клапана и седлом из-за быстрого снижения нагрузки. при низких расходах.
Равнопроцентный клапан увеличенного размера по-прежнему будет обеспечивать хороший контроль во всем диапазоне, в то время как линейный клапан увеличенного размера может работать менее эффективно, вызывая быстрые изменения расхода при небольших изменениях подъемной силы.
Заключение. В большинстве случаев равнопроцентный клапан обеспечивает хорошие результаты и очень устойчив к превышению размеров. Он будет обеспечивать более постоянное усиление при изменении нагрузки, помогая обеспечить более стабильный контур управления в любое время. Однако это видно из рисунка 6.
5.8, что если линейный клапан имеет правильный размер, он будет отлично работать в этом типе применения воды.
3. Контроль температуры паровой установки с двухходовым клапаном
В теплообменниках, в которых в качестве основного теплоносителя используется пар, регулирование температуры достигается за счет изменения расхода пара через двухходовой регулирующий клапан в соответствии со скоростью, с которой пар конденсируется на нагревательных поверхностях. Этот изменяющийся поток пара изменяет давление (и, следовательно, температуру) пара в теплообменнике и, следовательно, скорость теплопередачи.
Пример 6.5.3
В конкретном процессе теплообмена пар-вода предполагается, что:
- Вода нагревается от 10°C до постоянных 60°C.
- Расход воды варьируется от 0 до 10 л/с (кг/с).
- При полной нагрузке в змеевиках теплообменника требуется пар под давлением 4 бар абс.
- Общий коэффициент теплопередачи (U) составляет 1 500 Вт/м2°C при полной нагрузке и снижается на 4 % на каждые 10 % снижения расхода вторичной воды.

Используя эти данные и применяя правильные уравнения, можно определить следующие свойства:
- Площадь теплопередачи для удовлетворения максимальной нагрузки. Пока это не установлено, можно найти следующее:
- Температура пара при различных тепловых нагрузках.
- Давление пара при различных тепловых нагрузках.
При максимальной нагрузке:
Тепловая нагрузка определяется по уравнению 2.6.5:
- Найдите площадь теплообмена, необходимую для удовлетворения максимальной нагрузки.
Площадь теплопередачи (A) можно определить из уравнения 2.5.3:
На данном этапе ΔTLM неизвестен, но может быть рассчитан на основе температур первичного пара и вторичной воды с использованием уравнения 2.5.5.
- Найдите среднелогарифмическую разность температур.
ΔTLM можно определить по уравнению 2.5.5:
Найти условия при других тепловых нагрузках при снижении расхода воды на 10%:
Если расход воды упадет на 10% до 9 кг/с, тепловая нагрузка уменьшится до:
Q= 9 кг/с x (60 – 10°C) x 4.
19 кДж / кг °C = 1 885,5 кВт
Начальное значение «U», равное 1 500 Вт/м2 °C, уменьшается на 4 %, поэтому требуемая температура в паровом пространстве может быть рассчитана по уравнению 2.5.3:
- Найдите температуру пара при этой уменьшенной нагрузке.
Если ΔTLM = 100°C и T1, T2 уже известны, то Ts можно определить из уравнения 2.5.5:
Давление насыщенного пара при температуре 137°C составляет 3,32 бар абс. (из паровых таблиц Spirax Sarco).
При 3,32 бар абс. hfg = 2 153,5 кДж/кг, следовательно, из уравнения 2.8.1:
С помощью этой процедуры можно определить набор значений в рабочем диапазоне теплообменника, как показано в таблице 6.5.7.
Если давление пара, подаваемого на регулирующий клапан, задано равным 5,0 бар абс. и используется информация о давлении пара и расходе пара из таблицы 6.5.7; Kvr можно рассчитать по уравнению 6.5.6, которое получено из формулы расхода пара, уравнение 3.
21.2.
С помощью этой процедуры можно определить Kvr для каждого приращения потока, как показано в таблице 6.5.8.
Кривая установки также может быть определена путем рассмотрения Kvr при всех нагрузках по сравнению с Kvs «идеального размера» 69,2.
Kvr 69,2 соответствует максимальному вторичному расходу 10 кг/с.
Как и в примере 6.5.2, кривая установки описывается отношением Kvr при любой нагрузке к Kvs, равному 69.2.
Такой клапан будет «идеального размера» для примера и будет описывать кривую установки, как показано в таблице 6.5.8 и показано на рисунке 6.5.9.
Установочную кривую можно рассматривать как пропускную способность клапана, размер которого идеально соответствует требованиям применения.
Видно, что, поскольку клапан с Kvs 69,2 «идеально подходит» для этого применения, максимальный расход достигается, когда клапан полностью открыт.
Однако, как и в Примере 6 для определения размеров водяного клапана.
5.2, нежелательно подбирать клапан идеального размера. На практике всегда будет так, что выбранный клапан будет по крайней мере на один размер больше требуемого и, следовательно, будет иметь Kvs больше, чем Kvr приложения.
Клапан с Kvs 69,2 недоступен в продаже, а следующий более крупный стандартный клапан имеет Kvs 100 с номинальным DN80 соединениями.
Интересно сравнить линейные и равнопроцентные клапаны, имеющие Kvs 100, с кривой установки для этого примера.
Рассмотрим клапан с линейной внутренней характеристикой
Клапан с линейной характеристикой означает, что соотношение между подъемом клапана и площадью проходного сечения является линейным. Таким образом, и проходное сечение, и подъем клапана при любых условиях потока представляют собой просто Kvr, выраженный как доля Kvs клапана. Например.
При максимальном расходе воды 10 кг/с Квр клапана пара составляет 69,2. Kvs выбранного клапана равен 100, следовательно, подъем равен:
Используя ту же процедуру, линейный подъем клапана может быть определен для диапазона расходов и сведен в таблицу 6.
5.9.
Рассмотрим клапан с равнопроцентной внутренней характеристикой
Равнопроцентному клапану потребуется точно такая же площадь прохода, чтобы обеспечить такой же максимальный расход, но его подъем будет отличаться от подъема линейного клапана.
Учитывая, что передаточное число клапана τ = 50, подъем (H) можно определить с помощью уравнения 6.5.4.
Используя ту же процедуру, процент подъема клапана можно определить по уравнению 6.5.4 для диапазона потоков для этой установки.
Соответствующие подъемы для линейных и равнопроцентных клапанов показаны в Таблице 6.5.9 вместе с монтажной кривой.
Как и в примере 6.5.2, для равнопроцентного клапана требуется гораздо больший подъем, чем для линейного клапана, для достижения того же расхода. Результаты представлены в виде графика на рисунке 6.5.10.
Произошло резкое изменение формы графиков примерно при 90% нагрузки; это связано с эффектом критического перепада давления на регулирующем клапане, который возникает в этот момент.
При нагрузке выше 86 % в этом примере можно показать, что давление пара в теплообменнике превышает 2,9 бар абс., что при 5 бар абс. на регулирующем клапане является критическим значением давления. (Дополнительную информацию о критическом давлении см. в Модуле 6.4 «Размер регулирующего клапана для пара»).
Общепризнано, что регулирующим клапанам трудно управлять ниже 10 % своего диапазона, и на практике они обычно работают в пределах от 20 % до 80 % своего диапазона.
Графики на рисунке 6.5.10 относятся к линейным и равнопроцентным клапанам с Kvs 100, которые являются следующими по размеру стандартными клапанами с подходящей пропускной способностью выше кривой применения (требуемый Kvr 69,2), и обычно выбираются для этого конкретного примера.
Влияние регулирующего клапана больше необходимого
Стоит подумать о том, какой эффект оказал бы следующий больший из линейных или равнопроцентных клапанов, если бы он был выбран. Чтобы выдерживать те же паровые нагрузки, каждый из этих клапанов должен иметь меньшую высоту подъема, чем показанная на рис.
6.5.10.
Следующие более крупные стандартные клапаны имеют Kvs 160. Стоит отметить, как эти клапаны будут работать, если они будут выбраны, и как показано в Таблице 6.5.10 и Рисунке 6.5.11.
Из рисунка 6.5.11 видно, что обе кривые клапана сместились влево по сравнению с клапанами меньшего размера (соответствующего размера) на рисунке 6.5.10, в то время как кривая установки остается статической.
Изменения для линейного клапана довольно существенны; видно, что при нагрузке 30 % клапан открыт только на 10 %.Даже при нагрузке 85 % клапан открыт только на 30 %. Можно также заметить, что изменение скорости потока велико при относительно небольшом изменении подъемной силы. Фактически это означает, что клапан работает как быстродействующий клапан до 90% своего диапазона. Это не лучшая характеристика, присущая этому типу паровой установки, так как обычно лучше, чтобы изменения в потоке пара происходили довольно медленно.
Хотя кривая равнопроцентного клапана сместилась, она по-прежнему находится справа от кривой установки и может обеспечить хорошее управление.
Нижняя часть его кривой относительно пологая, что обеспечивает более медленное открытие во время начального движения и в этом случае лучше подходит для управления потоком пара, чем линейный клапан.
Обстоятельства, которые могут привести к превышению размера, включают:
- Приведенные данные являются приблизительными, поэтому включен дополнительный «фактор безопасности».
- Подпрограммы калибровки, которые включают в себя операционные «факторы», такие как чрезмерный допуск на загрязнение.
- Расчетное значение Kvr лишь немного превышает значение Kvs стандартного клапана, поэтому необходимо выбрать следующий больший размер.
Также бывают ситуации, когда:
- Располагаемый перепад давления на регулирующем клапане при полной нагрузке низкий.
Например, если давление подачи пара составляет 4,5 бар абс., а давление пара, необходимое в теплообменнике при полной нагрузке, составляет 4 бар абс., это дает падение давления только на 11 % при полной нагрузке.
- Минимальная нагрузка намного меньше максимальной нагрузки
Линейная характеристика клапана означает, что плунжер клапана работает близко к седлу с возможностью повреждения.
В этих распространенных обстоятельствах равнопроцентная характеристика клапана обеспечивает гораздо более гибкое и практичное решение.
Вот почему большинство производителей регулирующих клапанов рекомендуют равнопроцентную характеристику для двухходовых регулирующих клапанов, особенно при использовании со сжимаемыми жидкостями, такими как пар.
Обратите внимание, : При возможности лучше выбирать паровые клапаны с максимально возможным перепадом давления при максимальной нагрузке; даже при критическом падении давления на регулирующем клапане, если позволяют условия.Это помогает уменьшить размер и стоимость регулирующего клапана, обеспечивает более линейную кривую установки и дает возможность выбрать линейный клапан.
Однако условия могут не позволить этого.
Размер клапана можно подобрать только в зависимости от условий применения. Например, если рабочее давление теплообменника составляет 4,5 бар абс., а максимально доступное давление пара составляет всего 5 бар абс., клапан может быть рассчитан только на 10% перепад давления ([5 – 4.5]/5). В этой ситуации выбор размера клапана по критическому перепаду давления уменьшил бы размер регулирующего клапана и лишил бы теплообменник пара.
Если бы было невозможно увеличить давление подачи пара, решением была бы установка теплообменника, работающего при более низком рабочем давлении. Таким образом, перепад давления на регулирующем клапане будет увеличиваться. Это может привести к уменьшению размера клапана, но также и к увеличению размера теплообменника, поскольку рабочая температура теплообменника теперь ниже.
Еще один набор преимуществ дает более крупные теплообменники, работающие при более низком давлении пара:
- Меньшая склонность к образованию накипи и загрязнению поверхностей нагрева.

- В системе конденсата производится меньше пара вторичного вскипания.
- В системе конденсата меньше противодавление.
Необходимо найти баланс между стоимостью регулирующего клапана и теплообменника, способностью клапана правильно управлять и воздействием на остальную часть системы, как показано выше. В паровых системах равнопроцентные клапаны обычно являются лучшим выбором, чем линейные клапаны, потому что, если возникают низкие перепады давления, они будут меньше влиять на их работу во всем диапазоне движения клапана.
Исследование и разработка электрогидравлических регулирующих клапанов, ориентированных на Индустрию 4.0: Обзор | Китайский журнал машиностроения
Х. Кагерманн, В. Лукас, В. Уолстер. Industrie 4.0: Mit dem Internet der Dinge auf dem Weg zur 4. Industriellen Revolution. VDI Nachrichten , 2011, 13(11): 2.
M F Rahman, N C Cheung, K W Lim. Оценка положения в электромагнитных приводах.
IEEE Transactions on Industry Applications , 1996, 32(3): 552-559.
Артикул Google Scholar
А. К. Юделл, Дж. Д. Ван де Вен. Прогнозирование смещения золотника электромагнитного клапана с помощью текущего анализа. International Journal of Fluid Power , Taylor & Francis , 2015, 16(3): 133-140.
Артикул Google Scholar
P Proost. Бездатчиковая оценка положения пропорционального гидравлического клапана с электрической регулировкой .Гент: Гентский университет, 2015.
. Google Scholar
Т. Браун, Дж. Рейтер, Дж. Рудольф. Контроль положения пропорциональных электромагнитных клапанов путем подачи сигнала. IFAC-PapersOnLine , 2016, 49(21): 74-79.
Артикул MathSciNet Google Scholar
T Kramer, J Weber, G Pflug, et al.
Умная реализация экономии энергии при переключении на бистабильных технологических клапанах. Актуатор 2018; 16-я Международная конференция по новым приводам , 2018: 1-4.
HE Merritt. Гидравлические системы управления . John Wiley & Sons, 1991.
D Wu, R Burton, G Schoenau. Эмпирическая модель коэффициента расхода для потока через отверстие. Международный журнал Fluid Power , 2002, 3(3): 13-19.
Артикул Google Scholar
D Wu, R Burton, G Schoenau, et al.Моделирование расхода через отверстие при очень малых отверстиях. Международный журнал Fluid Power , 2003, 4(1): 31-39.
Артикул Google Scholar
Дж. Добчук, Р. Бертон, П. Никифорук. Модифицированный подход уравнения турбулентного отверстия для моделирования клапанов неизвестной конфигурации. Международный журнал Fluid Power , 2007, 8(3): 25-30.
Артикул Google Scholar
JR Valdes, JM Rodriguez, J Saumell, et al.Методика параметрического моделирования коэффициентов расхода и расхода в гидрораспределителях. Преобразование энергии и управление , 2014, 88: 598-611.
Артикул Google Scholar
С Димитров, С Симеонов, С Цветков. Статические характеристики отверстий предохранительного клапана с пилотным управлением. Hydraulica, Журнал гидравлики, пневматики, трибологии, экологии, сенсорики, мехатроники , 2015 (2/2015): 34-38.
Дж. Дас, С.К. Мишра, Р. Пасван и др. Определение характеристик и отслеживание нелинейной электрогидравлической системы клапан-цилиндр. Труды Института инженеров-механиков, Часть E: Журнал технологического машиностроения , 2016, 230(5): 371-384.
Артикул Google Scholar
М.
Борги, М. Милани, Р. Паолуцци. Влияние формы и количества насечек на дозирующие характеристики золотниковых гидрораспределителей. Международный журнал Fluid Power , 2005, 6(2): 5-18.
Артикул Google Scholar
Роман, Х. Хандроос, Т. Эскола. Эффективная в вычислительном отношении двухрежимная модель дроссельной заслонки для моделирования в реальном времени. Практика и теория имитационного моделирования , 2008, 16(8): 945-961.
Артикул Google Scholar
B Xu, J Ma, J Lin.Вычислительный метод обратной связи и управления расходом в гидравлических лифтах. Китайский журнал машиностроения , 2005, 18(4): 490-493.
Артикул Google Scholar
Дж Чен. Исследование системы управления скоростью гидравлического лифта с обратной связью по потоку на основе программного расчета .
Ханчжоу: Чжэцзянский университет, 2003 г. (на китайском языке)
. Google Scholar
B Xu, P Dong, J Zhang, et al.Исследование нового метода логического измерения расхода и его применения в гидравлических лифтах. Труды Института инженеров-механиков, часть C: Journal of Machine Engineering Science , 2017, 231(2): 372-386.
Google Scholar
J Zhang, D Wang, B Xu, et al. Регулирование расхода пропорциональным ходовым клапаном без расходомера. Измерение расхода и приборы , Elsevier, 2019, 67: 131-141.
Артикул Google Scholar
Дж. Джонс. Развитие конструкции электрогидравлических регулирующих клапанов от их первоначальной концепции до современной конструкции и применения . Мельбурн: Семинар по пропорциональным клапанам и сервоклапанам, 1997 г.
Google Scholar
Л.
Келли, Х.-Дж. Хаас. Гидравлические пропорциональные клапаны с цифровыми контроллерами. Международная выставка Fluid Power и техническая конференция , 1996: I96-11.5.
C Boes. Преимущества новых пропорциональных и сервоклапанов со встроенной цифровой электроникой. Технический документ Moog , 2003 г.
Китайская ассоциация гидравлики, пневматики и уплотнений. Дорожная карта технологии передачи и управления гидравлической энергией . Пекин: Наука и технологии China Press, 2012.
. Google Scholar
H Heinken, K Krivenkov, S Ulrich, et al.Электрореологический клапан высокого давления с полной pQ-функциональностью для сервогидравлических применений. Журнал интеллектуальных материальных систем и конструкций , 2015, 26(14): 1959-1967.
Артикул Google Scholar
Дж И Ян. Многопозиционный клапан давления и расхода прямого типа .
Ханчжоу: Чжэцзянский технологический университет, 2006 г. (на китайском языке)
. Google Scholar
РБ Уолтерс. Гидравлические и электрогидравлические системы управления . Дордрехт, Нидерланды: академическое издательство Kluwer, 2000.
Книга. Google Scholar
Tinsley (Industrial Instruments) Ltd., DC Gall, FL Steghart. Улучшения в сервосистемах или связанные с ними: Великобритания, GB14702/46A. 1949-03-29. https://patents.google.com/patent/GB620688A/en.
P Tamburrano, AR Plummer, E Distaso, et al. Обзор исследований и разработок в области электрогидравлических сервоклапанов. Международный журнал Fluid Power , 2018: 1-23.
Y X Lu. Исторический прогресс и перспективы гидравлической передачи и управления. Китайский журнал химического машиностроения , 2010, 10(46): 1-9.
Google Scholar
GM Wu, MX Qiu, Q F Wang.
Электрогидравлический пропорциональный метод в теории и применении . Ханчжоу: Издательство Чжэцзянского университета, 2006.
Google Scholar
M Goldfarb, EJ Barth, KB Fite, et al. Широкополосные поворотные сервоклапаны . Патент 7 322 375. 2008-1-29.
FT Brown, IS CTentarell, S Ramachandran. Гидравлический поворотный переключаемый инерционный сервопреобразователь. Journal of Dynamic Systems , Измерение и управление , 1988, 110(2): 144-150.
M Pan, N Johnston, J Robertson, et al.Экспериментальное исследование переключаемой инерционной гидросистемы с быстроходным поворотным золотником. Журнал динамических систем, измерений и управления , 2015 г., 137(12), https://doi.org/10.1115/1.4031325.
Д. Т. Брэнсон, Д. Н. Джонстон, Д. Г. Тилли и др. Пьезоэлектрический привод в широкополосном клапане. Сегнетоэлектрики , 2010, 408: 32-40.
Артикул Google Scholar
C Han, S-B B Choi, Y-M M Han.Клапан прямого привода на основе пьезоэлектрического привода для быстрого управления движением при высоких рабочих температурах. Прикладные науки , 2018, 8(10): 1806.
Статья Google Scholar
PA Sente, FM Labrique, PJ Alexandre. Эффективное управление пьезоэлектрическим линейным приводом, встроенным в сервоклапан для авиационных применений. IEEE Transactions on Industrial Electronics , 2012, 59(4): 1971-1979.
Артикул Google Scholar
J Jeon, C Han, J U Chung, et al. Оценка производительности одноступенчатой клапанной системы на основе пьезопривода при воздействии высокой температуры. Интеллектуальные материалы и конструкции , 2015, 24(1): https://iopscience.iop.org/article/10.1088/0964-1726/24/1/015022.
Z Yang, Z He, F Yang, et al. Разработка и анализ метода управления напряжением для электрогидравлического сервоклапана на основе гигантского магнитострикционного привода. Международный журнал прикладной электромагнетики и механики , 2018, 57(4): 439-456.
Артикул Google Scholar
Z Yang, Z He, D Li, et al. Конструкция гидроусилителя и его применение в гидрораспределителе прямого привода на основе магнитострикционного привода. Датчики и приводы A: Physical , 2014, 216: 52-63.
Артикул Google Scholar
С. Карунанидхи, М. Сингапурал.Проектирование, анализ и моделирование магнитострикционного привода и его применение в высокодинамичных сервоклапанах. Датчики и приводы A: Physical , 2010, 157(2): 185-197.
Артикул Google Scholar
С.
Нальбах, П. Моцки, С. Зеелеке. Гидравлический переключающий клапан на основе SMA. Конференция ASME 2015 по интеллектуальным материалам, адаптивным конструкциям и интеллектуальным системам , SMASIS 2015, 2015, 2(3): 1-9.
А. Чжан, Ф. Ту, К. Чен и др.Тип электрогидравлического сервоклапана MSMA на основе управления обратной системой нейронной сети. Материалы 32-й Китайской конференции по управлению , IEEE, 2013: 1013-1016.
Н Люциан, Р Оливье, М Хубертус. Подход к управлению быстродействующими приводами со звуковой катушкой для сервоклапанов в мобильной и промышленной гидравлике. Ахен: 11-я Международная конференция Fluid Power , 2018: 318-329.
S Wu, Z Jiao, L Yan, et al. Разработка сервоклапана с прямым приводом, двигателем с высокочастотной звуковой катушкой и усовершенствованным цифровым контроллером. IEEE/ASME Transactions on Mechatronics , 2013, 19(3): 932-942.
Артикул Google Scholar
K Abuowda, S Noroozi, M Dupac, et al. Динамическая модель и анализ производительности ступенчатого поворотного регулирующего клапана. Труды Института инженеров-механиков, Часть I: Журнал систем и систем управления , 2019 г., 233 (9): 1195–1208.
Google Scholar
Дж. Люкс, К. Хабеггер.Новое поколение интеллектуальных электромеханических приводов клапанов. 11-я Международная конференция по гидроэнергетике в Аахене , 2018 г.: 394-403.
Ф. Имадуддин, С.А. Мазлан, М.А.А. Рахман и др. Высокоэффективный магнитореологический клапан с извилистым путем потока. Smart Materials and Structures , 2014, 23(6), https://doi.org/10.1088/0964-1726/23/6/065017.
B Jin, YG Zhu, W Li. Настройка ПИД-параметров пропорционального распределителя на основе метода множественных ортогональных экспериментов: Метод и эксперименты .Технология производства и процесс II. Транс. Тех. Publications Ltd., 2013, 325: 1166-1169.
K J Åström, T Hägglund. ПИД-регуляторы: теория, разработка и настройка . Инструментальное общество Америки Research Triangle Park, Северная Каролина, 1995, 2.
Google Scholar
GP Liu, S Daley. Оптимально-настраиваемое нелинейное ПИД-регулирование гидросистем. Control Engineering Practice , 2000, 8(9): 1045-1053.
Артикул Google Scholar
Дж. Б. Гэмбл. Система управления режимом скольжения . Патенты США, 1994.
Дж. Б. Гэмбл. Надежное управление скользящим режимом гидравлических клапанов . Коллоквиум IEE по достижениям в области применения надежных контроллеров, 1993: 1-4.
Дж. Б. Гэмбл, Н. Д. Воан. Сравнение скользящего режима управления с обратной связью по состоянию и ПИД-регулирования, применяемого к пропорциональному электромагнитному клапану. Journal of Dynamic Systems, Measurement and Control, Transactions of the ASME , 1996, 118(3): 434-438.
Артикул МАТЕМАТИКА Google Scholar
J H Fang, Z Chen, J H Wei. Некоторые практические усовершенствования скользящего режима управления сервоэлектромагнитным клапаном. Труды Института инженеров-механиков. Часть I: Журнал систем и техники управления , 2016, 230(7): 591-609.
Y Xiong, J Wei, R Feng.Адаптивное надежное управление быстродействующим двойным пропорциональным электромагнитным клапаном с компенсацией силы потока. Труды Института инженеров-механиков. Часть I: Журнал систем и техники управления , 2015, 229(1): 3-26.
W Shi, J Wei, J Fang. Желаемая компенсация нелинейного каскадного управления быстродействующим пропорциональным электромагнитным клапаном на основе наблюдателя расширенного состояния пониженного порядка. Доступ IEEE , 2018, 6: 64503-64514.
Артикул Google Scholar
J Zhang, Z Lu, B Xu, et al.Исследование нелинейных характеристик быстродействующей схемы привода пропорционального соленоида, управляемого ШИМ-сигналом. Доступ IEEE , 2018, 6: 61665-61676.
Артикул Google Scholar
Z Lu, J Zhang, B Xu и др. Управление компенсацией мертвой зоны на основе обнаружения микрорасхода в пилотной ступени пропорционального распределителя. Транзакции ISA , 2019, 94: 234-245.
Артикул Google Scholar
M Choux, G Hovland. Адаптивное реверсивное управление нелинейной гидромеханической системой, включая динамику клапанов. Микрофон: Идентификация и управление моделированием , Div. англ. Кибернетика , 2010, 31(1): 35-44.
W Gu, J Yao, Z Yao, et al. Надежное адаптивное управление гидравлической системой с входным насыщением и мертвой зоной клапана. Доступ IEEE , 2018, 6: 53521-53532.
Артикул Google Scholar
C Krimpmann, T Beryram, G Schoppel, et al.Адаптивное скользящее управление предохранительным клапаном. e&i Elektrotechnik und Informationstechnik , 2016, 133(6): 261-265.
Z Се. Воздействие сил потока на соленоид переменного усилия управления потоком . SAE International, 2011.
M-H H Yoon, YY Y Choi, J-P P Hong. Улучшение оценки силы тяги электромагнитного клапана с учетом малой петли гистерезиса. AIP Advances , 2017, 7(5): 056607.
Статья Google Scholar
E Canuto, W Acuna-bravo, M Agostani, et al.Пропорциональные электрогидравлические клапаны: от аналогового к цифровому управлению. Международный журнал мехатроники и автоматизации , 2014, 4(2): 93-103.
Артикул Google Scholar
A Makarow, M Keller, C Rosmann, et al. Смоделируйте предсказывающее управление набором траектории для пропорционального гидрораспределителя. Конференция IEEE по технологиям и приложениям управления (CCTA), 2017 г., , IEEE, 2017: 1229-1234.
Дж. Нурми, М.М. Ареф, Дж. Маттила. Стратегия нейронной сети для изучения нелинейностей в направлении упреждающего управления гидравлическими клапанами с компенсацией давления со значительной мертвой зоной. Симпозиум BATH/ASME 2018 по гидроэнергетике и управлению движением. Цифровая коллекция Американского общества инженеров-механиков , 2018.
Янссон, Дж. О. Палмберг. Раздельное управление входными и выходными отверстиями расходомера в мобильных гидравлических системах. SAE Transactions , 1990: 377-383.
Б Эрикссон. Проектирование мобильных гидравлических систем: с акцентом на энергоэффективность . Linköping University Electronic Press, 2010.
A Hansen, H Pedersen, T Andersen, et al. Исследование энергосберегающих стратегий управления отдельными счетчиками на входе и на выходе. 12-я Скандинавская международная конференция по гидроэнергетике, SICFP’11 , Tampere University Press, 2011.
B Yao, S Liu. Энергосберегающее управление гидравлическими системами с новыми программируемыми клапанами. Материалы 4-го Всемирного конгресса по интеллектуальному управлению и автоматизации (кат. № 02EX527) , 2002, 4: 3219-3223.
М. Вукович, Х. Мурренхофф. Одностороннее управление выходом измерителя для мобильных машин , 2014, ASME/BATH.
ZY Lu, JH Zhang, B Xu, et al. Новый пропорциональный ходовой клапан с независимо управляемой пилотной ступенью. 10-й Международный симпозиум JFPS по гидроэнергетике , Фукуока, 2017 г.
J H Zhang, Z Y Lu, B Xu, et al.Исследование динамических характеристик и точности регулирования нового пропорционального распределителя с независимо управляемой пилотной ступенью. Транзакции ISA , 2019, 93: 218-230.
Артикул Google Scholar
R Q Дин. Многорежимный метод управления автономной системой учета и его применение в подвижной технике . Ханчжоу: Колледж машиностроения, Чжэцзянский университет, 2015.
Google Scholar
М Линджама. Цифровая гидравлическая энергия – современное состояние. Двенадцатая скандинавская международная конференция по гидроэнергетике , 2011, 2(4): 18-20.
Google Scholar
D Fan, J D Yang, D Jing, et al. Достижения в области высокоскоростных двухпозиционных клапанов. Китайский журнал строительной техники , 2011, 9(3): 351-358.
Google Scholar
H Y Yang, S Wang, B Zhang, et al.Разработка и перспектива цифрового гидрораспределителя и системы управления клапаном. Журнал Цзилиньского университета (Техническое и технологическое издание) , 2016, 46(5): 1494-1505.
Google Scholar
Ю. Чен, М. Пан, А. Пламмер. Обзор технологии переключаемых инерционных гидропреобразователей. Симпозиум BATH/ASME 2018 по гидроэнергетике и управлению движением, Цифровая коллекция Американского общества инженеров-механиков , 2018.
Дж. Х. Чжан, М. С. Ян, Б. Сюй. Проектно-экспериментальные исследования миниатюрного цифрового гидрораспределителя. Micromachines , 2018, 9(6), DOI: https://doi.org/10.3390/mi83.
M S Yang, J H Zhang, B Xu. Экспериментальное исследование и анализ имитационного моделирования электромагнитных характеристик и динамического отклика нового миниатюрного цифрового клапана. Достижения в области материаловедения и инженерии , 2018: 1-8.
М Линджама, М Вилениус.Цифровое гидравлическое управление макетом шарнирного привода мобильной машины. Передача энергии и управление движением: PTMC , PTMC 2004, 2007, 7: 145.
Google Scholar
M Linjama, M Vilemius, P O Box и др. Энергоэффективное управление движением цифрового гидравлического шарнирного привода. Материалы Международного симпозиума JFPS по гидроэнергетике . Японское общество гидравлических систем, 2005 г., 2005 г. (6): 640–645.
Т. Лантела, М. Пьетола. Миниатюрная цифровая клапанная система с высоким расходом. Международный журнал Fluid Power , 2017, 18(3): 188-195.
Артикул Google Scholar
М. Палониитти, М. Линджама, К. Хухтала. Концепция цифровой микрогидравлической системы клапанов с использованием технологии ламинирования. Материалы 9-й Международной конференции по гидроэнергетике , 2014 г., 1: 303-313.
H Мурренхофф.Тенденции развития клапанов. Ölhydraulik und Pneumatik , 2003, 46(4): 1-36.
Google Scholar
Г. Койпер, Р. Ромес, Х. Сандау. Новые концепции клапанов и канал передачи данных на базе CAN для гидравлики трактора. VDI Berichte , 1996, 1297: 61-64.
Google Scholar
L Weibo. Исследование интеллектуального клапана и его извлечения сигналов и режима двухлинейной передачи на основе полевой шины .Ханчжоу: Чжэцзянский университет, 2002.
. Google Scholar
GW Li, LL Jin, Y Lin, et al. Разработка и перспективы электрогидравлического пропорционального распределителя. Гидравлика Пневматика и уплотнения , 2018, 38(3): 1-4.
Google Scholar
Р Изерманн. Приложения для диагностики неисправностей: мониторинг состояния на основе моделей: приводы, приводы, механизмы, установки, датчики и отказоустойчивые системы .Springer Science & Business Media, 2011.
Дж. Уоттон. Методы моделирования, мониторинга и диагностики гидравлических систем . Springer Science & Business Media, 2007.
B Beck, J Weber. Повышение безопасности независимых систем дозирования мобильных машин посредством обнаружения неисправностей . Линчепинг: Электронное издательство Линчёпингского университета, 2017.
Книга. Google Scholar
Х. Радуенц, Ф.Дж. Соуза. Оценка метода оперативного обнаружения неисправностей для пропорциональных гидравлических клапанов. 9-й ФПНИ к.т.н. Симпозиум по Fluid Power . Цифровая коллекция Американского общества инженеров-механиков, 2016 г.
H Raduenz, YEA Mendoza, D Ferronatto, et al. Онлайн-система обнаружения неисправностей для пропорциональных гидравлических клапанов. Журнал Бразильского общества механических наук и инженерии , 2018, 40(7): 331.
Статья Google Scholar
С. Шарифи, А. Тивай, С.М. Резаи и др.Обнаружение утечек в электрогидравлических сервосистемах с использованием подхода к обучению с нелинейным представлением. ISA Transactions , 2018, 73: 154-164.
Артикул Google Scholar
С. Шарифи, С.М. Резаи, А. Тивай и др. Многоклассовое обнаружение неисправностей в электрогидравлических сервосистемах с использованием машины опорных векторов. 4-я Международная конференция по робототехнике и мехатронике (ICROM) . IEEE, 2016.
X Zhao, S Zhang, C Zhou, et al.Экспериментальное исследование течи гидроцилиндра и выделение признаков неисправности на основе вейвлет-анализа пакетов. Компьютеры и жидкости , Elsevier Ltd, 2015, 106: 33-40.
Артикул Google Scholar
Ф Чао. Изучение метода диагностики неисправности электромагнитного клапана . Ухань: Хуачжунский университет науки и технологий, 2017.
. Google Scholar
L Wang, W D Qu.Диагностика неисправностей сервоклапана с PCA-SVM. Приборы автоматизации процессов , 2013(01): 25-28+31. (на китайском языке)
Б. Пан, Дж. К. Сюн. Применение мультисенсорного слияния информации для интеллектуальной диагностики неисправностей гидравлической системы. Станки и гидравлика , 2006, 5.
L Лей. Диагностика и анализ неисправностей электрогидравлического сервоклапана на основе генетической оптимизации нейронной сети BP .Циньхуандао: Университет Яньшань, 2015.
. Google Scholar
C Y Liu, LP Fan. Исследование нейросетевого алгоритма диагностики неисправности электрогидравлического сервоклапана RBF-BP на основе генетической оптимизации. Журнал Шэньянского химико-технологического университета , 2015, 29(1): 49-53. (на китайском языке)
MathSciNet Google Scholar
C Li. Диагностика неисправности электрогидравлического сервоклапана на основе нейронной сети BP . Ухань: Уханьский университет науки и технологий, 2010 г. (на китайском языке)
. Google Scholar
S Q Хао. Исследование интеллектуальной диагностики неисправностей в режиме онлайн гидравлического сервоклапана AGC . Шанхай: Шанхайский университет Цзяотун, 2010 г. (на китайском языке)
. Google Scholar
Л. Д. Фу, К. С. Чен, Л. С. Цзэн и др.Исследование улучшенной интеллектуальной диагностики неисправностей электрогидравлического сервоклапана. Журнал Уханьского университета науки и технологии , 2007, 30(2): 164-167. (на китайском)
Google Scholar
С. Б. Тан, Дж. К. Лю. Диагностика неисправностей электрогидравлического сервоклапана на основе нейронной сети. 2011 Международная конференция по электрической информации и технике управления . IEEE , 2011: 3274-3276.
L Fu, K Chen, J Yu, et al. Диагностика неисправности электрогидравлического сервоклапана на основе улучшенного алгоритма генетической нейронной сети. 2006 Международная конференция по машинному обучению и кибернетике . IEEE, 2006: 2995-2999.
HM Liu, SP Wang, PC Ouyang. Диагностика неисправностей в гидравлической сервосистеме положения с использованием нейронной сети RBF. Китайское общество аэронавтики и астронавтики , 2006, 19(4): 346-353.
Артикул Google Scholar
HM Liu, SP Wang, PC Ouyang.Диагностика неисправностей на основе усовершенствованной нейронной сети Элмана для гидравлической сервосистемы. 2006 IEEE Conference on Robotics, Automation and Mechatronics , 2006.
HM Liu, JC Zhang, C Lu. Прогноз снижения производительности гидравлической сервосистемы на основе сетевого обозревателя Elman и GMM-SVR. Прикладное математическое моделирование , Elsevier Inc., 2015, 39(19): 5882-5895.
L Hu, K Cao, H Xu, et al. Диагностика неисправностей гидропривода на основе метода опорных векторов методом наименьших квадратов. Международная конференция IEEE по автоматизации и логистике. IEEE , 2007: 985-989.
L M Hu, K Q Cao, H J Xu. Диагностика неисправностей гидравлического рулевого механизма на основе метода опорных векторов регрессии. Журнал системного моделирования , 2007, 19(23): 5509-5512.
Google Scholar
К. Цао, Дж. Чжан, Л. Ху. Диагностика неисправностей электрогидравлической сервосистемы с замкнутым контуром на основе регрессии опорных векторов. Материалы Международной конференции IEEE по автоматизации и логистике, ICAL 2007 , 2007: 3044-3049.
Google Scholar
М Мюнххоф, М Бек, Р Изерманн. Отказоустойчивые исполнительные механизмы и приводы. Структуры, принципы обнаружения неисправностей и области применения. Annual Reviews in Control , 2009, 33(2): 136-148.
Артикул Google Scholar
М. Самадани, К. А. Квуими, К. Натарадж. Обнаружение неисправностей и анализ серьезности сервоклапанов с использованием повторного количественного анализа . Университет Вилланова, Вилланова, США, 2014.
МАТЕМАТИКА Google Scholar
Л. Борелло, М.Д.Л. Далла Ведова, Г. Джакацио и др. Прогностическая модель электрогидравлических сервоклапанов. Ежегодная конференция Общества прогностиков и управления здравоохранением . 2009: 1–12.
В. Сюаньинь, Л. Сяосяо, Л. Фушан.Анализ колебаний в системе электрогидравлического регулирования паровой турбины и диагностика неисправностей на основе PSOBP. Экспертные системы с приложениями , 2010, 37(5): 3887-3892.
Артикул Google Scholar
Z Yao. Исследование технологии диагностики неисправностей многоканальной клапанной группы гидравлического экскаватора на основе модельного прогнозирования . Сянтань: Университет Сянтань, 2015 г. (на китайском языке)
. Google Scholar
П. Атанасатос, Т. Костопулос.Упреждающий поиск неисправностей в 4/3-ходовом регулирующем клапане гидравлической системы высокого давления с использованием метода графа связей с цифровым моделированием. Механизм и теория машин , 2012, 50: 64-89.
Артикул Google Scholar
Д. Г. Люенбергер. Наблюдение за состоянием линейной системы. IEEE Transactions on Military Electronics , 1964, 8(2): 74-80.
Артикул Google Scholar
D Min, L Cai.Диагностика неисправности датчика системы HAGC для полосопрокатного стана на основе вейвлет-преобразования. Journal of Iron and Steel Research , 2006, 18(12): 54.
Google Scholar
S C Abou, M Kulkarni, M Stachowicz. Обнаружение неисправности приводной гидравлической системы: метод нечеткой логики. Технические письма , 2010, 18(1).
Х. Хан, С. К. Абу, Н. Сепехри. Нелинейный метод обнаружения неисправностей на основе наблюдателя для электрогидравлических сервосистем позиционирования. Мехатроника , 2005, 15(9): 1037-1059.
Артикул Google Scholar
А.С. Резазаде, Х.Р. Куфигар, С. Хоссейнния. Надежное обнаружение утечек для электрогидравлических приводов с использованием адаптивного нелинейного наблюдателя. Международный журнал точного машиностроения и производства , 2014, 15(3): 391-397.
Артикул Google Scholar
Q N Xu, KM Lee, H Zhou, et al.Схема обнаружения и устранения неисправностей на основе модели для сервосистемы руля направления. IEEE Transactions on Industrial Electronic s, 2014, 62(4): 2384-2396.
Артикул Google Scholar
Q N Сюй. Исследование по диагностике неисправностей электрогидравлической сервосистемы морского рулевого устройства на базе неопределенной модели . Ханчжоу: Чжэцзянский университет, 2015.
. Google Scholar
П. Гаримелла, Б. Яо.Надежное обнаружение ошибок на основе моделей с использованием адаптивных надежных наблюдателей. Материалы 44-й конференции IEEE по решениям и управлению, IEEE , 2005: 3073-3078.
П. Гаримелла, Б. Яо. Обнаружение неисправности электрогидравлического цилиндра на основе модели. Материалы Американской конференции по контролю за 2005 г., 2005 г.: 484-489.
С. Гаяка, Б. Яо, П. Мекл. Обнаружение неисправностей нелинейных систем при наличии на входе несмоделированной динамики. Международная конференция IEEE/ASME по передовой интеллектуальной мехатронике , AIM , 2007.
S Gayaka, B Yao. Обнаружение неисправностей, идентификация и размещение для электрогидравлической системы: адаптивный надежный подход. IFAC Proceedings Volumes , 2008, 41(2): 13815-13820.
Артикул Google Scholar
Х. Алви, К. Эдвардс. Применение наблюдателей скользящего режима второго порядка для реконструкции разломов на эталонном тесте ADDSAFE. Конференция AIAA по руководству, навигации и управлению 2011 г. , 2011 г.: 1-24.
Google Scholar
Л Лю. Исследование стратегии аддитивного обнаружения неисправностей и отказоустойчивого управления электромеханической гидравлической сервосистемой на основе скользящего режима. Нанкин: Нанкинский университет науки и технологий, 2016 г. (на китайском языке)
Google Scholar
И Арасаратнам, С Хайкин.Кубатурные фильтры Калмана. IEEE Transactions on Automatic Control , 2009, 54(6): 1254-1269.
Артикул MathSciNet МАТЕМАТИКА Google Scholar
Й Дуник, О Страка, М Шимандл. Фильтр стохастической интеграции. IEEE Transactions on Automatic Control , 2013, 58(6): 1561-1566.
Артикул MathSciNet МАТЕМАТИКА Google Scholar
Х Ван, В Л Сырмос.Обнаружение, идентификация и оценка неисправностей в системе электрогидравлического привода с использованием оценки нескольких моделей на основе EKF. 2008 16-я Средиземноморская конференция по управлению и автоматизации . IEEE , 2008: 1693-1698.
P A Гальдер. Новый подход к обнаружению и диагностике неисправностей процессов и датчиков в электрогидравлическом приводе. Междунар. J. Инженерные исследования и разработки , 2013, 6(7): 15-22.
Google Scholar
P Halder, S Mukhopadhyay, et al.Обнаружение и диагностика неисправностей процессов и датчиков в электрогидравлическом приводе с использованием расширенного фильтра Калмана (EKF). Proceedings of Advances in Control and Optimization of Dynamic Systems , 2012.
L An, N Seperi. Схема количественной оценки утечек гидропривода с использованием расширенного фильтра Калмана и метода последовательных испытаний. 2006 American Control Conference , IEEE , 2006.
L An, N Seperi. Обнаружение утечек гидропривода с использованием расширенного фильтра Калмана. Международный журнал Fluid Power , 2005, 6(1): 41-51.
Артикул Google Scholar
L Ан. Обнаружение утечки и изоляция привода на основе расширенной схемы фильтрации Калмана . Университет Манитобы, 2007 г.
С. Джулиер, Дж. Ульманн, Х. Ф. Даррант-Уайт. Новый метод нелинейного преобразования средних и ковариаций в фильтрах и оценщиках. IEEE Transactions on Automatic Control , 2000, 45(3): 477-482.
Артикул MathSciNet МАТЕМАТИКА Google Scholar
Д Саймон. Оценка оптимального состояния: Калман, H бесконечность и нелинейные подходы . John Wiley & Sons, 2006.
М. Сепаси, Ф. Сассани. Оперативная диагностика неисправностей гидравлических систем с использованием фильтра Калмана без запаха. Международный журнал управления, автоматизации и систем , 2010, 8(1): 149-156.
Артикул Google Scholar
Дж. Нурми, Дж. Маттила.Обнаружение и локализация утечек и неисправностей клапанов в гидравлических системах в различных условиях нагрузки, Часть 2: схема обнаружения и локализации неисправностей.





Чаще всего он состоит из корпуса, распределительных каналов, клапанов различных видов, регулировочных механизмов, фиксаторов, в некоторых случаях электромагнитов и других деталей.
Усилие пружины, которая воздействует на шариковый клапан, примерно равняется давлению со стороны толкателя, в полость которого нагнетается рабочая жидкость. Из-за этого даже малейшего усилия электромагнита достаточно для изменения направления и распределения потоков жидкости.
wikipedia.org/wiki/%D0%93%D0%B8%D0%B4%D1%80%D0%B0%D0%B2%D0%BB%D0%B8%D1%87%D0%B5%D1%81%D0%BA%D0%B8%D0%B9_%D1%80%D0%B0%D1%81%D0%BF%D1%80%D0%B5%D0%B4%D0%B5%D0%BB%D0%B8%D1%82%D0%B5%D0%BB%D1%8C: использовано 2 блоков из 7, кол-во символов 2179 (6%)
7
1
80




Добавить комментарий