Agm vrla battery как заряжать – Чем хорош AGM аккумулятор и как правильно его заряжать?
Что это и как Заряжать
Новые разработки в области изготовления аккумуляторов, после проведения необходимых испытаний, сразу же внедряются в производство. Это связано с тем, что АКБ является расходной деталью автомобиля. Внутренние элементы батареи работают в условиях агрессивной среды, при этом, на тонкие пластины и сепараторы оказывают разрушительное воздействие вибрация и большой разброс рабочих температур.
Что такое VRLA аккумуляторы
В прошлом, постоянное испарение воды приводило к оголению металлических частей электродов и ещё более интенсивному разрушению свинцовых элементов. Чтобы уменьшить негативное влияние разрушительных факторов современные батареи делают , то есть открыть крышку и добавить дистиллированную воду в таких изделиях уже не получится. Наиболее передовой, в этом плане, является технология AGM VRLA.
Технология VRLA расшифровывается, как Valve Regulated Lead Acid, что в переводе означает кислотный аккумулятор со специальным регулировочным клапаном. Выпускаются такие батареи в полностью закрытом корпусе, но благодаря наличию предохранительной системе при возникновении большого внутреннего давления, разрушение аккумулятора не происходит.
Несмотря на наличие связи с атмосферой через клапанное отверстие, обслуживать такую батарею не требуется, ведь испарение жидкости происходит в исключительных случаях. Например, при ежедневной эксплуатации такой запорный механизм остаётся закрытым, но если забыть включённым зарядное устройство на длительный промежуток времени, то совсем незначительная часть воды из электролита может быть выйти через автоматически открывшееся отверстие.
AGM VRLAОсобенности технологии
Батареи с предохранительным клапаном могут быть изготовлены по различным технологиям.
AGM VRLA Battery
VRLA AGM представляют собой герметичные батареи с клапаном, пластины которых изготовлены по . Такие изделия обладают большим сроком годности благодаря абсорбирующему стекловолоконному слою, который впитывает в себя весь электролит и одновременно поддерживает свинцовые пластины, предохраняя их от осыпания.
VRLA GEL
Это , то есть внутри банки вместо жидкого раствора серной кислоты, находится желеобразное вещество, которое выполняет функцию электролита. VRLA Battery изготовленные по гелевой технологии также оснащаются клапаном.
Благодаря тому, что гель оказывает меньшее разрушительное воздействие на пластины, а при возникновении избыточного давления в таком аккумуляторе происходит открытие предохранительного устройства, срок эксплуатации изделия может достигать 10 лет.
Учитывая наличие таких важнейших качеств, как высокая надёжность, устойчивость к глубокому разряду и большой срок годности VRLA-аккумуляторы получили распространение во многих сферах хозяйственной деятельности, где требуется надёжный химический источник электроэнергии.
Где применяются VRLA АКБ
Самое широкое применение эта технология производства аккумуляторных батарей получила в машиностроении. Наличие клапана, который открывается только в момент возникновения избыточного давления, позволило отказаться от устаревшего типа корпуса, представляющий собой конструкцию, оснащённую ввинчиваемыми пробками. Отсутствие возможности со стороны водителя открыть доступ к банкам значительно повысило срок годности изделия.
VRLA-аккумуляторы устойчивы к глубоким разрядам, поэтому могут быть использованы не только в качестве стартерных батарей, но и для оснащения устройств бесперебойного питания. По этой же причине такие модели батарей применяются в качестве основного энергоаккумулятора для лодок, оснащённых электродвигателем, машин для гольфа и инвалидных колясок.
VRLA GELКак заряжать VRLA батареи
Зарядка VRLA-аккумулятора зависит от того, по какой технологии была изготовлена батарея. Если изделие этого типа имеет электролит в виде геля, то, несмотря на наличие предохранительного клапана, необходимо следить за тем, чтобы газообразование внутри изделия не стало образовываться слишком активно.
В случае, когда восстановление ёмкости такого аккумулятора осуществляется с подачей напряжения более 15 Вольт, произойдёт не только уменьшение объёма электролита, но и отделение желеобразной массы от пластин, что приведёт к неминуемому уменьшению ёмкости батареи и ее смерти. Чтобы уменьшить вероятность выхода из строя этого типа аккумуляторов при зарядке, рекомендуется использовать специальные ЗУ, которые подают электрический ток на клеммы в автоматическом режиме, подстраивая величину силы тока и напряжения в зависимости от заряженности АКБ и её температуры.
Подробная инструкция по зарядке гелевых аккумуляторов .
VRLA-аккумуляторы, сделанные по технологии AGM более устойчивы к погрешностям при зарядке, но чтобы максимально продлить срок службы такой батареи не рекомендуется превышать следующие показатели:
- Напряжение заряда — 14,8 В.
- Зарядный ток – 10% от ёмкости батареи.
При восстановлении работоспособности аккумуляторной батареи таким образом, продолжительность подключения к зарядному устройству должна составить около 10 часов.
Как и при зарядке гелевых изделий AGM-аккумуляторы, оснащённые предохранительным клапаном, можно восстанавливать с помощью автоматических ЗУ. Такие устройства потребуют минимального контроля со стороны человека.
У Вас был или есть Аккумулятор VRLA? Тогда расскажите в комментариях о своих впечатлениях о нем, это очень поможет остальным автолюбителям и сделает материал более полным и точным.
istochnikipitaniy.ru
как правильно делать это зарядным устройством, как восстановить и обслуживать его самому
При выборе аккумулятора каждый из нас желает приобрести качественное и долговечное устройство, которое прослужит как можно дольше. К счастью, производители обращают внимание на пожелания своих клиентов и постоянно повышают уровень выпускаемой продукции.
Многие из нас не следят за развитием инновационных технологий, и по старинке продолжают пользоваться классическими кислотными аккумуляторами. Сегодня мы рассмотрим современный тип батареи AGM и расскажем, как правильно и безопасно заряжать данное устройство.
Выбираем зарядное устройство для автомобильной батареи
На сегодняшний день существую несколько типов зарядных устройств:
- механические;
- автоматические.
В первом случае необходимо вручную регулировать, когда идет хранение, а когда основной заряд.
Автоматические зарядные устройства необходимо брать с двумя имеющимися режимами – хранение и зарядка. При эксплуатации данных устройств нужно минимум участия пользователя.

Также существует ряд дополнительных параметров, которые имеют глобальное значение при выборе:
- Возможность определения зарядного тока. Стоит отметить, что в некоторых зарядных устройствах данный параметр отсутствует, из-за чего невозможно регулировать ток.
- Выбор типа источника питания. Приобретаемое зарядное устройство должно соответствовать типу заряжаемого источника питания. Например, зарядные станции для жидко-кислотных батарей нельзя использовать для подзарядки АГМ или гелиевых батарей.
- Температурная компенсация. Каждый знает о том, что во время зарядки температура элемента питания может повышаться. Этому обстоятельству может способствовать и температура самого помещения в летнее время. Если в зарядной станции не предусмотрена температурная компенсация (температурный датчик), то это может привести к перезаряду батареи и, соответственно, сократит срок ее службы.
- Стадии заряда. Как правило, этот параметр будет актуален лишь тогда, когда зарядная станция используется для свинцово-кислотного источника питания.
- Настраиваемая скорость вентилятора. От этого параметра зависит охлаждение и последующая эксплуатация зарядки. Благодаря таким настройкам можно уменьшить выделяемый шум устройства или понизить его рабочую температуру, что убережет его от перегрева.
- Температурный диапазон. Рабочий диапазон стандартных моделей варьируется в пределах от +5 до +45 градусов. Также существуют модели с более расширенным температурным диапазоном, однако они, как правило, предназначены для профессионального использования. Если планируется заряжать аккумулятор в открытом или неотапливаемом помещении, стоит учитывать данный параметр при выборе.

Инструкция как правильно заряжать
Многие автомобилисты считают процесс зарядки аккумулятора неимоверно сложной задачей, с которой под силу справиться только специалисту. На самом деле в зарядке батареи AGM нет абсолютно ничего сложного.
Стандартная процедура
- Снимается разряжаемая батарея с транспортного средства с учетом общепринятых правил и норм безопасности.
- Место, где будет заряжаться источник питания, должно быть ограничено от воздействий различных неблагоприятных факторов (открытый огонь, взрывоопасные вещества, химикаты и так далее).
- Заряжаемая батарея подсоединяется к устройству для зарядки, а то в свою очередь к сети.
- Зарядное устройство настраивается с учетом предпочтительного варианта зарядки батареи.
- После остается дождаться полной зарядки аккумулятора, и вернуть ее на свое место.

Трехступенчатая зарядка
Многие эксперты говорят о том, что данный метод является самым эффективным. Но вот сами производители аккумуляторов очень редко упоминают о нем. Это может быть связано с тем, что данная методика зарядки AGM батареи обусловлена некоторыми сложностями. Трехступенчатая методика зарядки состоит в следующем
- Первоначально АГМ заряжается 14,2 – 14,8 V, который соответствует 10 – 30% от имеющейся емкости батареи. В этом заключается так называемый основной цикл. В процессе основного цикла удается восполнить 80% емкости. К примеру, если AGM имеет емкость в 100 Ач, в таком случае выбирается ток 10 А (10%), и до 80% своей емкости аккумулятор зарядится приблизительно за 8 часов.
- Затем проводится накопительный цикл. Напряжение зарядного устройства уменьшается на 0,3 V. На данном этапе батарея останавливает емкость до 100% приблизительно за 3 часа.
- Третий этап предполагает так называемый плавающий режим. Напряжение ЗУ составляет 13,2 – 13, 8 В.
Двухступенчатая
Двухступенчатая зарядка применяется при эксплуатации АГМ. Суть данного методы аналогичен вышеприведенному, за исключением третьей процедуры.
Подпитка
Данный режим не используют в качестве основного заряда батареи – он используется только для быстрой подзарядки. Суть процесса заключается в следующем:
Подавать плавающий – 13,2 – 13,8V. (ток 0,1 – 0,2С).
Важно! Производитель батарей АГМ советуют использовать режим подпитки, однако если необходимо восстановить батарею после глубокой разрядки, в таком случае лучше применять многоступенчатую зарядку.
Основные рекомендации по выполнению зарядного процесса
Прежде чем приступать к процессу зарядки, необходимо ознакомиться с основными этапами зарядки:
- основной – в процессе восстанавливается до 80% всей емкости батареи;
- плавающий – цель данного зарядного процесса восстановить емкость источника питания до 100% значения;
- хранение – в этом цикле AGM потребляет минимальное значение тока от зарядного устройства;
- накопительный – в процессе батарея АГМ стабилизирует и сохраняет свои рабочие характеристики.
Зарядка источника питания АГМ должна выполняться специальным зарядником, оснащенным индикацией как по силе тока, так и по напряжению. Если эти два параметра контролировать, то удастся избежать газообразования внутри батареи.
Заряжать обычным зарядным устройством нельзя!
Отлично себя зарекомендовали зарядные станции с интеллектуальным управлением. Именно такие устройства восстанавливают AGM в относительно щадящем режиме.

В процессе зарядки крайне важно отслеживать температуру электролита, которая не должна превышать +50 градусов по Цельсию. Если пренебречь этим важным правилом, то эксплуатационный срок аккумулятора значительно сокращается.
Важно! Заряд выше 15,2 V неизбежно приведет к активизации процесса гидролиза, благодаря которому может образоваться газовая подушка и потере воды. Это также негативно сказывается на АГМ батарее.
Полезное видео
Ролик с подробностями о процессе зарядки и зарядным устройствам.
Восстановление и обслуживание
Многих волнует один важный вопрос – как восстановить AGM аккумулятор? Все зависит от того, в каком состоянии находится источник питания и каков его срок эксплуатации.
Дело в том, что если аккумулятор использовать небрежно, с нарушением существующих правил и норм, то даже новое устройство после такой эксплуатации может навсегда выйти из строя. Вот почему существуют определенные риски, когда приобретаешь батарею у предыдущего владельца, так сказать, с рук.
Важно! Приобретая источник питания AGM, в первую очередь нужно его правильно заряжать и эксплуатировать. Если следовать этим правилам, вам не придется думать о том, какими способами его можно реанимировать.
На самом деле нет ничего сложного в восстановлении AGM батареи, так как в основе ее лежит все тот же электролит, хоть и не в жидком состоянии. На сегодняшний день интернет полон различной информации о том, как восстановить «умерший» аккумулятор. Вот несколько самых популярных из них:
- Некоторые автолюбители наполняют внутреннее подсохшее пространство дистиллированной водой через шприц. Суть данного метода заключается в том, что со временем сепараторные пластины должны впитать в себя воду, после чего источник питания можно ставить на подзарядку. Некоторые автовладельцы подтверждают на форумах, что этот метод реально действует.
- Еще один метод реанимации «умершей» батареи заключается в том, чтобы обмануть само заряжающее устройство, к которому подключают вместе с «живым» аккумулятором «мертвый». Если тот источник питания, который нужно реанимировать, со временем начинает потреблять ток, значит его можно восстановить. Через короткий промежуток времени функционирующую батарею нужно отсоединить, а второй аккумулятор продолжить заряжать.

В заключение
Итак, из сегодняшнего материала вы узнали о том, как правильно заряжать AGM батарею. Из-за того, что в таких устройствах отсутствует жидкий электролит, все имеющиеся элементы расположены очень компактно. Главным преимуществом является то, что данный тип батареи практически не нуждается в каком-либо обслуживании.
Как упоминалось выше, AGM являются герметичными узлами, по этой причине источники питания не нуждаются в каком-либо обслуживании. Единственное в чем нуждаются устройства данного типа, это в правильной зарядке
Вконтакте
Google+
akkummaster.com
ᐈ Как заряжать AGM аккумулятор, чтобы восстановить и оживить севший agm АКБ?
Мы находимся на пике развития технологий, но до сих пор никто не изобрёл надёжного автоаккумулятора, который бы функционировал в любых условиях. Не имеет значения, какого типа у нас батарея: AGM, GEL или кальциевого – всякий аккумулятор разряжается и требует возобновления, а именно: подзарядки, проверки, утепления.
Когда источник тока не снимать с автомашины – он садится, а зимой – это риск заморозить АКБ. Поэтому разберёмся в данной статье: как и чем заряжать agm аккумулятор?

Достаточно часто в интернете пишут, что обслуживать agm не надо. Это ошибочное утверждение. Важно иметь сведения: можно ли восстановить agm аккумулятор? Как и другие источники питания, он требуют ухода: правильной зарядки, раскачки.
Но всё начинается с этого.
Машина не заводится, что делать?
Если автомашина не заводится из-за севшего аккумулятора, у нас есть несколько вариантов, чтобы всё починить.
- С наката включить передачу, позволит завести автомобиль с буксира. Однако, если у вашего «железного коня» авт. трансмиссия, этакой метод не поможет.
- С помощью «провода-прикуривателя» можно запустить силовой агрегат, но это при условии, что недалеко будет «донор электроэнергии» с напряжением 12 вольт.
- Ещё один способ оживления мотора: подзарядка штатного аккумулятора, через его подключение к второму источнику. Зарядить не получится, но оживить севший АКБ не снимая с машины – вполне.
Только нельзя прикуривать agm аккумулятор, он не восстанавливается как обычный – необходимо зарядное устройство.
Как правильно заряжать agm аккумулятор?
Собственники внедорожников предпочитают ставить силовые необслуживаемые аккумуляторы, и многие думают, что обслуживать agm аккумулятор не нужно. Но это не так.
Минимум нужно знать, можно ли восстановить agm аккумулятор, поскольку он требует ухода: правильной зарядки, раскачки. Нарушив процедуру – рискуем замкнуть батарею. Новый источник питания стоит недёшево, потому штудируем порядок зарядки

Зарядное устройство для аккумулятора
Существует два метода зарядки АКБ: непрерывным напряжением и постоянным током. Зарядное устройство для необслуживаемых аккумуляторов определяет режим автоматически, работая с непрерывным напряжением.

Выбор режима зарядки аккумулятора
Прибор обеспечивает напряжение зарядки: 13,7 — 15,5 VDC. Для аккумуляторов AGM /GEl 60 — 150Ah на шкале прибора. На табло мы выставляем необходимую позицию. Зелёный индикатор автоматически просигнализирует о заряженности.

Выбор режима Ah
Отметим, что agm батареи не выдерживают перепадов напряжения зарядного тока. Необходимо приобретать зарядное устройство, что позволяет контролировать напряжение в рамках 1/20 или 1/10 от ёмкости – иначе можно сжечь гель, а восстановить его невозможно.
Если это типовая зарядка гелевых аккумуляторов, не имеет значения, частично или целиком разряжена батарея, она заряжаться до 100%. Когда напряжение дойдёт до момента газообразования, зарядный ток должен снижаться; для optima это 15 Ст. В приборе предусмотрен ограничитель заряда.
Если пришлось заряжать аккумулятор самостоятельно
Порядок подготовки:
- Очистить клемы от грязи.
- Проверить степень заряда.
- Измерить напряжение.
- Оценить необходимость и период заряда.
Чтобы подзарядить аккумулятор понадобиться особенный прибор, что работает от сети 220 вольт, и определяет время зарядки.
- Обязательно проверьте батарею, нет ли механических повреждений.
- Лучше снять аккумулятор с машины. Определить уровень заряда необходимо иметь при себе вилку нагрузки, а также тестер или мультиметр. Так можно снять показатель напряжения на клеммах, убедится, что АКБ целиком разряжен.
- Если собираетесь чистить клеммы, не забудьте прихватить с собой наждачную бумагу.
Сколько заряжать аккумулятор agm?
Хотя АКБ и может длительное время функционировать без зарядки, однако, водителю следует определить: отчего села батарея, сколько заряжается полностью разряженный аккумулятор, чтобы самостоятельно зарядить в домашних условиях.
Вот вам ответ на первый вопрос:
- Пребывание машины на стоянке длительное время.
- Вряд ли вы сможете реанимировать старый аккумулятор, который быстро разряжается. Скорее всего, придётся задуматься над покупкой новой АКБ.
- Низкий уровень имеющегося электролита в банках.
- Поломка бортовой сети машины.
Относительно того, сколько времени заряжать аккумулятор: однозначно ответить не получится. Всё зависит от степени заряда аккумулятора. Правильным решением в этой ситуации будет сосредоточиться на индикаторе заряда на приборе.

Зарядка кислотного аккумулятора в домашних условиях
Здесь всё просто: засверкала зелёная лампочка – аккумулятор заряжен, красная – разряжен, следует повременить. Конечно, в вашей батареи могут быть и другие светодиоды, которые периодически загораются и гаснут, зависимо от того какой уровень зарядки аккумулятора.
Опытные водители считают, что более достоверным, всё же есть амперметр, если имеется таков. Чем больше аккумулятор разрядился, тем выше ток заряда амперметра. Опущение стрелки прибора к нулю, говорит о полной зарядке аккумулятора.
Даже элементарное обслуживание аккумулятора Optima, обеспечит длительную службу устройства. В целом, эти аккумуляторы не требуют «супер» подхода, есть одно правило – своевременная проверка, правильная зарядка.

Чем заправить agm аккумулятор?
Заправить agm аккумулятор не получится, он герметичный и не обслуживаемый — только подзарядка прибором. А вот в обычная АКБ заправляеться электролитом. В этом типе батарей электролит находится в гелеобразном состоянии. Подробней о технологии AGM.
Хранение аккумулятора в буферном режиме
Не рекомендуем хранить на сто процентов разряженную батарею, поскольку случается саморазряд аккумулятора, утрата ёмкости аккумулятора до 1% в сутки. А выглядит это следующим образом: потребители электроэнергии и батарея – все находятся в одной цепи, и тянут ток из батареи.
Верное решение: периодический заряд малый током, который мог бы компенсировать саморазряд батареи.
Как оживить безнадёжно севший agm аккумулятор?
Если уж аккумулятор подвергся повреждениям, то как оживить этот аккумулятор? И вообще, реально ли это сделать? Всё зависит от состояния батареи и срока её службы на автомашине. Обстоятельства могут быть всякие. Например, прежний аккумулятор, каким-то странным образом был перевезён через границу и оказался на украинском рыноке, а вы его приобрели.
Или же даже у вас безупречного новый АКБ, но из-за плохого сервиса случилась поломка. Как произвести восстановление аккумулятора? Важным моментом здесь является заполнение середины высохшего аккумулятора по максимуму водой, совершается это с помощью шприца, вода при этом должна быть дистиллированной. После того как сепараторные пластины получили потребную дозу воды, автомобильный аккумулятор можно заряжать, режим тока – обычный.

А вот вам ещё один способ, чтобы оживить севший аккумулятор agm. Здесь уже мы будем прибегать к уловкам, попробуем обмануть зарядное. Присоединим его к двум АКБ, из которых только один функционирует.
Если заметили, что «мертвый» аккумулятор набирает ток – его можно восстановить. Через определённый интервал времени, выключив рабочий аккумулятор, продолжайте заряжать АКБ, которая «ожила».
Чего не следует делать?
Знатоки активно рекомендуют прикуривать аккумуляторы, но никогда этого не совершайте. Если не удаётся самостоятельно завести автомобиль с аккумулятором AGM, это не означает, что нужно искать машину-донора электроэнергии. Прикурить — это печальный эксперимент для AGM. Известны истории, как может повести себя аккумулятор зимой, но это не касается гелевых аккумуляторов.
Признаки замкнутого автомобильного аккумулятора
Так как раскачать agm аккумулятор в этой ситуации? Скорее всего, ваш аккумулятор требует зарядки, а то и хуже – он вышел из строя из-за короткого замыкания. Признаки свидетельствуют, что серная кислота оказалась в стекломатах. И значит, теперь есть только вода. Со временем она начнет закипать в определённых участках из-за высокого тока. А как известно, излишек тока никаким образом не задействован в заряде АКБ.
Если автовладелец не прервёт процесс зарядки в необходимый момент, аккумулятор попросту начнёт разбухать и выделять через газовые клапаны пар, что образовался из электролита: это и есть признаки замкнувшего аккумулятора. В результате чего, вы вынуждены купить новый аккумуляторный блок. Так что помните, правильный сервис аккумулятора — условие его длительной жизни.
Понравилось? Расскажите друзьям:
Оцените: Загрузка…
bezdor4x4.com.ua
Exide – Главная
Exide Technologies
Компания Exide Technologies представлена более чем 80 странах, имеет 130-летний опыт работы и является одним из крупнейших мировых производителей свинцово-кислотных аккумуляторных батарей. Компания лидирует в разработке новейших технологий хранения энергии для автомобильного и промышленного применения. Ведущие производители автомобилей, грузовиков и погрузчиков доверяют компании Exide Technologies поставки оригинального оборудования для комплектации своего производства. Компания Exide предлагает также рынку портфель успешных и хорошо известных брендов.
Центральный европейский офис компании Exide Technologies располагается в пригороде Париже (Женвилье), производственные и научно-исследовательские центры Exide находятся в Германии, Испании, Италии, Польше, Беларуси.
Exide Transportation производит самый широкий ряд аккумуляторов для легковых и коммерческих транспортных средств, а также для сельскохозяйственного и водного транспорта. Промышленное применение (в рамках подразделения GNB Industrial Power) включает в себя эффективные решения по хранению энергии для тягового подвижного состава (погрузчики, уборочные машины и другие коммерческие электрические транспортные средства) и в области сетевого электропитания (телекоммуникационные системы, возобновляемые источники энергии и источники бесперебойного питания (ИБП)).
Инженеры компании Exide всегда были в авангарде инновационных начинаний в промышленной сфере. Производственные предприятия компании Exide, сертифицированные по ISO/TS, обеспечивают клиентов продукцией, изготовленной с максимальной эффективностью и отвечающей высочайшим стандартам качества, при минимальном негативном влияние на окружающую среду.
Обширная сеть продаж и сбыта компании Exide гарантируют клиентам высококачественное обслуживание и своевременные поставки. Перерабатывающие предприятия мирового класса обеспечивают рекуперацию аккумуляторов и тем самым вносят положительный вклад в охрану окружающей среды.
Компания Exide также предоставляет услуги, аксессуары и консультирование по вопросам энергопотребления.
exidetechnologies.ru
АКБ AGM Exide как правильно заряжать. Небольшой отзыв. — logbook BMW 3 series Touring 2004 on DRIVE2
АКБ AGM Exide как правильно заряжать. Небольшой отзыв.
Сначала вставлю ссылки про покупку и установку
А тут про измерение тока и подготовку к зиме
Статья будет многобуквенная и полезная.
Ну а далее рассказ пойдет о том как ведет себя аккумулятор на автомобиле, что с ним происходит и что нужно для этого делать! А что не следует делать. И тд
Пробег на аккумуляторе 16500км, время экстплуатаци чуть более 1года.
Часто короткие поездки (5-10км за раз) на работу и обратно
Простой автомобиля (24-46ч)
Трасса — несколько раз в месяц.
Сразу скажу что пороблем с запуском на автомобиле нет и не было. Проблем с пусковой системой тоже.
Запечатлил на видео Напряжение на приборке в момент запуска, замедленная съёмка
А это после короткой поездки
А это напряжение на клемах акб
Вот есть данные для проверки нагрузочной вилкой, напряжение спустя несколько секунд после нагрузки
Показания вольтметра, В Процент заряженности, %
> 10,2В — 100%
9,6В — 75%
9В — 50%
8,4В — 25%
< 7,8В — 0%
Не считать перые доли секунд, аккумуляторщик сказал это нормальное падение напряжение, да и напряжение замерялось с нагрузкой на стартере а не вилке!
Оговорочка про эксплуатацию. Понравилось то что при использовании AGM, в автомобиле перестал моргать (притухать) ближний свет когда слушается музыка в моменты глубокого баса, тк agm способен отдать быстрее энергию чем простой кислотник, даже конденсаторы на автомузыку не стоит ставить, а я имею опыт использования конденсатора.
Ну а теперь поехали. Началось все с того что после эксплуатации в городе и простоя автомобиля 24-48ч стал замечать падение напряжения бортовой сети автомобиля до 12,4в, а спустя некоторое время до 12,2-12,3в в то время как нормальным должно быть напряжение 12,5-12,7в, обычно это 12,6в
Замерять нужно так чо бы автомобиль не просыпался!, Есть несколько способов, оставте открытым багажник и защелкните замок или капот в гараже, выведете провода из авто для замера или по напряжению на брелке сигнализации. Ток покоя должен быть в норме.
После трассы напряжение 12,5-12,6в держалось 7-10дней!
Итак, однажды при запуке мотора потухло радио, а это значит что напряжение опустилось до критического. Вот тут начались волнения, почему он разрядился, ведь он принимает быстро заряд, а глубокого разряда не было, да и заряжал я накануне, и в гараже гогда работаю ставлю на клемы зарядник.
Поехал я Кириллу kirill-caprice на рынок, там его знакомый подключил новомодный прибор (тн электронная вилка) замеряет по внутреннему сопротивлению и замерил остаток тока и емкости.

Zoom
судя по пусковому акб разряжен на 30%
Так и есть, судя по напряжению акб заряжен примерно на 70%
WTF?!, почему, в чем дело? неужеле за эти короткие поездки он не успевает заряжаться?! (овечаю да и потом расскажу почему!)
До этого я перелопатил кучу информации в интернете про agm акб, форумы и тд, кое что узнал и нашел даже пару схожих случаев.
После замера я сказал ему что я заряжал акб недавно, а точнее вчера и даже взял модную зарядку bosch C7 у друга Саши, ему спасибо, и уже через час акб был заряжен и встал в буферный режим!

Zoom
Процесс

Zoom
Процесс

Zoom
Буфферный режим
То есть акб больше не хочет брать заряд! тут у меня закрались мысли о сульфатации, но за год этого не может быть. С рынка я поехал к одному хорошему аккумуляторщику САШЕ, находится он на авторынке Осовцы, обращайтесь, можете даже сказать от меня)))

Zoom
Рекомендую
он отключил все же клемы от автомобиля и повторно измерил похожим прибором емкость, все снова подтвердилось, заряжен на 70% Рассказал ему ситуацию. После мы разговорисились, я много чего узнал про аккумуляторы, производство и тд и тп в итоге он посоветовал зарядить ПРАВИЛЬНО АКБ тк аккумулятор просто недозаряжен. И вот это ключевой моент по зарядке акб.
Условия и инструкция по зарядке
1) Температура АКБ должна быть +20 и более градусов по цельсии! (потому и акб не успевал достаточно заряжатся этой зимой, пока я еду короткие поездки да еще и слушаю музыку на стоянках) летом такого не было.
Хорошее наглядное видео как холодный Акб не берет заряд!
2) Заряжать нужно не быстро как делал я ранее (5-8ч) а почти сутки и именно теплым
3) если у вас новомодная зарядка аля bosch c7 или стек 5,0 то в буфферном режиме акб нужно держать еще не менее 12ч, тк заряд подолжает идти и доходит до 95%! Это полная зарядка считается.
Вот инструкция по agm от exide exidetechnologies.ru/down…%20manual%20RUS%20web.pdf
Ну теперь то я понял что зимой в гараже акб принимал лишь часть заряда, а коротки е поездки + музыка не давали нормально принять заряд аккумулятору. (хотя заявляют что агм быстро берет заряд, да быстро но в данной ситуации так произошло и я рассказал частый случай которых в интернете я нашел много)
И теперь самое главное , многие пользователи грешили на отутствие датка IBS, что agm нельзя использовать в авто без него!
Заявляю что это полная чушь! Для особо гашеных, кто в танке и тоже так считает, 2 неоспоримых факта
Первый — IBS не может повысить ток зарядки от генератора ни напряжение зарядки! Может только снизить заряд при разгонах.
IBS элемент контроля состояния заряда АКБ, его задача предупредить водителя мол эй парниша акб подсел — заряди, а я пока отключу тебе пару крутых функций в твоем BMW и запишу неисправность в память.
Вот описание Интеллектуального датчика аккумуляторной батареи (IBS), ни слова про функцию ограничения тока! Да и этого физически нельзя сделать, акб берет тока столько — сколько ему нужно и подключен напрямую к генератору!
Второй — BMW предлагает AGM акб для втомобилей без IBS (e46 например)
Ссылка или там идиоты работаают?)))))
Новое поколение аккум. батарей (AGM):
Для автомобилей с критичным зарядным
балансом можно установить аккумул.
батарею нового поколения.
Надеюсь на этом МИФ о том что AGM нельзя эксплуатировать на автомобиле без датчика IBS можно считать развеянным!
Итак, принес я акб домой.
Жена привет это agm акб ми он поживет у нас)
Принес домой на отогрев и зарядку
замерил напряжение после утренних поездок, да тут все гуд 12,6в
После нагрева я поставил на зарядку

Zoom
Процесс пошёл
Начал с 5А и напряжение не более 14,8!В, и спустя 5часов ток упал до 1А, за это время акб принял порядка 15-20Ач емкости!
Далее спустя еще 5часов ток упал до примерно 0,5А!
После Я сделал иммитацию буфферного режима умной зарядки, простыми словами снизил напряжение до 13,8В и оставил на ночь!
Утром ток зарядки составил 0,2А, это почти тоже самое что акб стоит на заведенном автомобиле если он заряжен (0,2-0,5А) то есть 10ч мы как бы ехали!
На данном этапе акб можно считать заряженным!
Напряжение на акб спуста час после снятия с зарядки 12,8в

Zoom
После зарядки.
Дополню еще, что такая работа акб AGM является нормальной и не навредит ему так как кислотному, то есть разряды на 30% это нормально для AGM при условии что он не будет так храниться долгое время! И при этом количество циклов разрядки будет около 800-1000раз, даже если посчитать это на каждую неделю то это будет более 10 лет)))
Вот примерно по такой схеме
Ну и видео запуска, напряжение на клемах Акб после подзарядки
Падение почти такое же, что говорит о том что агм гораздо лучше крутит и так же хорошо как заряженный так и севший

Zoom
Кот занычковался))
Уже несколько дней напряжение на акб держится 12,6В в городском цикле!
Наблюдение будут продолжаться, отзыв по акб будет продолжаться или пополняться.
Дополенео 8,01,18 (+16дней) — напряжение на акб 12,4-12,5 после простой 12+ часов, ездил снова мало и на новогодние праздники автомобиль стоял почти 4 суток (-5А.ч)
www.drive2.com
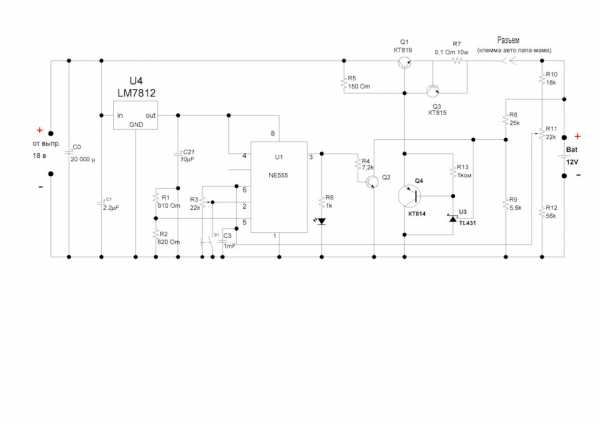
Сообщества › Сделай Сам › Блог › Зарядное устройство для AGM автомобильных аккумуляторов.
Всем привет.
Уважаемые корифеи от электроники могут не читать этот пост, дабы не раздражаться от рассуждений дилетанта, его может быть “кривой” терминологии, не судить его строго. В нем он рассказывает о своих мучениях и ошибках при создании этого зарядного устройства.
Я это делаю исключительно для того, чтобы такие как я, в случае если решат пойти по этому пути, не повторяли моих ошибок. Итак, в путь.
Как известно, AGM батареи критичны к режиму зарядки. Обычные зарядные устройства без контроля напряжения зарядки могут вывести их из строя. Внутри AGM батареи свинцовые пластины находятся в своего рода пакетах, наполненных электролитом в виде геля. Их еще поэтому называют гелевыми ( не путать с гелием). У этих батарей много преимуществ перед традиционными, но они требуют определенного к ним отношения при эксплуатации. Их нельзя эксплуатировать в условиях высоких температур (поэтому их размещают вне моторного отсека, в салоне или багажнике авто). Напряжение их зарядки не должно превышать 14,7 в.
Производители этих батарей рекомендуют следующий режим их зарядки:
1 этап — заряд аккумуляторной батареи током 0.1С до напряжения 14.5-14.8в. Этот момент очень важен так как на этой границе начинается бурное расщепление воды на кислород и водород, тем самым создаётся избыточное давление в банках. Избыточное давление выходит через предохранительные клапаны, повышается кислотность электролита. Срок службы батареи существенно сокращается.
2 этап – при достижении на батарее порога напряжения 14,5 – 14,8 в мгновенное снижение напряжения заряда до 13,6 – 13,8 в с ограничением тока 0,01С. Батарея переходит в режим насыщения и может находиться в этом режиме долго без вреда для нее.
Вот о таком устройстве и пойдет речь.
Я долго искал схему, позволяющую заряжать AGM батареи по приведенному выше алгоритму токами до 5 А, но находил лишь слаботочные конструкции для малых батарей.
За основу я взял схему с сайта forum.cxem.net/index.php автора «kurilka», как наиболее подходящую с моей точки зрения для повторения. Вот она:

Мне пришлось доработать схему под мои задачи. Дело в том, что автор использовал ее также на слаботочных нагрузках. Мне же нужно заряжать батарею током около 4 А в основном режиме, не менее. Поэтому, когда я ее собрал и запустил, то получил зарядный ток около 0,5А, разумеется заменив силовой транзистор Q1 на более мощный, а именно – КТ819. Никакие манипуляции с настройками не давали желаемого результата. Ток не увеличивался.
Я предположил, что недостаточное смещение на выходном транзисторе не дает ему открыться. При включенном режиме зарядки, когда на выходе 555 присутствует высокий потенциал, транзистор Q2 открыт и шунтирует управляемый стабилитрон TL431. Напряжение на базе Q1 в этом случае определяется разницей величин напряжения питания ( у меня 21 в) и падением напряжения на R5. Оно получалось недостаточным, чтобы транзистор Q1 открылся. Увеличить напряжение можно уменьшив R5. Но в этом случае возрастает коллекторный ток через Q3 и он наверняка выйдет из строя (для 2N3409 100 миллиампер – это предел).
Что я сделал?
Поменял Q3 на КТ815. У него тоже напряжение насыщения 0,6 в, как и у 2N3409, но ток 1,5 А макс. Я рассчитал схему следующим образом. R5 — 240 Ом. Коллекторный ток на КТ815 при этом мал, радиатор не требуется. На базе Q1 стало около 14 в и он открылся. Ток зарядки стал 4,2 А. Он ограничивается величиной сопротивления R7, которое примерно рассчитывается: J = 0,6/R7. 0,6 в – это напряжения насыщения транзистора Q3, который открываясь шунтирует транзистор Q1, заставляя его закрываться и тем самым ограничивая ток через него. У меня R7 – 0,15 Ом мощностью 10 Вт. Ток при этом около 4 А. Аккумулятор заряжается до напряжения отсечки, т.е. до 14,7 В, как я установил настройками. Затем срабатывает на отключение таймер 555 и напряжение на базе Q1 будет определяться уже напряжением открывшегося стабилитрона, т.е.13,6 В — буферный режим.
А это как раз то напряжение смещения транзистора Q1, при котором ток зарядки при полностью заряженной батарее ( в процессе дозарядки после включения буферного режима ток постепенно уменьшается, у меня с 2,5 А в начальный момент при переключении в буферный режим) должен быть около 0,5 А или немного меньше 0,01С. Это нормально. Такой ток не вредит батарее и компенсирует ее саморазряд.
И все бы хорошо, но…
Дело в том, что в режиме основной зарядки резистор R5 обеспечивает напряжение смещения на Q1. Но когда схема переключается в буферный режим и транзисторы Q1 и Q3 закрыты, а TL431 открывается и ток идет по цепи R5 — U3 этот резистор является ограничительным по току через регулируемый стабилитрон TL431 и его сопротивление является недостаточным для обеспечения безопасного для U3 тока. Ток слишком велик. U3 греется и может выйти из строя (я два так спалил).
То есть, в рабочем режиме необходим резистор, обеспечивающий достаточное смещение на Q1 для получения нужного нам тока зарядки ( в моем случае 4 А), а в буферном режиме требуется резистор значительно большего номинала для ограничения тока через U3 (его рабочий ток не более 100 мА).
Что делать? Вводить два резистора и переключающее реле?
Все эти вопросы мы обсуждали в переписке с автором исходной схемы, и автор первоисточника убедил меня отказаться от использования реле из-за его инерционности. То есть оно отработает, спору нет, только нет и гарантии, что за время его срабатывания не успеет сгореть TL431. Ток на нем хоть и мгновение, но будет убойный.
По его совету я ввел в схему в цепь между базой Q1 и землей транзистор КТ814 (комплиментарный КТ 815-му), а стабилитрон TL431 включил между его коллектором и базой, а между базой и эмиттером — резистор 1 ком. То есть зашунтировал TL431 транзистором, через который пошел основной ток. Этот транзистор установил на небольшой радиатор около 20 см2 ( при работе он греется где-то до 50 гр.С). Резистор R5 поставил 150 Ом. И наконец родилась окончательная схема. Вот она:

Полный размер
Опишу еще процесс наладки устройства.
Итак. Имеем три реперные точки.
1. Напряжение отключения таймера 555 (отключение основного режима зарядки), а именно — 14,7 в. (верхний порог по напряжению).
2. Напряжение включения таймера 555 (примерно соответствует 50 % разряда аккумулятора) — 12,2 в. (включение режима основной зарядки).
3. Напряжение буферного режима ( режим ограничения тока 0,01С, или “добивка” аккумулятора до 100% заряда и поддержание его в таком состоянии) — 13,6 — 13,8 в.
Настройка.
Начнем с конца. Извлекаем микросхему.
Вместо батареи ставим конденсатор (можно электролит, естественно соблюдая полярность и подходящий по напряжению) и подключаем вольтметр. С помощью R8,R9 выставляем напряжение буферного режима (13,6 — 13,8 в).
Другими словами, мы настраиваем делитель напряжения для получения нужного потенциала на управляющем выводе регулируемого стабилитрона TL431 для получения нужного напряжения стабилизации. Я манипулировал двумя переменными резисторами, временно подключив их вместо R8 и R9, а затем заменил их постоянными тех же номиналов. Желательно подобрать их точно, комбинируя, если потребуется, параллельное и последовательное их соединение. Можно применить подстроечники, впаяв их вместо постоянных резисторов и оставив в схеме, но желательно тогда многооборотные.
Далее выставляем верхний и нижний пороги срабатывания микросхемы 555. Для этого устанавливаем микросхему на её законное место, отключаем разъем (в авторской схеме перемычка, в моей — разъем папа-мама. Вот для чего он нужен. Без него настройка превратится в гемморой, нужно отключать питание от делителя), а вместо аккумулятора подключаем блок питания (желательно лабораторный или на худой конец регулируемый по напряжению), выставляем на нём около 14 в. Далее выставляем на блоке питания желаемый минимальный порог включения заряда (я ставил 12,2 в) и резистором R3 добиваемся включения NE555 ( на выходе напряжение близкое к напряжению питания микросхемы, т.е. около 12 в), это состояние наглядно продемонстрирует вспыхнувший индикаторный светодиод ( обратите внимание, напряжение срабатывания должно быть обязательно ниже напряжения буферного режима. В моем случае это 12,2 против 13,7 в).
Точно также настройте верхний порог срабатывания микросхемы (на выходе около 0 в, светодиод потух) — 14,6 — 14,8 в.
Эти манипуляции с двумя подстроечными резисторами довольно муторные и деликатные, так как поворот движка любого из них влияет и на верхнее и на нижнее напряжение, они изменяются. Нужно постоянно подстраивать то один, то другой, чтобы добиться нужного результата.
Но ищущий да обрящет! И вот нам это удалось! Мы выставили все три реперные точки по контрольным напряжениям. Устройство настроено. Все отключаем.
Соединяем разомкнутый технологический разъем.
Подключаем наш аккумулятор. И… Надеюсь все будет хорошо, как и получилось у меня.
Теперь о конструкции.
Узел питания состоит из трансформатора (в моем случае тороидальный) с напряжением вторичной обмотки 16 – 18 в, выпрямительного моста соответствующих параметров и конденсаторов фильтра, емкость которых зависит от нагрузки, в моем случае 20 000 мкф. Напряжение на входе схемы после фильтра у меня около 21 в. Охлаждение силового ключа на транзисторе КТ819 выполнено на радиаторе компьютерного процессора с кулером. Как оказалось, этот радиатор настолько эффективен, что не позволяет разогреться транзистору на токе 4 А более 50 градусов. В этом случае напряжение на вентиляторе около 8 в и он работает не в полную силу. Можно использовать и меньший радиатор.
Схема блока управления кулером

с плавной регулировкой оборотов вентилятора в зависимости от температуры нагрева использовалась очень простая, всего из трех деталей, — транзистор MOSFET IRFBC 40, терморезистор с отрицательным ТКС ( у меня 6,8 ком) и подстроечный резистор ( у меня 2,2 ком). Номиналы резисторов не критичны, главное, чтобы сопротивление подстроечника было примерно в 3 раза меньше сопротивления терморезистора.
Вот что в итоге получилось:
www.drive2.ru
Режим заряда для АКБ по технологии AGM
имхо неплохо бы в народный мануал закинуть.—————-
Преамбула: большинство ЗУ для авто акб на рынке имеют лишь регулировку по току, с выходным напряжением от 15 В и выше, что, как выяснилось, для AGM и гелевых батарей вредно.
Увы, в общем, в очередной раз убедился в справедливости истины – “хочешь чтобы было сделано хорошо – сделай это сам”
Остается только высказать свое “фи” производителям AGM аккумуляторов, по поводу того, что в сети практически не встречается информации по их режиму зарядки, а заодно и производителям и продавцам ЗУ, по поводу того что не могут дать точный ответ, как с помощью их устройств можно зарядить гелевые и AGM акб.
В итоге, удалось “откопать” мануал к AGM батарее VARTA Ultra Dynamic, уверен, что аккумуляторы AGM Bosch S6 аналогичны и инструкция также справедлива и для них.
http://www.varta-automotive.com/elearning/de/pdf/VARTA_Bedienungsanleitung_ultra-dynamic.pdf
AGM аккумуляторы под брендом автопроизводителей, как в нашем случае BMW скорее всего являются продукцией вышеуказанных аккумуляторных брендов.
Вкратце инструкция по уходу за AGM батарей:
– Перезарядка требуется при достижении напряжения на клемах АКБ 12.2 В
– ИСПОЛЬЗОВАТЬ ЗУ ТОЛЬКО СО СТАБИЛИЗАЦИЕЙ ПО ВЫХОДНОМУ НАПРЯЖЕНИЮ, С ОГРАНИЧЕНИЕМ НАПРЯЖЕНИЯ В БУФФЕРНОМ РЕЖИМЕ НЕ БОЛЕЕ 13.8 В
– Максимально допустимое напряжение заряда 14.8 В (при комнатной Т)
– рекомендуемый ток заряда – 0.1С
– батарея не должна нагреваться выше 45 градусов
– полный заряд достигается после 24 часов зарядки
– раз в полгода рекомендуется полная зарядка
Следует также иметь в виду, что возможно у других производителей AGM акб (Optima) немного отличные рекомендации по зарядке
http://www.optimabatteries.ru/instr.html
В частности, производитель допускает использование напряжения при зарядке до 14.2 – 15,0 В и ток заряда до 10 А и даже режим ускоренной зарядки до 15.6 В с током 25 А
При этом, в буферном режиме напряжение также не более 13.6 В.
Вопрос зарядки гелевых акб не исследовал, но по тому что находил создалось впечатление что они еще более строги к режиму заряда.
Подытоживая – в автоматическом режиме можно заряжать такие акб с помощью ЗУ с возможностью регулировки не только по току но и по напряжению.UPD от 07.04.2016
Гелевые АКБ не используются они в авто в качестве стартерных, используются в качестве акб для всяких солнечных батарей, бесперебойников и т.п. Слишком дороги, требуют бережного и аккуратного обращения, чувствительны к перепадам температур и т.п.
Многие производители (и Оптима в их числе) и продавцы из маркетинговых соображений акб выполненные по технологии AGM называет Gel. Но это разные технологии.Нажмите, чтобы раскрыть…
UPD от 07.04.2016С удивлением, обнаружил свой пост шестилетней давности еще живым , значит тема актуальна.
Дополню его следующей информацией, мне, кажется она будет полезной в плане длительного опыта эксплуатации AGM АКБ.Итак, после историй с “выжиранием” АКБ вебастой и цезарем 6-ти летней давности (!) машина продалась с тем же АКБ, который вполне был живым. Живым – имеется в виду, что он не приносил каких бы то ни было проблем, при постоянной эксплуатации и небольших простоях авто (до двух недель).
Т.е. оригинальный BMW AGM АКБ прослужил 7 лет и надеюсь еще послужит будущему владельцу (хотя есть шанс что в салоне при продаже авто акб все-таки доканали).
За историю владения авто (7 лет) с этим АКБ он разряжался у меня до различной степени разряда порядка 7-10 раз . Рекорд разряда – показание на клеммах 4 В. Заряжал после это дня два, малым током малым напряжением дня 2-3, и зарядил, после чего АКБ продолжил нормальное функционирование.
Как показала история, АКБ выжирал все-таки цезарь саттелит. После того как сперли барсетку с единственной бесконтактной меткой, пришлось вызывать мастера снимать его и после этого все истории с внезапным разрядом прекратились.
Причины разрядов были следующие:
– поначалу – цезарь саттелит + чрезмерное увлечение прогревом салона вебастой при малых пробегах. Все-таки лучше не подключать прогрев салона, а греть только двигатель, а затем, заведя его уже прогревать салон.
– длительные перерывы в эксплуатации авто (более нескольких месяцев) при неснятой клемме АКБ. Если оставляете машину надолго, снимите клемму и заприте машину ключом. СОВЕТ: для того чтобы не заниматься акробатикой в багажнике (на е83) при подключении АКБ обратно, можно через подкапотные клеммы подсоединиться к другой машине, акб, заряднику и открыть багажник как обычно, с ключа.
– китайская накидка с подогревом на задние сиденья, оставленная в заднем прикуривателе. Почему-то этот прикуриватель не отключался и накидака продолжала работать.Общий вывод:
– AGM АКБ при бережной зарядке – вещь практически вечная, допускающая несколько полных разрядов и дающая стабильный ровный ток
– под бережной зарядкой я подразумеваю режим заряда описанный в первом посте.
– ЗУ лучше выбирать тот, в котором вы вручную сможете выставлять ограничения по напряжению и току, и делать это осмысленно, понимая, какой тип АКБ вы заряжаете и каковы правила его зарядки рекомендованные производителем АКБ. Что лично я выбрал в качестве ЗУ я писал, но вполне возможно что за это время появились и другие модели-производители.PS: мое ИМХО по некоторым вопросам из треда этой ветки
– после длительного простоя в несколько месяцев, что со снятой клеммой, что с неснятой, лучше выкроить время и зарядить АКБ. Зачем вам сюрпризы в дороге?
– заряд АКБ лучше производить при комнатной температуре, поэтому зимой, после разряда АКБ, лучше снимать его и заряжать в тепле. Чтобы просто открыть багажник (на е83) используйте подкапотные клеммы. Если возможности заряжать в тепле нет, устанавливайте малый ток, менее 0.1С, он “разогреет” электролит, но это конечно займет много времени
– при малых пробегах-больших простоях полезно АКБ периодически дозаряжать. Для долгой и счастливой жизни, АКБ должен быть большую часть времени заряжен на “почти полностью”, при этом
текущий уровень заряда АКБ можно узнать из напряжения на клеммах (см. таблицу в первом посте), при этом учтите, что емкость с годами уменьшается. Т.е. заряд 7-летнего АКБ до 100% не значит, что это заряд АКБ 100% до емкости 100 А/ч.12.65 volts – 100%
12.45 volts – 75%
12.24 volts – 50%
12.06 volts – 25%
11.89 volts – разряжен в ноль.Нажмите, чтобы раскрыть…
www.bmwclub.ru




Добавить комментарий