Самодельный мини экскаватор чертежи видео: Как сделать мини экскаватор своими руками: чертежи, видео
Как сделать мини экскаватор своими руками: чертежи, видео
Статья обновлена 15.07.2018
Частая аренда землеройной техники — процедура затратная и не обеспечивает удобства владельцу участка. Другое дело — собственная компактная машина, с которой можно сэкономить на услуге аренды, расходовать минимум топлива и при этом получать все функции полноценных моделей. Создать такую технику непросто, но для настоящего мастера не невозможно. Как сделать мини экскаватор своими руками? Для начала нужно определить его параметры и тип.
Содержание:
- Выбор модели
- Подготовительный этап: где взять чертеж
- Конструктивные решения
- Узлы мини-экскаватора
- Система гидравлики
- Как сделать ковш
- В заключение
Выбор модели
Правильно собранный мини-экскаватор ничем не уступает моделям, созданным по всем правилам в заводских условиях. Обладает некоторыми преимуществами для частного использования: минимальный расход топлива, простая транспортировка, адаптированность под конкретные потребности, малый вес.
Работать можно на любых площадях, в том числе в складских и других закрытых помещениях. Обычно подобная техника требуется на дачах, у загородных домов, используется в рытье ям и котлованов, для неглубоких коммуникаций и пр.
Существуют различные виды мини экскаваторов
Типы самодельных моделей:
- Экскаватор из мотоблока, на базе имеющегося минитрактора или просто автомобиля. На нем используется навесное оборудование. Собирается автономная техника на гусеничном или автомобильном колесном ходу, способная перемещаться по участку самостоятельно. Другой вариант — машина, перемещаемая с использованием вспомогательных средств. Если понадобится, все навесное оборудование легко демонтируется, а использованная база снова используется по прямому назначению.
- Мини экскаватор с нуля. Трудоемкий вариант для самых опытных умельцев. Невозможно справиться с подобной задачей новичку, время и деньги будут потрачены зря. Понадобятся специфические навыки или квалифицированные помощники, хороший багаж технических знаний.

- Простое бюджетное решение — прицепной экскаватор на прицепе Т40 с рамой и колесной осью.
Устанавливается автономный двигатель, гидравлика и специфическое оборудование.
Подготовительный этап: где взять чертеж
Нужно подобрать конкретную, четкую и понятную схему для сбора своей землеройной машины. Сложностей с выбором быть не должно. Можно использовать:
- Уменьшенные в масштабе заводские схемы больших экскаваторов типа «Беларус».
- Готовые чертежи из Интернета, размещенные народными умельцами. Интересные рабочие варианты можно найти не только в рунете, но и на зарубежных ресурсах.
Подобрав оптимальный чертеж, нужно составить смету и примерно определиться с затратами на расходники и детали.
Конструктивные решения
Самодельный ручной экскаватор компонуется так же, как и заводские автомобильные модели. В такой технике присутствуют узлы:
- Несущая рама, установленная на гусеницах от трактора или автомобильном ходу.

- ДВС для приведения в действие гидравлики.
- Опорно-поворотная часть.
- Гидравлика.
- Ковш.
- Стрела.
Выбор ковша для экскаватора
Оптимальным решением будет установка оборудования на Т40 или создание своими руками подобного прицепа для установки на нем мотора, бака, колесной пары. Устойчивость машине обеспечит дополнительное башмачное крепление: пара «башмаков» удержит от опрокидывания.
Мотором может быть ДВС мощностью 15 кВт — японская или даже недорогая китайская модель.
Узлы мини-экскаватора
Стрелу и гидросистему можно приобрести в комплекте, и просто установить их на базу. Подобное решение избавит от многих ошибок и поиска запчастей. На всё время эксплуатации можно забыть о настройке землеройной машины. Но подобные комплекты дорого стоят, и при должном опыте домашние умельцы предпочитают изготовление всех узлов своими руками. Могут использоваться и модернизированные узлы от старой техники.
Система гидравлики
В заводских экскаваторах гидросистему составляют 4 части:
- опорно-поворотная часть;
- стрела;
- ковш;
- система управления.

При изготовлении землеройной машины своими руками можно прибегнуть к упрощенному варианту. В этом случае понадобится опорно-поворотная колонка и стрела. Колонка крепится на несущую конструкцию, роль которой может выполнить мотоблок. Чтобы самостоятельно сделать узлы, нужно иметь 4 гидроцилиндра для движения стрелы вниз и вверх, управления ковшом, поворотов. Подойдут старые гидроцилиндры от грузовых автомобилей советского производства.
Для гидропривода удобно использовать недорогой шестеренчатый насос. Это простое в использовании и ремонте, бюджетное решение. Чаще всего мастера выбирают НШ-10, совмещая его с распределителем Р-16А.
При необходимости увеличение мощности техники достигают путем одновременной установки 2 насосов с 2 распределительными узлами.
Техника в работе
Как сделать ковш
Рабочей частью машины служит ковш. Эта деталь подвергается максимальным нагрузкам, потому выдвигаются повышенные требования к качеству материала. Оптимальное решение — листовая сталь 6-9-миллиметровой толщины.
Рассчитываются по чертежам и вырезаются из стального листа отдельные заготовки, надежно свариваются между собой. Для усиления боков и днища дополнительно используются пластины из стали. Эффективность и производительность ковша повысится, если на передней части приварить прочные «клыки». Для них могут быть использованы «пальцы» гусеничных машин.
Обычно при создании самодельной землеройной техники используют прямую и обратную лопату. Но при необходимости может быть собран и драглайн — техника, предназначенная для больших котлованов, траншей и пр. Он понадобится при работе ковша ниже площадки, на которой установлен самодельный экскаватор.
В заключение
Чтобы сделать мини экскаватор, придется приложить немалые усилия. Не имея некоторых навыков и знаний, лучше не пытаться с нуля собирать сложную машину. В таком случае лучше найти готовые узлы и собрать их на прицепе Т40.
При наличии хорошей технической — теоретической и практической — подготовки и специальных навыков достаточно выбрать хороший чертеж, найти нужные детали и материалы и браться за изготовление своей универсальной землеройной техники.
Понадобятся собственные умения сварщика, слесаря, токаря и еще ряда специалистов. Если таких навыков нет, лучше поискать помощников среди знакомых.
В сети представлено множество видео с полным изложением процесса сборки самодельного мини экскаватора и результата работы. Приступая к выполнению аналогичной задачи, ознакомьтесь с как можно большим количеством подобных материалов и выберите или создайте на их основе свою инструкцию.
Читайте еще:
Мини экскаватор своими руками, чертежи, размеры
С чего начать?
Конечно, с визуализации. Дабы проблемы, связанные с дальнейшей эксплуатацией мини экскаватора, созданного своими руками, не закопали навсегда ваше время и труд, к его созданию вы должны подойти с четким осознанием, что и как делать. Ведь накупив уйму запчастей, потратив бессчетное количество времени и усилий, навряд ли кому-то захочется в конечно итоге осознать, что его “поделка” оказалась дороже, чем серийный экземпляр, но при этом менее эффективной.
После взвешивания всех “за” и “против”, первое, чем необходимо вооружиться, — это чертеж. Его можно или купить на иностранных сайтах, или подсмотреть на просторах рунета. Если вы займетесь поиском необходимой информации на зарубежных сайтах, помните, что, например, в американской системе измерения используются дюймы, а не метры. Не забудьте перевести одни величины в другие!
Далее ко всему этому необходимо приложить вашу смекалку, умелые руки и набор необходимых деталей. Но обо всем по порядку.
Источник фото: exkavator.ruМини экскаватор. Визуализируем
От общего к частному
Есть два наиболее распространенных метода создания мини экскаватора своими руками: можно установить навесное оборудование на небольшой трактор или соорудить автономный самодельный мини экскаватор, который может передвигаться самостоятельно или при помощи иного транспорта. Второй вариант более трудоемкий. Необходимо самостоятельно сделать раму, установить по крайней мере заднюю ось (можно использовать от старого автомобиля), двигатель.
Источник фото: exkavator.ruГлавное — положить начало
Раз лошадка, два лошадка
Как быть с “лошадьми”? Вопрос резонный, и ответ на него кроется в тех целях и в той работе, которую вы будете осуществлять на мини экскаваторе, сделанном своими руками. От того, что именно вы будете копать, зависит расчет усилий на гидроцилиндрах подъема-опускания стрелы и поворота рукояти, затем определяется скорость движения звеньев и перемещения поршней в цилиндрах. Обычно мощности в 8-13 лошадей хватает с лихвой.
Поиск необходимого оборудования или запчастей стал еще проще — оставьте заявку и Вам перезвонят.
Гидравлика. Наши умеют и это
На самом деле, американские коллеги по цеху предпочитают устанавливать гидравлику уже готовую.
Вариант не самый дешевый, но требующий наименьших трудозатрат. Но наши люди легких путей не ищут! Вооружившись теоретическими знаниями, можно попробовать сделать гидравлику своими руками. Но предупреждаем: процесс этот достаточно сложный.
Итак, гидравлическая система полноценного экскаватора состоит из 4 секций (это минимум): поворотная платформа, ковш, стрела и рукоять. Что касается поворотной платформы, то от нее можно отказаться, так как сложные работы на самодельном мини экскаваторе, как правило, не выполняются. Устанавливаем 4 гидроцилиндра (этого вполне хватит, чтобы поворачивать и поднимать стрелу и рукоять, управлять ковшом). Гидроцилиндры от механизма подъема кабины МАЗ или КАМАЗ подойдут как нельзя лучше.
Источник фото: exkavator.ruА вот и основа машины
Рабочее оборудование: готовое или смастерить?
Самый простой вариант — установка готовой стрелы вместе с гидросистемой. Также можно установить стрелу на ваш самодельный мини экскаватор, например, от старого фронтального погрузчика.
Если, конечно, к таковому имеется доступ. К тому же ее нужно будет адаптировать для землеройных целей. Еще один вариант “попроще” — сделать стрелу из трубы квадратной формы своими руками.
Источник фото: exkavator.ruСтрела самодельного мини экскаватора
Ковш: чем прочнее, тем лучше
Ковш — это непосредственно та составная часть машины, которая будет соприкасаться с рабочей поверхностью. Для того, чтобы мини экскаватор своими руками прослужил вам (не будем загадывать сколько!) рекомендуют использовать прочный металл. Минимальный набор таков: 2 боковины и днище. К вертикально установленным боковинам при помощи сварки прихватывается днище, в качестве которого используется прямоугольная пластина. Уже прихваченная с одного края к боковинам, она нагревается горелкой и постепенно огибается по контуру боковин. Не забудьте делать прихватки. Верхнюю кромку и днище рекомендуется дополнительно усилить стальными пластинами. После всего проделанного можно приваривать зубья.
Источник фото: exkavator.ruКовш. Пока еще беззубый
Источник фото: exkavator.ruА у кого-то уже «прорезались» зубки
Насос. Можно так, а можно этак
При установке насоса вы гарантированно зададитесь вопросом: аксиально-поршневый или шестеренный? Скажем так, тут выбор за вами. Первый — более дорогой, но и более эффективный. Из шестеренчатых хорошо себя зарекомендовал НШ-10. Можно позаимствовать опыт российских предприятий: два насоса НШ-10 и два распределителя Р-16А, которые соединены параллельно. Исходя из показателей насоса и гидравлики подбирается литраж топливного бака.
Источник фото: exkavator.ruШестеренчатый настос НШ-10
Докопаться до философского зерна
Как будет копать ваш мини экскаватор, сделанный своими руками, — это уже вопрос риторический. Но, согласитесь, собранный вами самостоятельно, он точно будет иметь право претендовать даже если и не на звание надежного помощника в хозяйстве, то уж точно на предмет вашей, теперь уже непоколебимой, гордости.
Источник фото: exkavator.ruВаш труд имеет все шансы воплотиться в нечто подобное
Источник фото: exkavator.ruИли вот в это. От объекта визуализации на первом фото далеко, но все же
В деталях
Будущее!
Источник
Клык экскаватора-погрузчика + чертежи!!!
Самодельный мини-экскаватор своими руками: описание процесса, видео, чертежи
Мини экскаватор своими руками
Полезные приспособления /12-мар,2018,22;27 / 20982
Своими пытливыми умами и беспокойными руками народные умельцы постоянно призывают других людей сооружать своими силами разного рода технику, полезную в хозяйстве.
Мастера не обошли вниманием и мини-экскаваторы – эти самодельные машины популярны и за границей, и у нас.
Самодельные землеройные машины делают по двум основным вариантам конструкции. Первая версия – схема навесной экскаваторной установки на мини-трактор, и вторая – схема автономного мини-экскаватора. Во втором случае экскаватор может быть и самоходным, и прицепным – когда требуется дополнительный транспорт, чтобы доставлять эту машину на место проведения работ.
Самым простым и дешевым вариантом является модель мини-экскаватора на основании прицепа. Его конструкция включает несущую раму с колесной парой, с установленным автономным двигателем внутреннего сгорания, гидроприводом и специфическим оборудованием.
Работа с чертежами
Когда у нас уже есть чертежи определенных конструкций, приступаем к составлению сметы. Из нее можно увидеть, насколько много нужно выделить средств, чтобы купить расходные материалы и запчасти для самостоятельного изготовления мини-экскаватора.
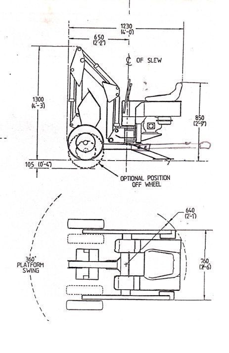
Конструктивные особенности мини-экскаватора
Неплохое решение – это установка самодельного экскаватора на Т40 или изготовление своими руками из узлов прицепа, с последующей установкой на него двигателя, бака, колесной оси от старого автомобиля. Чтобы обеспечить устойчивость во время работы рекомендуется использовать дополнительные крепления. Два опорных «башмака» не позволят экскаватору опрокинуться – размещенный на шасси от автомобиля, он будет надежно стоять при выполнении работ. При подборе мотора во многих случаях используют различные варианты компактных японских или более дешевых китайских двигателей внутреннего сгорания с мощностью до 15 кВт.
Конструкция построена на таких основных элементах:
• несущей раме с гусеницами или в виде экскаватора на автомобильном ходу;
• опорно-поворотной системе;
• гидравлической системе – с насосом, масляным фильтром, баком, ручным рычагом управления, гидроцилиндрами, шлангами;
• двухсекционной стрелой с ковшом.
Мини экскаватор своими руками
стрела мини экскаватора
Гидравлическая система
В заводскую гидравлическую систему входят 4 элемента в виде опорно-поворотной платформы, подъемной стрелы, рычагов управления, ковша. Чтобы получить более простую конструкцию, используются только необходимые части: стрела и опорно-поворотная колонка, которая надежно прикреплена на несущую раму. Любой мини-трактор может служить рамой. Чтобы самостоятельно изготовить узлы, нужно взять 4 гидроцилиндра. Они дадут возможность стреле подниматься и опускаться, делать повороты и управлять ковшом. Это можно делать при помощи гидроцилиндров, которые поднимают кабины грузовых машин советских марок.
Не стоит тратить время на самостоятельное изготовление цилиндров, так как это сделать практически нереально.
Лучше заглянуть в гаражи, на автобазы, и вы точно сможете найти подходящие детали.
Гидравлический привод
Вопрос выбора гидравлического привода упирается только в финансовые возможности мастера, который взялся за сборку мини-экскаватора. Обычно используется шестеренчатый насос, так как он стоит существенно дешевле, чем аксиально-приводной узел. В то же время он имеет простую конструкцию, за счет чего любую неисправность можно легко устранить. Самодельные мини-экскаваторы изготовляются во многих случаях с шестеренчатыми насосами НШ-10 и распределительный узел Р-16А. Для увеличения мощности самодельного прицепного экскаватора часто прибегают к установке сразу двух насосов и распределителей.
Как изготовить ковш
Ковш является главной рабочей частью мини-экскаватора, на него приходится максимальная нагрузка. Следовательно, он должен быть изготовлен из материала высокого качества. В оптимальном варианте для ковша используется листовая сталь, толщина которой составляет 6–8 мм.
Мини экскаватор своими руками-чертеж ковш
Важно уделить должное внимание сварке заготовок, предварительно рассчитанных и вырезанных согласно чертежам. В то же время для усиления днища и боковых стенок ковша применяются стальные пластины.
Мини экскаватор своими руками-чертеж ковш
Для большей функциональности мини-экскаватора стоит на передней части ковша с помощью сварки расположить высокопрочные «клыки» – для этого отлично подойдут «пальцы» гусеничного трактора.
Заключение
Чтобы получить наиболее эффективную модель мини-экскаватора, нужно как следует спланировать весь рабочий процесс, оценить возможности самостоятельного изготовления и покупки готовых частей. В этом случае нужно владеть определенными навыками проведения сварочных, слесарных, токарных, и других работ.
Источник
МиниЭкскаватор своими руками.
Результат.
Домашний умелец: мини-экскаватор своими руками
СообщениеРуслан. B. » Пн 15 дек 2008 22:46
Подскажите пожалуйста, как можно сделать экскаватор с обратной лопатой?
В общем есть небольшой проект на будущий год, это должно быть несамоходное устройство, просто платформа с полуповоротным рабочим органом. Объём ковша 25…40 литров, питание скорее всего от электросети. Имеются двигатели, пару десятков штук, включая 1,5 и 2,2 кВт и трёхфазные 3 и 4,5….
Интересует, каким образом приводить в движение тот же ковш и т.д. Гидравлика и гидромотор конечно хорошо, только наверное дорого.И неизвестно, какое нужно усилие.
Пока определился лишь с механизмом поворота -это будет на основе цепного привода и реверсивного электродвигателя с редуктором дрели.
Подобного рода помошник незаменим — нужно провести большой объём работ на даче, большая часть участка -на склоне, с очень большим уклоном.
Склон уже укреплён снизу и сверху, плюс заборы и т.д а по верху ещё и ЛЭП. Поэтому применение какого-либо экскаватора невозможно. А нужно перебросить вниз не менее 80м3 грунта, и не просто перебросить а прокопать при этом пару траншей и ещё много чего…
Как-то неохота делать это лопатой вручную,хотя есть опыт рытья траншей для винограда и погребов, но то не более 4…6 м3.
Просто я так понимаю что давление на ковш при заборе грунта оказывает не только гидроцилиндр толкающий сам ковш, но должны работать и ещё два -тот что на «изломе» и тот что управляет наклоном у основания всей системы. Немного неточно выразился конечно, но хотелось бы получить какое-то разъяснение.
Источник
ПФ Инжиниринг — Чертежи своими руками — Дом
П.Ф. Инжиниринг — Схемы своими руками — ГлавнаяПЛАНЫ ДЛЯ САМОСТОЯТЕЛЬНЫХ ПОСТРОЕК
Назовите это «ковшовым погрузчиком», назовите его «колесным погрузчиком», назовите его «совком».
Как бы вы его ни назвали, вы можете построить свой собственный и использовать его, чтобы толкать и поднимать все
виды тяжелых грузов.
Сотни самодельщиков с фронтальным погрузчиком Планы сборки предусматривают установку стрелы и ковша на тракторы всех типов.
добрые, даже квадроциклы.
Читать Подробнее
Избавьте себя от неизбежного разочарования при покупке Самый дешевый дровокол на рынке. Планы сборки Log Splitter показать вам, как сделайте двухсплитную модель, которая займет вдвое меньше времени, которое вы потратите на заготовку дров. Его прочная конструкция идеально подходит для интенсивного использования, даже после бездействия во время работы. теплые месяцы.
Чтение Подробнее
Планы сборки мини-погрузчика с шарнирным креплением представляет самовыравнивающийся ковш
избавляет вас от необходимости постоянно регулировать ведро при подъеме или опускании
бум. Готовый загрузчик относительно легкий и легко крепится и снимается.
передние быстросъемные кронштейны трактора John Deere.
Чтение Подробнее
Создайте и обслуживайте собственное навесное оборудование обратной лопаты с помощью Схемы сборки микрокультиваторов . Вы сэкономите деньги заранее и сохраните экономию на обслуживании на долгие годы. Практически любая марка или модель трактора может быть оборудована. Вырыть траншеи для воды или электрические линии. Выкопайте небольшой пруд или вытащите пень.
Чтение Подробнее
Механизм подъема кузова в наших планах сборки прицепа-самосвала с ножничным подъемником — уникальный
дизайн, который сочетает в себе аспекты подъемника с прямым цилиндром с преимуществами
ножничный подъемник. Это обеспечивает большее удлинение с более коротким цилиндром, плюс
повышенная мощность во время самой сложной части подъемного цикла —
начало.
Чтение Подробнее
Подробнее.
Подробнее.
Подробнее.
Подробнее.
Подробнее.
О П.Ф. Машиностроение
П.Ф. Инжиниринг специализируется на планах сборки экскаваторов «сделай сам» (сделай сам). фронтальные погрузчики и многое другое. Наши планы позволяют вам создать свой собственное специальное гидравлическое навесное оборудование, которое можно прикрепить к вашему саду трактор, компактный трактор или другое транспортное средство.
Гидравлическое навесное оборудование, изготовленное по нашим чертежам, — идеальный инструмент для ландшафтного дизайна.
и техническое обслуживание вашей собственности. Легкие и мощные, они отлично подходят для
те труднодоступные места, где большая машина не поместится. Они вызывают
меньшее повреждение поверхности и минимальное уплотнение почвы при движении по газонам
и другие благоустроенные территории.
Если вы хотите построить свой собственный погрузчик или экскаватор, вы обратились по адресу. место. Наши планы профессионально нарисованы, удобны для самостоятельного изготовления и доступны по цене. Ваш строительный бюджет.
Товары для самостоятельной сборки
Модернизация передних шпинделей
Узнайте, как усилить передние шпиндели вашего садового трактора, чтобы они могли должным образом выдерживать вес нового погрузчика. В нашей недавней статье «Сделай сам» The 1000-фунтовый передний шпиндель Upgrade , вы узнаете, какой детали, которые вам понадобятся, и необходимые шаги. Читать далее.
Товары для самостоятельного изготовления
Изготовление сменных втулок
Возьмите на себя управление движением и обслуживанием вашего проекта «Сделай сам», научитесь делать
собственные втулки. Читайте об этих скромных, но важных компонентах в Сборка
Сменные внутренние втулки для гидравлического или ручного шарнирного соединения
Оружие .
Читать далее.
Проекты заказчика по чертежам П.Ф. Машиностроение
20 января 2022 г.
Опубликованы планы сборки самосвального прицепа с ножничным подъемником Для заказа.
29 октября 2021 г.
Испытание прототипа прицепа-самосвала с ножничным подъемником
Подъем 3000 фунтов камня с помощью прототипа будущего самосвального прицепа.
15 октября 2021 г.
Прототип грядущего прицепа-самосвала с ножничным подъемником
Первое видео прототипа нашего нового прицепа-самосвала.
Предыдущие новости
Что дальше?
- Просмотреть фото
Загляните в нашу фотогалерею, где мы иметь 1002 изображений машин наших клиентов на дисплее. Используйте окно поиска в верхней части этой страницы, чтобы найти конкретную марку или интересующая вас модель трактора с погрузчиком или обратной лопатой вложение.
- Просмотр видео
На нашей странице видеороликов можно увидеть клиентов, работающих на самодельных погрузчиках, экскаваторы-погрузчики и дровоколы — все построено по нашим чертежам.
- Планы заказов
Перейдите на нашу страницу заказов и узнайте, как заказать один или другие наши продукты, такие как чертежи фронтального погрузчика или экскаватора-погрузчика. Существуют ссылки для заказа планов доставки в США и международный .
- Свяжитесь с нами
Возможно, у вас есть вопросы по гидравлике, в частности тракторное приложение или что-то еще.
Спросите оригинального дизайнера и строителя
о вашем проекте, прежде чем купить планы. Не стесняйтесь обращаться к Павлу по
по электронной почте или позвоните в офис по телефону 413-256-4960 .
Вы также можете позвонить Полу на мобильный телефон 413-835-5801 . - Подробнее
Страница часто задаваемых вопросов содержит некоторые из наиболее часто задавая вопросы, мы слышим о строительных погрузчиках и экскаваторах. Ваш вопрос можно ответить там, если нет, пожалуйста, не стесняйтесь обращаться к нам по электронной почте или Телефон.
Вопросы? Свяжитесь с Полом по телефону или позвоните в офис по телефону 413-256-4960 . Вы также можете связаться с Полом по его мобильному телефону 413-835-5801 .
Электрический мини-экскаватор и разработки видеоинструкций приносят награды EIMA Innovation Award компании New Holland
• Электрический мини-экскаватор с нулевым уровнем выбросов и низким уровнем шума предлагает значительные эксплуатационные преимущества
• QR-коды обеспечивают немедленный доступ к обучающим видеороликам
Помимо награды за разработку системы выравнивания навесного оборудования для телескопических погрузчиков, еще две инновации New Holland были отмечены наградой EIMA Innovation Awards в преддверии выставки EIMA 2022, которая пройдет в Болонье с 9 по 13 ноября.
Мини-экскаватор E15X Electric Power
Новая линейка компактных мини-экскаваторов New Holland с круговым обзором на 360 градусов включает E15X Electric Power, аккумуляторную электрическую машину с одним электродвигателем, приводящим в действие гидравлический насос, питающий как трансмиссию, так и гидросистему. функции. Будучи автомобилем с нулевым уровнем выбросов и очень низким рабочим шумом, он хорошо подходит для работы во всех областях, но особенно в областях, где действуют нормативные требования по выбросам и шуму. Эта машина подходит для различных областей применения, от сельского хозяйства и садоводства до ландшафтного дизайна, земляных работ и работ по сносу в закрытых помещениях или в ограниченном пространстве.
E15X Electric Power оснащен литий-ионным аккумулятором емкостью 21,5 кВтч и двигателем, который достигает пиковой мощности 16 кВт. Эта комбинация обеспечивает четыре часа непрерывной и интенсивной работы без подзарядки или, в зависимости от рабочей нагрузки, целый рабочий день.
Аккумулятор можно зарядить за 10 часов с помощью бортовой системы 220 В / 1,8 кВт или за 1,5 часа с помощью внешнего быстрого зарядного устройства 380 В / 10 кВт. Спецификация машины включает в себя три различных режима работы для регулировки скорости двигателя, а также выбираемые режимы электрогидравлического управления, которые позволяют независимо регулировать каждое отдельное движение машины, а также настраивать поток навесного оборудования.
Специальное программное обеспечение постоянно отслеживает и регулирует расход масла, необходимый для машины, непосредственно влияя на частоту вращения двигателя. Он делает это, обнаруживая мгновенное движение джойстиков и соответствующим образом устанавливая скорость двигателя, сводя к минимуму нагрузку на гидравлику и, следовательно, на аккумулятор.
Сверхкомпактные размеры являются еще одной ключевой особенностью машины, с выдвижной ходовой частью, которая уменьшает общую ширину до 79 см, и складной дугой безопасности, которая сокращает общую высоту до менее чем 150 см.
E15X имеет предустановленные режимы работы Eco, Standard и Power, а также предустановленные режимы управления Precision, Normal, Productivity и Individual, которые позволяют независимо регулировать каждое движение машины. Его экологические характеристики еще больше повышаются за счет использования экологически чистого биологического гидравлического масла, которое также увеличивает интервалы обслуживания, а также за счет использования литиевых батарей, не содержащих кобальта.
«Мы особенно гордимся этим особым упоминанием, которое учитывает не только инновационную технологию мини-экскаватора E15X, но и воздействие на окружающую среду». — говорит Джузеппе Фаббри, глава отдела экскаваторов и электрификации CNH Industrial Construction.
««E15X экологически чистый не только из-за его источника питания с нулевым уровнем выбросов, но и потому, что он использует исключительно биогидравлическое масло. Нулевые выбросы, быстрое время перезарядки и полная индивидуализация — ключевые особенности этого нового продукта».
QR-коды обеспечивают прямой доступ к обучающим видео
Чтобы значительно улучшить и ускорить доступ к инструктивной информации для операторов комбайнов, разработка для комбайнов New Holland позволяет отображать QR-коды на экранах операционных терминалов IntelliViewTM, предоставляя немедленную ссылку на соответствующие обучающие видеоролики. Сканирование кода с помощью смартфона обеспечивает быстрый и легкий доступ к видео. Например, когда оператор работает на экране, связанном с настройкой системы автоматизации IntelliSenseTM, будет отображаться QR-код, обеспечивающий немедленный доступ к ссылке, открывающей соответствующее видео.
Преимущество поиска инструкций и помощи с помощью QR-кодов заключается в том, что они сразу же направляют оператора к видео с необходимыми инструкциями, что значительно экономит время по сравнению с поиском соответствующей информации в любом другом источнике, например, в традиционном руководстве оператора.



Спросите оригинального дизайнера и строителя
о вашем проекте, прежде чем купить планы. Не стесняйтесь обращаться к Павлу по
по электронной почте или позвоните в офис по телефону 413-256-4960 .
Вы также можете позвонить Полу на мобильный телефон 413-835-5801 .
Добавить комментарий