Гс 14 02 технические характеристики – Автогрейдер ГС-14.02: технические характеристики, обзор модели, сфера использования
Автогрейдер ГС-14.02 – технические характеристики и устройство
На базе завода «Брянский арсенал» выпускается различная спецтехника. На конвейере можно увидеть и автогрейдер ГС-14.02, незаменимый в дорожном строительстве. Данный транспорт используют активно при земельном планировании и профилировании, обустройстве канав, кюветов, насыпей, разработке грунтов, а также для их перемещения.
Конструкция автогрейдера ГС-14.02
Данная техника оснащена отвалами (бульдозерным и поворотным), позволяющими делать в процессе работы широкий захват. Эта же возможность достигается и с помощью сочленённой рамы.
Грейдерный отвал полноповоротный закреплен между задними и передними осями. Такая конструкция позволяет выполнять работы в процессе заднего хода. Отвалы можно заменить рыхлителями (скарификатором или кирковщиком). Наличие комплекта съемных инструментов является одной из особенностей конструкции автогрейдера ГС-14.02.
В устройстве техники присутствуют и такие узлы:
Автогрейдер ГС-14.02
трансмиссия механическая позволяет использовать автомобиль при работах даже на высокогорье;- 2-хконтурная система тормозов работает на гидравлике (с насосом постоянного объема) и имеет запасной источник мощности;
- дополнительно автогрейдер оснащен тормозом стояночным;
- в гидравлике, помимо 6 усилителей для оборудования основного, имеется еще и 4 модуля электрических — для дополнительного;
- управление отвалами автоматизировано и осуществляется посредством балансиров и датчиков.
Эффективность работы автогрейдера напрямую зависит от особенностей установленного двигателя.
Технические параметры ГС-14.02
Рассматриваемая спецтехника относится к классу 140, и его колесная формула выглядит таким образом: 1х2х3. На автомобиле установлены шины 14.00-20.00. Остальные технические характеристики автогрейдера ГС-14.02 сведены в нижеприведенную таблицу:
| Показатели | Ед.изм. | Величины |
| Масса эксплуатационная | тн | 13,5 |
| Скорость перемещения (min/max) | км/ч | 4,1/34,2 |
| Габариты | м | 8,82х2,50х3,48 |
| Передачи (вперед/назад) | кол-во | 6/2 |
| Uраб. эл. оборудования | В | 12 |
| Отвал: — габариты | м | 3,74х0,62х0,25 |
| — вынос | м | 0,8 |
| — зачистка откосов (угол) | град | 90 |
| — резание на глубину | м | 0,38 |
| — угол резания ножа | град | 49-86 |
Указанные параметры делают грейдер ГС-14.02 востребованным для работ в сложных условиях.

Автогрейдер ГС-14.02 — размеры
Силовые характеристики
Автогрейдер ГС-14.02 оснащен дизельным мотором, при этом есть возможно применять различные модификации. Среди них наиболее используемые двигатели:
| Характеристики | Д-260.14 | ЯМЗ-236.Г6 |
| Количество цилиндров/тактов | 6/4 | |
| Особенности | Цилиндровая группа представлена «мокрыми» гильзами, установленными в ряд | Сечение блока V-образное |
| Наличие наддува | Турбинный | Безнаддувный |
| Впрыск топлива | Механически регулируемый | |
| Охлаждение | Жидкостное | Закрытое жидкостное, принудительное |
| Фильтр очистки (сухого типа) | 3-хступенчатый со сменными бумажными патронами | С индикатором заполнения |
| Расход топлива, г/кВт*ч, удельный | 227 | 220 |
| Средний расход, л\ч | 12 | |
| Объем группы цилиндров (л) | 7,12 | 11,5 |
| Мощность (кВт) | 101 | 110 |
| Max усиление на валу (Нм) | 596,8 | 667 |
| Запуск | Посредством стартера | |
Более современные модели грейдеров комплектуются американскими моторами марки Cummins на 100-120 л. с. Они способны выдерживать большие нагрузки и готовы к длительной эксплуатации без промежуточного ремонта. У отечественных моторов меньший запас прочности, но они стоят дешевле, а запчасти более доступны. Поэтому рентабельнее использовать российские модели.

Двигатель Д-260.14
Рама ГС-14.02
Рамная конструкция автогрейдера ГС-14.02 имеет необходимую степень жесткости и выделяется такими особенностями:
- передняя рама стальная, представляет собой сварной короб с небольшим уклоном вперед, что обеспечивает лучший обзор из кабины оператора;
- на задней раме имеются специальные крепления для монтажа навесных модулей.
Шарнирами рам управляют гидроцилиндры, позволяющие выполнять повороты в обе стороны с отклонением на 26 градусов.

Рама ГС-14.02 — конструкция
Особенности рулевого управления
Грейдер ГС-14.02 имеет 2-хцилиндровый привод в рулевом управлении, воздействующий с помощью гидравлики на передние поворотные колеса. При этом радиус поворота составляет 7,8 м. Механическим способом колеса и колонка руля не соединяются.
Гидроприводные колодочные тормоза закреплены на колесах заднего моста. Стояночный дисковый тормоз связан с ведущей шестеренкой редуктора центрального. Система тормозов достаточно надежна и способна удержать машину, даже если двигатель заглохнет.

Руль управления автогрейдером ГС-14.02
Гидравлическая система
Установленная на автогрейдер ГС-14.02 гидравлическая система функционирует посредством постоянно объемных насосов и имеет дополнительное разгрузочное приспособление, включаемое при нейтральном положении управленческой рукоятки.
Рабочими органами управляют ручные гидравлические распределители – их в системе 6. Еще 4 (но уже электрических) выполняют сопутствующие операции.

Автогрейдер ГС-14.02 в работе
Видео по теме: Автогрейдер ГС 14.02
specnavigator.ru
|
|
|
содержание .. 1 2 3 4 5 6 7 8 9 10 ..
1 Автогрейдер ГС-14.02. Описание и работа 1.1 Автогрейдер ГС-14.02. Описание и работа автогрейдера 1.1.1 Автогрейдер ГС-14.02. Назначение автогрейдера Автогрейдер класса 140 ТУ4814-005-00239238-99 предназначен для землеройно-про-филировочных работ, строительства и содержания дорог и может использоваться на рабо-тах по перемещению и распределению грунта и дорожно-строительных материалов, плани-ровке откосов, выемок, насыпей, устройству корыта и боковых канав, очистке дорог от сне-га, смешения грунтов с добавками и вяжущими материалами на полотне дороги, а также для рыхления асфальтовых покрытий, булыжных мостовых и тяжелых грунтов с помощью дополнительного рабочего органа – рыхлителя-кирковщика заднего расположения. Авто-грейдер может работать в грунтах I-III категорий при температуре от 233 К (-40°C) до 313 К (40°C) в условиях умеренного климата.1.1.2
Таблица 1
Продолжение таблицы 1
Продолжение таблицы 1
Продолжение таблицы 1
содержание .. 1 2 3 4 5 6 7 8 9 10 ..
|
|
|
zinref.ru
Автогрейдер ГС-14.02 – устройство и характеристики
Автогрейдер ГС-14.02 имеет особую конструкцию, которая обеспечивает ему некоторые преимущества в сравнении с другими моделями. Его широко применяют в дорожном строительстве и не только. Большое количество вариантов комплектации позволяет легко варьировать функционал и стоимость устройства. Поэтому он заслуживает детального рассмотрения и обзора функциональных возможностей.
Если вам понадобиться помощь по стиральной машине, рекомендуем сайт stiralservis.ru.
Внешний вид автогрейдера ГС-14.02Устройство автогрейдера ГС-14.02
Используется машина такого класса для планировки дорожного полотна и его профилирования. Дополнительно он применяется для создания насыпей из гравия, разных типов грунта и щебня путём их разравнивания, перемещения. В зимний период допускается применение автогрейдера ГС-14.02 для расчистки дорожно-транспортных путей от осадков и образовавшегося льда. Возможно это благодаря широкому диапазону рабочих температур и адаптации для работы в тропических и умеренных широтах.
Широкий захват грейдерного полотна образуется за счёт использования шарнирно сочленённой рамы и поворотного грейдерного и бульдозерного отвалов. Такая конструкция также позволяет использовать машину для профилирования при обратном направлении движения за счёт заднего хода. Отвал располагается непосредственно между передней и задней осями, и является полноповоротным.
Особенность конструкции автогрейдера ГС-14.02 в том, что он комплектуется съёмным оборудованием. Поэтому его бульдозерный отвал можно заменить рыхлителем-кирковщиком, а его, в свою очередь, можно поменять на рыхлитель-скарификатор.
Мощность оборудования напрямую зависит от используемого двигателя, но ввиду того, что существует несколько вариантов исполнения, каждую модификацию стоит рассматривать отдельно, опираясь на технические характеристики.
Автогрейдер ГС-14.02 приспособлен для работы на высокогорных участках. Во многом это доступно благодаря используемой трансмиссии. Она здесь немецкого производства. Тормозная система двухконтурная гидравлического типа с резервным источником мощности. Дополняет её стояночный тормоз с блокировкой включения передач.
Гидравлика снабжается насосом постоянного объёма. Она включает 6 гидроусилителей для основного оборудования и четыре электрических модуля для дополнительного оборудования, а также гидрозамки для контуров.
Работу оператора облегчает автоматическая система управления отвала. Для этого в конструкции предусмотрены ряд датчиков и балансиры, также содержащие датчики.
Автогрейдер ГС-14.02 в работеРасход топлива автогрейдера ГС-14.02
Эта модель устройства снабжена объёмным топливным баком на 490 литров. Для различных комплектаций автогрейдера используются собственные двигатели, поэтому расход топлива зависит от их мощности. Чаще всего для этих целей используются двигатели с потреблением 220 -230 г/кВтч.
Технические характеристики автогрейдера ГС-14.02
- Класс — 140;
- Эксплуатационная масса, кг — 13 500;
- Двигатели Д442 / Д260 / ЯМЗ-236 / Cummins 6ВТ5.9-С135 / Cummins 6ВТА-С165;
- Трансмиссия — механическая;
- Скорость передвижения ГС-14.02, км/ч: 4,1-34,2;
- Число передач автогрейдера: вперед — 6; назад – 2;
- Колесная формула автогрейдера 1х2х3;
- Габаритные размеры ГС-14.02, мм 8820х2500х3475;
- Шины: 14.00-20.00;
- Грейдерный отвал:
Габаритные размеры, мм — 3740х620х250; - Вынос, мм — 800;
- Угол зачистки откосов, град — 90.
Видео об автогрейдере ГС-14.02
tpscom.ru
Автогрейдер ГС-14.02 | технические характеристики, цена, запчасти, расход топлива

Автогрейдер ГС 14.02 изготавливается компанией «Брянский Арсенал». Это современная машина, предназначенная для выполнения крупных объемов землеройных и строительных работ на промышленных участках. Техника используется для профилирования и планирования земель, разработки грунтов, организации насыпей, разравнивания и перемещения материалов, строительства дорог, обустройства кюветов, канав и выемок.
Автогрейдер ГС 14.02: технические характеристики
Автогрейдер ГС 14.02 — современная машина 140 класса, в устройстве которой использованы отечественные и импортные комплектующие. Крупные узлы и агрегаты созданы в соответствии с требованиями пользователей к техническим показателям строительных машин. Грейдер комплектуется различными силовыми агрегатами и предлагает владельцам расширенные возможности.
Основное устройство
Автогрейдер ГС 14.02 устанавливается на шарнирно-сочлененной раме и оснащается в базовой комплектации поворотным грейдерным отвалом. Мощный турбированный мотор обеспечивает технике возможность работы в условиях высокогорья. Тормозная система способна удерживать машину даже при заглохшем двигателе. Полноповоротный отвал позволяет производить работы на заднем ходу.
Двигатель
Производитель предлагает покупателям выбор из пяти комплектаций. Первоначально машина снабжалась отечественным мотором марки Д-442. Это турбированный дизель с номинальной мощностью 100 л.с. Позднее стали доступны модели с силовыми агрегатами Д-260 и ЯМЗ-236 с номинальной мощностью 100 и 110 л.с. соответственно.
Самые современные машины комплектуются импортными двигателями американской марки Cummins. Модель Cummins 6ВТ5.9-С135 выдает максимальную мощность 100 л.с. Модель Cummins 6ВТА-С165 работает на максимальной мощности 120 л.с. Американские моторы отличаются надежностью и не требуют серьезного ремонта на протяжении длительного времени. С другой стороны, российские силовые агрегаты дешевле в обслуживании, а запчасти на моторы автогрейдера ГС 14.02 доступны в любом регионе.
Средний часовой расход топлива автогрейдера ГС 14.02 с двигателями Д-260 и ЯМЗ-236 составляет 12 литров в час. Все агрегаты относятся к классу четырехтактных дизелей с турбонаддувом. Запуск машин осуществляется стартером. Электрооборудование использует рабочее напряжение 12 В.

Трансмиссия
На современных грейдерах ГС 14.02 устанавливаются автоматические коробки переключения передач немецкой марки ZF. В стандартной комплектации с отечественным силовым агрегатом машина поставляется с механической коробкой передач. ГС 14.02 может двигаться с шестью скоростями вперед и двумя назад. При этом скоростной диапазон составляет 4,1-34,2 км/ч.
Производитель применил в ходовой части грейдера колесную формулу 1х2х3. На базовых моделях устанавливаются шины 14.00-20. КПП дополнена тандемной тележкой компании NAF и дифференциалом типа No-Spin. Рабочая тормозная система представлена дисковыми тормозами, управляемыми педалью. В устройстве применена двухконтурная система тормозов, обеспечивающая одинаковое усилие на всех колесах автогрейдера. Для повышения надежности тормозной механизм оснащается резервным источником мощности.
Гидросистема
Гидравлическая система ГС 14.02 использует насос постоянного объема с дополнительной системой разгрузки рабочего узла при нейтральном положении рукояти управления. Функционирование системы обеспечивают шесть ручных гидрораспределителей, с помощью которых осуществляется управление рабочими органами. Четыре электрических гидрораспределителя используются для выполнения сопутствующих операций.
Рабочее оборудование
Автогрейдер ГС 14.02 оснащается полноповоротным грейдерным отвалом со следующими характеристиками:
- длина — 3740 мм;
- высота — 620 мм;
- опускание ниже опорной поверхности — 250 мм;
- вынос — 800 мм;
- угол зачистки откосов — 90 градусов.
В качестве сменного рабочего оборудования производитель поставляет:
- боковой грейдерный отвал;
- поворотный бульдозерный отвал;
- задний рыхлитель.
Габаритные размеры
- длина — 8820 мм;
- ширина — 2500 мм;
- высота по крышу кабины — 3475 мм;
- эксплуатационная масса — 13 500 кг.
Получите выгодное предложение от прямых поставщиков:
Вам будет интересно
spectehnika-info.ru
Автогрейдер ГС-14.02 технические характеристики , расход топлива и устройство
Автогрейдер ГС 14.02 изготавливается компанией «Брянский Арсенал». Это современная машина, предназначенная для выполнения крупных объемов землеройных и строительных работ на промышленных участках. Техника используется для профилирования и планирования земель, разработки грунтов, организации насыпей, разравнивания и перемещения материалов, строительства дорог, обустройства кюветов, канав и выемок.
Технические характеристики

Автогрейдер ГС 14.02 — современная машина 140 класса, в устройстве которой использованы отечественные и импортные комплектующие. Крупные узлы и агрегаты созданы в соответствии с требованиями пользователей к техническим показателям строительных машин. Грейдер комплектуется различными силовыми агрегатами и предлагает владельцам расширенные возможности.
- Класс — 140;
- Эксплуатационная масса, кг — 13 500;
- Двигатели Д442 / Д260 / ЯМЗ-236 / Cummins 6ВТ5.9-С135 / Cummins 6ВТА-С165;
- Трансмиссия — механическая;
- Скорость передвижения ГС-14.02, км/ч: 4,1-34,2;
- Число передач автогрейдера: вперед — 6; назад – 2;
- Колесная формула автогрейдера 1х2х3;
- Габаритные размеры ГС-14.02, мм 8820х2500х3475;
- Шины: 14.00-20.00;
- Грейдерный отвал:
Габаритные размеры, мм — 3740х620х250; - Вынос, мм — 800;
- Угол зачистки откосов, град — 90.
Двигатель

Производитель предлагает покупателям выбор из пяти комплектаций. Первоначально машина снабжалась отечественным мотором марки Д-442. Это турбированный дизель с номинальной мощностью 100 л.с. Позднее стали доступны модели с силовыми агрегатами Д-260 и ЯМЗ-236 с номинальной мощностью 100 и 110 л.с. соответственно.
Самые современные машины комплектуются импортными двигателями американской марки Cummins. Модель Cummins 6ВТ5.9-С135 выдает максимальную мощность 100 л.с. Модель Cummins 6ВТА-С165 работает на максимальной мощности 120 л.с. Американские моторы отличаются надежностью и не требуют серьезного ремонта на протяжении длительного времени. С другой стороны, российские силовые агрегаты дешевле в обслуживании, а запчасти на моторы автогрейдера ГС 14.02 доступны в любом регионе.
Расход топлива
Эта модель устройства снабжена объёмным топливным баком на 490 литров. Для различных комплектаций автогрейдера используются собственные двигатели, поэтому расход топлива зависит от их мощности. Чаще всего для этих целей используются двигатели с потреблением 220 -230 г/кВтч.
Коробка передач

На современных грейдерах ГС 14.02 устанавливаются автоматические коробки переключения передач немецкой марки ZF. В стандартной комплектации с отечественным силовым агрегатом машина поставляется с механической коробкой передач. ГС 14.02 может двигаться с шестью скоростями вперед и двумя назад. При этом скоростной диапазон составляет 4,1-34,2 км/ч.

Производитель применил в ходовой части грейдера колесную формулу 1х2х3. На базовых моделях устанавливаются шины 14.00-20. КПП дополнена тандемной тележкой компании NAF и дифференциалом типа No-Spin. Рабочая тормозная система представлена дисковыми тормозами, управляемыми педалью. В устройстве применена двухконтурная система тормозов, обеспечивающая одинаковое усилие на всех колесах автогрейдера. Для повышения надежности тормозной механизм оснащается резервным источником мощности.
Гидросистема
Гидравлическая система ГС 14.02 использует насос постоянного объема с дополнительной системой разгрузки рабочего узла при нейтральном положении рукояти управления. Функционирование системы обеспечивают шесть ручных гидрораспределителей, с помощью которых осуществляется управление рабочими органами. Четыре электрических гидрораспределителя используются для выполнения сопутствующих операций.
Рабочее оборудование и характеристики отвала
Автогрейдер ГС 14.02 оснащается полноповоротным грейдерным отвалом со следующими характеристиками:
- длина — 3740 мм;
- высота — 620 мм;
- опускание ниже опорной поверхности — 250 мм;
- вынос — 800 мм;
- угол зачистки откосов — 90 градусов.
В качестве сменного рабочего оборудования производитель поставляет:
- боковой грейдерный отвал;
- поворотный бульдозерный отвал;
- задний рыхлитель.
Устройство

Используется машина такого класса для планировки дорожного полотна и его профилирования. Дополнительно он применяется для создания насыпей из гравия, разных типов грунта и щебня путём их разравнивания, перемещения. В зимний период допускается применение автогрейдера ГС-14.02 для расчистки дорожно-транспортных путей от осадков и образовавшегося льда. Возможно это благодаря широкому диапазону рабочих температур и адаптации для работы в тропических и умеренных широтах.
Широкий захват грейдерного полотна образуется за счёт использования шарнирно сочленённой рамы и поворотного грейдерного и бульдозерного отвалов. Такая конструкция также позволяет использовать машину для профилирования при обратном направлении движения за счёт заднего хода. Отвал располагается непосредственно между передней и задней осями, и является полноповоротным.
Особенность конструкции автогрейдера ГС-14.02 в том, что он комплектуется съёмным оборудованием. Поэтому его бульдозерный отвал можно заменить рыхлителем-кирковщиком, а его, в свою очередь, можно поменять на рыхлитель-скарификатор.
Мощность оборудования напрямую зависит от используемого двигателя, но ввиду того, что существует несколько вариантов исполнения, каждую модификацию стоит рассматривать отдельно, опираясь на технические характеристики.
Автогрейдер ГС-14.02 приспособлен для работы на высокогорных участках. Во многом это доступно благодаря используемой трансмиссии. Она здесь немецкого производства. Тормозная система двухконтурная гидравлического типа с резервным источником мощности. Дополняет её стояночный тормоз с блокировкой включения передач.
Гидравлика снабжается насосом постоянного объёма. Она включает 6 гидроусилителей для основного оборудования и четыре электрических модуля для дополнительного оборудования, а также гидрозамки для контуров.
Работу оператора облегчает автоматическая система управления отвала. Для этого в конструкции предусмотрены ряд датчиков и балансиры, также содержащие датчики.
Габаритные размеры

- длина — 8820 мм;
- ширина — 2500 мм;
- высота по крышу кабины — 3475 мм;
- эксплуатационная масса — 13 500 кг.
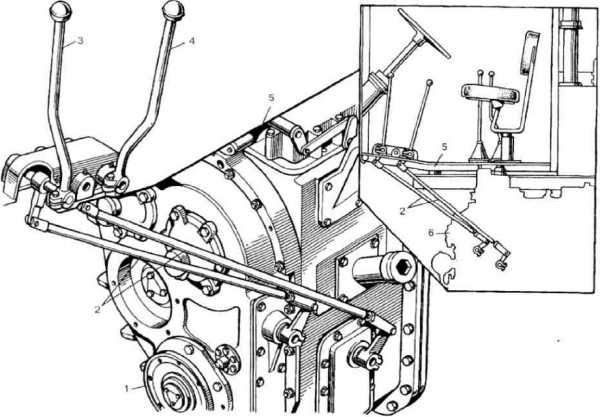
Органы управления

Рулевое управление воздействует на переднюю пару поворотных колес через привод, состоящий из двух гидроцилиндров. Механической связи колес и рулевой колонки нет.
Использование привода, наклона управляемых колес и изгиба рамы обеспечивает агрегату поворотный радиус в 7,8 м.
Тормоза колодочного типа с гидроприводом установлены на колесах заднего моста. Тормоз стоянки дискового типа воздействует на вал ведущей шестерни центрального редуктора. Демпферы крепления кабины, устройства отопления и вентиляции, пружинная подвеска сиденья создают комфортные условия оператору.
Оборудование кабины продумано, эргономика салона современного уровня. Остекление с минимумом закрытых зон, фары освещения и зеркала обеспечивают обзор рабочей зоны и визуальный контроль узлов автогрейдера.
Усиленная стальными вставками кабина предохраняет оператора при аварийных ситуациях. Поворотный круг для монтажа грейдерного отвала закреплен в трех местах устройствами зажимного типа. Управляется парой гидроцилиндров с клапанами, настроенными на снятие ударных нагрузок.
Назначение и особенности

Относится к среднетоннажным, менее 14 т эксплуатационного веса, машинам. Используется при осуществлении масштабных проектов по строительству объектов транспортной инфраструктуры – автомобильных дорог, железнодорожных путей, аэродромов.
Выполняет работы по механизации:
- перемещения грунта, его рыхления, киркования, укладки;
- формирования кюветных траншей, насыпей с различными уклонами;
- распределения инертных материалов по полотну дороги;
- снегоуборки
Особенности агрегата:
- Колесная формула 1х2х3 – 3-осная, с парой ведущих осей и одной управляемой.
- Работает по грунтам с I по III категорию в условиях температур от +40° С до -40° С.
- Полноповоротный грейдерный отвал с приводом от червячного редуктора обеспечивает профилирование поверхности при движении назад.
- Формирует откосы с углом в 90 град.
- Шарнирное соединение рамы обеспечивает прочное сцепление с неустойчивым грунтом и наклонными плоскостями рабочей площадки.
- Возможность использования 15 видов навесного оборудования.
- Допускается установка дополнительных механизмов на переднюю, заднюю полурамы с широкими параметрами в горизонтальной и вертикальной плоскости и с выносом на одну из сторон, что расширяет технологические возможности машины.
- Полная обзорность рабочей площадки из кабины, дополнительные фары и проблесковый маяк.
- Гидравлическое управление рабочим оборудованием.
- Опционная установка систем электронного контроля узлов и агрегатов, модуля ГЛОНАСС, автоматики нивелирования, видеокамеры контроля задней сферы, устройства централизованной смазки шарнирных соединений.
spectekhnika.info
Авто грейдер гс 1402: технические характеристики, отзывы цена
Грейдер гс 1402 – самоходная машина среднего тоннажа с эксплуатационным весом 12,850 тонн, применяемая для строительства объектов транспортной инфраструктуры, перемещения сыпучих материалов и планировки грунтовых поверхностей. Эта модель пневмоколесной спецтехники применяется на объектах с большим объемом землеройных и профилировочных работ.
Назначение и преимущества грейдера ГС 1402
Данная самоходная машина ГС (грейдер самоходный) 14-й серии оснащена поворотным грейдерным отвалом широкого захвата с ножом, что позволяет производить грейдерные и бульдозерные работы одновременно:
- перемещать грунт (щебень, гравий песок) при строительстве дорог;
- формировать насыпи и откосы под углом до 90°;
- производить очистку полотна от строительного мусора, снега и льда;
- выравнивать (планировать) грунтовые поверхности;
- разбивать с помощью кирковщика твердые дорожные покрытия.
Устройство автогрейдера
Передняя рама машины цельносварная (коробчатая) соединяется шарнирно с задней рамой. Конструкция трехосная, управление парой поворотных колес производится гидравликой. В транспортном средстве применена колесная формула 1х2х3 с двумя ведущими и одной управляемой осями. Колесные диски имеют диаметр 8,5”–20”. К грейдеру может подсоединяться до пятнадцати видов навесного оборудования, включая тандемную тележку.

Автогрейдер гс 1402
Основные технические характеристики ГС 14 02:
| Размеры д/ш/в, мм | Скорость движения км/час | Расход горючего г/кВт.ч. | Кол-во передач | Шарнир рамы | Радиус поворота |
| 8825/2500/3475 | 34 | 220 | 6/2 | 26° | 7,8 м |
Характеристики двигателя
В качестве силовой установки автогрейдера данной серии служит V-образный 6-цилиндровый агрегат ЯМЗ-236Г6 или двигатель Д-260.14 производства ММЗ. В основном он предназначен для установки в спецтехнику, также может использоваться в дизель-генераторах. Двигатель четырехтактный, работает на дизельном топливе и развивает мощность 150л.с. Мотор оснащен системами инжекторного впрыска топлива в цилиндры, охлаждение жидкостное с помощью радиатора, оснащенного вентилятором. Силовой агрегат раскручивает вал до 1700 об./мин.
Кабина и органы управления оператора
Повышает эффективность использования автогрейдера эргономичная кабинка оператора, расположенная на передней раме. Наклон кабины вперед улучшает нижнюю обзорность с рабочего места. Рулевое колесо и приборная панель расположена спереди в 90°секторе. На дисплейном блоке водитель может отслеживать контрольные параметры работы систем и включение аварийных сигнализаторов, автоматических переключателей гидрораспределителей. По правую руку расположены: рычаг переключения механической КПП, органы управления освещением, отоплением и омывателями стекол, тумблеры и клавиши опций, блок предохранителей. Дополнительный комфорт создает отсутствие вибрации и хорошая шумоизоляция. Громкость звука в кабине от работающего дизеля сравнима с допустимым уровнем шумов в салоне пассажирского автобуса и не превышает 78–80 дб.

Кабина грейдера гс 1402
Комплектация и отзывы пользователей
Основным сменным оборудованием автогрейдера являются:
- поворотный отвал бульдозерного типа;
- боковой отвал грейдерного типа;
- кирковщик на 7 – 11 зубьев или рыхлитель, подсоединяемые к задней полураме.
Грейдер ГС 1402 разработан и производится ЗАО «Брянский арсенал». Предприятие известно как поставщик мощной и надежной строительно-дорожной техники. На сегодняшний день оно является единственным производителем в России, выпускающим полный модельный ряд автогрейдеров. Благодаря оптимизации модельного ряда высвободившиеся средства были направлены на устранение недостатков, выявленных при эксплуатации популярных моделей.

Стоимость нового и б/у автогрейдера
Стоимость нового грейдера 2017 г.в. с набором рабочего оборудования составляет 5,3 млн. р. Приобрести б/у машину, например, 2002 г.в. с наработкой 1000 моточасов (после капремонта) можно за 750 тыс. р.
Аналоги модели
Автогрейдер ГС 14.02 является близким аналогом мощного ДЗ-180. Он занимает промежуточное положение между ним и чуть более слабым ГС-10.20П. С этими разработками он не первый год конкурирует на рынке дорожной техники.
ГС-1402 на протяжении последних лет имеет преимущественно положительные отзывы эксплуатационщиков спецтранспорта.
Если вы нашли ошибку, пожалуйста, выделите фрагмент текста и нажмите Ctrl+Enter.
Интересное по теме:
Вконтакте
Google+
traktoramira.ru
| Автогрейдер ГС-14.02 сконструирован для проведения строительных работ, обслуживания дорог и применения в коммунальном хозяйстве. Двигатель этой машины оснащен турбонаддувом, что обеспечивает качественную работу даже в условиях высокогорья. При помощи этой техники можно разравнивать песок или гравий, проводить работы по профилированию дорожного полотна, формировать кюветы для стока дождевых вод, чистить дороги от льда или снега. ![]() Технические характеристики автогрейдера ГС-14.02 гарантируют достаточно высокую скорость работы без снижения ее качества. Мощность четырёхтактного дизельного двигателя машины – 110 кВт, трансмиссия – механическая. Тормозная система срабатывает даже при заглушенном двигателе. Привод тормоза снабжён двухконтурной гидравлической системой и средством предупреждения оператора о состоянии узлов, что обеспечивает одинаковую их функциональность с обеих сторон. Рулевое управление имеет гидростатический привод с двумя цилиндрами. Минимальный радиус поворота машины – 7 м 80 см. В кабине имеются два дисплея. На одном отражаются все контрольные замеры и характеристики работы автогрейдера. Второй экран отображает работу КПП. Широкое остекление обеспечивает обзор, а удобное кресло и отопитель делают работу водителя удобной и эффективной. Эта спецмашина проста в обслуживании. В случае поломки можно свободно приобрести новые или б/у запчасти для автогрейдера ГС-14.02. Они в ассортименте представлены на рынке и в интернете. Сменное оборудование позволяет расширить спектр возможных работ. Боковой грейдерный и поворотный бульдозерный отвалы, рыхлитель заднего расположения легко снимаются и устанавливаются. Дополнительное крыло, установленное на грейдерный отвал, даёт возможность перекидывать снег на большое расстояние от дороги. ![]() Передняя рама грейдера коробчатого сечения, цельная, установлена под уклоном для улучшения обзора. Задняя, с силовым периметром, даёт возможность модульно монтировать оборудование. Шарнир имеет два гидроцилиндра и гидрозамки, изгибает раму на 26О в обе стороны. Узлы и детали машины произведены в соответствии с европейскими стандартами. АКПП и тандемная тележка от известных фирм, сборка высокого качества гарантируют длительный срок служения. Благодаря этим особенностям значительно увеличена производительность и сокращены расходы на техобслуживание. Цена на автогрейдер ГС-14.02 соответствует качеству. Приобретение этой техники экономит средства, усилия и время. Технические характеристики ГС-14.02
|
komunalteh.ru




Добавить комментарий