Гмп 5 2: ГМП 5+2 самосвала БелАЗ | МелАгроПром
ГМП 5+2 самосвала БелАЗ | МелАгроПром
+38 (067) 778-52-52 +38 (095) 584-44-88
ГМП 5+2 самосвала БелАЗ
На этой странице вы сможете выбрать нужные вам запчасти ГМП 5+2 самосвала БелАЗ.
На этой странице вы сможете выбрать нужные вам запчасти ГМП 5+2 самосвала БелАЗ.
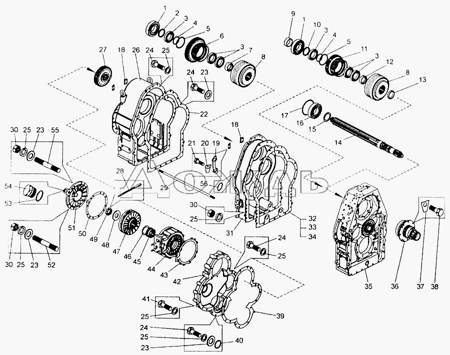
| № п/п | Каталожный номер запчасти БелАЗ | Наименование |
| 02.01. | 7548-1711416 | Барабан фрикциона |
| 02.02. | 7548-1731030 | Вал ведомый согласующ. |
| 40604 | 7548-1731102 | Вал ведущий согласующей |
| 40635 | 7548-1731069 | Вал промежуточный |
| 40665 | 7548-1701332 | Вал ведущий |
02. 06. | 7548-1701502 | Вал выходной |
| 02.07. | 7548-1701400 | Вал диапазонный |
| 02.08. | 7548-1701450 | Вал реверсивный |
| 02.09. | 7548-1711482 | Диск ведущий мет. |
| 02.10. | 7548-1712380 | Клапан корректирующий |
| 02.11. | 7523-1701108 | Кольцо фторпластовое |
| 02.12. | 7523-1701035 | Кольцо фторпластовое |
| 02.13. | 7523-1709040 | Кольцо фторпластовое |
| 02.14. | 7523-3572120 | Кольцо фторпластовое Крыльчатки горн. Тор. |
| 02.15. | 7548-1711441 | Кольцо |
| 02.16. | 7548-1711472 | Кольцо |
| 02.17. | 7548-1711474 | Кольцо |
| 02.18. | 7548-1712210 | Коробка золотниковая |
| 02.19. | 7548-1712410 | Механизм управления ГМП |
02. 19а | 7548-3573010 | Механизм привода управления т. Зам. |
| 02.19б | 7548-3573210 | Механизм управления т.зам. |
| 40594 | 7548-1704010 | Насос масленный ГМП |
| 40595 | 7548-1709150 | Ступица гидротрансформатора |
| 02.21а | 7548-1709202 | Ступица реактора |
| 02.22. | 7548-1701400 | Фрикцион |
| 02.23. | 7548-1701500 | Фрикцион |
| 02.24. | 7548-1701600 | Фрикцион |
| 40599 | 7548-1701700 | Фрикцион |
| 40601 | 7548-1731034 | Шестерня согласующей |
| 40602 | 7548-1731075 | Шестерня согласующей |
| 47150 | 7548-3572114-20 | Ступица |
| 10990 | 7548-1709324 | Кольцо |
| 11355 | 7548-1709094 | Кольцо |
| 11720 | 7548-1701460 | Распределитель диап. вала |
| 12086 | 75481-1731002 | Согласующая передача 5+2 |
Ремонт ГМП 5+2 самосвала БелАЗ
Если у вас вышел из строя ГМП 5+2 БелАЗ вы нуждаетесь в его ремонте, оставьте заявку или позвоните по телефону и мы проконсультируем вас, оценим степень неисправности и просчитаем стоимость ремонта.
Задать вопрос
Оформите заявку с указанием заинтересовавшей Вас модели, мы свяжемся с вами в ближайшее время и подготовим индивидуальное коммерческое предложение.
Запрос цены
Задать вопрос
ГПМ 5+2 (гідромеханічна передача) БЕЛАЗ – модифікації – купити за найкращою ціною з безкоштовною доставкою по всій території України від компанії “Office Systems 24”
вверх
вниз
Ми пропонуємо: широкий асортимент оригінальних запчастин і витратних матеріалів зі складу і під замовлення.
Проводимо капітальні ремонти різних вузлів і агрегатів самоскида БелАЗ, а саме:
ремонт двигуна, ремонт гідромеханічної передачі (ГМП), ремонт головної передачі (редуктора), ремонт електрообладнання, заміна електропроводки, ремонт ЦОМ-ів, циліндрів підвіски, гальмівної системи і багато іншого.
Запчастини для БелАЗ в наявності
Повний Капремон, модифікації, наявність, можливий обмінний фонд
Наше підприємство має можливість виконати капітальні ремонти таких вузлів і агрегатів до автомобілів «БелАЗ»:
– ГМП 3+1, ГМП 5+2, двигунів ЯМЗ-240 всіх модифікацій. А також панелі управління, ЦОМа, ТНВД, рульового механізму, гальмівної системи; переднього і заднього мосту, головної передачі, циліндра стоянкового гальма, циліндрів передньої і задньої підвісок, гідравлічного підсилювача керма, проведення капітально-відновлювального ремонту автомобіля в цілому.
На вищезгаданий перелік агрегатів з ремонту в наявності є обмінний фонд, що значно скорочує простої автомобілів Вашого підприємства.
Вартість виконання робіт з ремонту вузлів і агрегатів автомобілів «БелАЗ-7522», «БелАЗ-540А» визначається відповідно до діючих галузевих нормативно-технічних документів ТЕН на ППР і ТЕ великовантажних автомобілів і спецтехніки та включає: миття, контрольно-діагностичні роботи, складально-разборочные роботи, регулювальні і пуско-налагоджувальні роботи, підготовку до фарбування і фарбування (з урахуванням оплати робіт згідно з нормативами трудомісткості технологічних операцій, сформованих практикою виконання підприємством капітальних ремонтів, плати за збір, вивезення та утилізацію відходів, образующихся в процессе ремонта, расхода горюче-смазочных материалов, технических жидкостей, используемых в процессе ремонта, налогов, сборов и других обязательных платежей, административных расходов подтверждаемых в прилагаемых базовых сметах). На выполненные работы распространяется гарантия при условии соблюдения норм и правил технической эксплуатации автомобилей.
Окончательное согласование цены будет уточнено после совместного обследования с составлением акта дефектовки и сметы выполняемых работ учитывая все пожелания заказчика с обязательным присутствием представителя заказчика.
В процессе ремонта используются оригинальные запасные части, соответствующие требованиям СТБ ИСО-9001-2001.
Отдельно по предварительной договоренности можем произвести поставку запасных частей и РТИ к автомобилю БелАЗ.
В случае заинтересованности дополнительно укажем цены на запасные части, узлы и агрегаты согласно ваших заявок.
Надеемся на взаимовыгодное сотрудничество.
Форма оплаты – по договоренности сторон.
В наличии есть много других запчастей к спецтехнике БелАЗ, звоните интересуйтесь, проконсультируем во всем интересующим Вас вопросам
Характеристики
Інформація для замовлення
5 Ps GMP
Надлежащая производственная практика помогает производителю лучше распознавать, исследовать и предпринимать соответствующие запланированные действия для защиты потребителя и рынка от воздействия любых потенциально вредных ингредиентов или методов.
Эдди Мюррей | 16 февраля 2022 г.
Надлежащая производственная практика (GMP) помогает обеспечивать неизменное качество и безопасность продукции за счет сосредоточения внимания на пяти ключевых элементах, которые часто называют 5 P GMP: люди, помещения, процессы, продукты и процедуры (или документы). . В этом нет ничего нового, но все больше розничных продавцов требуют, чтобы бренды пищевых добавок представили доказательства соответствия GMP и независимое тестирование ингредиентов, прежде чем они позволят продавать продукты на своих полках.
В этой статье:
- 6-й GMP
- Почему GMP остаются важными
- Как доказать соответствие GMP
The 6th GMP
Большинство производителей пищевых добавок годами осознавали необходимость соблюдения GMP. В конце концов, это десятилетиями прописано в Своде федеральных правил США (21 CFR 111). Но в последние несколько лет мы наблюдаем растущий акцент на доказательство соответствия GMP.
Действительно, будет справедливо сказать, что пять P GMP были расширены, чтобы включить шестой P: доказательство.
В связи с тем, что потребители требуют большей прозрачности, а розничные продавцы сталкиваются с юридическими последствиями и предупреждениями регулирующих органов, многие крупные розничные продавцы и онлайн-платформы теперь требуют, чтобы бренды пищевых добавок предоставили доказательства соответствия GMP. Например, Amazon обновила свои требования к продавцам пищевых добавок в апреле 2021 года и, несомненно, продолжает пересматривать эти требования после получения письма с предупреждением FDA в июле 2021 года. CVS Health запустила свою программу Tested to be Trusted ™ в 2019 году. Обе программы требуют наличия брендов и производителей. обеспечить независимую стороннюю сертификацию соответствия GMP, а также другие требования к качеству и тестированию. Мы уже видим, что другие ритейлеры следуют этому примеру.
Почему GMP остаются важными
GMP помогают обеспечить постоянное приемлемое качество и безопасность продукции.
Эффективная GMP снижает риски, помогает компаниям экономить деньги, поддерживает репутацию компании и помогает создать конкурентное преимущество на все более переполненном рынке. Преимущества соответствия GMP столь же важны для индустрии пищевых добавок, как и для фармацевтической промышленности.
Одним из наиболее важных компонентов GMP является контроль качества (КК) — процесс отбора проб, тестирования и сравнения результатов с предварительно согласованными спецификациями в рамках общего процесса обеспечения качества (ОК). Для производителей пищевых добавок хорошо продуманная система контроля качества направлена не только на тестирование готовой продукции, но и на использование наиболее подходящих аналитических методов для обеспечения качества материалов на протяжении всего процесса.
Как доказать соответствие GMP
Независимая сертификация соответствия может быть новой территорией для многих брендов. К счастью, есть несколько способов задокументировать соответствие производственного предприятия требованиям GMP.
Торговые марки и производители должны установить процесс периодической проверки соблюдения требований, изложенных в 21 CFR 111, GMP пищевых добавок. В идеале этот обзор должен проводиться не реже одного раза в год. Хотя Управление по санитарному надзору за качеством пищевых продуктов и медикаментов США (FDA) не требует проведения независимой независимой проверки соответствия требованиям GMP, многие крупные розничные продавцы в настоящее время требуют подтверждения соблюдения GMP третьей стороной. Регулярная внешняя проверка вашей системы контроля качества опытным и надежным партнером — лучший способ обеспечить соблюдение требований и избежать ошибок, которые могут повлиять на качество и безопасность вашего продукта. Также требуется частое обучение системе менеджмента качества. Если вы решите инвестировать в независимый сторонний аудит вашего соответствия GMP, обязательно выберите партнера, аккредитованного ANAB для предоставления сертификации пищевых добавок NSF / ANSI 455-2 GMP.
Еще один способ подтвердить соответствие GMP — членство в Глобальном альянсе розничных продавцов и производителей (GRMA). Крупные розничные продавцы и производители объединились в GRMA для создания и управления согласованными требованиями к качеству в нескольких непищевых отраслях, включая пищевые добавки. GRMA — это членская организация, пользующаяся широкой отраслевой поддержкой со стороны ключевых мировых розничных продавцов, работающих в сфере бакалейных товаров, лекарств, товаров массового потребления и клубных магазинов. В число членов входят розничные торговцы, производители, торговые ассоциации, органы по сертификации и другие заинтересованные стороны.
Когда вы присоединяетесь к GRMA, вы соглашаетесь выполнять требования программы аудита GMP GRMA, которая основана на согласованном стандарте, известном как NSF/ANSI 455-2 – Надлежащая практика производства пищевых добавок.
Как участник GRMA, вы можете воспользоваться возможностью делиться результатами своих аудитов GMP с другими членами группы, которая включает в себя растущий список розничных продавцов. Этот уровень прозрачности разработан, чтобы помочь участвующим розничным торговцам найти бренды и производственные мощности, которые соответствуют требованиям GRMA. Аудиты проводятся по вашему выбору из трех утвержденных органов по сертификации: NSF International, UL или Perry Johnson Registrars. По завершении аудита ваши аудиторские отчеты публикуются на веб-портале GRMA и могут быть видны другим членам GRMA. Если вы пройдете аудит, вы получите сертификат GRMA и сертификат NSF/ANSI 455-2 от органа по сертификации. У вас также будет разрешение на использование логотипа GRMA на вашем веб-сайте.
Нас вдохновляет совместная работа розничных продавцов и брендов над установлением розничных требований для защиты потребителей и дифференциации качественных продуктов на рынке. GMP являются сердцем этих программ качества.
Понимание GMP и того, как доказать соответствие, никогда не было так важно, что делает это идеальным временем, чтобы освежить ваше понимание GMP с помощью онлайн-обучения от NSF.
Эдди Мюррей — старший менеджер NSF Health Sciences Certification.
ТЕГИ: Деловые операции
Mastering GMP: раскрытие 5 ключевых компонентов
GMP расшифровывается как «Надлежащая производственная практика».
Несмотря на то, что в теории эта концепция может показаться простой, на самом деле в нее входит довольно много всего. В этой статье будут описаны пять основных компонентов GMP.
Что такое GMP?
GMP — это сложная производственная система, предназначенная для обеспечения того, чтобы вся продукция, включая медицинские устройства и фармацевтические препараты, производилась и контролировалась в соответствии с определенными стандартами качества.
Эти методы охватывают все аспекты производственного процесса с целью снижения (и в идеале предотвращения) рисков, таких как перекрестное загрязнение, неправильная маркировка, отказ и другие потенциально катастрофические проблемы.
Области, которые играют активную роль в руководстве GMP, включают:
- Санитария и гигиена.
- Здания, помещения и оборудование.
- Сырье.
- Менеджмент качества.
- Персонал.
- Жалобы.
- Документация и делопроизводство.
- Валидация и квалификация.
- Инспекции и аудиты GMP.
Сосредоточив внимание на вышеуказанных областях, производители могут добиться соответствия требованиям GMP. Надлежащая производственная практика требует, чтобы продукты были:
- Постоянного качества.
- Предназначены для использования по назначению.
- Соответствует требованиям регистрационного удостоверения и/или разрешения на проведение клинических испытаний.

Преимущества GMP обширны. Внедрение надлежащей производственной практики может помочь:
- Сократить количество отходов.
- Повышение производительности и рентабельности
- Уменьшите риск отзывов, проблем с соблюдением требований и других проблем.
GMP может помочь защитить как компании, занимающиеся наукой о жизни, так и их клиентов. Главной целью является обеспечение качества на протяжении всего производственного процесса. Все производители, желающие продавать свою продукцию в Европейском союзе (ЕС) и/или в США, должны соблюдать требования GMP.
GMP и cGMP
Возможно, вы знакомы как с GMP (Надлежащая производственная практика), так и с cGMP (действующая Надлежащая производственная практика). В большинстве случаев эти термины означают одно и то же и практически взаимозаменяемы.
GMP — это основной регламент Управления по санитарному надзору за качеством пищевых продуктов и медикаментов США (FDA), изложенный в соответствии с Федеральным законом о пищевых продуктах, лекарствах и косметических средствах, чтобы гарантировать, что производители принимают активное участие в разработке безопасных и эффективных продуктов.
cGMP, однако, был внедрен для содействия постоянному улучшению качества продукции. Идея заключается в том, чтобы производители придерживались самых высоких стандартов качества, постоянно обновляя свои системы и технологии.
Важно отметить, что, хотя правила cGMP содержат ряд практик, ориентированных на несколько этапов производства (и на несколько аспектов качества), это всего лишь минимальные требования, которые организации уже внедрили в свои процессы обеспечения качества и управления рисками.
Итак, что именно влечет за собой согласие? Какие регулирующие органы контролируют эти стандарты? В следующем разделе будет представлен обзор особенностей, связанных с соблюдением GMP.
Правила надлежащего производственного процесса
Регламент cGMP, написанный в соответствии с рекомендациями FDA, помогает обеспечить прочность, качество и чистоту продуктов компаний, занимающихся науками о жизни.
В соответствии с регламентом производители должны регулярно проверять свои процессы, внедрять согласованные системы управления качеством и закупать сырье надлежащего качества.
Кроме того, компаниям необходимо выявлять и расследовать любые отклонения в продукции, обслуживать надежное оборудование и объекты, а также придерживаться хорошо документированных процедур управления и производства.
В то время как FDA наблюдает за соблюдением правил cGMP в США, Европейское агентство по лекарственным средствам (EMA) проводит инспекции GMP в Европе. EMA является регулирующим органом, отвечающим за деятельность GMP на уровне ЕС. Агентство участвует в содействии сотрудничеству GMP между государствами-членами и в обеспечении единой интерпретации всех требований GMP.
Эти требования включают установление приоритетов и гармонизацию пяти основных компонентов GMP.
5 Основные компоненты GMP
GMP состоит из пяти основных компонентов. Производители могут думать о них как о « Five P’s ». К ним относятся следующие:
1. Продукты
Первичные материалы (или сырьевые ингредиенты), используемые для создания медицинского устройства или другого соответствующего решения, должны быть самого высокого качества.
Руководящие принципы GMP в фармацевтической промышленности показывают, что все продукты должны соответствовать определенной основной формуле без отклонений на протяжении всего производственного процесса. Крайне важна система обеспечения качества, включающая регулярные испытания и постоянные сравнения, в комплекте с четкими спецификациями на каждом этапе производства.
2. Персонал
Прием на работу высококвалифицированных специалистов также способствует соблюдению требований GMP. Так же как и обучение этих работников надлежащей санитарии, ведению документации, маркировке и обращению с оборудованием. Хотя обучение является инвестицией, оно может иметь решающее значение с точки зрения обеспечения качества. Все члены команды должны строго соблюдать производственные правила, при этом каждый человек выполняет определенную роль. Регулярные оценки производительности и частые оценки повысят компетентность.
3. Процессы
Все производственные процессы должны соблюдаться и документироваться в соответствии с самыми строгими стандартами.
Поскольку аудиторы регулярно проверяют лаборатории и другие объекты на соответствие и качество, документация действительно необходима. Производители могут сделать еще один шаг вперед, сохраняя письменную структуру всего производственного процесса и распространяя эти материалы среди всех членов команды. Здесь также важны частые оценки с точки зрения соблюдения требований.
4. Процедуры
Процессы и процедуры идут рука об руку. Процедура — это набор руководящих принципов, необходимых для выполнения процесса (с целью получения определенного результата). Во время аудитов тщательно проверяются производственные процессы. Если в какой-либо процедуре используется устаревшая технология, производитель рискует столкнуться с санкциями за несоблюдение требований. Процедурная согласованность может помочь смягчить это. Сотрудники должны полностью понимать процедуры, которым они должны следовать.
5. Помещения
Все помещения, лаборатории и оборудование должны поддерживаться в рабочем состоянии, чтобы гарантировать безопасные, санитарные и эффективные производственные условия.
Это включает в себя надлежащую очистку и хранение, а также любые другие меры, которые могут быть приняты для достижения стабильных результатов, снижения риска отказа оборудования и обеспечения своевременного ремонта. Конечной целью здесь является сокращение вариаций продукта, а также защита пациентов, клиентов и членов команды от операционных проблем на месте.
Соответствие требованиям GMP
Как компании, работающие в сфере медико-биологических наук, могут обеспечить соответствие требованиям GMP? В дополнение к охвату пяти компонентов GMP ясность может внести сосредоточенность на следующих шагах:
- Напишите все процедуры профессионально, четким тоном, используя определенный язык.
- Чистите и обслуживайте все оборудование в соответствии с инструкциями и стандартами производителя.
- Не реже одного раза в месяц проверяйте соответствие вашей организации требованиям.
- Проведите комплексный анализ компетенций, прежде чем нанимать новых членов команды.
Принятие этих мер поможет компаниям, работающим в области медико-биологических наук, полностью внедрить пять принципов GMP.
Принципы GMP
Прежде чем завершить эту статью, рассмотрим следующий обзор основных принципов GMP:
- Создание стандартных операционных процедур (СОП).
- Обеспечение соблюдения СОП и рабочих инструкций.
- Документирование всех процедур и процессов.
- Подтверждение эффективности СОП.
- Проектирование и использование рабочих систем.
- Развитие рабочих компетенций.
- Техническое обслуживание систем, оборудования и помещений.
- Предотвращение загрязнения благодаря высоким стандартам чистоты.
- Приоритет качества в процессе проектирования, разработки и производства.
Быстро выявляя потенциальные отклонения и предпринимая корректирующие действия, медико-биологические организации могут рационализировать свой подход к надлежащей производственной практике.
Напоминание о том, что компаниям, работающим в области медико-биологических наук, следует ожидать, что аудиты GMP будут проводиться на полурегулярной основе. Производители должны постоянно работать над обеспечением соответствия и стремиться к постоянному совершенствованию, сосредотачиваясь на этих принципах. Наличие команды квалифицированных сотрудников, которые понимают вышеуказанные принципы и пять компонентов соответствия GMP, является надежным первым шагом.

06.
19а
вала
Добавить комментарий