Бара мзц 75 – -75. ” “
Машина грунторезная баровая МЗЦ-75 — Волгоградский тракторный завод

Машина грунторезная баровая МЗЦ-75
Машина землеройная цепная МЗЦ-75 предназначена для прорезания щелей в мерзлом грунте при прокладке газо- и водопроводов, канализационных сетей, линий связи и электропередачи, планировочных и земляных работ. Максимальная глубина прорезаемой траншеи — 1800 мм, ширина равна 140 мм.
Баровая грунторезная машина МЗЦ-75 представляет собой трактор, оборудованный навесной баровой установкой закрепленной при помощи кронштейна. Баровая установка состоит из рабочего органа, гидроцилиндра, редуктора, ходоуменьшителя гидромотора, соединительной муфты и арматуры.
Принцип работы
Основной принцип работы машины заключается в передаче крутящего момента от выходного вала отбора мощности трансмиссии трактора посредством муфты на редуктор с прямозубой одноступенчатой передачей, после чего передается на ведущую звездочку органа, которым осуществляется резка. Режущий орган состоит из расположенных на конце направляющей двух звездочек, механизма натяжения цепи и самой цепи с специальными зубьями. Силовой гидроцилиндр производит опускание и подъем режущего органа.
Комплектация землеройной машины МЗЦ-75
Грунторезная машина МЗЦ-75 может иметь следующую комплектацию:
- базовый трактор ДТ-75 ДРС-4;
- базовый трактор ДТ-75 МЛС-4;
- неповоротный отвал;
- поворотный отвал;
- универсальный отвал с гидравлическим перекосом;
- ножи отвала износостойкие;
- ножи отвала твердосплавные;
- иное оборудование по спецзаказу.
Технические характеристики
| Наименование | МЗЦ-75 |
|---|---|
| Тип базового трактора | Агромаш 90ТГ ДТ-75 |
| Рабочий орган | Режущий бар цепного типа с резцами |
| Ширина прорезаемой щели, мм | 140 |
| Глубина прорезаемой щели не менее, м | 1,5 |
| Количество прорезаемых щелей, шт | 1 |
| Скорость движения машины, м/ч | Транспортная скорость трактора |
| Скорость рабочая, м/ч | До 250 |
| Производительность не менее, м/ч | 60 |
| Привод вращения бара | Механический ВОМ (вал отбора мощности) |
Фото МЗЦ-75
vgtz-traktor.ru
ООО ” Опытный механический завод “
ЗаказатьМашина землеройная цепная МЗЦ-75 предназначена для прорезания щелей в мерзлом грунте при прокладке газо- и водопроводов, канализационных сетей, линий связи и электропередачи, планировочных и земляных работ.
Максимальная глубина прорезаемой траншеи — 1800 мм, ширина равна 140 мм.
Баровая грунторезная машина МЗЦ-75 представляет собой трактор, оборудованный навесной баровой установкой закрепленной при помощи кронштейна. Баровая установка состоит из рабочего органа, гидроцилиндра, редуктора, ходоуменьшителя гидромотора, соединительной муфты и арматуры.
Принцип работы
Основной принцип работы машины заключается в передаче крутящего момента от выходного вала отбора мощности трансмиссии трактора посредством муфты на редуктор с прямозубой одноступенчатой передачей, после чего передается на ведущую звездочку органа, которым осуществляется резка. Режущий орган состоит из расположенных на конце направляющей двух звездочек, механизма натяжения цепи и самой цепи с специальными зубьями. Силовой гидроцилиндр производит опускание и подъем режущего органа.
Технические характеристики
| Наименование | МЗЦ-75 |
|---|---|
| Тип базового трактора | Агромаш 90ТГ ДТ-75 |
| Рабочий орган | Режущий бар цепного типа с резцами |
| Ширина прорезаемой щели, мм | 140 |
| Глубина прорезаемой щели не менее, м | 1,5 |
| Количество прорезаемых щелей, шт | 1 |
| Скорость движения машины, м/ч | Транспортная скорость трактора |
| Скорость рабочая, м/ч | До 250 |
| Производительность не менее, м/ч | 60 |
| Привод вращения бара | Механический ВОМ (вал отбора мощности) |
www.o-m-z.ru
Аренда траншейного экскаватора (траншеекопателя) Михневский РМЗ МЗЦ-75, Ивантеевка
- Заявки
- Продажа
- Аренда
- Запчасти
- Компании
- Ремонт
- Перевозка
- Дилеры
- Форум
- Новости
+ 7 (499) 647-52-46
Вход Вход Прайс дня×
- Запчасти
- Каталог компаний
- Ремонт
- Перевозка
- Каталог дилеров
- Заявки
-
Продажа
-
Землеройная техника
- Экскаваторы4241
- Драглайны экскаваторы31
- Карьерные экскаваторы139
- Колесные экскаваторы538
- Траншейные экскаваторы53
- Экскаваторы-погрузчики1225
- Экскаваторы-планировщики33
- Экскаваторы-амфибии40
- Фронтальные погрузчики2218
- Телескопические погрузчики332
Сваебойные установки200- Скреперы17
- Установки для завинчивания свай7
- Бульдозеры1620
- Грейдеры596
- Гусеничные экскаваторы2182
- Земснаряды104
- Погрузчики2550
- Складская техника
-
Землеройная техника
exkavator.ru
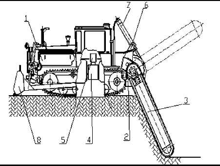
Баровая машина МЗЦ-75 на тракторе ДТ-75
Машина землеройная цепная МЗЦ-75 на гусеничном ходу (базовый трактор производства Волгоградского тракторного завода – ДТ-75) предназначена для прокладки траншей для газо- и водопроводов, сетей канализации, связи и электропередачи в мерзлых грунтах IV-V категорий.
Глубина прорезаемой траншеи – до 1800 мм, ширина – 140 мм.
Машина землеройная цепная МЗЦ-75 (рис. 1) представляет собой трактор ДТ-75 (поз. 1), оборудованный навесной баровой установкой, которая крепится к трактору на кронштейне (поз. 6). Баровая установка состоит из редуктора (поз. 2), рабочего органа (поз. 3), соединительной муфты, ходоуменьшителя (поз. 4), гидромотора 310.56 (поз. 5), гидроцилиндра (поз. 7) и соединительной арматуры Крутящий момент от выходного вала отбора мощности трансмиссии трактора через муфту передается на редуктор бары, имеющий одноступенчатую прямозубую передачу (40:13), а затем на ведущую звездочку режущего органа. Режущий орган состоит из направляющей с механизмом натяжения цепи, двух звездочек, расположенных на ее концах и цепи со специальными зубками. Подъем и опускание режущего органа осуществляется силовым гидроцилиндром.
Баровые машины (цепные траншейные экскаваторы) на Беларус-82. 1 или аналог
| Баровая машина БГМ-1 140/1600 (цепь урал33 «зимняя») | Машина в сборе Баровая установка – навесное оборудование, ходоуменьшитель |
| Баровая машина БГМ-2 210..410/1600 (цепь на выбор): 210, 270, 410 мм. | Машина в сборе Баровая установка – навесное оборудование, ходоуменьшитель |
| Баровая машина универсальная БГМ-2У (2 режущих органа: 140/1600 цепь урал33 «зимняя», 210..410/1600 цепь на выбор 210, 270, 410 мм.) | Машина в сборе Баровая установка – навесное оборудование, ходоуменьшитель |
| Баровая машина БГМ-1М 210..410/1800 (цепь на выбор): 210, 270, 410 мм. | Машина в сборе Навесное оборудование, ходоуменьшитель |
Баровые машины (цепные траншейные экскаваторы) на бульдозере
| Баровая машина Б10 140/2100 (цепь урал33 «зимняя») Два реж. органа 700мм растоян. | Машина в сборе Баровая установка – навесное оборудование, ходоуменьшитель |
| Баровая машина Б10 300/2100 сдвоенный реж. орган | Машина в сборе Баровая установка – навесное оборудование, ходоуменьшитель |
| Баровая машина Б10 140/2100 | Машина в сборе Баровая установка – навесное оборудование, ходоуменьшитель |
| Баровая машина МЗЦ 75 на тракторе ДТ-75 | Машина в сборе Навесное оборудование, ходоуменьшитель |
www.rmzspb.ru
Запчасти для баровых, грунторезных машин
Являясь представителем ряда крупнейших отечественных производителей барового оборудования и траншеекопателей, ООО «БараМашЦентр» осуществляет комплексные поставки широкой номенклатуры запасных частей и комплектующих для оснащения исполнительных органов грунторезов и врубовых машин.
Обширный ассортимент запчастей к грунторезам, предлагаемый нами заказчикам, включает в себя все наименования комплектующих и расходных материалов, необходимых для эффективной и надёжной эксплуатации барового оборудования:
• режущие цепи;
• звёзды ведущие и ведомые;
• резцы отечественного и зарубежного производства;
• режущие органы;
• шнековые узлы;
• гидроходоуменьшители;
• гидроцилиндры;
• насосы и др.
Комплексные поставки запчастей для грунторезов и траншеекопателей, а также расходных материалов и дополнительного оборудования к ним, предлагаемые ООО «БараМашЦентр», позволяют нашим клиентам осуществлять закупки всех необходимых для эксплуатации грунторезной техники комплектующих у одного поставщика, экономя время и средства.
Высокое качество поставляемых нами запасных частей для грунторезов, удобные способы оплаты, гибкая система предоставления скидок и доставка заказов во все регионы России сделают ваше сотрудничество с нашей компанией комфортным и выгодным.
Орган режущий 2086.01.03.200

Для установки на грунторез 2086, Н=140мм , L=2,2м со шнековым узлом.
На грунторез 2086.31.00.000 Н-140,L-2.2м
Характеристики
Страна производитель Россия
Тип назначения Строительные экскаваторы
Гарантийный срок 6 (мес)
Режущая цепь 2083.05.02.000СБ

Цепи режущие для грунторезов,баровых машин.траншеекопателей для установки на бару 2083.00.00.000
Характеристики
Страна производитель Россия
Ось соединительная У33.22.20.01.001

Для соединения баровых кулаков.Ось соединительная У33.22.20.01.001
Характеристики
Тип техники Спецтехника
Тип запчасти Оригинал
Состояние Новое
Страна производитель Россия
Гарантийный срок 6 (мес)
Болт стяжной головки бара У33.20.09.062
Для ведомых звёзд,на головку бара.
Устанавливается в звездочку ведомую зимнего рабочего органа Урал-33.
Характеристики
Страна производитель Россия
Гарантийный срок 6 (мес)
Головка бара УРАЛ-33 (Красноярск)

Для натяжки баровой цепи УРАЛ33.
Характеристики
Тип техники Спецтехника
Тип запчасти Оригинал
Страна производитель Россия
Шестерня редуктора ЭТЦ-1609.30.00.005

ЭТЦ-1609.30.00.005. Устанавливается на обойму экскаватора траншейного цепного ЭТЦ-1609 через шлицевое соединение.
Характеристики
Тип техники Спецтехника
Тип запчасти Оригинал
Состояние Новое
Страна производитель Россия
Гарантийный срок 6 (мес)
Диск предохранительной муфты ЭЦУ-150

Диски фрикционные (9 штук) и стальные (8 штук) экскаватора цепного универсального ЭЦУ-150. Устанавливаются в предохранительную муфту редуктора.
Характеристики
Тип запчасти Оригинал
Состояние Новое
Страна производитель Россия
Тип техники Спецтехника
Гарантийный срок 6 (мес)
Втулка шнекового узла ЭТЦ-1609-32.02.006
Характеристики
Тип запчасти Оригинал
Страна производитель Россия
Тип техники Спецтехника
Ролик в сборе УКИС-002.007.003

Для баровой установки ЭТЦ и ЭЦУ.
Характеристики
Тип запчасти Оригинал
Состояние Новое
Страна производитель Россия
Тип техники Спецтехника
Гарантийный срок 6 (мес)
Звездочка ведущая БГМ-1(МЗЦ-75) 6.1629.4 01-00-05СБ

Характеристики
Тип техники Спецтехника
Тип запчасти Оригинал
Состояние Новое
Страна производитель Россия
Гарантийный срок 6 (мес)
Звездочка поддерживающая ЭТЦ-165
Звездочка поддерживающая ЭТЦ 156 шаг 100, Служит для удержания цепи от продольных и поперечных колебаний при работе. По сравнению с опорным роликом цепи значительно лучше удерживает цепь, что в конечном итоге положительно сказывается на долговечности цепи и качестве траншеи.
Характеристики
Тип запчасти Оригинал
Страна производитель Россия
Тип техники Спецтехника
Звездочка шнековая ЭТЦ-165

Звёздочка шнековая ЭТЦ-165,устанавливается на вал привода шнеков, служит для передачи крутящего момента от цепи в к шнековому транспортеру. Соединение с валом — 8 прямоугольных шлицов.
Характеристики
Тип запчасти Оригинал
Страна производитель Россия
Тип техники Спецтехника
Звездочка ведущая ЭТЦ-165

Предназначена для передачи мощности редуктора баровой машины на цепь. Шаг зубьев 76 мм., количество зубьев – 13. Совместима только с барами ЭТЦ-165, ЭТЦ-1609БД, ЭЦУ-150, БГМ-2У, БГМ-3У.
Характеристики
Тип запчасти Оригинал
Страна производитель Россия
Тип техники Спецтехника
Гидроцилиндр 2086.21.00.070

Одностороннего и двустороннего действия, поршневые с односторонним или двусторонним штоком и телескопические.
Гидроцилиндры – детали, находящиеся под постоянной нагрузкой и прямо влияющие на безопасность движения. Гидроцилиндры осуществляют возвратно-поступательное движение в металлообрабатывающих станках, и других гидрофицированных машинах.
Характеристики
Тип запчасти Оригинал
Состояние Новое
Страна производитель Россия
Тип техники Землеройная техника
Крышка АТ.03.01.031

Для фиксирования стакана 2086.01.07.202 в шнековом узле.
Характеристики
Тип запчасти Оригинал
Состояние Новое
Страна производитель Россия
Тип техники Спецтехника
Гарантийный срок 6 (мес)
Проставка 2086.23.00.000

Для баровых установок АТ.00.00.000 и АТМ.00.00.000
Характеристики
Тип техники Спецтехника
Тип запчасти Оригинал
Страна производитель Россия
Шестерня паразитная ЭТЦ-161-0500-05

Каталожный номер ЭТЦ-161-0500-05. Устанавливается в крышке корпуса редуктора экскаватора траншейного цепного, служит для включения реверса цепи баровой машины ЭТЦ-1609 и ЭТЦ-1609БД
Характеристики
Страна производитель Россия
Тип траншеекопателя цепной
Гарантийный срок 6 (мес)
Стопор У33.10.01.022

СТОПР У33.10.01.022 Для фиксации резца.
Стопор цепи Урал-33. Каталожный номер У33.10.01.022. Предназначен для надежной фиксации резца в кулаке цепи.
Характеристики
Страна производитель Россия
Материал болта Сталь
Гарантийный срок 6 (мес)
Цепь режущая 2086.01.02.060

Характеристики
Тип техники Спецтехника
Тип запчасти Оригинал
Состояние Новое
Страна производитель Россия
Гарантийный срок 6 (мес)
Головка бара У33.20.25.000-01

Для оснащения грунторезов и траншейных агрегатов
Для натяжение цепей грунторезных и баровых машин
Характеристики
Страна производитель Россия
Тип техники Спецтехника
www.oborudunion.ru

Добавить комментарий